找回密码
 立即注册
搜索
查看: 122|回复: 0

[浙教版] (八上)4.6电流与电压、电阻的关系2 导学案-(无答案)

[复制链接]

4万

主题

224

回帖

19万

积分

管理员

积分
196389
发表于 2026-3-23 09:44:44 | 显示全部楼层 |阅读模式
八上科学4.6电流与电压、电阻的关系(2)
日期 班级   姓名 学号
【学习目标】学会利用欧姆定律公式及推导公式,串并联电路电流电压特点计算分析电路。
1、如图1所示是电阻甲和乙的I﹣U图象,下列说法正确的是(  )
A.电阻乙为定值电阻B.当电阻甲两端电压为2V时,R=0.4Ω
C.如图2所示,当开关闭合,电路电流为0.2A时,电路总电阻是15Ω
D.如图3所示,当开关闭合,电源电压为2V时,电路总电流为0.4A

3676db5945ca125247ba895e8a620104.png

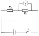
c945e9cea6d5afa573d66741a4ef8c8c.png 2.如图所示,电源电压恒为12V,电阻R1为20Ω,当开关S闭合后,电压表的示数为8V,求:
(1)电阻R1两端的电压;
(2)通过电阻R2的电流.

a3eeb4c99f6364404ad96139cd62bedc.png 3.如图所示电路,闭合开关S时,通过R1的电流I1=0.4A,通过R2的电流I2=0.6A,两端的电压U1=4V,求闭合开关S时,
(1)R2两端的电压U2
(2)干路电流I。
4.在图(a)所示的电路中,电源电压恒定不变,电阻R1为20欧,滑动变阻器R2上标有“20Ω  2A”字样。闭合电键S,滑动变阻器R2上的滑片P移至某处时,电路中两个电表的指针恰好指在相同的位置上,如图(b)所示.求:

00e19bbc57ab56afdf4d656a5bbdb318.png (1)电源电压U。
(2)变阻器连入电路的阻值R2

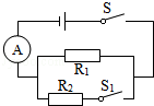
72cb0e8e279d20c911bae6e1522e69ad.png 5.如图所示,电源电压恒定,R1=20Ω,闭合开关S,断开开关S1,电流表示数是0.3A;若再闭合S1,发现电流表示数变化了0.2A.
(1)电源电压是多大?
(2)电阻R2的阻值是多少?

8124862089978441c959781789f2c81d.png 6.如图所示,电源电压保持不变,R1、R2为阻值未知的定值电阻.在闭合开关S的情况下,断开S1时,电压表的读数U1=4V,电流表读数I1=0.1A;闭合S1时,电压表的读数U1′=6V.求:
(1)电源电压U;
(2)定值电阻R1、R2的阻值。

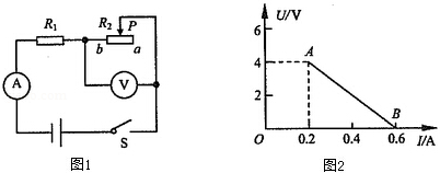
f7ccceb5625de438860a3ef272c01e9a.png 7.在如图(a)所示的电路中,电源电压U=4V,电阻R1=20Ω,闭合开关S,当滑动变阻器的滑片P移至某处时,电路中电流表A的示数如图(b)所示.求:
(1)电流表A1的示数.
(2)滑动变阻器连入电路的阻值.
8.如图所示,电源电压保持不变,R1=10Ω。当闭合开关S,滑动变阻器滑片P从a端移到b端,两电表示数变化关系用图线段AB表示。求:
(1)电源电压
(2)滑片P滑到ab中点时电压表的示数.

8a6ff096ab8773d4832c35ad529c7c81.png

您需要登录后才可以回帖 登录 | 立即注册

本版积分规则

Archiver|手机版|小黑屋|5432教案网 ( 蜀ICP备2022024372号-1 |川公网安备51152402000101号 )|网站地图

GMT+8, 2026-5-20 00:22 , Processed in 0.117809 second(s), 31 queries .

Powered by Discuz! X3.5

© 2001-2026 Discuz! Team.

快速回复 返回顶部 返回列表