找回密码
 立即注册
搜索
查看: 125|回复: 0

[人教版] (选必3)第4章第2节光电效应第一课时(教案2)

[复制链接]

4万

主题

224

回帖

20万

积分

管理员

积分
200767
发表于 2026-4-9 07:33:11 | 显示全部楼层 |阅读模式
4.2光电效应教学设计
课题
光电效应第一课时
单元
4
学科
物理
年级
选修
学习
目标
物理观念:知道什么是光电效应。
科学思维:通过实验了解光电效应的实验规律。
科学探究:经历科学探究过程,认识科学探究的意义,尝试应用科学探究的方法研究物理问题,验证物理规律。
科学态度与责任:领略自然界的奇妙与和谐,发展对科学的好奇心与求知欲,乐于探究自然界的奥秘,能体验探索自然规律的艰辛与喜悦。
重点
光电效应的实验规律
难点
光电效应的实验规律
教学过程
教学环节
教师活动
学生活动
设计意图
导入新课

6f061c3ee526f7e1a91d47f4c3a74af4.png
播放光电效应的相关视频。
观看视频。了解光电效应现象。

用视频播放学生未曾见过的现象,吸引学生注意力,引出新课。
讲授新课
一.光电效应的实验规律
用弧光灯照射擦得很亮的锌板,(注意用导线与不带电的验电器相连),使验电器张角增大到约为 30度时,再用与丝绸磨擦过的玻璃棒去靠近锌板,则验电器的指针张角会变大。
表明锌板在射线照射下失去电子而带正电
当光线(包括不可见光)照射在金属表面时,金属中有电子逸出的现象,称为光电效应。逸出的电子称为光电子
光电子定向移动形成的电流叫光电流。
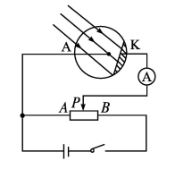
思考1:在如图所示的电路中灵敏电流计会有示数吗?

047b727799feca78de368a5718a7ba58.png
思考2:当有光照射阴极K时回路中会有电流吗?
思考3:为什么要加正向电压?不加正向电压电路中有电流吗?
分析解答:光束照在阴极K上会发生光电效应现象,但只有极少的电子能到达阳极A,电路中电流很小。加了正向电压后,大量的电子在电场力的作用下向阳极运动,形成较大电流。(加正向电压的目的是放大实验效果,增强实验“可见性”)。
思考4:保持光照条件不变,逐渐加大两极之间的电压,大家分析光电流会怎样变化?
(1)存在饱和电流
光照不变,增大UAK,G表中电流达到某一值后不再增大,即达到饱和值。
因为光照条件一定时,K发射的电子数目一定。
实验表明:
入射光越强,饱和电流越大,单位时间内发射的光电子数越多。
思考5:保持光照条件不变,对调电源的正负极,逐渐加大两极之间的电压,大家分析光电流会怎样变化?
(2)存在遏止电压
U=0时,I≠0,因为电子有初速度

6094aaac97b1300c13aff070f20440df.png
加反向电压,如右图所示:
光电子所受电场力方向与光电子速度方向相反,光电子作减速运动。若

8db7a1f07cac4b477afbb63b24a949c0.png
则I=0,式中UC为遏止电压
思考6:对刚才的实验,加了遏止电压后,如果再增大入射光的强度,电路中会有光电流吗?减弱光的强度,遏止电压会减小吗?

e6949a6388b91936738ae4191b03c332.png
实验表明:对于一定颜色(频率)的光,   无论光的强弱如何,遏止电压是一样的. 光的频率 ν改变时,遏止电压也会改变。
光电子的能量只与入射光的频率有关,与入射光的强弱无关。
(3)存在截止频率
经研究后发现:对于每种金属,都相应确定的截止频率ν c
当入射光频率ν > ν c 时,电子才能逸出金属表面;
当入射光频率ν < ν c时,无论光强多大也无电子逸出金属表面。
(4)具有瞬时性
实验结果:即使入射光的强度非常微弱,只要入射光频率大于被照金属的极限频率,电流表指针也几乎是随着入射光照射就立即偏转。
更精确的研究推知,光电子发射所经过的时间不超过10-9 秒(这个现象一般称作“光电子的瞬时发射”)。
光电效应在极短的时间内完成

7cb5ec88eaa2605ae1dd2060738fb658.png
勒纳德等人通过实验得出以下结论:
①对于任何一种金属,都有一个极限频率,入射光的频率必须大于这个极限频率,才能发生光电效应,低于这个频率就不能发生光电效应;
② 当入射光的频率大于极限频率时,入射光越强,饱和电流越大;
③光电子的最大初动能与入射光的强度无关,只随着入射光的频率增大而增大;
④入射光照到金属上时,光电子的发射几乎是瞬时的,一般不超过10-9秒.
二.光电效应解释中的疑难
思考7:人们知道,金属中原子外层的电子会脱离原子而做无规则的热运动。但在温度不很高时,电子并不能大量逸出金属表面,这是为什么呢?
温度不很高时,电子不能大量逸出,是由于受到金属表面层的引力作用,电子要从金属中挣脱出来,必须克服这个引力做功。
使电子脱离某种金属所做功的最小值,叫做这种金属的逸出功

650d155423049ce2edfa93d47657f4c1.png
当光照射金属表面时,电子会吸收光的能量。若电子吸收的能量超过逸出功,电子就能从金属表面逸出,这就是光电子。光越强,逸出的电子数越多,光电流也就越大。
这些结论与实验相符。
①光越强,光电子的初动能应该越大,所以遏止电压UC应与光的强弱有关。
②不管光的频率如何,只要光足够强,电子都可获得足够能量从而逸出表面,不应存在截止频率。
③如果光很弱,按经典电磁理论估算,电子需几分钟到十几分钟的时间才能获得逸出表面所需的能量,这个时间远远大于10 -9  S。
以上三个结论都与实验结果相矛盾的,所以无法用经典的波动理论来解释光电效应。
课堂练习1、利用光电管研究光电效应实验如图所示,用频率为ν的可见光照射阴极K,电流表中有电流通过,则(  )

918395f449dc46f849d395cbf2152cbc.png
A.用紫外线照射,电流表不一定有电流通过
B.用红光照射,电流表一定无电流通过
C.用频率为ν的可见光照射K,当滑动变阻器的滑动触头移到A端时,电流表中一定无电流通过
D.用频率为ν的可见光照射K,当滑动变阻器的滑动触头向B端滑动时,电流表示数可能不变
解析:因紫外线的频率比可见光的频率高,所以用紫外线照射时,电流表中一定有电流通过,选项A错误。因不知阴极K的截止频率,所以用红光照射时,也可能发生光电效应,所以选项B错误。即使UAK=0,电流表中也可能有电流通过,所以选项C错误。当滑动触头向B端滑动时,UAK增大,阳极A吸收光电子的能力增强,光电流会增大,当所有光电子都到达阳极A时,电流达到最大,即饱和电流,若在滑动前,电流已经达到饱和电流,那么即使增大UAK,光电流也不会增大,所以选项D正确。
答案:D
根据视频中演示的现象,理解什么是光电效应。
小组讨论,解决问题。
分析讨论问题。
根据思考问题总结实验规律。
结合带电粒子在电场中的受力情况分析光电子的受力情况。
明确截止评率的概念。
了解光电效应的瞬时性。
观看实验视频。
思考讨论问题。
阅读材料,了解实验结论与经典波动理论的不符之处。
完成课堂练习。
总结什么是光电效应规律,知道什么是光电子。
以问题的形式讲解新知识,促进学生的交流,增强学生学习的自主性。
对学生的回答内容进行点评和归纳,总结出更符合问题题意的答案。
根据思考问题总结实验规律。
通过对光电子的受力和运动情况分析,明确什么是遏止电压。
通过实验现象总结实验规律。
了解光电效应的瞬时性。
实验总结观点效应的规律。
引出逸出功的概念。
让学生了解实验结论与经典波动理论的不符之处,引导学生学习下一课时新内容。
拓展提高
1、下列利用光子说对光电效应的解释正确的是(  )
A.金属表面的一个电子只能吸收一个光子
B.电子吸收光子后一定能从金属表面逸出,成为光电子
C.金属表面的一个电子吸收若干个光子,积累了足够的能量才能从金属表面逸出
D.无论光子能量大小如何,电子吸收光子并积累能量后,总能逸出成为光电子
解析:根据光子说,金属中的一个电子一次只能吸收一个光子,只有所吸收的光子频率大于金属的截止频率,电子才能逃离金属表面,成为光电子,且光子的吸收是瞬时的,不需时间的积累,故只有选项A正确。
答案:A
2、电器指针原来是闭合的,现让紫外线灯发出的光照射锌板,发现验电器指针张开了,则(  )
A.验电器的指针带了正电
B.该实验表明光是一种电磁波

efb6dd2eaf5f392eabf3ef0834bc6797.jpg
C.增强紫外线灯的发光强度,指针张角会增大
D.红光照射锌板,验电器的指针张角一定会变得更大
解析:用紫外线灯照射锌板时,验电器指针发生了偏转,可知发生了光电效应,电子从锌板中逸出,此时锌板失去电子带正电,故A正确。光是一种电磁波,但本实验无法得出此结论,故B错误。紫外光越强,单位时间内逸出的光电子数目越多,则带电荷量越大,所以验电器的指针偏角越大,故C正确。因为红光的频率小于紫外线的频率,用红光照射,不一定发生光电效应,故D错误。
答案:AC
3、(2020江苏盐城期末)如图所示,当光照射到光电管时,灵敏电流计指针没有发生偏转,检查电路没有发现断路情况,各元件也正常。发生这种情况可能的原因是(  )
A.电源电压太高           B.入射光波长太长
C.入射光强度较弱        D.光照射时间太短
解析:由题图可知,此时电源提供的电压为正向电压,只要能发生光电效应,电路中就有电流,故A错误;若入射光波长太长,频率太小,小于截止频率,金属不能产生光电效应,与入射光的强度以及照射的时间都无关,故B正确,C、D错误。
答案:B
完成拓展提高。
巩固所学知识。
课堂小结
一、光电效应
光电效应,光电子
二、光电效应的规律。
1、饱和电流
2、遏止电压
3、截止频率
4、具有瞬时性
总结知识。
帮助学生总结所学知识,建立知识框架。
板书
一、光电效应
光电效应,光电子
二、光电效应的规律。
1、饱和电流
2、遏止电压
3、截止频率
4、具有瞬时性
您需要登录后才可以回帖 登录 | 立即注册

本版积分规则

Archiver|手机版|小黑屋|5432教案网 ( 蜀ICP备2022024372号-1 |川公网安备51152402000101号 )|网站地图

GMT+8, 2026-5-31 20:12 , Processed in 2.788373 second(s), 31 queries .

Powered by Discuz! X3.5

© 2001-2026 Discuz! Team.

快速回复 返回顶部 返回列表