找回密码
 立即注册
搜索
查看: 5|回复: 0

[人教版] (选必2)5.3 利用传感器制作简单的自动控制装置(导学案2)

[复制链接]

2万

主题

224

回帖

14万

积分

管理员

积分
141623
发表于 10 小时前 | 显示全部楼层 |阅读模式
5.3利用传感器制作简单的自动控制装置学案
一、自主预习
1. 屏幕上出现如图所示的波形时,应调节__________旋钮.(填写数字或旋钮名称) 以使正弦波的整个波形出现在屏幕上。

97f85d900013a9692a0edfd62af65b91.png
2.电熨斗通过温度传感器来控制电路的通断,应用的物理原理是__________。
  • 课堂探究
情景设问
新知探究
考点:基本元件
1普通二极管与发光二极管
1)特点:都具有单向导电性,在正向电压作用下电阻很小,处于导通状态;在反向电压作用下电阻很大,处于截止状态。
2区别:发光二极管除了具有普通二极管的单向导电性外,导电时还能发光。
3)作用:许多家电都用发光二极管作为指示灯。
2、晶体三极管:
(1)定义:全称应为导体三极管,也成双极型晶体管、晶体三极管,是一种控制电流的半导体器件。
(2)作用:把微弱信号放大成幅度值较大的电信号,也用作无触点开关。
3、电继电器电继电器是一种电子控制器件,它具有控制系统(输入回路)和被控制系统(输出回路),通常应用于自动控制电路中,它实际上是用较小的电流、较低的电压去控制较大的电流、较高的电压的一种“自动开关”。
考点:实验1 门窗防盗报警装置
门窗防盗报警装置具有自动提示报警的功能:启动防盗报警装置,当门窗紧闭时,蜂鸣器不响,指示灯亮;当门窗被打开时,蜂鸣器发出声音警报,指示灯灭。

dc52e53907b262b2695d887cb64e2146.png
1、实验目的:
(1)了解干簧管在磁场中的特性。
(2)了解门窗防盗报警装置的工作原理和实验现象。
2、实验器材与装置:
干簧管、继电器、发光二极管LED、蜂鸣器H、电源、导线若干、开关、电阻。

0842fa8b3a22a183c175de71f47bea92.png
692ca264c0b68b5cdd03790e17eef9f7.png
R为发光二极管的限流电阻,H为蜂鸣器。
3实验原理与设计
1)实验思想:利用干簧管作为控制器实现:当门窗紧闭时。蜂鸣器不响。指示灯亮;当门窗被打开时,蜂鸣器发出声音报警,指示灯灭。
2工作原理与实验电路门的上沿嵌入一小块永磁体M,门框内与M相对的位置嵌入干簧管SA,并将干簧管接入报警电路。干簧管可将门与门框的相对位置这一非电学量转换为电路的通断,如图5.3-2

14f228cb2c87e0ca034eaa5947b549fb.png
4实验操作
(1)连接电路前,要先判断一下干簧管是否可以正常工作。用磁体直接靠近干簧管,观察簧片能否正常动作。 (2)确定各元件可以正常工作后,按照图5.3-2所示连 接电路。
(3)接通电源后,将磁体靠近和离开干簧管,分别观察实验现象。
考点:实验2 光控开关
1、光控开关:主要元件是光敏电阻,它是用来控制路灯自动点亮、熄灭的自动控制装置。
(1)光敏电阻的特点:光照越强,电阻越小。
(2)光敏电阻的原理:光敏电阻的构成物质为半导体材料,无光照时,载流子极少,导电性能差,随着光照的增强,载流子增多,导电性能变好。
(3)光敏电阻的作用过程:把光照强弱这个光学量转换为电阻这个电学量。
2、实验思想:利用光敏电阻作为光控开关实现在天色暗到一定程度时让路灯自动开启,而在天明时熄灭。
3、实验器材:发光二极管、三极管、可变电阻R1、电阻R2、光敏电阻、集成电路实验板、直流电源、导线若干、黑纸

616f02df818e0174d02b31049ece7e6a.png
4、实验原理与设计:
(1)电路图:
d00145b59d92edd843892b83028f76e8.png
(2)晶体三极管:三极管由三个电极组成,分别是发射电极e、基极b和集成电极c,有NPN型和PNP型两种。三极管的一个重要特性是,
(3)电路工作原理:当环境光比较强时,光敏电阻R。的阻值很小,三极管不导通,发光二极管或继电器所在的回路相当于断路,即发光二极管不工作;继电器处于常开状态,小灯泡L不亮。当环境光比较弱时,光敏电阻R。的阻值变大,三极管导通,且获得足够的基极电流,产生较大的集电极电流,点亮发光二极管或驱动继电器吸合而点亮小灯泡L。
5实验操作
(1)按照图5.3-5所示连接电路,检查无误后,接通电源。
(2)让光敏电阻R受到白天较强的自然光照射,调节电阻R使发光二极管LED或小灯泡L刚好不发光。
(3)遮挡R,当光照减弱到某种程度时,就会看到发光二极管LED或小灯泡L发光。
(4)让光照加强,当光照强到某种程度时,则发光二极管LED或小灯泡L熄灭。如果实验现象不明显,可用手电筒加强光照,或遮盖光敏电阻,再进行观察。
三、典例精讲
例题展示
12020年初新冠肺炎疫情防控阻击战中,枪式测温仪成了体温检测的“哨兵”。测温仪的使用,避免了接触式感染的可能性,这全都是得益于传感器的应用。下列有关传感器的说法中错误的是        (  )
A.霍尔元件是能够把磁感应强度转换为电压的一种磁传感器
B.光电鼠标利用了光传感器
C.电子秤称量物体质量是利用了力传感器
D.测温仪是利用了温度传感器
2下列电子元件中,由半导体材料制成的是(  )
A.电容器        B.镇流器        
C.光控开关        D.滑动变阻器
四、核心素养专练
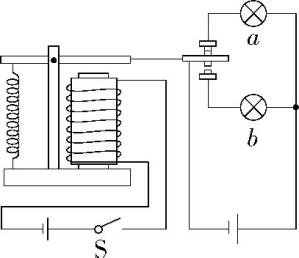
1. 如图所示是某保密室的防盗报警电路,当有人闯入保密室时会使开关S闭合。下列说法正确的是(  )

157ef87aa86b6bbdf434ea437307c36b.jpg

A.电磁继电器与发电机工作原理相同
B.电磁铁的磁性强弱只与电流大小有关
C.电磁铁工作时,上端为S极
D.当有人闯入保密室时,b灯亮
2.热敏电阻能将热信号转换为电信号是因为(  )
A.电阻阻值的大小随热量的变化而变化
B.电阻阻值的大小随温度的变化而变化
C.电阻体积的大小随热量的变化而变化
D.电阻体积的大小随温度的变化而变化
3. 有一种在光照或温度升高时排气扇都能启动的自动控制装置,下列说法正确的是(  )
A.两个传感器都是光电传感器
B.两个传感器分别是光电传感器和温度传感器
C.两个传感器可能分别是温度传感器、电容式传感器
D.只有光照和温度都适合时排气扇才能工作
4. 自动化温室种植能使人们在寒冷的冬季享用到新鲜的蔬菜,自动控制室所利用的传感器是(  )
A.压力传感器 B.声音传感器 C.温度传感器 D.气体传感器
五、参考答案
自主预习
1. 6
2. 热胀冷缩。
典例精讲
1. 霍尔元件是能够把磁感应强度转换为电压的一种磁传感器,A正确;光电鼠标利用了光传感器,B正确;电子秤称量物体质量是利用了力传感器,C正确;枪式测温仪是根据人体辐射的红外线来测温的,没有利用温度传感器,D错误
故选:D
2. A、电容器是由两片接近并且相互绝缘的导体组成的储存电荷和电能的器件,故A错误;
B、镇流器是用金属线圈组成,故B错误;
C、光控开关主要部件是光敏电阻,由半导体材料构成,故C正确;
D、滑动变阻器有金属丝组成,故D错误;
故选:C
核心素养专练
1.电磁继电器是利用电流的磁效应工作的,发电机是利用电磁感应原理制成的,选项A错误;电磁铁的磁性强弱和电流大小、线圈的匝数及有无铁芯有关,选项B错误;根据安培定则可知,电磁铁工作时,上端为N极,选项C错误;当有人闯入保密室时会使开关S闭合,电磁铁有磁性,吸引衔铁向下移动,b灯所在电路接通,b灯亮,选项D正确。
故选:D。
2.热敏电阻随温度的升高其电阻值减小,电阻随温度的降低其电阻值增大,可见温度变化,电阻变化,接入电路中时电路中的电流,电压变化,故B正确ACD错误。
故选:B。
3.有光照或温度升高时排气风扇都能起动,这个过程是利用了传感器,将光信号转换为电信号的是光传感器,将温度信号转化we电信号的是温度传感器。故B正确。
故选:B
4.自动化温室种植能使人们在寒冷的冬季享用到新鲜的蔬菜,与温度有关,是温度传感器,而压力与声音传感器与自动化温室无关,同时没有气体传感器的说法。故C正确,ABD错误。
故选:C
您需要登录后才可以回帖 登录 | 立即注册

本版积分规则

Archiver|手机版|小黑屋|5432教案网 ( 蜀ICP备2022024372号-1 |川公网安备51152402000101号 )|网站地图

GMT+8, 2026-4-9 17:20 , Processed in 0.793109 second(s), 32 queries .

Powered by Discuz! X3.5

© 2001-2026 Discuz! Team.

快速回复 返回顶部 返回列表