找回密码
 立即注册
搜索
查看: 3|回复: 0

[人教版] (选必2)2.4 互感和自感(导学案2)

[复制链接]

2万

主题

224

回帖

14万

积分

管理员

积分
141623
发表于 10 小时前 | 显示全部楼层 |阅读模式
2.4互感和自感学案
一、自主预习
1. 当一个线圈中电流变化,在另一个线圈中产生感应电动势的现象,称为_________。互感现象中产生的感应电动势,称为_________。
2.决定线圈自感系数大小的因素:线圈的大小、形状、_____以及是否有_____等。
  • 课堂探究
情景设问
   两个线圈A、B之间并没有导线相连,线圈A与手机(或MP3等)的音频输出端连接,线圈B与扩音器的输入端连接。把线圈A插入线圈B时就能在扩音器上听见由手机输出的声音,这是为什么?

f5ff9ea7505f1ccee887be8dae1c4dd2.png
新知探究
考点:互感现象
定义:
1、当一个线圈中电流变化,在另一个线圈中产生感应电动势的现象,称为互感。互感现象中产生的感应电动势,称为互感电动势。
2、利用互感现象可以把能量从一个线圈传递到另一个线圈,因此在电工技术和电子技术中有广泛应用。变压器就是利用互感现象制成的。
互感现象的应用与防止
应用变压器

2514ed650ae3c4612cb10baf192e7c5d.jpg
80375891f157845ccc6d6d82565ce9e6.png
防止:互感现象不仅发生于绕在同一铁芯上的两个线圈之间,且可发生于任何两个相互靠近的电路之间。在电力工程和电子电路中,互感现象有时会影响电路的正常工作,这时要设法减小电路间的互感。

a90094a8ef80fa2b3319f9cdff47ba18.png
考点二:自感现象
定义
1、由于导体本身的电流发生变化而产生的电磁感应现象,叫自感现象。
2、自感现象中产生的电动势叫自感电动势。
    自感电动势的作用:阻碍导体中原来的电流变化。
注意:阻碍不是阻止,电流原来怎么变化还是怎么变,只是变化变慢了,即对电流的变化起延迟作用。
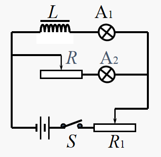
实验
1、先合上开关S,调节变阻器R的电阻,使同样规格的两个灯泡A1A2的明亮程度相同。
2、再调节变阻器R1使两个灯泡都正常发光。
3、然后断开开关S

c4958fd296cf4e0fc5da4d9af8c5022b.png
实验二:
1、把灯泡A和带铁芯 的线圈L并联在直流电路中。
2、接通电路,待灯泡正常发光,断开电路。
ALS
               
通电自感和断电自感:

c590f85ab73097f358018b3a8633577b.png
做一做
用电流传感器显示自感对电流的影响:
电流传感器的作用相当于一个电流表,本书就用电流表的符号表示。传感器与计算机相结合不仅即时反映电流的迅速变化,还能在屏幕上显示电流随时间变化的图像。
1.按图2.4-4甲连接电路(图2.4-5是实物连接图),可以看到,开关闭合时电流是逐渐增大的。为了说明这一点,可以拆掉线圈(图2.4-4乙)再测一次,看看两次测得的电流—时间图像有什么不同。
2.将线圈L与电阻R 并联后接到电池的两端(电路与图2.4-3相仿),测量通过电阻R 的电流,可以看到,开关断开前后通过电阻R 的电流方向不同

4cf854e0c2dd39cf62f5a07d1b2c2778.png
自感现象的应用与防止
应用:日光灯的镇流器,就是利用这个原理来产生启动时所需要的高电压的。再比如在无线电技术中,电感和电容组成振荡电路,用来发射无线电波。
危害:更多的时候,这么大自感电动势会造成很大的危害。像大型电动机中的绕线组,大型变压器的线圈等原件。他们的自感系数非常大,在切断电路的瞬间会产生很高的自感电动势,使开关附近的空气被电离击穿形成电弧。电弧会把开关烧坏,甚至引起火灾。
防止:
油浸开关:把开关放在绝缘性良好的油中防止空气被击穿。
双线绕法:电阻丝通常采用这样的双线绕法。当电流流过电阻丝时,两股电阻丝中的电流所产生的磁场相互抵消,就不会产生感应电动势。
考点三:自感系数
(1)自感电动势的大小:E=L<Object: word/embeddings/oleObject1.bin> ,其中L是线圈的自感系数,简称自感或电感。
(2)单位:亨利,符号:H。常用的还有毫亨(mH)微亨(μH)。换算关系是:
1H=103mH=106μH
(3)决定线圈自感系数大小的因素:线圈的大小、形状、圈数以及是否有铁芯等。
插入铁芯线圈的自感系数变大

02b9de42059b9f165f11707016a793e2.jpg
什么情况下灯泡会闪亮一下再熄灭?

9d056057e38ba71048fd2945399954df.png
e056f25b1e2f4105fc8f2b5a100e234a.png
原因:在自感系数很大的情况下,灯泡会会闪亮一下,然后熄灭或正常发光。
思考与讨论当自感系数很大时,在开关断开和闭合的瞬间,自感线圈会产生瞬时的很高的自感电动势,该电动势会补充A灯或A2灯中的电流,从而使A灯或A2灯中电流突然变大,所以要闪亮一下。
考点四:磁场的能量
开关闭合时线圈中有电流,电流产生磁场,能量储存在磁场中,开关断开时,线圈作用相当于电源,把磁场中的能量转化成电能。
当线圈刚刚接通电源的时候,自感电动势阻碍线圈中电流的增加;当电源断开的时候,自感电动势又阻碍线圈中电流的减小。线圈的自感系数越大,这个现象越明显,线圈能够体现电的“惯性”。
三、典例精讲
例题展示
1如图所示电路中,L是自感系数足够大的线圈,它的电阻可忽略不计,D1D2是两个完全相同的小灯泡。将开关K闭合,待灯泡亮度稳定后,再将开关K断开,则下列说法中正确的是        (  )

75279a659b33842cd5fe4edfe6cf642f.jpg A.K闭合瞬间,两灯同时亮,以后D1变更亮,D2变暗
B.K闭合瞬间,D1先亮,D2后亮,最后两灯亮度一样
C.K断开时,两灯都亮一下再慢慢熄灭
D.K断开时,D2立即熄灭,D1亮一下再慢慢熄灭
2关于电磁感应现象,下列说法中正确的是        (  )
A.穿过螺线管的磁通量发生变化时,螺线管内部就一定有感应电流产生
B.只要电路的一部分做切割磁感线运动,电路中就一定有感应电流
C.线圈中磁通量变化越大,线圈中产生的感应电动势一定越大
D.线圈中电流变化越快,线圈中产生的自感电动势一定越大
四、核心素养专练
核心素养专练
1. 关于电磁感应,下列说法中正确的是        (  )
A.由于自感电流总是阻碍原电流的变化,所以自感电动势的方向总与原电流的方向相反
B.在自感系数一定的条件下,通过导体的电流引起的磁通量变化越大,产生的感应电动势就越大
C.在自感系数一定的条件下,通过导体的电流变化越快,产生的自感电动势越大
D.在自感现象中,电感线圈的自感系数与产生的自感电动势大小有关
2.关于线圈中自感电动势的大小的说法中正确的是        (  )
A.自感系数一定时,电流变化越大,电动势越大
B.自感系数一定时,电流变化越快,电动势越大
C.通过线圈的电流为零的瞬间,电动势为零
D.通过线圈的电流为最大值的瞬间,电动势最大
3. 如图所示,两个灯泡L1L2的电阻相等,电感线圈L的电阻可忽略,开关S从断开状态突然闭合,稳定之后再断开,下列说法正确的是(  )

2ca83eb42adca8e6162e99c2fff1b99e.png
A.闭合开关之后L1立刻变亮、L2逐渐变亮,然后L1L2逐渐变暗
B.闭合开关之后L1L2同时变亮,然后L1逐渐变亮,L2逐渐变暗
C.断开开关之后L1立即熄灭、L2逐渐变暗
D.断开开关之后L1逐渐变暗,L2闪亮一下再熄灭
4. 如图所示,AB是两个相同的小灯泡,L是一个自感系数相当大的线圈,线圈电阻与定值电阻R的阻值相同.关于这个电路的以下说法正确的是(  )

9c281f0d4968dd06eede835ea4f7c664.png
A.开关S闭合瞬间,AB两灯亮度相同
B.开关S闭合,B灯比A灯先亮
C.开关S闭合,电路达到稳定后,断开开关S时,AB两灯同时熄灭
D.开关S闭合,电路达到稳定后,断开开关S时,B灯立即熄灭,A灯稍迟熄灭

五、参考答案
参考答案
自主预习
1. 互感;互感电动势
2. 圈数;铁芯
典例精讲
1. K闭合瞬间,由于线圈的电流增加,导致线圈中出现感应电动势从而阻碍电流的增加,所以两灯同时亮,当电流稳定时,由于电阻可忽略不计,则以后D1熄灭,D2变亮,AB错误;K断开时,D2立即熄灭,但由于线圈的电流减小,导致线圈中出现感应电动势从而阻碍电流的减小,所以D1亮一下再慢慢熄灭,C错误,D正确
故选D
2. 穿过闭合回路的磁通量变化时,电路中产生感应电流,穿过螺线管的磁通量发生变化时,如果电路闭合,螺线管内部不一定产生感应电流,A错误;穿过闭合回路的磁通量变化时,电路中产生感应电流,电路的一部分做切割磁感线运动时,如果电路闭合,电路不会产生感应电流,B错误;由法拉第电磁感应定律可知,感应电动势与磁通量的变化率成正比,与磁通量的变化量无关,磁通量的变化量大,感应电动势不一定大,C错误;E=L<Object: word/embeddings/oleObject2.bin>可知,线圈中电流变化越快,线圈中产生的自感电动势一定越大,D正确。
故选:D
核心素养专练
1.根据楞次定律,当原电流增大时,感应电动势与原电流方向相反;当原电流减小时,感应电动势与原电流方向相同,故A错误;在自感系数一定的条件下,根据法拉第电磁感应定律,则有:通过导体的电流的变化率越大,产生的自感电动势越大,与电流大小及电流变化的大小无关,故B错误,C正确;自感系数由线圈自身决定,与其他因素无关,故D错误。
故选:C。
2.在自感系数一定的条件下,根据法拉第电磁感应定律,则有:通过导体的电流的变化率越大,产生的自感电动势越大,与电流大小及电流变化的大小无关,故A错误,B正确;由公式E=L<Object: word/embeddings/oleObject3.bin> ,通过线圈的电流为零的瞬间,电动势最大,而电流为最大值的瞬间,电动势最小,故C、D错误。
故选:B。
3. AB、闭合开关之后,电感线圈L由于自感现象,相当于断路,灯泡L1L2串联,同时变亮;电路稳定后,电感线圈电阻为零,则灯泡L2被短路,逐渐变暗,L1逐渐变亮,故A错误,B正确;
CD、断开开关之后,灯泡L1立即熄灭,电感线圈L中电流要减小,产生自感电动势,电流流过灯泡L2,故灯泡L2闪亮一下再熄灭,故CD错误。
故选:B
4.A、开关闭合瞬间,L相当于断路,AB同时亮,A的电流大于B的,故AB亮。故AB错误;
C、开关S闭合,电路达到稳定后,断开开关S时,B灯立即熄灭,L相当于电源与A灯串联,A灯稍迟熄灭,故C错误D正确;
故选:D
您需要登录后才可以回帖 登录 | 立即注册

本版积分规则

Archiver|手机版|小黑屋|5432教案网 ( 蜀ICP备2022024372号-1 |川公网安备51152402000101号 )|网站地图

GMT+8, 2026-4-9 17:16 , Processed in 0.782877 second(s), 32 queries .

Powered by Discuz! X3.5

© 2001-2026 Discuz! Team.

快速回复 返回顶部 返回列表