找回密码
 立即注册
搜索
查看: 3|回复: 0

[人教版] (选必2)5.3 利用传感器制作简单的自动控制装置(导学案1)

[复制链接]

2万

主题

224

回帖

14万

积分

管理员

积分
141623
发表于 10 小时前 | 显示全部楼层 |阅读模式
5.3利用传感器制作简单的自动控制装置

ebba3c46d7188b3adf0ec516673616b9.png
  • 1.了解门窗防盗装置、光控电路的实验电路图及工作原理。
  • 2.知道电磁继电器、三极管的基本功能。

8782edf28c15ac32d21d6947456ef67c.png
【重点】了解门窗防盗装置、光控电路的实验电路图及工作原理,并知道电磁继电器、三极管的基本功能。
【难点】通过学习门窗防盗装置、光控电路的实验过程及原理能够制作简单的自动控制装置,并可以对相关题目进行定性分析与相应的定量计算。

aa66ee625a1bef87bbb9ae6d83c38435.png
【课前自主学习】
一、知识前置
思考判断(正确的打“√”,错误的打“×”)
(1)光敏电阻随光照强度增加电阻变大.(  )
(2)二极管加正向电压时阻值很小.(  )
(3)随着科技的发展,传感器会应用在各行各业和生活的方方面面,可以完全取代人的应用.(  )
(4)当路灯自动控制电路做好后,不能随意调整路灯点亮熄灭的起控点.(  )
(5)磁传感器是把磁感应强度转变成电信号.(  )
二、新知学习
传感器是构成自动控制系统的必要环节。如果没有传感器对原始信息进行准确、可靠地捕捉和转换,那么一切控制将无法实现。
    本节提供了两个利用传感器实现简单自动控制的实验,同学们可以根据兴趣和器材条件从中选择一个。只有自己动手进行组装和调试,才会对传感器的作用有更深切的体会。
实验1 门窗防盗报警装置
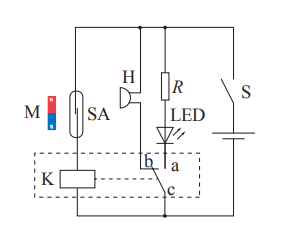
下面我们来看几个生活中的实例怎样才能实现上述功能呢?利用干簧管在磁场中的特性是不错的选择。如图是一个简单的门窗磁控防盗报警装置示意图。门的上沿嵌入一小块永磁体 M,门框内与M 相对的位置嵌入干簧管 SA,并将干簧管接入报警电路。干簧管可将门与门框的相对位置这一非电学量转换为电路的通断。

1ed8b0720dcea46932b6d13c8860a428.png    
门窗防盗报警装置
实验目的:了解门窗防盗报警装置的工作原理
实验原理:闭合电路开关S,系统处于防盗状态。当门窗紧闭时,磁体M靠近干簧管SA,干簧管两个簧片被磁化相吸而接通继电器线圈K,使继电器工作。继电器的动触点c与常开触点a接通,发光二极管LED发光,显示电路处于正常工作状态。当门窗开启时,磁体离开干簧管,干簧管失磁断开,继电器被断电。继电器的动触点c与常闭触点b接通,蜂鸣器H发声报警。干簧管在电路中起传感器和控制开关的作用,继电器则相当于一个自动的双向开关。

2991df979d4ff38a096569704404715f.png    
电磁继电器
实验器材
电源、导线、开关、干簧管、继电器、蜂鸣器、发光二极管、电阻、小磁体。
实验步骤
(1)连接电路前,要先判断一下干簧管是否可以正常工作。用磁体直接靠近干簧管,观察簧片能否正常动作。
(2)确定各元件可以正常工作后,连接电路。
(3)接通电源后,将磁体先后靠近和离开干簧管,分别观察实验现象。

fb583370cb6001031579e13c09b9e450.png
dff0f8a86198133e1c182571a0d9033b.png
门窗防盗报警装置电路图              发光二极管

  • 表1 基本元件及参数
实验2 光控开关
光控路灯可以根据光照的变化自动开启或关闭。怎样能够在天色暗到一定程度时让路灯自动开启,而在天明时自动熄灭?我们可以利用光敏电阻来完成这一任务。下面提供两种模拟的光控开关电路,用发光二极管或小灯泡代表路灯。
实验目的了解的原理。
实验原理当环境的光比较强时,的阻值很小,三极管不导通,发光二极管或继电器所在的回路相当于断路,即发光二极管不工作;继电器处于常开状态,小灯泡L不亮。当环境的光比较弱时,光敏电阻RG的阻值变大,三极管导通,且获得足够的基极电流,产生较大的集电极电流,点亮发光二极管或驱动继电器吸合而点亮小灯泡L。

  • 三极管电路符号及实物图

  • 光控开关电路
实验器材
可调电阻、限流电阻、光敏电阻、暗电阻、亮电阻、三极管、_______、继电器、小灯泡、二极管、电源。
实验步骤
(1)连接电路,_______,接通电源。
(2)让_______受到白天较强的自然光照射,调节电阻R1使发光二极管LED或小灯泡L刚好不发光。
(3)遮挡RG,当_______到某种程度时,就会看到发光二极管LED或小灯泡L发光。
(4)让光照加强,当_______到某种程度时,则发光二极管LED或小灯泡L熄灭。
如果实验现象不明显,可用手电筒加强光照,或遮盖光敏电阻,再进行观察。

  • 表2 基本元件及参数





158541c629500e9a76c1b30735b46a3e.png
1.(单选)利用半导体不可以制成的是(  )
A.标准电阻            B.热敏电阻
C.光敏电阻          D.晶体管
2.(单选)某小型电磁继电器,其中L为含铁芯的线圈.P为可绕O点转动的铁片,K为弹簧,S为一对触头,ABCD为四个接线柱,如图所示.电磁继电器与传感器配合,可完成自动控制的要求,其工作方式是  (  )
A.AB接信号电压,CD跟被控电路串联
B.AB接信号电压,CD跟被控电路并联
C.CD接信号电压,AB跟被控电路串联
D.CD接信号电压,AB跟被控电路并联
3(单选).如图所示为一个逻辑电平检测电路,A与被测点相接,则(  )

df59301aecf1c5135c12659a1eb80e64.png
A.A为低电,LED发光
B.A为高电,LED发光
C.无论A为高电或低电,LED均不发光
D.无论A为高电或低电,LED均发光
4.(在制作光控电路实验中,某同学按图所示电路将元件安装完毕后,发现将装置置入黑暗环境中接通电源时,灯泡不发光,原因可能是(    )

e3038f37e5c08ec51c38a97c21b94bf8.png
A.二极管两极接反            B.R1RG位置颠倒
C.R1阻值太小          D.灯泡被断路
5.(多选)如图所示是温度报警器的电路原理图,下列关于该电路的分析中正确的是(  )

80c83dbb3dbb3d75f88ab3fd0afb0a59.png
A.当RT的温度升高时,RT的阻值减小,A端电势降低,Y端电势升高,蜂鸣器会发出报警声
B.当RT的温度升高时,RT的阻值减小,A端电势升高,Y端电势降低,蜂鸣器会发出报警声
C.当增大R1时,A端电势升高,Y端电势降低,蜂鸣器会发出报警声
D.当增大R1时,A端电势降低,Y端电势升高,蜂鸣器会发出报警声
6.如图所示的光控电路,用发光二极管LED模仿路灯,RG为光敏电阻,R1的最大电阻为51 kΩR2为330 Ω.白天,光的强度较大,光敏电阻RG的电阻值较________,加在斯密特触发器A端的电压较________,则输出端Y输出高电势,发光二极管LED________;当天色暗到一定程度时,RG的阻值增大到一定值,斯密特触发器输入端A的电压上升到某个值(1.6 V),输出端Y突然从高电平跳到低电势,则发光二极管LED________发光(相当于路灯亮了),这样就达到了路灯白天熄灭,天暗自动开启的目的.

c9521b8b09d2ca3be66b52b1e1fb19d6.png

                     
参考答案
  • 【答案】A
解析标准电阻是几乎不受温度影响的电阻,一般是用锰铜合金或镍铜合金制造的,故只选A.
  • 2.【答案】A
解析AB接电磁继电器的线圈,所以AB应接信号电压、线圈电流随信号电压变化使电磁继电器相吸或释放,从而使CD接通或断开,进而起到控制作用.故正确选项为A.
  • 3.【答案】 B
解析A为低电势时,Y为高电势,LED的电压小,不发光;A为高电势时,Y为低电势,LED的电压大,发光,故B正确.
4.答案ABD
解析由题可知若二极管接反,光线暗时,二极管上为负向电压,无法导通,灯泡不亮,A项正确;若R1RG位置颠倒,则光线较暗时,Y端为高电平,晶体管不导通,灯泡不发光,B项正确;若R1阻值太小,Y端一直为低电平,灯泡一直发光,C项错误;灯泡断路时无法发光,D正确.
  • 5.【答案】BC
解析温度升高时,热敏电阻的阻值减小,或者增大R1的阻值,都能导致输入端A的电势升高,斯密特触发器输出端Y从高电平跳到低电平,从而使蜂鸣器发出报警声.
6.答案】小 低 不导通 导通
【解析】白天,光照强度较大,光敏电阻RG的电阻值较小,加在斯密特触发器A端的电压较低,则输出端Y输出高电势,发光二极管LED不导通;当天色暗到一定程度时,RG阻值增大到一定值,斯密特触发器的输入端A的电压上升到某个值(1.6 V)时,输出端Y会突然从高电势跳到低电势,则发光二极管LED导通发光(相当于路灯亮了),这样就达到了使路灯白天熄灭,天暗自动开启的目的.

您需要登录后才可以回帖 登录 | 立即注册

本版积分规则

Archiver|手机版|小黑屋|5432教案网 ( 蜀ICP备2022024372号-1 |川公网安备51152402000101号 )|网站地图

GMT+8, 2026-4-9 17:11 , Processed in 0.776488 second(s), 31 queries .

Powered by Discuz! X3.5

© 2001-2026 Discuz! Team.

快速回复 返回顶部 返回列表