找回密码
 立即注册
搜索
查看: 3|回复: 0

[人教版] (选必2)3.4 电能的输送(导学案1)

[复制链接]

2万

主题

224

回帖

14万

积分

管理员

积分
141623
发表于 10 小时前 | 显示全部楼层 |阅读模式
3.4电能的输送

ebba3c46d7188b3adf0ec516673616b9.png
  • 1.了解电能的输送过程中电压与功率都存在着必然的损耗;
2.知道降低输电损耗的两个途径要从控制输电电阻,提高输电电压作为出发点来进行研究;
3.能够结合物理规律公式推导出U、U、P、P的表达式,并清楚表达式中各物理量的意义及相互关系。

8782edf28c15ac32d21d6947456ef67c.png
【重点】高压输电的基本工作原理及降低电能消耗的两种途径
【难点】高压输电的数学推导过程及各物理量之间的相互关系。

aa66ee625a1bef87bbb9ae6d83c38435.png
【课前自主学习】
一、知识前置
1. 减少输电线上电能损失的方法
(2)减小输电导线中的电流.在输电功率一定的情况下,根据PUI,要减小电流,必须提高__________.
2. 远距离输电各物理量间的关系(如图所示)

658f7c092e7785af625893f0e27ae99e.png
(2)功率关系:P1P2P3P4P2=________+P3.
(4)电压损失:(1)ΔU=________;(2)ΔU=________.
二、新知学习
一、电能的输送
1.思考:我国很多发电厂建在能源聚集的西部地区 , 而用电量大的城市多在东部沿海地区。从发电厂到用电量大的区域的远距离输电中,如何减少电能的损耗?

7c3f2f0816fad38436d068b5aebf29b9.png          
efd6bc98ba12eda27b9ddf2628566ad1.jpg
             风力发电                                高压输电
2.电能的突出优点
便利性:便于远距离输送
3.输送电能的基本要求
可靠:保证供电线路可靠地工作,少有故障和停电
保质:保证电能的质量(电压和频率稳定)
经济:输电线路建造和运行的费用低,电能损耗小
二、输电损耗的两种形式
1、电压损失
2、电功率损失

a23b42070d2051fe492c87700b71b26b.png
输电电流,I=_______;电压损失U=_______;功率损失P=_______;用户得到U=_______;
用户得到P=_______;
随堂思考与讨论
  • 怎样计算输电线路损失的功率?
  • 2.在输电电流一定的情况下,如果线路的电阻减为原来的一半,线路上损失的功率减为原来的几分之一? 在线路电阻一定的情况下,如果输电电流减为原来的一半,线路上损失的功率减为原来的几分之一?

  • 3.通过第2步的两项计算,你认为哪个途径对于降低输电线路的损耗更为有效?
  • 4.怎样计算用户消耗的功率P用?
  • 三、降低输电损耗的两个途径
  • 如果输送的电功率为P,输送电压为U,输电线的总长度为L,横截面积为S,电阻率为 <Object: word/embeddings/oleObject1.bin>。则输电线损耗功率为多少呢?
  • 则功率损耗为可表示为:               
  • 如何减少电能损失?
  • 途径一、减小输电线电阻R:
  • 减小输电线电阻R
  • ①减小材料的电阻率ρ
  • ②减小输电线的长度L
  • ③可适当增大导线横截面积S.
  • 减小输电电流I
  • 途径二、提高输电电压,减小输电电流I
  • 如果输电电压提高为原来的n倍则,P损=                  
  • 说明
  • 输电电压也不是越高越好。电压越高,对输电线路绝缘性能的要求就越高,线路修建费用就会增多。输电电压越高,变压器上的电压也越高,对变压器的要求也相应提高。实际输送电能时,要综合考虑各种因素,如输送功率的大小、距离的远近、技术和经济要求等,依照不同情况选择合适的输电电压。
  • 三、远距离输电原理图
  •                  
     
ac8361c9eebc56e48930d228e37c5fbb.png
                   远距离输电原理图
功率关系:
电压关系:
输电电流:
损耗功率:
四、电网供电
什么是电网供电?
现在世界各国都不采用一个电厂与一批用户的“一对一”的供电方式,而是通过网状的输电线、变电站,将许多电厂和广大用户连接起来,形成全国性或地区性的输电网络,这就是电网.
电网供电有什么好处?
1、次能源产地使用大容量的发电机组,降低一次能源的运输成本,获得最大的经济效益;
2、可以减小断电的风险,调剂不同地区电力供需的平衡;
3、可以根据火电、水电、核电的特点,合理地调度电力。
五、输电技术的发展
1882年,爱迪生在美国修建了第一个电力照明系统;每隔3 km 左右就要建立一个发电厂,否则灯泡因电压过低而不能发光;
1882年,一个法国工程师修建了第一条远距离输电电路,将一个水电站发出的电送到57 km之外的慕尼黑;
1891 年,德国建成170 km 的1530 kV 的高压输电线路,效率高达70% 80%。1893年,国修建尼亚加拉水电站时,经过反复论证,决定采用交流供电系统。
1909至1912年,美国、德国建造100 kV的高压输电线路,从此高压输电技术迅速普及。
现代,直流输电技术。在送电端有专用的“整流”设备将交流变换为直流,在用户端也有专用的“逆变”设备再将直流变换为交流。
思考:为什么要使用直流输电技术呢?
长距离输电时,线路上的电容、电感对交变电流的影响也不能忽略,有时它们引起的电能损失甚至大于导线电阻引起的电能损失,为了减少感抗和容抗,在输电这个环节可以使用直流。直流输电需要专门的“整流设备”与“逆流设备”。

158541c629500e9a76c1b30735b46a3e.png
1.(多选)远距离输送交流电都采用高压输电,采用高压输电的优点是(  )
A.可节省输电线的材料
B.可根据需要调节交流电的频率
C.可减少输电线上的能量损失
D.可加快输电的速度
2.如图为远距离高压输电的示意图,关于远距离输电,下列表述正确的是(  )

9ad2b3d2f14fdf8c7e38c09cd6acc899.png
A.减小输电导线的横截面积有利于减少输电过程中的电能损失
B.高压输电是通过减小输电电流来减小电路的功率损耗
C.在输送电压一定时,输送的电功率越大,输电过程中的电能损失越小
D.高压输电一定是电压越高越好
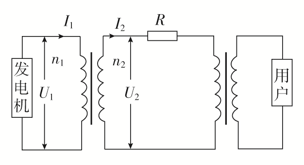
3.远距离输电的原理图如图所示,升压变压器原、副线圈的匝数分别为n1n2,电压分别为U1U2,电流分别为I1I2,输电线上的电阻为R。变压器为理想变压器,则下列关系式中正确的是(  )

d9561f4ecb60510c45ed3f678a0c856f.png
A.32U  B.16U  C.8U  D.4U
5.远距离输电的原理图如图所示,升压变压器原、副线圈的匝数分别为n1n2,电压分别为U1U2,电流分别为I1I2,输电线上的电阻为R。变压器为理想变压器,则下列关系式中正确的是(  )

5cba6d836209a9bcd87bd8f23721923f.png

5ae04ac0e4751902186aa16f9aa10245.png
A.输电线上的电流为220 A
C.用电器的额定功率P=5.6×104 W
D.用电器上的交流电的频率是50 Hz
                     
参考答案
1.答案 AC
2.答案 B
3.答案 C
4.答案C
5.答案D 
6.答案C 
您需要登录后才可以回帖 登录 | 立即注册

本版积分规则

Archiver|手机版|小黑屋|5432教案网 ( 蜀ICP备2022024372号-1 |川公网安备51152402000101号 )|网站地图

GMT+8, 2026-4-9 17:19 , Processed in 0.729971 second(s), 31 queries .

Powered by Discuz! X3.5

© 2001-2026 Discuz! Team.

快速回复 返回顶部 返回列表