找回密码
 立即注册
搜索
查看: 3|回复: 0

[人教版] (选必2)2.3 涡流、电磁阻尼和电磁驱动(导学案1)

[复制链接]

2万

主题

224

回帖

14万

积分

管理员

积分
141623
发表于 10 小时前 | 显示全部楼层 |阅读模式
  • 第二章 电磁感应
  • 第4节 互感和自感

215b5941340ba3a92c1042f61b838228.png
2. 了解自感现象,理解自感电动势对电路中电流的影响。
3. 知道磁场具有能量。
4.认识自感是电磁感应现象的特例,感悟特殊现象中有它的普遍规律,而普遍规律中包含了特殊现象的辩证唯物主义观点。

c93d67577a601a61a59f4993dfb12bb5.png
重点:自感现象产生的原因及特点
难点:运用自感知识解决实际问题

6c0547bde125b03005d55aaa20359b99.png
一、互感现象
1定义:两个相互靠近的线圈,当一个线圈中的电流变化时,它所产生的变化的磁场会在另一个线圈中产生______的现象。产生的电动势叫作互感电动势。
2.应用:互感现象可以把能量从一个线圈传递到另一个线圈,变压器、收音机的“磁性天线”就是利用______制成的。
3.危害:互感现象能发生在任何两个相互靠近的电路之间。在电力工程和电子电路中,互感现象有时会影响电路正常工作。
二、自感现象
1自感现象:当一个线圈中的电流变化时,它产生的变化的磁场在______激发出感应电动势的现象。
2.自感电动势:由于______而产生的感应电动势。
3.通电自感和断电自感
电 路
现 象
自感电动势的作用
通电自感

1af002db5ef5a9265130143ecf474c24.png
接通电源的瞬间,灯泡A1逐渐地亮起来
阻碍电流的______
断电自感

08bb5d4310ec3b4e4c3532f0a9b04db6.png
断开开关的瞬间,灯泡闪亮一下后逐渐变暗或灯泡A逐渐变暗,直至熄灭
阻碍电流的______
三、自感系数
2.自感系数大小的决定因素:自感系数与线圈的__________________,以及是否有______等因素有关。

c435d3d6e8852542c6dd7a4c3b2ed46b.png
、磁场的能量
1自感现象中的磁场能量
(1)线圈中电流从无到有时:磁场从无到有,电源的能量输送给______,储存在______中。
(2)线圈中电流减小时:______中的能量释放出来转化为电能。
2.电的“惯性”:自感电动势有阻碍线圈中电流______的“惯性”。

8cd85daa9743c0f599fcb5d2d30dc25a.png
1、关于电磁感应,下列说法中正确的是(  )
A.由于自感电流总是阻碍原电流的变化,所以自感电动势的方向总与原电流的方向相反
B.在自感系数一定的条件下,通过导体的电流引起的磁通量变化越大,产生的感应电动势就越大
C.在自感系数一定的条件下,通过导体的电流变化越快,产生的自感电动势越大
D.在自感现象中,电感线圈的自感系数与产生的自感电动势大小有关
2.(多选)下列关于自感现象的论述中,正确的是(  )
A.线圈的自感系数跟线圈内电流的变化率成正比
B.当线圈中电流减弱时,自感电动势的方向与原电流方向相反
C.当线圈中电流增大时,自感电动势的方向与原电流方向相反
D.穿过线圈的磁通量的变化和线圈中电流的变化成正比
3.(多选)线圈通以如图所示的随时间变化的电流,则(  )

37bcd9c60da84d302a92e253b8232442.jpg
A.0~t1时间内线圈中的自感电动势最大
B.t1~t2时间内线圈中的自感电动势最大
C.t2~t3时间内线圈中的自感电动势最大
D.t1~t2时间内线圈中的自感电动势为零
4、如图所示,电源的电动势为E,内阻忽略不计。A、B是两个相同的小灯泡,L是一个自感系数较大的线圈,直流电阻不计。关于这个电路的说法中正确的是(  )

b2a9c5cef69aee485ae043fc6fbb3fda.jpg
A.闭合开关瞬间,A、B灯同时变亮
B.闭合开关一会儿后,B灯比A灯亮
C.开关由闭合至断开,在断开瞬间,电流自右向左通过A灯
D.开关由闭合至断开,在断开瞬间,A灯闪亮一下再熄灭
5.手机无线充电是比较新颖的充电方式。如图所示,电磁感应式无线充电的原理与变压器类似,通过分别安装在充电基座和接收能量装置上的线圈,利用产生的磁场传递能量。当充电基座上的送电线圈通入正弦式交变电流后,就会在邻近的受电线圈中感应出电流,最终实现为手机电池充电。在充电过程中(  )

5ac20aac7f270ba70f2bbd78a738d0a7.png
A.送电线圈中电流产生的磁场呈周期性变化
B.受电线圈中感应电流产生的磁场恒定不变
C.送电线圈和受电线圈无法通过互感现象实现能量传递
D.手机和基座无需导线连接,这样传递能量没有损失

f7cf5d2a3083ab024900fe5ace0e60f8.png
1.一演示自感现象的实验电路图如图所示,L是带铁芯的线圈,A是一只灯泡,开关S处于闭合状态,灯泡正常发光,现断开S,灯泡过一会儿才熄灭。关于断开S前和断开S后瞬间,通过灯泡A的电流方向,下面说法正确的是(  )

03b61a1bc912e7d3a761b798fe36201c.jpg
A.断开S前,b→a;断开S后瞬间,a→b
B.断开S前,a→b;断开S后瞬间,b→a
C.断开S前,b→a;断开S后瞬间,b→a
D.断开S前,a→b;断开S后瞬间,a→b
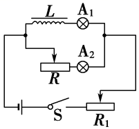
2.课堂上物理老师为了更直观地说明断电自感能量来源于线圈存储的能量而非由电源直接提供,设计了如图所示的电路。电感L的自感系数很大,电阻可忽略,D为理想二极管(单向导电,如电路图,若电流a流向b可视为二极管电阻为0,反之,电阻无穷大),下列说法正确的是        (  )

5fe8570e8c78390444fd678de5e36d9d.jpg
A.当S闭合后,L1、L2一直不亮
B.当S闭合后,L1立即变亮,L2逐渐变亮
C.当S断开瞬间,L1变亮,能更直观说明断电自感能量来源于线圈存储的能量
D.当S断开瞬间,L2变亮,能更直观说明断电自感能量来源于线圈存储的能量
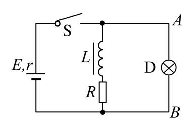
3、如图所示的电路中,电源的电动势为E,内阻为r,电感L的电阻不计,电阻R的阻值大于灯泡D的阻值。在t=0时刻闭合开关S,经过一段时间后,在t=t1时刻断开S。下列表示A、B两点间电压UAB随时间t变化的图象中,正确的是(  )

6c523b92e9d22ed774f4123cf801f984.jpg

9271cba0f695f0f6ccd07de53ea37a17.jpg
4.如图甲、乙所示的电路中,线圈L的自感系数很大,电阻R和线圈L的电阻值都很小,且小于灯泡A的电阻,接通S,使电路达到稳定,灯泡A发光,再断开S,则(  )

83ffc9ecdfe62c13e947dcb29735642e.png
A.在电路甲中,闭合S后,A将立即变亮
B.在电路甲中,断开S后,A将先变得更亮,然后才逐渐变暗
C.在电路乙中,闭合S后,A将逐渐变亮
D.在电路乙中,断开S后,A将先变得更亮,然后才逐渐变暗
5.在研究自感现象的实验中,用两个完全相同的灯泡ab与自感系数很大的线圈L和定值电阻R组成如图所示的电路(线圈的直流电阻可忽略,电源的内阻不能忽略),关于这个实验下面说法中正确的是(  )

d3b4106a041d5a50258e0fcbc20af5f4.png
A.闭合开关的瞬间,ab一起亮,然后a熄灭
B.闭合开关的瞬间,ba先亮,然后b逐渐变暗
C.闭合开关,待电路稳定后断开开关,b逐渐变暗,a闪亮一下然后逐渐变暗
D.闭合开关,待电路稳定后断开开关,ab灯中的电流方向均为从左向右

  • 参考答案:
小试牛刀:
  • 选C。【解析】根据楞次定律,当原电流增大时,感应电动势与原电流方向相反;当原电流减小时,感应电动势与原电流方向相同,故A错误;在自感系数一定的条件下,根据法拉第电磁感应定律,则有:通过导体的电流的变化率越大,产生的自感电动势越大,与电流大小及电流变化的大小无关,故B错误,C正确;自感系数由线圈自身决定,与其他因素无关,故D错误。
  • 2、选C、D。【解析】线圈的自感系数是由线圈本身性质决定的,与线圈的长度、匝数、线圈的横截面积、铁芯的有无有关,而与线圈内电流强度的变化率无关,故A错误;自感电动势的方向总是阻碍原来线圈中电流的变化,即原来线圈中电流增大,自感电动势的方向与原电流方向相反;线圈中电流减弱,自感电动势的方向与原电流方向相同,故C正确,B错误。根据E=L和E=n比较可知ΔФ∝ΔI,则D正确。
3、选C、D。【解析】线圈中的自感电动势与通入的电流的变化率成正比,即E∝。根据图象分析:0~t1时间内的电流变化率小于t2~t3时间内的电流变化率,A错误,C正确;t1~t2时间内的电流变化率为零,自感电动势为零,B错误,D正确。
4、选C。【解析】闭合开关瞬间,A灯泡立刻亮,但是由于线圈阻碍L和B灯泡支路电流的增加,使得B灯泡逐渐亮起来,由于两个支路的直流电阻相等,则最后B灯泡与A灯泡一样亮,选项A、B错误;开关由闭合至断开,在断开瞬间,原来通过A灯泡的电流立即消失;由于线圈阻碍电流减小,产生自感电动势,且在L、B和A灯泡之间形成新的回路,则电流自右向左通过A灯泡,由于电路稳定时A、B两灯泡的电流相同,则在开关断开瞬间,A灯泡逐渐熄灭,但不会闪亮一下,选项C正确,D错误。故选C。
5、选A【解析】A.由于送电线圈中通入正弦式交变电流,根据麦克斯韦理论可知送电线圈中电流产生的磁场呈周期性变化,故A正确;
B.周期性变化的磁场产生周期性变化的电场,所以受电线圈中感应电流仍是正弦交流电,产生的磁场也是周期性变化的,故B错误;
C.无线充电利用的是电磁感应原理,所以送电线圈和受电线圈通过互感现象实现能量传递,故C错误;
D.无线充电器的优点之一是不用传统的充电线连接到需要充电的终端设备上的充电器,但充电过程中仍有电能量损失,故D错误。
故选A。
当堂检测:
1、选B。【解析】开关S断开前,流过灯泡的电流为电源提供,左端与电源正极相连,故灯泡中电流方向从左到右,即为a→b;迅速断开开关S时,灯泡中原来的电流瞬间减小到零,而线圈由于要阻碍电流的减小,产生自感电动势,由楞次定律可判断右端为高电势,与灯泡组成闭合回路,感应电流流过灯泡,故灯泡中电流方向从右到左,即为b→a,故B正确,A、C、D错误。
2、选C。【解析】闭合开关的瞬间,由于二极管具有单向导电性,所以无电流通过L1,由于线圈中自感电动势的阻碍,L2灯逐渐变亮,故A项错误,B项错误;闭合开关,待电路稳定后断开开关,线圈L产生自感电动势,两灯串联,所以L1突然变亮,然后逐渐变暗至熄灭,L2逐渐变暗,能更直观说明断电自感能量来源于线圈存储的能量;故C项正确,D项错误。
3、选B。【解析】闭合开关S后,灯泡D直接发光,电感L的电流逐渐增大,电路中的总电流也将逐渐增大,电源内电压增大,则路端电压UAB逐渐减小;断开开关S后,灯泡D中原来的电流突然消失,电感L中的电流通过灯泡形成的闭合回路逐渐减小,所以灯泡D中电流将反向,并逐渐减小为零,即UAB反向逐渐减小为零,所以选项B正确。
4、选D【解析】A.在电路甲中,闭合S后,由于线圈的自感,A逐渐变亮,A错误;
B.在电路甲中,断开S,由于线圈阻碍电流变小,导致A将逐渐变暗,因通过线圈L的电流小于电阻R,则不会出现闪亮现象,B错误;
C.在电路乙中,闭合S后,A与电阻R串联接入电源,则其将立即变亮,C错误;
D.在电路乙中,由于电阻R和自感线圈L的电阻值都很小,所以通过灯泡的电流比线圈的电流小,断开S时,由于线圈阻碍电流变小,导致A将变得更亮,然后逐渐变暗,D正确。
故选D。
5、选B【解析】AB.闭合开关的瞬间,线圈中产生很大的自感电动势,阻碍电流的通过,故b立即亮,a逐渐变亮。随着a中的电流逐渐变大,流过电源的电流也逐渐变大,路端电压逐渐变小,故b逐渐变暗,故A错误,B正确;
C.电路稳定后断开开关,线圈相当于电源,对ab供电,回路中的电流在原来通过a的电流的基础上逐渐变小,故a逐渐变暗,b闪亮一下然后逐渐变暗,故C错误;
D.断开开关后,线圈中的自感电流从左向右,a灯中电流从左向右,b灯中电流从右向左,故D错误;故选B。
您需要登录后才可以回帖 登录 | 立即注册

本版积分规则

Archiver|手机版|小黑屋|5432教案网 ( 蜀ICP备2022024372号-1 |川公网安备51152402000101号 )|网站地图

GMT+8, 2026-4-9 17:14 , Processed in 0.845223 second(s), 32 queries .

Powered by Discuz! X3.5

© 2001-2026 Discuz! Team.

快速回复 返回顶部 返回列表