找回密码
 立即注册
搜索
查看: 3|回复: 0

[人教版] (选必2)2.1 楞次定律 (导学案1)

[复制链接]

2万

主题

224

回帖

14万

积分

管理员

积分
141623
发表于 10 小时前 | 显示全部楼层 |阅读模式
  • 第二章 电磁感应
  • 第1节 楞次定律

215b5941340ba3a92c1042f61b838228.png
1.引导学生“发现”感应电流方向的规律。
2.理解楞次定律的内容,理解楞次定律中“阻碍”二字的含义。
3.能初步应用楞次定律判定感应电流方向。
4.感受探究过程的艰辛并体验物理学中的简洁之美。

c93d67577a601a61a59f4993dfb12bb5.png
重点:楞次定律的发现过程及楞次定律的初步应用(判感应电流的方向)
难点:理解楞次定律(“阻碍”的含义)

6c0547bde125b03005d55aaa20359b99.png
知识回顾
1、问题:感应电流的产生条件是什么?
实验探究
1、实验内容
研究影响感应电流方向的因素按照图所示连接电路,并将磁铁向线圈插入或从线圈拔出等,分析感应电流的方向与哪些因素有关。

5b7393afc65dc7865c228a72e4065a14.png
2学生探究研究感应电流的方向
1)、探究手段:分组实验(器材:螺线管,灵敏电流计,条形磁铁,导线)
2)、探究过程
操作方法填写内容        [来源:学,科,网Z,X,X,K][来源:Z.xx.k.Com][来源:学科网ZXXK]
插入
拔出:学科网]
N极插入
S 极插入
N 极拔出
S 极拔出
示意图

293f0610e2fceabd3fb22e2ca849f001.png

93e50846610ad61b5ca3b4f668e86078.png

a2226a7801693677595984a36e6a30e8.png

9cf6b196c3d02e6149d84448d78a0e3f.png
原磁场方向
原磁场磁通量的变化
感应电流方向(俯视)
3)、分组讨论:
问题1、请你根据上表中所填写的内容分析,感应电流的方向磁场的方向决定吗
问题2、请你仔细分析上表,感应电流的方向磁场的磁通量决定吗
问题3究竟是什么因素决定感应电流的方向呢?
3、总结规律:原磁通变大,则感应电流磁场与原磁场_______,有________作用
        原磁通变小,则感应电流磁场与原磁场_______,有________作用
4、楞次定律——感应电流的方向
(1)、内容:感应电流具有这样的方向:___________________________________________
____________________________________________.
(2)、理解:
       ①、阻碍既不是阻止也不等于反向,应理解为___________
         “阻碍”又称作“反抗”,注意不是阻碍原磁场而阻碍原磁场的变化
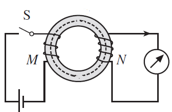
例1、法拉第最初发现电磁感应现象的实验如图所示,软铁环上绕有M、N两个线圈,当M线圈电路中的开关断开的瞬间,线圈N中的感应电流沿什么方向?

7c2d222341efb5ffd86a72202f27a154.png
例题2:如图2.1-5所示,在通有电流 I 的长直导线附近有一个矩形线圈 ABCD,线圈与导线始终在同一个平面内。线圈在导线的一侧,垂直于导线左右平移时,其中产生了A→B→C→D→A方向的电流。已知距离载流直导线较近的位置磁场较强。请判断:线圈在向哪个方向移动?

f96d419a5452b936ef9d80f4145313e0.png
练:  通电直导线与矩形线圈在同一平面内,当线圈远离导线时,判断线圈中感应电流的方向.

cc717c84f80d06189fd86ea10662d0d4.png
三、右手定则
1、右手定则:伸开右手,使拇指与其余四指垂直,并且都与手掌在同一平面内;  让磁感线从掌心进入, 拇指指向导体运动的方向, 四指所指的方向就是感应电流的方向.
2、适用范围:_______________________________________________

887ce5903f9deb05b4781b561cd5930e.png

8cd85daa9743c0f599fcb5d2d30dc25a.png
1.关于楞次定律,下列说法正确的是(  )
A.感应电流的磁场总是要阻碍引起感应电流的磁通量的变化
B.闭合电路的一部分导体在磁场中运动时,必受磁场阻碍作用
C.原磁场穿过闭合回路的磁通量增加时,感应电流的磁场与原磁场同向
D.感应电流的磁场总是跟原磁场反向,阻碍原磁场的变化
2.如图所示,闭合金属圆环沿垂直于磁场方向放置在匀强磁场中,将它从匀强磁场中匀速拉出,以下各种说法中正确的是(  )

4d3b8348fc49016a412617e7347e540b.png
A.向左拉出和向右拉出时,环中的感应电流方向相反
B.向左或向右拉出时,环中感应电流方向都是沿顺时针方向的
C.向左或向右拉出时,环中感应电流方向都是沿逆时针方向的
D.环在磁场中运动时,就已经有感应电流了
3.关于感应电流,下列说法正确的是(  )
A.根据楞次定律知,感应电流的磁场一定阻碍引起感应电流的磁通量        
B.感应电流的磁场总是阻碍原磁场的变化
C.感应电流的磁场方向与引起感应电流的磁场方向可能相同,也可能相反
D.当导体切割磁感线运动时,必须用右手定则确定感应电流的方向
4、如图所示,一均匀的扁平条形磁铁的轴线与圆形线圈在同一平面内,磁铁中心与圆心重合,为了在磁铁开始运动时线圈中能得到逆时针方向的感应电流,磁铁的运动方式应是(  )

9257171b27c8e6888cfb30292c467cb2.png
A.N极向纸内,S极向纸外,使磁铁绕O点转
B.N极向纸外,S极向纸内,使磁铁绕O点转动
C.磁铁在线圈平面内顺时针转动
D.磁铁在线圈平面内逆时针转动
5.如图所示,圆形金属环放在水平桌面上,有一带正电的微粒以水平速度v贴近环的上表面距环心d处飞过,则带电微粒在飞过环的过程中,环中的感应电流方向是(  )

538aa2392a9ef8d7e564e4a2075b72ba.png
A.始终沿顺时针方向
B.始终沿逆时针方向
C.先沿顺时针方向,再沿逆时针方向
D.先沿逆时针方向,再沿顺时针方向

f7cf5d2a3083ab024900fe5ace0e60f8.png
1.信用卡的磁条中有一个个连续的具有相反极性的磁化区如图所示。刷卡时,当磁条以某一速度拉过信用卡阅读器的检测头时,在检测头的线圈中产生感应电流,那么下列说法正确的是(  )

226c33035ff0f39f996ed91ebeeda8a5.png
A.A、B、C三位置经过检测头时,线圈中有感应电流产生
B.A、B、C三位置经过检测头时,线圈中无感应电流产生
C.A、C两位置经过检测头时,线圈中感应电流方向相同
D.A、C两位置经过检测头时,线圈中感应电流方向相反
2.两根互相平行的金属导轨水平放置于如图所示的匀强磁场中,在导轨上导体棒AB和CD可以自由滑动。当AB在外力F作用下向右运动时,下列说法正确的是(  )

dad109e0a5c8e81e3e2042892cb53b32.png
A.CD内有电流通过,方向是D→C
B.CD向左运动
C.磁场对CD作用力向左
D.磁场对AB作用力向左
3.如图所示,导线框MNQP近旁有一个跟它在同一竖直平面内的矩形线圈abcd,下列说法正确的是(  )

54c525daa4482994992b2203aca72ce7.png
A.当电阻变大时,abcd中有感应电流
B.当电阻变小时,abcd中无感应电流
C.电阻不变,将abcd在其原来所在的平面内向PQ靠近时,其中有感应电流
D.电阻不变,将abcd在其原来所在的平面内远离PQ时,其中有感应电流
4.如图所示,在两根平行长直导线M、N中,通以同方向同大小的电流,导线框abcd和两导线在同一平面内,线框沿着与两导线垂直的方向,自右向左在两导线间匀速运动,在移动过程中,线框中感应电流方向是怎样的?

14c957e05dec945f1c6553408646d16f.png
5.在“研究电磁感应现象”的实验中,首先按图甲接线,以查明电流表指针的偏转方向与电流方向之间的关系;当闭合开关S时,观察到电流表指针向左偏,不通电时电流表指针停在正中央。然后按图乙所示,将电流表与副线圈B连成一个闭合回路,将原线圈A、电池、滑动变阻器和开关S串联成另一个闭合电路。

75d323f0b54b7295daa5b4051aad99b6.png [来源:学#科#网Z#X#X#K]
(1)S闭合后,将螺线管A(原线圈)插入螺线管B(副线圈)的过程中,电流表的指针将如何偏转?
(2)螺线管A放在B中不动时,指针如何偏转?
(3)螺线管A放在B中不动,将滑动变阻器的滑片P向左滑动时,电流表指针将如何偏转?
(4)螺线管A放在B中不动,突然断开S,电流表指针将如何偏转?

  • 参考答案:
小试牛刀:
1.解析:选A  感应电流的磁场总是要阻碍引起感应电流的磁通量的变化,选项A正确;闭合电路的一部分导体在磁场中平行磁感线运动时,不受磁场阻碍作用,选项B错误;原磁场穿过闭合回路的磁通量增加时,感应电流的磁场与原磁场反向,选项C错误;当原磁场增强时感应电流的磁场跟原磁场反向,当原磁场减弱时感应电流的磁场跟原磁场同向,选项D错误.
2.解析:选B  将环拉出时,穿过圆环的磁通量减少,由楞次定律即可判断出感应电流的方向.将金属圆环不管从哪边拉出磁场,穿过闭合圆环的磁通量都要减少,根据楞次定律可知,感应电流的磁场要阻碍原磁通量的减少,感应电流的磁场方向与原磁场方向相同,应用安培定则可以判断出感应电流的方向是沿顺时针方向的,选项B正确,选项A、C错误;另外,圆环在磁场中运动时,穿过圆环的磁通量没有改变,该情况无感应电流,故选项D错误.
3.解析:选C 由楞次定律知,感应电流的磁场总是阻碍引起感应电流的磁通量的变化,A错误;感应电流的磁场总是阻碍电路中的原磁通量的变化,不是阻碍原磁场的变化,B错误;由楞次定律知,如果是因磁通量的减少而引起的感应电流,则感应电流的磁场方向与引起感应电流的磁场方向相同,阻碍磁通量的减小;反之,则感应电流的磁场方向与引起感应电流的磁场方向相反,阻碍磁通量的增加,C正确;导体切割磁感线运动时,可直接用右手定则确定感应电流的方向,也可以由楞次定律确定感应电流的方向,D错误。
4解析:选A 当N极向纸内,S极向纸外转动时,穿过线圈的磁场由无到有并向里,感应电流的磁场应向外,电流方向为逆时针,A选项正确;当N极向纸外,S极向纸内转动时,穿过线圈的磁场向外并增加,感应电流方向为顺时针,B选项错误;当磁铁在线圈平面内绕O点转动时,穿过线圈的磁通量始终为零,因而不产生感应电流,C、D选项错误。
5.解析:选D 带电微粒靠近圆环过程中,穿过圆环的磁通量方向垂直纸面向里并增加,由楞次定律知,圆环中将产生逆时针方向的感应电流,当微粒远离圆环时,圆环中产生顺时针方向的感应电流,故选D。
当堂检测:
1解析:选AD A、B、C三位置处于磁性过渡区,经过检测头时,引起线圈中磁通量变化,有感应电流产生,A对,B错。A、C两位置磁性变化规律不同,经过检测头时引起线圈中磁通量变化情况相反,感应电流方向相反,C错,D对。
2解析:选AD AB在外力F作用下向右做切割磁感线运动,根据右手定则判断可知电流的方向是B→A,AB起着电源作用,电流从A端流出,回路的电流方向是B→A→D→C→B,所以A是正确的。由左手定则可知D是正确的。
3解析:选ACD 当电阻变化或abcd靠近、远离PQ时,穿过abcd的磁通量发生变化,会产生感应电流。
4答案:始终是abcd

5318a4a0fadc99a01ae3644faac53041.png
解析:如图所示,线框在两电流中线OO′的右侧时,穿过线框的合磁通量垂直纸面向外,线框左移,磁通量变小,为阻碍这个方向的磁通量减小,感应电流的磁场方向也垂直纸面向外,所以感应电流的方向就是abcd。当线框跨越两电流中线OO′时,线框的合磁通量由垂直纸面向外变为垂直纸面向里,且合磁通量增加,感应电流的磁场方向与原磁场方向相反,即垂直纸面向外,所以感应电流的方向还是abcd。
5答案:(1)向右偏转 (2)不偏转 (3)向右偏转 (4)向左偏转
解析:根据题图甲知:当闭合开关S时,电流表指针左偏。
(1)S闭合后,螺线管A中有电流通过,产生磁场,插入螺线管B的过程中,螺线管B的磁通量变大,螺线管B中感应电流的磁场会阻碍原磁场的变大,产生与题图甲中方向相反的电流,指针向右偏。
(2)螺线管A放在B中不动时,磁通量不发生变化,指针不偏转。
(3)滑动变阻器的滑片向左滑动时,电流变大,磁场变强,磁通量变大,B中产生与题图甲中方向相反的电流,指针向右偏。
(4)突然断开开关S,电流减小,磁场减弱,磁通量变小,B中产生与题图甲中方向相同的电流,指针向左偏。
您需要登录后才可以回帖 登录 | 立即注册

本版积分规则

Archiver|手机版|小黑屋|5432教案网 ( 蜀ICP备2022024372号-1 |川公网安备51152402000101号 )|网站地图

GMT+8, 2026-4-9 17:14 , Processed in 0.869411 second(s), 31 queries .

Powered by Discuz! X3.5

© 2001-2026 Discuz! Team.

快速回复 返回顶部 返回列表