找回密码
 立即注册
搜索
查看: 7|回复: 0

[人教版] (选必2)5.3利用传感器制作简单的自动控制装置(教案2)

[复制链接]

2万

主题

224

回帖

14万

积分

管理员

积分
141623
发表于 10 小时前 | 显示全部楼层 |阅读模式
5.3利用传感器制作简单的自动控制装置
教学设计
课题
利用传感器制作简单的自动控制装置
单元
5
学科
物理
年级
高二
学习
目标
1.了解门窗防盗报警装置,会组装门窗防盗报警装置。
2.了解光控开关电路及控制原理,会组装光控开关。
重点
设计方案及其工作原理
难点
动手实践能力
教学过程
教学环节
教师活动
学生活动
设计意图
导入新课
传感器是构成自动控制系统的必要环节,如走廊里的声、光控开关,温度报警器,孵小鸡用的恒温箱,路灯的自动控制,银行门口的自动门等,都用到了传感器。如果没有传感器对原始信息进行准确、可靠地捕捉和转换,那么一切控制将无法实现。
这节课我们就来探究门窗防盗报警装置和光控开关的工作原理。
了解传感器的重要性

引起学生学习的兴趣,为下面的进一步学习做铺垫
讲授新课
实验一:门窗防盗报警装置
1.门窗防盗报警装置的功能和构成
(1)功能
具有自动提示报警的功能。在睡觉前连接好电路,启动防盗报警装置。当门窗紧闭时,蜂鸣器不响,指示灯亮;当门窗被打开时,蜂鸣器发出声音警报,指示灯灭。

30865d8547c744833187cba6d8889eb5.png
         门窗防盗报警装置
(2)构成
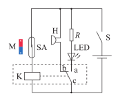
门的上沿嵌入一小块永磁体M,门框内与M相对的位置嵌入干簧管SA,并将干簧管接入报警电路。干簧管可将门与门框的相对位置这一非电学量转换为电路的通断。
2.实验器材和装置
(1)实验器材
名称
规格型号
干簧管 SA
常开型
继电器
JQX-14FC 5 V
发光二极管 LED
绿色
电阻 R
330 Ω
蜂鸣器 H
有源型
电源
干电池 6 V
小磁体
开关
(2)装置中各元件的作用
①干簧管:在电路中起传感器和控制开关的作用,作为传感器,用于感知磁体磁场是否存在。
②继电器(虚线方框部分)作为执行装置,继电器则相当于一个自动的双向开关。

f7e97ed640f57869930e8ddbf76df5f8.png
       实验原理图
③发光二极管LED作为电路正常工作提示。
特别提醒
发光二极管和普通二极管一 样具有单向导电性,而且在导电时还能发光,有红、绿、黄等多种颜色。
④R :为发光二极管的限流电阻,起保护作用 。
⑤蜂鸣器 H: 作为报警提醒。
3.电路工作原理
(1)闭合电路开关S,系统处于防盗状态。当门窗紧闭时,磁体M靠近干簧管SA,干簧管两个簧片被磁化相吸而接通继电器线圈K,使继电器工作。电器的动触点c与常开触点a接通,发光二极管LED发光,显示电路处于正常工作状态。
(2)当门窗开启时,磁体离开干簧管,干簧管失磁断开,继电器被断电。继电器的动触点c与常闭触点b接通,蜂鸣器H发声报警。
4.实验步骤
(1)连接电路前,要先判断一下干簧管是否可以正常工作。用磁体直接靠近干簧管,观察簧片能否正常动作。
(2)确定各元件可以正常工作后,按照图中所示连接电路。
(3)接通电源后,将磁体靠近和离开干簧管,分别观察实验现象。
5.实验现象
接通电源后,磁体M靠近干簧管SA,电器的动触点c与常开触点a接通发光二极管LED发光;磁体离开干簧管,继电器的动触点c与常闭触点b接通,蜂鸣器H发声报警。
    实验二:光控开关
光控路灯可以根据光照的变化自动开启或关闭。
怎样能够在天色暗到一定程度时让路灯自动开启,而在天明时自动熄灭?
我们可以利用光敏电阻来完成这一任务,下面提供两种模拟的光控开关电路,用发光二极管或小灯泡代表路灯。
1.实验器材和装置
名称
规格型号
名称
规格型号
可调电阻 R1
最大电阻为 51 kΩ
继电器
HRS1H-S 5 V
JQX-14FC 5 V
限流电阻 R2
330 Ω
小灯泡 L
6 V 0.3 A
光敏电阻 RG
暗电阻 > 1 MΩ
亮电阻 < 3 kΩ
二极管 D
IN4001
三极管 VT
8050
电源
干电池 6 V
发光二极管 LED
红色
(1)晶体三极管:晶体三极管是半导体基本元件之一,具有电流放大作用,在控制电路中常用作电子开关。三极管由三个电极组成,分别是发射极e,基极b和集电极c,有NPN型和PNP型两种。

320472e1c9eb69883f77d29093049b81.png
   NPN型       PNP型
三极管电路符号及实物图
(2)三极管的一个重要特性是,从基极输入一个较小的电流,就会在集电极获得较大的电流。三极管还具有完成断路和接通的开关作用。
2.实验电路
本实验采用三极管配合光敏电阻完成光控开关的任务。光控电路用发光二极管LED模仿路灯,RG为光敏电阻,R2为发光二极管的限流电阻。可调电阻 R1与光敏电阻 RG组成串联分压电路。
两种模拟的光控开关电路,用发光二极管或小灯泡代表路灯。

b20dcbc975ce422457880106b30b88c9.png
光控开关电路:发光二极管代表路灯

545a1176fee345700f3a7b0222d0e456.png
光控开关电路: 小灯泡代表路灯
注意:为了能够驱动更大功率的负载,如采用小灯泡模仿路灯,就要使用继电器来启、闭另外的供电电路,如图乙中K为继电器的线圈,S 为它的常开触点。
为了防止继电器释放衔铁时线圈中的自感电动势损坏三极管,必须给线圈并联一只二极管D,以提供自感电流释放的通路。
3.电路工作原理
当环境光比较强时,光敏电阻RG的阻值很小,三极管不导通,发光二极管或继电器所在的回路相当于断路,即发光二极管不工作;继电器处于常开状态,小灯泡L不亮。
当环境光比较弱时,光敏电阻RG的阻值变大,三极管导通,且获得足够的基极电流,产生较大的集电极电流,点亮发光二极管或驱动继电器吸合而点亮小灯泡L。
4.实验步骤及实验现象
(1)按照图中所示连接电路,检查无误后,接通电源。
出示图片:两种模拟的光控开关电路,用发光二极管或小灯泡代表路灯。
(2)让光敏电阻RG 受到白天较强的自然光照射,调节电阻R1 使发光二极管LED或小灯泡L刚好不发光。
(3)遮挡RG ,当光照减弱到某种程度时,观察发光二极管LED或小灯泡L的是否发光。
(4)让光照加强,当光照强到某种程度时,则发光二极管LED或小灯泡L是否发光。
5.视频:光控开关模拟电路
6.实验现象
(1)当光照减弱到某种程度时,就会看到发光二极管LED或小灯泡L发光。
(2)让光照加强,当光照强到某种程度时,则发光二极管LED或小灯泡L熄灭。
注意:如果实验现象不明显,可用手电筒加强光照,或遮盖光敏电阻,再进行观察。
课堂练习
1.关于发光二极管,下列说法正确的是(  )
A.发光二极管能发光,不具有单向导电性
B.发光二极管能直接把光能转化为电能
C.发光二极管只要在两端加有正向电压,就可以发光
D.发光二极管只有加正向电压时,才有可能发光
【答案】D
2.已知光敏电阻在没有光照射时电阻很大,并且光照越强阻值越小,利用光敏电阻作为传感器设计了如图所示电路,电源电动势E和内阻r不变,当光照强度增强时,则(      )

b515c4442c862073d0d2c84e0fae6b4b.png
A.电灯L变亮
B.光敏电阻两端的电压减小
C.变阻器R的功率减小
D.电源的输出功率增大
【答案】B
3.如图所示为一种温度自动报警器的原理图,在水银温计的顶端封入一段金属丝,以下说法正确的(      )

632bbed5332c9916af88021b43a57069.png
A.温度升高至74℃时, 灯亮报警
B.温度升高至74℃时, 灯亮报警
C.温度升高至78℃时, 灯亮报警
D.温度升高至78℃时, 灯亮报警
【答案】D
4.如图所示是某居民小区门口利用光敏电阻设计的行人监控装置, R1为光敏电阻(光照增强电阻变小), R2为定值电阻,A、B接监控装置.则(   )

c144d242f188cd4402a5a58d28d30422.png
①当有人通过通道而遮蔽光线时, A、B之间电压升高
②当有人通过通道而遮蔽光线时, A、B之间电压降低
③当仅增大R2的阻值时,可增大A、B之间的电压
④当仅减小R2的阻值时,可增大A、B之间的电压
A.①③      B.①④
C.②③      D.②④
答案:C
阅读课文了解1.门窗防盗报警装置的功能和构成
了解实验器材以及作用
通过实验的原理图理解电路工作原理
按照实验步骤进行实验操作并记录实验现象
了解实验器材以及作用
观察两种模拟的光控开关电路
通过实验的原理图理解电路工作原理
按照实验步骤进行实验操作并记录实验现象
学生练习
为实验的理解打下基础
为实验的顺利进行做准备
锻炼学生的理解观察能力
锻炼学生的动手操作能力和语言表达能力
为实验的顺利进行做准备
让学生对两种模拟的光控开关电路进一步理解
锻炼学生的理解观察能力
锻炼学生的动手操作能力、观察能力和语言表达能力
巩固本节的知识
课堂小结
1.干簧管:在电路中起传感器和控制开关的作用
继电器作为执行装置,继电器则相当于一个自动的双向开关
2.安装实验装置时,要使磁铁正对干簧管。
3.晶体三极管:具有电流放大作用,在控制电路中常用作电子开关
4.光控开关实验中要想天更暗时“路灯”才会亮,应把R1的阻值调大些。
梳理自己本节所学知识进行交流
根据学生表述,查漏补缺,并有针对性地进行讲解补充。
板书
5.3利用传感器制作简单的自动控制装置
实验一:门窗防盗报警装置
1.实验器材和装置
①干簧管:在电路中起传感器和控制开关的作用
②继电器作为执行装置,继电器则相当于一个自动的双向开关
2.电路工作原理
3.实验操作
实验二:光控开关
1.实验器材和装置
晶体三极管:具有电流放大作用,在控制电路中常用作电子开关
2.电路工作原理
3.实验操作
您需要登录后才可以回帖 登录 | 立即注册

本版积分规则

Archiver|手机版|小黑屋|5432教案网 ( 蜀ICP备2022024372号-1 |川公网安备51152402000101号 )|网站地图

GMT+8, 2026-4-9 17:15 , Processed in 2.216993 second(s), 31 queries .

Powered by Discuz! X3.5

© 2001-2026 Discuz! Team.

快速回复 返回顶部 返回列表