找回密码
 立即注册
搜索
查看: 7|回复: 0

[人教版] (选必2)2.1楞次定律(教案2)

[复制链接]

2万

主题

224

回帖

14万

积分

管理员

积分
141623
发表于 10 小时前 | 显示全部楼层 |阅读模式
2.1楞次定律
教学设计
课题
楞次定律
单元
2
学科
物理
年级
高二
学习
目标
1.理解楞次定律的内容
2.会用楞次定律解答有关问题
3.通过实验的探索,培养学生的实验操作、收集、处理信息能力
重点
应用楞次定律判断感应电流的方向
难点
楞次定律的理解及实际应用
教学过程
教学环节
教师活动
学生活动
设计意图
导入新课
如图所示,条形磁铁向线圈中插入或抽出时,两种情况下电流表的指针偏转的方向不同,这说明感应电流的方向并不相同。

49a7a5d7c72df9bd6ccda4b27802d991.png
那么感应电流的方向遵循什么规律呢?感应电流的方向与哪些因素有关?
这就是我们这节课的探究课题著名的楞次定律。
观察图片思考

为引出本节课题做铺垫
讲授新课
一、影响感应电流方向的因素
知识回顾:产生感应电流的条件是什么?
穿过闭合回路的磁通量变化是产生感应电流的条件。

25f562915a8c71cd30a50ee277f9580a.png
如图条形磁体的N极或S极插入闭合线圈时,穿过线圈的磁通量————,会产生感应电流
答案:增大

78541ae13f1539c7a5e99b033300d824.png
N极或S极抽出时,穿过线圈的磁通量______也会产生感应电流。
答案:减小
思考:那么,闭合回路产生感应电流的方向与哪些因素有关?
实验:探究影响感应电流方向的因素
1.实验目的
(1)感应电流的方向与原磁场的方向有什么关系?
(2)感应电流的方向与磁通量的变化有什么关系?
2.实验器材
电流表、线圈、电流表、电线

de5e87b4a35bffa9fd49b1677b06e2e1.png
3.实验步骤
(1)把条形磁铁的N极分别插入线圈和从线圈中拔出,记下电流表的偏转方向。
(2)将磁铁翻转,然后把S极分别插入线圈和从线圈中拔出,记下电流表的偏转方向。
(3)根据电流表的偏转方向推出感应电流的方向,根据右手螺旋定则就能判定感应电流的磁场方向。
表1:磁通量增大时的情况
示意图

8479bd88a6d2392f9b92a7074fab355f.png

c8e5e11e1e1a951fbb90ed6d86f49b31.png
感应电流的磁场方向与原磁场方向
原磁场方向
向下
向上
相反
感应电流的方向
逆时针(俯视)
顺时针(俯视)
感应电流的磁场方向
向上
向下
表2:磁通量减小时的情况
示意图

887a144a365e65acbfad38b157b31021.png

e9f6c917164afc56cef48580905fcb05.png
感应电流的磁场方向与原磁场方向
原磁场方向
向上
向下
相同
感应电流的方向
逆时针(俯视)
顺时针(俯视)
感应电流的磁场方向
向上
向下
    思考讨论1:当穿过线圈的磁通量增大时,感应电流的磁场与磁体磁场的方向是相同的,还是相反的?是有助于磁通量的增大,还是阻碍了磁通量的增大?
    参考答案:如图磁体磁场的方向向下,由图中感应电流的方向,用右手螺旋定则就能判定感应电流的磁场方向向上,即:感应电流的磁场与磁体磁场的方向相反的,所以阻碍了磁通量的增大。

82a39cbfea19d6e024891b5ce927435b.png
思考讨论2:当穿过线圈的磁通量减小时,感应电流的磁场与磁体磁场的方向是相同的,是有助于磁通量的减小,还是阻碍了磁通量的减小?

5607192105e8bf123e044f05275e9952.png
出示视频:模拟实验
思考讨论:概括以上的实验结果,能得出什么结论?
(1)当引起感应电流的磁通量增加时,感应电流的磁场方向与原磁场方向相反。
即:感应电流阻碍了磁通量的增加。
(2)当引起感应电流的磁通量减少时,感应电流的磁场方向与原磁场方向相同。
即:感应电流阻碍了磁通量的减少。
可用四字归纳:增反减同
二、楞次定律
1. 内容:感应电流具有这样的方向,即感应电流的磁场总要阻碍引起感应电流的磁通量的变化,这就是楞次定律。
2.对楞次定律的理解
①从磁通量变化来看:感应电流总要阻碍磁通量的变化;  
(增“反” 减“同” )
②阻碍不是相反也不是阻止,只能减缓原磁场的磁通量的变化,并不能阻止磁通量的变化。
94ddbeeeea409b0cdca5a2a43840c648.png
③从导体和磁体相对运动角度看:感应电流总要阻碍磁体和导体间的相对运动。(来“拒” 去 “留”)
视频:楞次定律演示实验
3.楞次定律与能量守恒
楞次定律可以看成是能量守恒定律在电磁感应现象中的反映。
感应电流沿着楞次定律所述的方向,是能量守恒定律的必然结果。
例如:把磁极插入线圈或从线圈内抽出时,推力或拉力都必须做机械功,做功过程中消耗的机械能转化成感应电流的电能。

c9549e1da9e4a5e2c86a6a8998ca581e.png
思考与讨论:如图所示用绳吊起一个铝环,用磁体的任意一极去靠近铝环,会产生什么现象?把磁极从靠近铝环处移开,会产生什么现象?解释发生的现象。

b32851bd8d513a93d95eac6bebe8600d.png
参考答案:磁铁的任一极靠近铝环时,铝环将远离磁铁;
磁铁从靠近铝环处移开,铝环将靠近磁铁
原因:用磁铁的任一极(如N极)靠近铝环时,穿过铝环中的磁通量增加,根据楞次定律,铝环中将产生感应电流,阻碍磁铁与铝环靠近,使磁铁与铝环靠近得更缓慢,故铝环将远离磁铁。
同理,当磁铁远离铝环时,铝环中产生感应电流,阻碍铝环与磁铁远离,使磁铁与铝环远离得更缓慢,故铝环将靠近磁铁。
3.用楞次定律判定感应电流的方向
用楞次定律可以判定感应电流的方向,那么通过下面实例你能总结处理这类问题的思路吗?
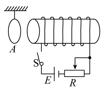
例1:法拉第最初发现电磁感应现象的实验如图所示。软铁环上绕有M、N 两个线圈,当线圈M电路中的开关断开的瞬间,线圈N中的感应电流沿什么方向?

934c55204a50a1b4b9ab09b1a6bfa1c5.png
分析与解答
首先明确,我们用楞次定律研究的对象是线圈N和电流表组成的闭合导体回路。
线圈M中的电流在铁环中产生的磁感线是顺时针方向的如图,这些磁感线穿过线圈N的方向是向下的,即线圈N中原磁场B0 的方向是向下的。

0f51daca151cf60dfdfbf4ea954970f9.png
开关断开的瞬间,铁环中的磁场迅速减弱,线圈N中的磁通量减小。感应电流的磁场Bi 要阻碍磁通量的减小,所以, Bi的方向与B0 的方向相同,即线圈N中Bi 的方向也是向下的。
根据右手螺旋定则,由Bi 的方向判定,线圈N中感应电流Ii 应沿图所示的方向。

09ac4a02fd03ff4f38f5f1a2ce97e797.png
例2:如图所示,在通有电流 I 的长直导线附近有一个矩形线圈 ABCD,线圈与导线始终在同一个平面内。线圈在导线的一侧,垂直于导线左右平移时,其中产生了A→B→C→D→A方向的电流。已知距离载流直导线较近的位置磁场较强。请判断:线圈在向哪个方向移动?

b01adda6a2f36808d5a3fbde04c1c6b3.png
分析与解答
选择矩形线圈为研究对象,画出通电直导线一侧的磁感线分布如图,磁感线方向垂直纸面向里,用“×” 表示。已知矩形线圈中感应电流的方向是A→B→C→D→A,根据右手螺旋定则,感应电流的磁场方向是垂直纸面向外的(即指向读者的,用矩形中心的圆点“· ”表示)。

2c8ee4c07125fed21dbadf4bf049cf6b.png
根据楞次定律,感应电流的磁场应该是阻碍穿过线圈的磁通量变化的。现在已经判明感应电流的磁场从纸面内向外指向读者,是跟原来磁场的方向相反的。因此线圈移动时通过它的磁通量一定是在增大。这说明线圈在向左移动。

26b8ba060121b05d8a524649ae313897.png
归纳总结
楞次定律判定感应电流的方向的方法步骤:
(1)确定穿过闭合电路的磁场方向和磁通量是增大还是减小。
(2)根据楞次定律确定感应电流的磁场方向。
(3)根据感应电流的磁场方向利用右手螺旋定则来判定感应电流的方向。
楞次定律描述的就是磁通量的变化、感应电流的磁场方向和感应电流的方向这三个量之间的关系
三、右手定则
请用楞次定律分析,当闭合导体回路的一部分做切割磁感线的运动时,如何判定感应电流的方向。
例题:如图所示,假定导体棒 CD 向右运动。

205f8dfb2bf49b7a24328986533c1332.png
(1)我们研究的是哪个闭合导体回路?
研究对象:EFCD闭合导体回路
(2)当导体棒 CD 向右运动时,穿过这个闭合导体回路的磁通量是增大还是减小?
穿过这个闭合导体回路的磁通量是增大的。
(3)感应电流的磁场应该是沿哪个方向的?
由于穿过这个闭合导体回路的磁通量是增大的,根据楞次定律感应电流的磁场方向与原磁场方向相反,所以是垂直于纸面向外。
(4)导体棒 CD 中的感应电流是沿哪个方向的?
根据右手螺旋定则可知导体棒 CD 中的感应电流的方向C→D。
1.右手定则
伸开右手,让大拇指跟其余四指垂直,并且都跟手掌在同一平面内,让磁感线从手心垂直进入,大拇指指向导体运动的方向,其余四指所指的方向就是感应电流的方向。

5020298eda81378848356e8303f3611f.png
2.适用条件
适用于闭合电路中部分导体切割磁感线产生感应电流的情况。
用右手定则判断导体棒 CD 中的感应电流是沿哪个方向的?

205f8dfb2bf49b7a24328986533c1332.png
导体棒 CD 中的感应电流的方向C→D。
特别提醒!
1.在判断导体切割磁感线产生的感应电流时右手定则与楞次定律是等效的,右手定则比楞次定律方便。
2.楞次定律适用于由磁通量变化引起感应电流的一切情况;右手定则只适用于导体切割磁感线,“右手定则”是“楞次定律”的特例。
阅读课文说一说什么是归纳推理?归纳推理与演绎推理有什么不同?
归纳推理是从一类事物的部分对象所具有的某种属性出发,推理出这类事物的所有对象都具有共同属性的推理方法,也就是由具体结论推理出一般规律的方法。
演绎推理不同的是,归纳推理是从物理现象出发研究问题,而演绎推理则是由已知物理规律出发研究问题。
课堂练习
1.关于楞次定律,下列说法正确的是(  )
A.感应电流的磁场总是要阻碍引起感应电流的磁通量的变化
B.闭合电路的一部分导体在做切割磁感线运动时,必受磁场阻碍作用
C.原磁场穿过闭合回路的磁通量增加时,感应电流的磁场与原磁场同向
D.感生电流的磁场总是跟原磁场反向,阻碍原磁场
【答案】A
2.如图所示,AOC是光滑的直角金属导轨,AO沿竖直方向,OC沿水平方向,ab是一根金属直棒,如图立在导轨上,它从静止开始在重力作用下运动,运动过程中a端始终在AO上,b端始终在OC上,直到ab完全落在OC上,整个装置放在一匀强磁场中,磁场方向垂直纸面向里,则ab棒在运动过程中下列说法正确的是(  )

7e8ed07825e28eea5752aec725bd79ff.png
A.感应电流方向始终是b→a
B.感应电流方向先是b→a,后变为a→b
C.棒受磁场力方向与ab垂直,如图中箭头所示方向
D.棒受磁场力方向与ab垂直,开始如图中箭头所示方向,后来变为与箭头所示方向相反
【答案】B
3.如图所示,螺线管CD的导线绕法不明。当磁体AB插入螺线管时,电路中有图示方向的感应电流产生。下列关于螺线管极性的判断正确的是(  )

d10b61461eae217237d7f5f6c0669f65.png
A.C端一定是N极        
B.C端的极性一定与磁体B端的极性相同
C.C端一定是S极        
D.因螺线管的绕法不明确,无法判断极性
【答案】B
4.如图所示,铝环A用轻线静止悬挂于长直螺线管左侧,且与螺线管共轴,下列判断正确的是(  )

94d065b3514adacb7f0f586d0b74b454.png
A.闭合开关瞬间,环A将向右摆动
B.断开开关瞬间,环A的面积有收缩趋势
C.保持开关闭合,将滑动变阻器的滑片迅
速向右滑,从左往右看A环中将产生顺时针方
向的感应电流
D.保持开关闭合,将滑动变阻器的滑片迅速向左滑,环A将向右摆动
【答案】C
学生回忆产生感应电流的条件:穿过闭合回路的磁通量变化
学生动手操作并记录实验现象
学生填写表格磁通量增大时的情况和磁通量减小时的情况
学生思考讨论
学生思考讨论
学生归纳总结
学生理解楞次定律
阅读课文了解
楞次定律与能量守恒
学生思考与讨论:
在教师引导下学生完成例题1
在教师引导下学生完成例题1
归纳总结楞次定律判定感应电流的方向的方法步骤
利用楞次定律分析闭合导体回路的一部分做切割磁感线运动时的相关问题

学生记忆右手定则
学生理解记忆
学生练习
温故而知新为下面实验做铺垫
锻炼学生的实际操作能力和观察能力
掌握感应电流的磁场方向与原磁场方向的关系
加深对磁通量增大,感应电流的磁场与磁体磁场的方向相反的,所以阻碍了磁通量的增大这一现象的认识
加深对磁通量减小,感应电流的磁场与磁体磁场的方向相同,所以阻碍了磁通量的增大这一现象的认识
锻炼学生的语言表达能力,和归纳总结能力
了解阻止的含义
锻炼学生的自主学习能力
锻炼学生应用楞次定律解释相关现象,锻炼学生的语言表达能力
体会楞次定律判定感应电流的方向的方法步骤
锻炼学生利用楞次定律解决问题的能力以及逻辑思维能力和语言表达能力,
锻炼学生的语言表达能力
锻炼学生利用楞次定律解决问题的能力为下面.和右手定则的对比做铺垫
为了让学生理解应用右手定则
知道在判断导体切割磁感线产生的感应电流时右手定则比楞次定律方便
巩固本节知识
课堂小结

梳理自己本节所学知识进行交流
根据学生表述,查漏补缺,并有针对性地进行讲解补充。
板书
一、影响感应电流方向的因素
1.通过闭合电路的磁场方向。
2.通过闭合电路的磁通量的变化。
二、楞次定律
1.内容:感应电流具有这样的方向,即感应电流的磁场总要阻碍引起感应电流的磁通量的变化,这就是楞次定律。
2. 用楞次定律判定感应电流的方向
三、右手定则
1.内容:伸开右手,让大拇指跟其余四指垂直,并且都跟手掌在同一平面内,让磁感线从手心垂直进入,大拇指指向导体运动的方向,其余四指所指的方向就是感应电流的方向。
2.在判断导体切割磁感线产生的感应电流时右手定则与楞次定律是等效的,右手定则比楞次定律方便。
您需要登录后才可以回帖 登录 | 立即注册

本版积分规则

Archiver|手机版|小黑屋|5432教案网 ( 蜀ICP备2022024372号-1 |川公网安备51152402000101号 )|网站地图

GMT+8, 2026-4-9 17:11 , Processed in 0.849449 second(s), 32 queries .

Powered by Discuz! X3.5

© 2001-2026 Discuz! Team.

快速回复 返回顶部 返回列表