找回密码
 立即注册
搜索
查看: 8|回复: 0

[人教版] (选必2)5.3 利用传感器制作简单的自动控制装置(教案1)

[复制链接]

2万

主题

224

回帖

14万

积分

管理员

积分
141623
发表于 10 小时前 | 显示全部楼层 |阅读模式
5章 传感器
3节 利用传感器制作简单的自动控制装置

2d911c28aa6d0b5e327bc53bd23dc75e.png
本节课程主要学习传感器在实际生活中的应用,是在前两节课程知识的基础上将传感器从理论应用到实际,一方面学生需要体会传感器在不同电路中的功能,另一方面要求学生能够分析含有传感器的不同电路,并进行必要的定量计算,体会非电学量转换成电学量的好处。

44ddef8ea81d029bb1c1e28076c9ed83.png
物理观念了解门窗防盗装置、光控电路的实验电路图及工作原理
  • 【科学思维】学会分析含有传感器的不同电路,并进行定量的计算,用科学的思维方式,来解决实际问题。
科学探究通过对门窗防盗装置、光控电路的实验操作,提高实际动手能力的同时学会自己分析问题、解决问题,培养探究科学问题的兴趣。
科学态度与责任引领学生验探索现代科技产物热情,敢于尝试,乐于思考的科学态度,培养团队精神

c7bdfce928195d2be7304732f1718f14.png
【教学重点】了解门窗防盗装置、光控电路的实验电路图及工作原理,并知道电磁继电器、三极管的基本功能。
【教学难点】通过学习门窗防盗装置、光控电路的实验过程及原理能够制作简单的自动控制装置并可以对相关题目进行定性分析与相应的定量计算。

c65032410c0ff1332091edf2c345b64f.png
  • 【引入新课】
生活中的传感器

4289c0d05be620817c7a565373a6981a.png
15785a0a021d20cc1fc95f0207307a29.png
       磁光效应传感器                          光感传感器

ec97c9407cd747d22cb5e2c1fedfadcc.png
c76ca7711834a2847dbb56de458e6f6e.png
3f275aa34d5ca9155ba27e7465118255.png
     仿生传感器                   水质PH传感器                紫外线传感器
传感器是构成自动控制系统的必要环节。如果没有传感器对原始信息进行准确、可靠地捕捉和转换,那么一切控制将无法实现。
    本节提供了两个利用传感器实现简单自动控制的实验,同学们可以根据兴趣和器材条件从中选择一个。只有自己动手进行组装和调试,才会对传感器的作用有更深切的体会。
  • 二、【进行新课】
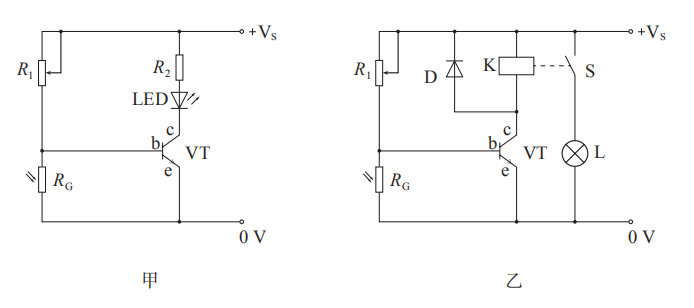
探究点一实验1 门窗防盗报警装置
下面我们来看几个生活中的实例怎样才能实现上述功能呢?利用干簧管在磁场中的特性是不错的选择。如图是一个简单的门窗磁控防盗报警装置示意图。门的上沿嵌入一小块永磁体 M,门框内与M 相对的位置嵌入干簧管 SA,并将干簧管接入报警电路。干簧管可将门与门框的相对位置这一非电学量转换为电路的通断。

1ed8b0720dcea46932b6d13c8860a428.png   
门窗防盗报警装置
实验目的:了解门窗报警装置的原理
实验原理:闭合电路开关S,系统处于防盗状态。当门窗紧闭时,磁体M靠近干簧管SA,干簧管两个簧片被磁化相吸而接通继电器线圈K,使继电器工作。继电器的动触点c与常开触点a接通,发光二极管LED发光,显示电路处于正常工作状态。当门窗开启时,磁体离开干簧管,干簧管失磁断开,继电器被断电。继电器的动触点c与常闭触点b接通,蜂鸣器H发声报警。干簧管在电路中起传感器和控制开关的作用,继电器则相当于一个自动的双向开关。

2991df979d4ff38a096569704404715f.png    
电磁继电器
实验器材
电源、导线、开关、干簧管、继电器、蜂鸣器、发光二极管、电阻、小磁体。
实验步骤
(1)连接电路前,要先判断一下干簧管是否可以正常工作。用磁体直接靠近干簧管,观察簧片能否正常动作。
(2)确定各元件可以正常工作后,连接电路。
(3)接通电源后,将磁体先后靠近和离开干簧管,分别观察实验现象。

fb583370cb6001031579e13c09b9e450.png
dff0f8a86198133e1c182571a0d9033b.png
门窗防盗报警装置电路图              发光二极管

8e717a05b972ff423b05b22c0c83a4df.png
表1 基本元件及参数
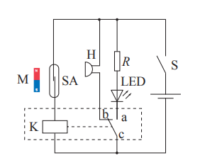
探究点实验2 光控开关
光控路灯可以根据光照的变化自动开启或关闭。怎样能够在天色暗到一定程度时让路灯自动开启,而在天明时自动熄灭?我们可以利用光敏电阻来完成这一任务。下面提供两种模拟的光控开关电路,用发光二极管或小灯泡代表路灯。
实验目的了解光控开关的原理。
实验原理当环境的光比较强时,光敏电阻RG的阻值很小,三极管不导通,发光二极管或继电器所在的回路相当于断路,即发光二极管不工作;继电器处于常开状态,小灯泡L不亮。当环境的光比较弱时,光敏电阻RG的阻值变大,三极管导通,且获得足够的基极电流,产生较大的集电极电流,点亮发光二极管或驱动继电器吸合而点亮小灯泡L。

0e3526cfca549567c53ce42d0853856d.png   
三极管电路符号及实物图

152bd0292317e26c9bd4fe157017a13b.png
光控开关电路
实验器材
可调电阻、限流电阻、光敏电阻、暗电阻、亮电阻、三极管、发光二极管、继电器、小灯泡、二极管、电源。
实验步骤
(1)连接电路,检查无误后,接通电源。
(2)让光敏电阻RG受到白天较强的自然光照射,调节电阻R1使发光二极管LED或小灯泡L刚好不发光。
(3)遮挡RG,当光照减弱到某种程度时,就会看到发光二极管LED或小灯泡L发光。
(4)让光照加强,当光照强到某种程度时,则发光二极管LED或小灯泡L熄灭。
如果实验现象不明显,可用手电筒加强光照,或遮盖光敏电阻,再进行观察。

276c6c1207a11ef303d4b1a0e404e3f2.png
表2 基本元件及参数
课堂重点知识小结
研究传感器应用注意事项
    对于有关传感器应用的实验电路问题,解答时应先弄清楚电路中所用传感器的类型及其工作原理,然后根据电路特点进行分析.
随堂练习
例1、(多选)下如图所示为一个逻辑电平检测电路,A与被测点相接,则(      )

ae2a3235e76fa40e8966b47a20d90392.png
A.A为低电势,LED发光
B.A为高电势,LED发光
C.A为低电势,LED不发光
D.A为高电势,LED不发光
【答案】:BC
【解析】:A为低电势时,Y为高电平,LED的电压小,不发光;A为高电势时,Y为低电势,LED的电压大,发光,故B、C正确.
  • 例2、(单选)如图所示为一种温度自动报警器的原理图,在水银温度计的顶端封入一段金属丝,以下说法正确的是(  )

  • A.温度升高至74 ℃时,L1亮灯报警
  • B.温度升高至74 ℃时,L2亮灯报警
  • C.温度升高至78 ℃时,L1亮灯报警
  • D.温度升高至78 ℃时,L2亮灯报警
【答案】:D
【解析】:当温度低于78 时,线圈中没有电流,此时灯L1亮,但不报警,当温度升高到78 时,线圈中有电流,磁铁吸引衔铁,灯L2被接通,所以灯L2亮且报警,温度升高至74 时,线圈中没有电流,只是灯L1亮,不会报警.
例3、(单选)如图所示是一位同学设计的防盗门报警器的简化电路示意图。门打开时,红外光敏电阻R3受到红外线照射,电阻减小;门关闭时会遮蔽红外线源(红外线源没有画出)。经实际试验,可知灯的亮灭情况能反映门的开关状态。门打开时两灯的发光情况及R2两端电压U2与门关闭时相比(  )

8f36bb11b5bdd7d1c0aff29c9627154e.jpg
A.红灯亮,U2变大
B.绿灯亮,U2变大
C.绿灯亮,U2变小
D.红灯亮,U2变小
【答案】:D
【解析】:当门打开时,R3受红外线照射,电阻减小,则总电阻减小,总电流I增大,R2两端电压U2=E-I(R1+r)减小,R2中电流I2=减小,所以R3中电流I3=I-I2增大,电磁继电器产生的磁场增强,把衔铁吸下,红灯亮,选项D正确。           
您需要登录后才可以回帖 登录 | 立即注册

本版积分规则

Archiver|手机版|小黑屋|5432教案网 ( 蜀ICP备2022024372号-1 |川公网安备51152402000101号 )|网站地图

GMT+8, 2026-4-9 17:09 , Processed in 1.274247 second(s), 32 queries .

Powered by Discuz! X3.5

© 2001-2026 Discuz! Team.

快速回复 返回顶部 返回列表