找回密码
 立即注册
搜索
查看: 8|回复: 0

[人教版] (选必2)4.1 电磁振荡(教案1)

[复制链接]

2万

主题

224

回帖

14万

积分

管理员

积分
141623
发表于 10 小时前 | 显示全部楼层 |阅读模式
4章 电磁振荡与电磁波
1节 电磁振荡

2d911c28aa6d0b5e327bc53bd23dc75e.png
本节课程是在电磁感应的基础上进一步研究了由自感线圈与电容器形成的LC振荡回路的特点,目的是在引出现代科学中的电磁理论,学生通过对LC振荡电路的学习,知道在电磁振荡过程中回路中的电流变化规律及电量变化规律,要知道在整个振荡周期内,能量的转化过程,为进一步认识电磁波的产生奠定基础。

44ddef8ea81d029bb1c1e28076c9ed83.png
物理观念了解电磁振荡产生的过程。
科学思维经历用所学过的知识来解决相关现象、解释相关问题,养成乐于科学探索的思维习惯。科学探究培养学生实验探求知识的意识,增强求知欲望。
科学态度与责任通过结合生活中各种相应现象及常识,理解电磁振荡在人们生活中的地位。体会物理知识在生活中的重要作用,培养勇于探索的精神

c7bdfce928195d2be7304732f1718f14.png
【教学重点】电磁振荡过程中电场能与磁场能的相互转化规律。
【教学难点】LC回路振荡过程中电场强度和磁感应强度的相互转化规律。

c65032410c0ff1332091edf2c345b64f.png
  • 【引入新课】
  • 问题:
  • 水波是由机械振动形成的。一颗石子投入水面会激起一阵涟漪,但是要形成持续的水波,则需要不断地击打水面。电视、广播接收的是电磁波,要产生持续的电磁波,需要持续变化的电流。怎样才能产生这样的电流呢?

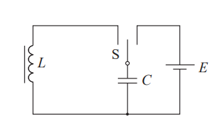
  • 观察:观察振荡电路中电压的波形
  • 把线圈、电容器、电源和单刀双掷开关按照图甲连成电路。把电压传感器(或示波器)的两端连在电容器的两个极板上。先把开关置于电源一侧,为电容器充电;稍后再把开关置于线圈一侧,使电容器通过线圈放电。观察电脑显示器(或示波器)显示的电压的波形。


  • 【进行新课】
探究点一 电磁振荡的产生
  • 【思考】想一想与交流电有何区别?
  • 振荡电流:大小和方向都做周期性迅速变化的电流,叫作振荡电流。                     
振荡电路:能够产生振荡电流的电路。
LC振荡电路:当开关置于线圈一侧时,由电感线圈L和电容C组成的电路,就是最简单的振荡电路,称为LC振荡电路。

eb439f69f9b48f75688da3c9b3d046f3.png
老师引出:
LC电磁振荡的产生原理
电容器充放电和线圈的自感现象共同作用产生的

f4dd7f15857e8a04c1389051eb617632.png
LC电磁振荡的产生过程

0896045f18d5cc9abe332afe75393549.png
LC振荡电路电流的周期性变化

fb174f2335125108521dc76e94cee8fd.png
电容器极板上电荷量的周期性变化

ca0b18a53c192ce01bf19d50617289fc.png
1、LC电磁振荡过程中几个特殊时刻各参数的特征

2eaa468a158e22d08c34f8c0c5f4b8fe.png
2、LC电磁振荡的特点:
LC回路工作过程具有对称性和周期性,可归结为:
(1)、两个物理过程:
放电过程:电场能转化为磁场能,q↓→  i↑
充电过程:磁场能转化为电场能,q↑ →  i↓
(2)、两个特殊状态:
充电完毕状态:磁场能向电场能转化完毕,电场能最大,磁场能最小
放电完毕状态:电场能向磁场能转化完毕,磁场能最大,电场能最小
  • LC电磁振荡的变化规律:
  • (1)总能量守恒=电场能+磁场能=恒量
  • (2)电场能与磁场能交替转化

  • LC电磁振荡过程中各参数的变化规律图像

电磁振荡在振荡电路产生振荡电流的过程中,电容器极板上的电荷、通过线圈的电流,以及跟电荷和电流相联系的电场和磁场都发生周期性的变化,这种现象叫电磁振荡。
探究点二、 电磁振荡中的能量变化
阻尼振荡和无阻尼振荡
  • 无阻尼振荡:在电磁振荡中,如果没有能量损失,振荡电流的振幅保持不变,这种振荡叫做无阻尼振荡,也叫做等幅振荡。
  • 2.阻尼振荡:任何电磁振荡电路中,总存在能量损耗,使振荡电流的振幅逐渐减小,这种振荡叫做阻尼振荡,或叫做减幅振荡。
  • (1)振荡电路中的能量损耗有一部分转化为内能(产生焦耳热),还有一部向外辐射出去而损失.
  • (2)如果用振荡器不断地将电源的能量补充到振荡电路中去,就可以保持等幅振荡。

探究点三、   电磁振荡的周期和频率                  
1.周期和频率:电磁振荡完成一次周期性变化所需的时间叫做周期,一秒钟内完成周期变化的次数叫做频率。
LC回路的周期和频率:由回路本身的特性决定.这种由振荡回路本身特性所决定的振荡周期(或频率)叫做振荡电路的固有周期(或固有频率),简称振荡电路的周期(或频率)。  
2.在一个周期内,振荡电流的方向改变两次;电场能(或磁场能)完成两次周期性变化。
【思考与讨论】
LC电路的周期(频率)与哪些因素有关?
电容较大时,电容器充电、放电的时间长些还是短些?线圈的自感系数较大时,电容器充电、放电时间长些还是短些?
根据上面的讨论结果,定性地讲,LC电路的周期(频率)与电容C、电感L的大小有什么关系?
  • 3.LC回路的周期和频率公式
  • T =<Object: word/embeddings/oleObject1.bin>      f =<Object: word/embeddings/oleObject2.bin>
  • (1)式中各物理量T、L、C、f的单位分别是s、H、F、Hz.
  • (2)适当地选择电容器和线圈,可使振荡电路物周期和频率符合我们的需要.
课堂重点知识小结
1.LC振荡电路中的振荡电流按正弦规律变化,电路的状态与相应的物理量对应.
2.电磁振荡分阻尼振荡和无阻尼振荡.
3.LC振荡电路中电磁振荡的固有周期回路的周期
<Object: word/embeddings/oleObject3.bin>
4.固有频率 <Object: word/embeddings/oleObject4.bin>
随堂练习
例1、(多选)对振荡电路,下列说法正确的是(  )
A.振荡电路中、电容器充电或放电一次所用的时间为 <Object: word/embeddings/oleObject5.bin>
B.振荡电路中,电场能与磁场能的转化周期为<Object: word/embeddings/oleObject6.bin>
C.振荡过程中,电容器极板间电场强度的变化周期为<Object: word/embeddings/oleObject7.bin>
D.振荡过程中,线圈内磁感应强度的变化周期为<Object: word/embeddings/oleObject8.bin>
【答案】:C D
  • 【解析】:在一个周期内,电容器充电、放电各两次,每次充电或放电所用的时间为振荡周期的1/4.电场能与电场强度的方向无关,磁场能与磁感应强度的方向无关,因此在电磁振荡的一个周期内各出现两次最大值,即电场能或磁场能的变化周期为 <Object: word/embeddings/oleObject9.bin>.电场、磁场、电荷的变化周期跟电流的变化周期相同.均为<Object: word/embeddings/oleObject10.bin>     
  • (多选)如图所示的振荡电路中,某时刻线圈中磁场方向向上,且电路的电流正在增强则此时   (      )

  • A.a点电势比b点低
  • B.电容器两极板间场强正在减小
  • C.电路中电场能正在增大
  • D.线圈中感应电动势正在减小
  • 【答案】A、B、D
【解析】因为电路中电流正在增强,所以电容器处于放电过程,极板上的电荷不断减少,两板间的场强正不断减小,电场能也不断减小,由安培定则可判断断得此时电容器放电的电流方向由b经线圈到a,电容器的下板带正电、上极带负电,所以b点电势高于a点电势,电流增大时,电流的变化率(磁通量的变化率)减小,所以线圈中的自感电动势在减小.
例3、(多选)如图所示电路中,电容器的电容为C,电感线圈的自感为L,线圈的电阻忽略不计,原来开关S闭合,现从开关S断开的瞬间开始计时,以下说法正确的是(     )

b7f6f9ba2557dce6caf5aa215cf84ea2.png
A.t=0时刻,电容器的左板带负电,右板带正电
B.t=时刻,线圈L的感应电动势最大
C.t=π时刻,通过线圈L的电流最大,方向向左
D.t=时刻,电容器C两极板间电压最大
【答案】B、D
【解析】没断开开关前,线圈与R串联,由于线圈的电阻不计,所以线圈两端的电压为零,电容器两极板上电荷量为零.此时通过线圈的电流自右向左,当断开开关时,开始给电容器充电,电流逐渐减小,经过个周期(t=时刻),充电电流减小到最小,此时电容器上电荷量最多(左板带正电,右板带负电),线圈L的感应电动势最大.故选项A错,B正确.随后电容器放电,再经过T(即t=π时刻)放电完毕,电流达到最大,从左向右通过线圈,故选项C错误.随后再充电,经过T(即t=时刻),充电完毕,此时电容器上电荷量最多,两极板间电压最大,故选项D正确.
例4、某LC振荡电路由一个电感量为L=25mH和一个半可调电容器C组成,电容器的可调范围为40~1000pF.试问此电路振荡过程中,在空中辐射的电磁波波长范围是多大?
答案振荡电路所辐射的电磁波长可在1884~9420m之间变化。
解析
<Object: word/embeddings/oleObject11.bin><Object: word/embeddings/oleObject12.bin>
您需要登录后才可以回帖 登录 | 立即注册

本版积分规则

Archiver|手机版|小黑屋|5432教案网 ( 蜀ICP备2022024372号-1 |川公网安备51152402000101号 )|网站地图

GMT+8, 2026-4-9 17:18 , Processed in 0.823012 second(s), 31 queries .

Powered by Discuz! X3.5

© 2001-2026 Discuz! Team.

快速回复 返回顶部 返回列表