找回密码
 立即注册
搜索
查看: 8|回复: 0

[人教版] (选必2)3.3 变压器(教案1)

[复制链接]

2万

主题

224

回帖

14万

积分

管理员

积分
141623
发表于 10 小时前 | 显示全部楼层 |阅读模式
3章 交变电流
3节 变压器

2d911c28aa6d0b5e327bc53bd23dc75e.png
本节课程是学生在了解知道变压器的工作原理和理想变压器原、副线圈电压与匝数的关系,会用能量的观点理解变压器的工作原理。知道理想变压器是忽略了能量损失的一种理想模型,进一步体会建立理想模型这种思维方法。经历探究变压器原、副线圈电压与匝数的关系的过程,进一步提高科学探究的能力。在实验中要养成避免触电和安全使用电表的习惯,养成尊重实验数据的严谨科学态度。

44ddef8ea81d029bb1c1e28076c9ed83.png
物理观念知道变压器的工作原理和理想变压器原、副线圈电压与匝数的关系,会用能量的观点理解变压器的工作原理。
科学思维知道理想变压器是忽略了能量损失的一种理想模型,进一步体会建立理想模型这种思维方法。
科学探究经历探究变压器原、副线圈电压与匝数的关系的过程,进一步提高科学探究的能力。通过对实际问题的分析,掌握推导理想变压器原、副线圈中电流与匝数的关系的思路和方法,培养学科核心素养中的科学推理
科学态度与责任在实验中要养成避免触电和安全使用电表的习惯,养成尊重实验数据的严谨科学态度。通过对自耦变压器、电压互感器、电流互感器的工作原理、装置特点、接入电路特点及其作用的分析,深刻理解与运用理想变压器的相关知识,体会科学、技术、社会三者的关系,逐步形成良好的科学态度

c7bdfce928195d2be7304732f1718f14.png
【教学重点】变压器的工作原理和理想变压器的变压规律会推导理想变压器原、副线圈电流与匝数的关系
【教学难点】通过所学知识分析自耦变压器、电压互感器、电流互感器的工作原理及接入电路特点。
c65032410c0ff1332091edf2c345b64f.png
  • 一、【引入新课】
  • 引导学生回忆
一、周期和频率
二、峰值和有效值
三、正弦式交变电流的公式和图像
四、电感器和电容器对交变电流的作用
  • 二、【进行新课】
  • 1.引导学生观察图表思考问题
  • 我们国家民用统一供电均为220V,那么如何使这些额定电压不是220V的电器设备正常工作的呢?
用电器
额定工作电压
用电器
额定工作电压
随身听
3V
机床上的照明灯
36V
扫描仪
12V
防身器
3000V
手机充电器
4.2V4.4V5.3V
黑白电视机显像管
几万伏
录音机
6V9V12V
彩色电视机显像管
十几万伏
  • 2.引导学生认识常见变压器并了解变压器的构造

d28fae30ad0b233b3373dd74eefaaa52.png
4400961e47a5a4021e6d756012e8fd83.png
13bf1a2f0cdba94930d5fce77b1f35ed.png
       发电站大型变压器                 小型变压器         高压输电中的变压器
  • 变压器的构造:
  • 闭合铁芯:绝缘硅钢片叠合而成
  • 原线圈(初级线圈):与交流电源相连的线圈叫做原线圈也叫初级线圈
  • 副线圈(次级线圈):与负载相连的线圈叫做副线圈也叫次级线圈






  • (1)原线圈(初级线圈)  其匝数用n1  表示原线圈两端的电压叫变压器的输入电压U1
  • (2)副线圈(次级线圈)  其匝数用n2  表示副线圈两端的电压叫变压器的输出电压U2
  • 3.提出问题引导学生边观察边思考:我们发现变压器原副线圈不相通,那么给原线圈接直变电源,副线圈接一个小灯泡,通电后,小灯泡会发光吗,为什么?如果将原线圈改接为交流电源,小灯泡会发光吗?

  •   
答:,原因:
老师陈述:这涉及变压器的工作原理
我们可以回忆一下,在初学电磁感应时,我们做过一个“探究感应电流产生条件”的实验。两个线圈也不在同一个回路中,当原线圈电流发生变化时,产生变化的磁场,副线圈中磁通量发生变化,产生感应电流。
在这些实验中,两个线圈之间是相互影响的,这就我们学习过的互感现象。
变压器与这个情境相类似,本质上也是电磁感应现象,是一个互感过程。
从能量转化的角度来看,是原线圈处电场能转化成了磁场能,副线圈处磁场能又转化为电场能,实现了能量的转换和传递。

  •                   简化图
  • 4.引入互感现象中的能量传输关系
  • 变压器能输送电能是利用了电磁感应。在原线圈上由变化的电流激发了一个变化的磁场,即电场的能量转变成磁场的能量;通过铁芯使这个变化的磁场几乎全部穿过了副线圈,于是在副线圈上产生了感应电流,磁场的能量转化成了电场的能量。

  • 5.引出理想变压器的定义
  • 现实中的变压器:
  • 1.由于漏磁,通过原、副线圈的每一匝的磁通量不严格相等造成误差。
  • 2.原、副线圈有电阻,原、副线圈中的焦耳热损耗(铜损),造成误差。
  • 3.铁芯中有磁损耗,产生涡流造成误差。
  • 理想变压器:
  •     我们把没有能量损失的变压器叫作理想变压器。理想变压器也是一个理想化模型。本章涉及的习题不做特殊说明我们一般认为是理想变压器。

  • 6.引入实验并引导学生开始探究实验
  • 铁芯的作用:
  • 如图,将变压器两线圈上下叠放,插入铁芯,原线圈接交流电,副线圈接一额定电压为3V灯泡,灯泡发光。将铁芯逐渐抽出,灯逐渐变暗。接近全部抽出时,灯熄灭。再将铁芯插回,灯又变亮。

55e391b949386e0246505ab9858b4ffe.png
将铁芯上部的一块逐渐拉开,灯变暗,再逐步推成闭合,灯变亮。

0e631e7c94404e974008e0fd75a85373.png
师生总结:可见,闭合铁芯可以将更多的磁感线限制在其内,形成一个闭合的磁路。尽量减小磁场能的散失。
功率关系
理想变压器无能量损失,所以输入功率等于输出功率。
  • 频率关系
  • 在原线圈中接上周期性变化的电流在副线圈中激发出相同频率的交流电。
  • 电压关系
  • 4.电压关系
①实验目的
探究变压器原、副线圈电压与匝数的关系。
②实验原理
如图所示变压器是由原线圈、副线圈和铁芯组成的。电流通过原线圈时在铁芯中产生磁场,由于电流的大小、方向在不断变化,铁芯中的磁场也不断变化,变化的磁场在副线圈中产生感应电动势,副线圈就存在输出电压。

81ef7d2bdf26d58f210ed10a979e9764.png
③实验器材
可变匝数的变压器(铁芯)、多用电表、220V交流电源、导线若干。
④实验步骤
1.要先估计被测电压的大致范围,再选择恰当的量程,若不知道被测电压的大致范围,则应选择交流电的最大量程进行测量。
2.把两个线圈穿在铁芯上,闭合铁芯。
3.改变副线圈的匝数用交流电压表测量输出电压。
U1=220V    n1=1600匝
实验次数
原线圈匝数n1(匝)
副线圈匝数n2(匝)
输入电压U1(V)
输出电压U2(V)
n1/ n2
1
220V
2
220V
3
220V
4
220V
5
220V
  • 进行实验并记录数据
  • ⑤注意事项
  • 1.要事先推测副线圈两端电压的可能值。
  • 2.通电时不要用手接触裸露的导线、接线柱。
  • 3.为了多用电表的安全,使用交流电压挡测电压时,先用最大量程挡测试,大致确定电压后再选择适当的挡位进行测量。
7.师生总结:误差允许范围内
<Object: word/embeddings/oleObject1.bin>
误差产生原因:能量在铁芯及原副线圈处有损耗
引出升压变压器与降压变压器的概念:
n2 >n1     U2>U1——升压变压器
n2 <n1  U2 <U1——降压变压器
老师说明:原副线圈的磁通量变化率相同
  • 电流关系
理想变压器输入功率等于输出功率
P= P出  即U1I1=U2I2
师生总结:理想变压器原副线圈的电流跟它们的匝数成反比。
<Object: word/embeddings/oleObject2.bin>
老师强调:此公式只适用于一个副线圈的变压器
  • 8引导学生认识几种常见的变压器并了解其工作原理
  • 自耦变压器:自耦变压器的原副线圈共用一个线圈


  • 降压变压器              降压变压器

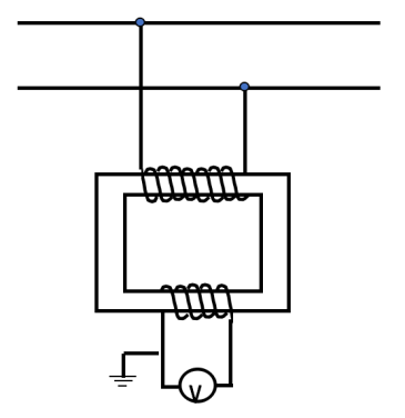
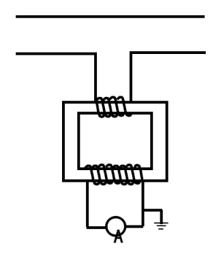
  • 互感器:

d34d5e83951af2529a21d4d1318c3bdd.png          
1ceca97540125cb56f7d13e805a2bd0b.png
     电压互感器                        电流互感器
电压互感器:使用时把原线圈与电路并联,原线圈匝数多于副线圈匝数
电流互感器使用时把原线圈与电路串联,原线圈匝数少于副线圈匝数
  • 9.科学漫步
  •             
  • 对移动电话进行无线充电                        无线充电器中的接收线圈

  • 基本工作原理:
  •       在初级线圈输入一定频率的交流电,通过电磁感应在次级线圈中产生一定的电流,从而将能量从传输端转移到接收端。
  •       初级线圈装在充电基座上,次级线圈装在手机内部,对于一个没有无线充电功能的移动电话,也可以通过在移动电话端连接一个无线充电接收器,将接收
  • 器放在无线充电基座上来进行充电。

  • 10.师生总结
  • 变压器原理:
  • 利用互感现象实现电能到磁场能到电能的转化和传递。
  • 理想变压器特点:
  • ①变压器铁芯内无漏磁
  • ②原、副线圈不计内阻
  • ③忽略铁芯产生的热量
  • 理想变压器规律:
①功率关系:P= P       ②频率关系:f 1  =  f 2
③电压关系:<Object: word/embeddings/oleObject3.bin>     ④电流关系:<Object: word/embeddings/oleObject4.bin>
  • 几种常见变压器





  • 【课堂练习】
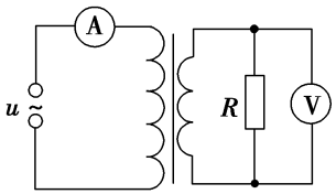
  • 例1、如图所示,P是电压互感器,Q是电流互感器,如果两个互感器的变压比和变流比都是50,电压表的示数为220 V,电流表的示数为3 A,则输电线路中的电压和电流分别是(  )

  • 【答案】A
  • 【解析】:由两个互感器的变压比和变流比可知输电线路中的电压为U=220×50 V=11 000 V,电流为I=3×50 A=150 A,故A正确。
  • 例2、如图所示为一理想变压器,其原、副线圈匝数之比n1∶n2=4∶1,原线圈两端连接光滑导轨,副线圈与电阻R组成闭合电路。当直导线MN在匀强磁场中沿导轨向左匀速切割磁感线时,电流表A1的示数是10 mA,那么电流表A2的示数是(  )

  • A.40 mA                   B.0  
  • C.10 mA                   D.2.5 mA
  • 【答案】B
  • 【解析】:当导体棒在匀强磁场中向左做匀速直线运动切割磁感线时,回路中产生的是直流电而非交流电,与副线圈不会形成互感现象。故副线圈中的感应电流大小为0.
  • 例3、(单选)如图所示的电路中,变压器为理想变压器,a、b接在电压有效值不变的交流电源两端,R0为定值电阻,R为滑动变阻器。现将变阻器的滑片从一个位置滑动到另一位置,观察到电流表A1的示数增大了0.2 A,电流表A2的示数增大了0.8 A,则下列说法正确的是(  )

  • A.电压表V1示数增大
  • B.电压表V2、V3示数均增大
  • C.该变压器起升压作用
  • D.变阻器滑片是沿c→d的方向滑动
答案 D

a98a70f6830450aa60135358c0ff4c83.png
B.电流表的读数为1 A
D.副线圈输出交流电的周期为50 s
答案B 
您需要登录后才可以回帖 登录 | 立即注册

本版积分规则

Archiver|手机版|小黑屋|5432教案网 ( 蜀ICP备2022024372号-1 |川公网安备51152402000101号 )|网站地图

GMT+8, 2026-4-9 17:20 , Processed in 0.812497 second(s), 32 queries .

Powered by Discuz! X3.5

© 2001-2026 Discuz! Team.

快速回复 返回顶部 返回列表