找回密码
 立即注册
搜索
查看: 4|回复: 0

[人教版] (选必2)2.4 互感和自感 (教案1)

[复制链接]

2万

主题

224

回帖

14万

积分

管理员

积分
141623
发表于 10 小时前 | 显示全部楼层 |阅读模式
第二章 电磁感应
4互感和自感

2d911c28aa6d0b5e327bc53bd23dc75e.png
互感和自感是电磁感应第4节的内容,是在学生学习了产生感应 电流的条件、楞次定律、和法拉第电磁感应定律后才学习的,是电磁感应现象具体应用的两个实例。因此,对互感、自感现象的研究,既是对电磁感应定律的巩固和深化,也是对以后学习交流电、电磁波奠定了知识基础。互感和自感的知识与人们日常生活、生产技术有着密切的关系。因此,本节学习的重要性在于具有实际的应用价值,学习该部分知识有着重要的现实意义。

44ddef8ea81d029bb1c1e28076c9ed83.png
物理观念知道互感现象和自感现象都属于电磁感应现象.
科学思维:了解自感现象在生产生活中的应用和怎样预防其带来的不利影响
科学探究:知道自感电动势大小受到哪些因素影响
科学态度与责任认识互感和自感是电磁感应现象的两种现象,感悟特殊现象中有它的普遍规律,而普遍规律中包含了特殊现象的辩证唯物主义观点

c7bdfce928195d2be7304732f1718f14.png
1、教学重点:1通过实验,观察并理解“通电自感”和“断电自感”。
2通过实验观察和理论分析,体会物理规律的探究过程
2、教学难点:“断电自感”灯泡闪亮的原因

7f87df24f2527dcef87ce314c1561c39.png
无线充电器、手机、扩音器、多媒体课件

c65032410c0ff1332091edf2c345b64f.png
同学们,通过前3节的学习,我们已经初步掌握了“磁生电”的基本概念和基本原理,我们能用法拉第电磁感应定律计算感应电动势的大小,也能用楞次定律判断感应电流的方向,同时也了解了一些生活中的电磁感应现象。
今天这节课,我们继续深入研究生活中两个常见的电磁感应现象:互感和自感。
我们先一起来看一个实验:
一、互感现象
<Object: word/embeddings/oleObject1.bin>
【演示实验1】这是两个大小不同的线圈AB,两个线圈A、B之间并没有导线相连,小线圈可以套入大线圈。现在让小线圈A与手机的音频输出端连接,大线圈B与扩音器的输入端连接,如图所示实验时,先打开手机的音乐,再把A线圈插入B线圈,请同学们观察实验现象。
【学生】能听到音乐。
【教师】同学们都听到了音乐,声音来自于扩音器。
两组线圈之间没有导线直接连接,却能在扩音器上听到手机播放的音乐。请同学们思考以下两个问题:①什么是音频信号?②为什么能在扩音器上听见由手机输出的音乐?
【学生】①手机输出的音频信号,是一种电流信号,它的强度和频率都在变化。可以认为是一种变化的电流。
【学生】②所以当音频信号流经A线圈时,A线圈中就产生了变化的磁场,变化的磁场使B线圈的磁通量发生变化,从而在B线圈中产生感应电流,这个电流让扩音器发出音乐。
【教师】最后再补充一个问题:感应电流的频率,与原电流的频率有什么关系呢?
【学生】二者频率相同,才能输出不变的音乐。
【教师】通过这个实验,我们发现:A线圈中变化的电流,会使得B线圈产生感应电流。那么反过来, B线圈中变化的电流,是否也会使A线圈中再次产生感应电流呢?同学们先猜想,再说明理由。
【学生】根据感应电流产生的条件,应该会产生。
【教师】答案是肯定的,实际上,在这个过程中,A、B两组线圈将会发生互相感应的现象。在物理学中,把这个现象叫作互感,即:当一个线圈中的电流变化时,它所产生的变化的磁场会在另一个线圈中产生感应电动势。这种感应电动势叫作互感电动势。
上面这个实验,我们发现互感现象会在两个线圈之间传递电流信号,那么在实际生活中还有哪些类似的现象呢
【学生】可能会想到上节课学习的内容电磁炉、探雷器、变压器。

e6260dfa94a8a524470fce358ba007ba.png
5d605081c6bd5caa79c1d4fda3b5a224.png
cb4463c36c7264b5d2cc9993d592ccb5.png
【教师】确实如此,这些都用到了互感现象。
【教师】互感现象不仅可以发生于绕在同一铁芯上的两个线圈之间,像变压器一样;还可以发生于任何两个相互靠近的电路之间。这个现象广泛应用于生活当中。
但在有的电力工程中和电子电路中,互感现象有时会影响电路的正常工作,这时要设法减小电路间的互感。

6b501002653653dc6e98a7d81564914d.png

8ccf7db013f2fba8e927fdd1c16a2db1.png
【教师】在法拉第的实验中两个线圈并没有用导线连接,当一个线圈中的电流变化时,在另一个线圈中为什么会产生感应电动势呢?

fa25804fbc4ee82d6643ad0c1296902c.jpg
775b1aa308d2758d6d84ce1ff8ecc08e.png
【学生】两个线圈之间并没有导线相连,但当一个线圈中的电流变化时,它所产生的变化的磁场会在另一个线圈中产生感应电动势
例. 如图甲所示,A、B 两绝缘金属环套在同一铁芯上,A 环中电流 iA 随时间 t 的变化规律如图乙所示,下列说法中正确的是( B  )

21c1e5a6377d226783f8fdbff08b4466.jpg
A.t1 时刻,两环作用力最大
B.t2 和 t3 时刻,两环相互吸引
C.t2 时刻两环相互吸引,t3 时刻两环相互排斥
D.t3 和 t4 时刻,两环相互吸引
二、自感现象
合作探究1教师接下来,我们继续思考下一个问题:当一个线圈中的电流变化时,它产生的变化的磁场能在邻近的电路中激发出感应电动势,是否也能在它本身激发出感应电动势呢
【学生】基于已有知识,进行思考、讨论、猜想。
【教师】在回答这个问题之前,我们先来观察一个实验。
演示实验2实验电路图如图所示,电路由两个支路组成,上面支路:是灯泡A1串联一个带铁芯的线圈,下面支路:是一个相同的灯泡A2串联一个可变电阻(预先调节阻值,使其等于线圈电阻)。
<Object: word/embeddings/oleObject2.bin>
这是实验的器材,电源、导线、电阻箱、带铁芯的线圈,实验电路面板,上面已安装好了灯泡和开关。为了便于观察实验现象,我们只把灯泡、开关放置于面板前,其余元件都放置于面板后,并按电路图连接好电路。
请同学们仔细观察:闭合开关S的一瞬间,电路中两个灯泡的亮度变化情况。为了便于观察,我们分别在亮光和暗光条件下进行实验。
学生】灯A2先变亮,灯A1变亮。
【教师】开关闭合瞬间,灯A1后变亮,我们通过慢放,还会发现,灯A1是逐渐变亮的,说明通过A1支路的电流是逐渐增大的。
请同学们结合实验前的猜想,从电流变化的角度,尝试分析A1逐渐变亮的原因。
【学生】实验说明了实验前提出的问题:线圈电流变化也能在它本身激发出感应电动势。
当开关闭合时,通过A1支路的电流I增大,则其磁通量增大,根据楞次定律:线圈自己要产生感应电流,再根据“增反减同”,感应电流I原电流I反向→阻碍磁通量增大,而阻碍不是阻止,所以A1中的电流只能缓慢增大,所以A1灯泡在缓慢变亮。

bb1fd39c6f391c17e4adc344b0966d1f.png
【教师】以上实验说明:当一个线圈中的电流变化时,它产生的变化的磁场不仅能在邻近的电路中激发出感应电动势,也能在它本身激发出感应电动势。这种现象叫“自感”。
上面这个实验,起个名字,叫“通电自感”现象。
下面我们再来看一个实验,叫“断电自感”现象。
合作探究2演示实验3实验电路图如图所示,将一个灯泡和电感线圈并联后,接入电路。这是实验的实物,电源、导线、带铁芯的线圈,实验电路面板,也已安装好灯泡和开关,为了便于观察实验现象,我们将灯泡、开关放置于面板前,其余元件放置于面板后,并按电路图连接好电路。

0fb0fa14ab33a7766a0a5d60996c0c9f.png
实验前先闭合开关,点亮灯泡。大家仔细观察:断开开关S的一瞬间,灯泡A的亮度变化情况,并分析原因。
学生A灯泡先闪亮一下,再熄灭。
【教师】为什么闪亮后熄灭?同学们能否用“自感”的原理来解释?
【学生】开关断开瞬间,线圈支路中的电流I减小,磁通量减小,根据楞次定律,“增反减同”,感应电流I原电流I同向线圈L灯泡A组成一个闭合电路,使得感应电流从A中流过,所以A要缓慢熄灭。
教师按照刚才的分析,开关断开前后,通过灯A中的电流方向有什么变化?
【学生】电流反向了。线圈中的感应电流与原电流同向,但流经灯A时,与原电流反向。
【教师】那怎么解释灯泡要突然闪亮一下呢
【学生】说明感应电流要大于灯泡原来的电流。
【教师】根据电磁感应的规律,线圈中的感应电流要从原值开始减小。当线圈的电阻RL<灯泡电阻RA时,线圈电流IL>灯泡的IA。断开开关后,虽然灯泡电流直接减到0,但线圈的电流从一个较大值逐渐减小,大电流流过灯泡时,灯泡就要闪亮一下再熄灭。
【教师】通电自感的进一步实验和解释多媒体逐步分析

23dcb44339dd47cbde00218c7e625d26.png

5c91153c21a468d982b9221e8b06ab74.png

441a30ad8b7f276bdabb696c2830b154.png
如图用电流传感器收集开关断开前后通过灯泡A、线圈L的电流IA、IL随时间变化的数据:(1)若 RL=RA相等,请定性作出电脑上显示的IA、IL时间变化图像?
(2)若 RL 远小于RA ,请定性作出电脑上显示的IA、IL时间变化图像?

bcbb50603ecaf2d9a5cd8d8922aa1948.png

4537c98c530afa3902be90979449a05d.png
三、自感系数
【教师】实验表明,磁场的强弱正比于电流的强弱,也就是说,磁通量的变化正比于电流的变化。因此,自感电动势正比于电流的变化率
<Object: word/embeddings/oleObject3.bin>
58c3034b499772640d851241bf844a0c.png
L 自感系数简称自感或电感
单位:亨利 H    L:与线圈的大小、形状、圈数及有无铁芯有关

6fa94fcd8f13191741247432d9428675.png 美国著名物理学家
1867年起,任美国科学院第一任院长
1829年制成了能提起一吨重铁块的电磁铁;
1830年发现电磁感应现象,
1832年发现了电流的自感现象;
……
四、磁场的能量

cfb3378677e936d828e1d1b2b413301e.png
在图2.4-3的实验中,开关断开后,灯泡的发光还能维持一小段时间,有时甚至会比开关断开之前更亮。这时灯泡的能量是从哪里来的?
1. 自感现象中的磁场能量
(1)线圈中电流从无到有时:磁场从无到有,电源的能量输送给磁场,储存在磁场中。
(2)线圈中电流减小时:磁场中的能量释放出来转化为电能。                                                         
2. 电的“惯性”
自感电动势有阻碍线圈中电流变化的性质。
理解∶ 当线圈刚刚接通电源的时候。自感电动势阻碍线圈中电流的增加; 当电源断开的时候。自感电动势又阻碍线圈中电流的减小。线圈的自感系数越大,这个现象越明显,线圈能够体现电的"惯性"。
课堂练习
1.有关自感现象,下列叙述中正确的是:(   B   )
A、有铁芯的多匝金属线圈中,通过的电流强度   不变时,无自感现象发生,线圈的自感系数为零
B、导体中所通电流发生变化时,产生的自感电   动势总是阻碍导体中原来电流的变化
C、线圈中所通电流越大,产生的自感电动势也越大
D、线圈中所通电流变化越大,产生的自感电动势也越大
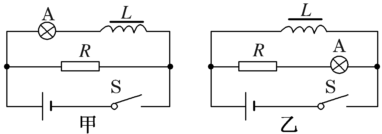
2.如图所示的电路中,A1和A2是两个相同的小灯泡,线圈L的电阻可以忽略,下列说法正确的是(   AD  )

d8684d2932d8d4694d20389ec66c237b.png
A.合上开关S接通电路时,A2先亮,A1后亮,最后一样亮
B.合上开关S接通电路时,A2和A1始终一样亮
C.断开开关S切断电路时,A2立刻熄灭,A1过一会儿才熄灭
D.断开开关S切断电路时,A2和A1都要过一会儿才熄灭
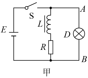
3. 如图所示甲、乙中,自感线圈L的电阻很小,接通S,使电路达到稳定,灯泡A发光,下列说法正确的是(      D    )
 
cfa3036e42503bf80f43ab8b807c7ade.png  
A.在电路甲中,断开S,A将立即熄灭
B.在电路甲中,断开S,A将先变得更亮,然后逐渐变暗
C.在电路乙中,断开S,A将逐渐变暗
D.在电路乙中,断开S,A将先变得更亮,然后渐渐变暗
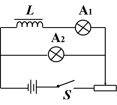
4.如图所示电路中,A、B是两个完全相同的灯泡,L是—个理想电感线圈,下列说法正确的是( AC )

5cc94cc6b5ab6665e19ae998f055cffa.png
A.S闭合时,A立即亮,然后逐渐熄灭
B.S闭合时,B立即亮,然后逐渐熄灭
C.S闭合足够长时间后,B发光,而A不发光
D.S闭合足够长时间后,B熄灭,而A发光
5、某同学利用如图所示电路研究自感现象。电源的电动势为E,内阻不计,电感线圈L的电阻不计。在t=0时刻闭合开关S,电路稳定后,在t=t1时刻断开S,发现灯泡L闪亮一下后逐渐熄灭。若取由A到B的电流方向为电流的正方向,则下列图中表示通过灯泡D的电流随时间t变化的图像中正确的是( A )

8584bcd072f3984e53e01722133d754a.png

6868356a44d528edf176f854fb1991cf.png
X&X
57790ae173cb6070d53a89b57c0c9cdc.png
为了增加学生的感性认识,并增强他们对物理学习的兴趣,我利用了演示实验教学设计思路,分为以下几步。提出问题—理论分析—实验验证—得出结论。这种教学方法。既培养了学生的探究分析解决问题的能力,又培养了学生的交流合作的精神,同时还培养了学生的实验观察能力,总结归纳能力和语言表达能力,在课堂中充分体现了师生互动。
您需要登录后才可以回帖 登录 | 立即注册

本版积分规则

Archiver|手机版|小黑屋|5432教案网 ( 蜀ICP备2022024372号-1 |川公网安备51152402000101号 )|网站地图

GMT+8, 2026-4-9 17:14 , Processed in 0.784571 second(s), 32 queries .

Powered by Discuz! X3.5

© 2001-2026 Discuz! Team.

快速回复 返回顶部 返回列表