找回密码
 立即注册
搜索
查看: 1|回复: 0

(必修3)12.1 电路中的能量转化(导学案3)

[复制链接]

2万

主题

224

回帖

14万

积分

管理员

积分
141330
发表于 10 小时前 | 显示全部楼层 |阅读模式
第十二章 电能 能量守恒定律
                                      12.1 电路中的能量转化
【学习目标】
  • 通过实例分析,理解电能转化为其他形式能是通过电流做功来实现的,加深对功与能量转化关系的认识。2.通过推导电功公式和焦耳定律,理解电功、电功率和焦耳定律,能用焦耳定律解释生产生活中相关现象。3.从能量的转化和守恒角度分析非纯电阻电路中的能量转化,理解电功和电热的区别和联系。4.联系生活中的电风扇、电动机等电器设备,体会能量转化与守恒思想,增强理论联系实际的意识。
开启新探索从能量角度研究电路
我们知道,在电路中使用不同的用电器,往往会有不同的能量转化。回顾生活中用过的用电器,说明用电器将电能转化成怎样的能量?


【质疑提升1电功和电功率
1. 功是能量转化的量度,思考并说明:用电器将电能转化为其它形式的过程中,是什么力做功实现的呢?
  • 如图,在一段电路中,电路两端电压为U,在t时间内,定向移动电荷量为q,则移动电荷电场力做多少功?若电路中的电流为I,又可以怎样表示电场力做功?
    电功:电流在一段电路中所做的功,等于这段电路两端的、电路中的、三者的。
  • 电流在一段电路中做功的功率又怎样求解?
    电功率:电流在一段电路中做功的功率P等于这段电路两端的和的。
  • 想一下,用上述表达式求解电功和电功率,与接在电路中的元件是纯电阻、非纯电阻有关吗?
【质疑提升2焦耳定律
  • 在初中我们已学习了焦耳定律,回顾一下,焦耳定律的内容?焦耳定律是实验定律、还是理论推导定律?
   焦耳定律:电流通过导体产生的跟电流的成,跟导体的及通电成。
   焦耳定律的表达式:Q=。焦耳定律是定律。
  • 能量在转化或转移的过程中是守恒的。在电路中,通过电流做功将电能转化为其它形式的能。若电流通过电热水器中的电热元件做功时,电能转化为什么能量?
设电阻为R的元件两端电压为U、通过元件的电流为I,则(1)在时间t内电流做的功W?产生的电热Q?(2)WQ大小上有怎样关系?(3)通过两者的关系,你会有怎样的推论?

  • 电流通过导体发热的功率如何求解?在求解电热的表达式中,是否对任何电路都可以适用呢?
【质疑提升3电路中的能量转化
  • 当电流通过纯电阻元件时,电能完全转化为热能。但有些电路中除含有电阻外还含有其它负载,如电动机。以含电动机的电风扇为例,研究电路中的能量转化。思考:当电路中接入电风扇,电动机正常运行。(1)电路中有怎样的能量转化?能量间又有怎样的关系?(2)电路中有怎样的功率、功率关系?
  • 通过对非纯电阻电路的分析,说明:欧姆定律适用于非纯电阻电路吗?
  • 通过对纯电阻电路、非纯电阻电路的分析,思考不同电路中电功、电热的求解方法:
物理量
 电路
纯电阻电路
非纯电阻电路
电功(电功率)
电热(电热功率)
【学以致用】
1. 试根据串、并联电路的电流、电压特点推导:串联电路和并联电路各导体消耗的电功率与它们的电阻有什么关系?
2. 电饭锅工作时有两种状态:一种是锅内的水烧干以前的加热状态,另一种是水烧干以后的保温状态。如图所示是电饭锅的电路图, R1是电阻,R2是加热用的电阻丝。
(1)自动开关S接通和断开时,电饭锅分别处于哪种状态?说明理由。
(2)要使电饭锅在保温状态下的功率是加热状态的一半,R1 R2应该是多少?

d3cfa22c29ca4d8f0bee01a48ac84140.png
3. 一台电动机,线圈的电阻是为0.4Ω,当它两端所加的电压是220V时,通过的电流是5A
  • 我们通过欧姆定律计算出线圈的电流是550A ,为什么有这样的差别?
  • 这台电动机发热的功率和对外做功的功率各是多少?
  • 如果电动机被卡,不再转动,试计算其产生的电热功率。
核心素养提升
1.下列关于电功和电功率的说法中,正确的是(       )
A. 电功率也就是热功率
B. 电流做功越多,则功率越大
C. 电功率越小,则电流做的功一定越小
D. 电流做功就是电场力做功,把电能转化为其他形式的能
2通过电阻R的电流强度为I时,在时间t内产生的热量为Q,若电阻为2R,电流强度为I/2时,则在时间t内产生的热量为(     )
A.4Q           B.2Q            
C.Q/2      D.Q/4
3. 关于三个公式<Object: word/embeddings/oleObject1.bin>的适用范围,以下说法正确的是(        )
   A. 第一个公式普遍适用于求电功率,后两个公式普遍适用于求热功率
   B. 在纯电阻电路中,三个公式既可适用于求电功率又可适用于求热功率
   C. 在非纯电阻电路中,第一个公式可适用于求电功率,第二个公式、第三个公式可适用于求热功率
   D. 由<Object: word/embeddings/oleObject2.bin>可知,三个公式没有任何区别,它们表达相同的意义
4. 两个绕线电阻分别标有“100Ω、10W”和“20Ω、40W”,则它们的额定电流之比为 (      )
A.<Object: word/embeddings/oleObject3.bin>                        B.<Object: word/embeddings/oleObject4.bin>C.<Object: word/embeddings/oleObject5.bin>         D.<Object: word/embeddings/oleObject6.bin>
5. 为手机电池充电时,充电宝输出电能转化为手机电池的化学能和内能,等效电路如图所示。在充电开始后的时间内,充电宝的输出电压U与输出电流I都恒定,若手机电池的内阻为r,则t时间内(  )

cf8640bf6d65f281ddcaf3ab4c15d54f.png A.输出电流<Object: word/embeddings/oleObject7.bin>
B.充电宝自身的热功率为I2r
C.充电宝输出的电能为UIt
D.手机电池储存的化学能为UIt

ad9f228123ed6777085fc144d107d667.png 6. 在研究微型电动机的性能时,应用如图所示的实验电路。调节滑动变阻器R并控制电动机停止转动时,电流表和电压表的示数分别为0.5A和1.0V。重新调节R并使电动机恢复正常运转,此时电流表和电压表的示数分别为2.0A和24.0V。则这台电动机正常运转时的机械功率为(  )
A.40W        B.44W        C.47W        D.48W

4f2aead39ce557601cdaa4fdf1ada744.png 7. 如图所示的电路中,输入电压U恒为12V,灯泡L上标有 “6V,12W”字样,电动机线圈的电阻0.5Ω。若灯泡恰能正常发光,则下列说法正确的是(  )
A.灯泡正常发光时的电阻为2Ω
B.电动机的输入功率为10W
C.电动机线圈电阻的发热功率为2W
D.整个电路消耗的电功率为14W

497563c4f50083c3f141151b215c5d76.png 8. 近年来,机器人逐渐走入我们的生活。如图所示,某科技小组在研究机器人内部直流电动机的性能时,发现当电动机两端电压为U1、通过的电流为I1时,电动机没有转动。当电动机两端电压为U2、通过的电流为I2时,电动机正常转动。则这台电动机正常工作时的输出功率为(  )
A.<Object: word/embeddings/oleObject8.bin>        B.<Object: word/embeddings/oleObject9.bin>        C.<Object: word/embeddings/oleObject10.bin>        D.<Object: word/embeddings/oleObject11.bin>
9.  如图所示的电路中,电炉电阻R=10Ω,电动机线圈电阻r=1Ω,电路两端电压U=100V,电流表的示数为30A,则:
  (1)通过电动机的电流为多少?
  (2)电动机输出功率
  (3)电动机1分钟对外提供的动能?

93cf6300ea1b6f1a2a6167d2fbd151c3.png 10. 四个定值电阻连成图所示的电路。RARC的规格为“10 V 4 W”,RBRD的规格为“10 V 2 W”。请按消耗功率大小的顺序排列这四个定值电阻,并说明理由。

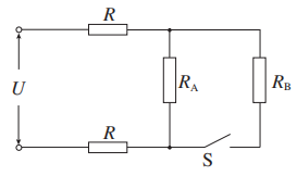
95957bfee3994d3413162b4935de012a.png 11. 如图所示,输电线路两端的电压U 为220 V,每条输电线的电阻R为5 Ω,电热水器A的电阻RA为30 Ω。求电热水器 A 上的电压和它消耗的功率。如果再并联一个电阻R B 15 Ω的电热水壶 B,则电热水器和电热水壶消耗的功率各是多少?
您需要登录后才可以回帖 登录 | 立即注册

本版积分规则

Archiver|手机版|小黑屋|5432教案网 ( 蜀ICP备2022024372号-1 |川公网安备51152402000101号 )|网站地图

GMT+8, 2026-4-8 17:53 , Processed in 0.818043 second(s), 32 queries .

Powered by Discuz! X3.5

© 2001-2026 Discuz! Team.

快速回复 返回顶部 返回列表