找回密码
 立即注册
搜索
查看: 1|回复: 0

(必修3)11.4 串联电路和并联电路 参考答案(导学案3)

[复制链接]

2万

主题

224

回帖

14万

积分

管理员

积分
141330
发表于 10 小时前 | 显示全部楼层 |阅读模式
11.4  串联电路和并联电路
【学习目标】
  • 分析得出串联和并联电路电流、电压的关系式,并理解其含义,体会严谨的科学推理过程。
  • 依据电流和电压的关系,推导得到串联和并联电路总电阻的表达式,体会等效思想在物理中的运用。
  • 通过建立简化模型,应用串、并联电路规律分析电流表及电压表的改装原理,理解理想电表是一种科学抽象的产物,进一步体 会理想化模型的思想方法。
开启新探索

2b3d7b037e8971fde25194c254ab0416.png   初中我们学过串、并联电路中的电流规律、电压规律,高中我们将要学习,为什么电路中会存在这样的规律?
【质疑提升1】串联、并联电路的电流
  • 初中已学习了串联电路中电流处处相等。结合高中所学内容说明,串联电路的电流为什么处处相等?
  • 初中已学习了并联电路的总电流等于各支路电流之和。结合高中所学内容说明,并联电路的总电流为什么等于各支路电流之和?
【质疑提升2】串联、并联电路中的电压
  • 通过高中知识说明:串联电路两端的总电压等于各部分电路两端的电压之和。
  • 通过高中知识说明:并联电路的总电压与各支路电压相等。
  • 串联电路中的每一个电阻通过的电流都相等,但都可以分担一部分电压,试证明,串联电阻分压与电阻成正比。
  •  并联电路中的每一个电阻两端的电压都相等,但都可以分担一部分电流,试证明,并联电阻分流与电阻成反比。
【质疑提升3】串联、并联电路中的电阻
  • 如图所示,两个电阻R1、R2串联接入电路,两端加电压U、产生电流I。如果将这两个电阻换为另个一个电阻R,接入电路,两端加电压U、也产生电流I,则这一个电阻R和两个电阻R1、R2在效果和大小上怎样的关系?
  • 如图所示,两个电阻R1、R2并联接入电路,两端加电压U、产生电流I。如果将这两个电阻换为另个一个电阻R,接入电路,两端加电压U、也产生电流I,则这一个电阻R和两个电阻R1、R2在效果和大小上怎样的关系?
【质疑提升4电压表和电流表的电路结构 
  • 在初中的学习中,我们通常认为电压表的电阻极大,接入某支路时,电压表支路相当于断路;电流表的电阻极小,接入某支路时,电流表相当于导线,短路。但实际上,电压表支路仍有较小的电流、电流表两端极有较小的电压。常用的电压表、电流表都是由小量程的电流表(表头)改装而成的。从电路的角度看,表头就是一个电阻,同样遵从欧姆定律。但表头的电流可以从刻度盘上读出。阅读课本,用哪些物理量描述表头?这些物理量之间存在怎样的关系?

540c6c7ff43bcbc3c05d44d9a96c1804.png
  • 若已知表头的Ig=10μA、Rg=1000Ω,若要改装成量程为0.6A的电流表。思考:表头应串联、还是并联电阻,对应接入的电阻值为多少?改装后的电流表内阻为多少?表盘刻度应如何调整?

171c3c96a2a5d6818dcaa51ffe593c7a.png
  • 若已知表头的Ig=10μA、Rg=1000Ω,若要改装成量程为3V的电压表。思考:表头应串联、还是并联电阻,对应接入的电阻值为多少?改装后的电压表内阻为多少?表盘刻度应如何调整?
【学以致用】
1. 下列说法正确的是(    )
A.两个电阻串联,总电阻的阻值一定大于其中任何一个电阻的阻值
B.并联电路任一支路的电阻都大于电路的总电阻
C.并联电路任一支路的电阻增大(其它支路不变),则总电阻也增大
D.并联电路增加一电阻很大的支路(其它支路不变),则总电阻增加

765a639d394cfb6c9800cf4f239cb541.png 2.一量程为100μA的电流表,内阻为100Ω,表盘刻度均匀,现串联一个9900Ω的电阻将它改装成电压表,则该电压表的量程是____1____V。用它来测量电压时,表盘指针位置如图所示。此时电压表的读数大小为___0.80_____V。

cb800d16823fba1a0b85e15d1a7c3fa8.png 素养提升专练
  • 如图的一段电路中,电阻R1为10欧、R2为30欧、R3为40欧,电流表的示数为0.5安,则电压表V1、V2的示数分别为(  )
A.10伏,20伏        
B.10伏,10伏        
C.5伏,20伏        
D.8伏,10伏
  • 如图所示,R1=2 Ω,R2=10 Ω,R3=10 Ω,A、B两端接在电压恒定的电源上,则(  )

a74a1a6314bff608764a0ba4c98ce8f5.png A.S断开时,R1R2的电压之比为5∶1        
B.S闭合时,R1R2两端的电压之比2∶5
C.S闭合时,通过R2R3的电流之比为2∶1        
D.S闭合时,通过R1R2电流之比为1∶5

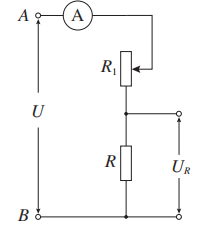
0936936e5c366f4eedd2f69b1515a967.png 3. 所示的电路中,AB 之间的电压为 U,定值电阻的阻值为 R,滑动变阻器的最大阻值为 R1。在滑动变阻器的滑动端移动过程中,R 两端电压 UR的变化范围是多少?
Umin=<Object: word/embeddings/oleObject1.bin>    Umax=<Object: word/embeddings/oleObject2.bin>
4. (1) 所示,电压之比<Object: word/embeddings/oleObject3.bin>与电阻R1R2的值有什么关系?请推导出这个关系式。

ce9d30902f3e93792d3f20c2dd185c80.png (2) 如右图所示中的电路常被叫作分压电路,当 AB 之间的电压为 U 时,利用它可以在 CD 端获得0和U之间的任意电压。试说明其中的道理。
答:<Object: word/embeddings/oleObject4.bin>  上:U  下0
5. 图是有两个量程的电压表,当使用AB两个端点时,量程为0〜10 V;当使用AC两个端点时,量程为0〜100 V。已知表头的内阻Rg为 500 Ω,满偏电流Ig为1 mA,求电阻R1R2的值。

14a6399a6a94da7d500227bded3a0ea1.png
9500  9×104

386ef16863ef67bc312d6a5fc49619b3.png 6. 图是有两个量程的电流表,当使用AB 两个端点时,量程为0〜1 A,当使用AC 两个端点时, 量程为0〜0.1 A。已知表头的内阻 Rg为 200 Ω,满偏电流 Ig为2 mA,求电阻R1R2 的值。
R1<Object: word/embeddings/oleObject5.bin>
R2<Object: word/embeddings/oleObject6.bin>

2bea986bb2f7e45f5662f32f1e9855c2.png 7. 所示,用电压表、电流表测量导体电阻的两种电路图。图中电压表的内阻为1 kΩ,电流表的内阻为 1 Ω,被测导体R的真实电阻为 1000 Ω。测量时,把电压表示数和电流表示数之比作为电阻的测量值。如果不考虑实验操作中的偶然误差,按甲、乙两种电路进行实验,得到的电阻测量值各是多少?你能从中得出什么结论?
甲:500Ω   乙:1001Ω
您需要登录后才可以回帖 登录 | 立即注册

本版积分规则

Archiver|手机版|小黑屋|5432教案网 ( 蜀ICP备2022024372号-1 |川公网安备51152402000101号 )|网站地图

GMT+8, 2026-4-8 17:53 , Processed in 0.729751 second(s), 32 queries .

Powered by Discuz! X3.5

© 2001-2026 Discuz! Team.

快速回复 返回顶部 返回列表