找回密码
 立即注册
搜索
查看: 7|回复: 0

[人教版] (必修3)10.4 电容器的电容(教案3)

[复制链接]

4万

主题

224

回帖

19万

积分

管理员

积分
192574
发表于 2026-4-8 06:31:43 | 显示全部楼层 |阅读模式
10.4电容器的电容
〖教材分析
电容器是前面学习电场知识的综合体现,也是本章知识与实际生产生活的技术应用的集中体现。电容的定义式是理解电容器特性的基础和前提,在本节课的知识内容中占核心地位,平行板电容器可以看成一个匀强电场,改变电压(电势差)和电量后电场会改变等。本课的重点在于电容器的定义式的定性定量探究过程,体会类比的方法,理解电容的属性
教学目标与核心素养
物理观念:电容的概念,理解电容物体本身的特性,知道电容大小的定义式并能用来进行简单判断
科学思维:通过对电容器充电放电过程的理解,知道电容器的电容物体本身的特性,不会因为电压、电量的改变而变化
科学探究:通过实验探究电容器的充电放电过程,让学生理解其概念的内涵。知道电容器就是一个匀强电场。
科学态度与责任:常见的电容器紧密联系生活,拉近科学与学生的距离,使学生感到科学就在身边,调动学生学习的积极性,培养学生的学习兴趣。
〖教学重点与难点
重点:掌握电容器的概念、定义式。
难点:电容器的电容的计算与应用
学准备
多媒体课件,电容电路演示板,,一碗水,两个水杯等
教学过程
一、新课引入

e869089954aeb695b53495d44df18855.png
851b28666f9663529d60eb1aa92147cf.png (展示一碗水,做倒水和装水的实验)水可以用容器储存起来,电荷也可以用一个"容器"储存起来。图中的元件就是这样的"容器"——电容器。那么,它内部的构造是怎样的?它是怎样"装进"和"倒出"电荷的呢?
二、新课教学
(一)电容器
对导入的问题进行归纳:电容器是一种重要的电学元件。

47ac918a86c821f7f97ac1c7f38ab7e9.png (展示各种电容器的图片和电脑主板的图片)
电容器从外形上来看有很多种,有方的,扁的,圆柱型的。我们台式电脑的主板,也可以看到里面有大量的各式各样的电容器。
定义:在两个相距很近的平行金属板中间夹上一层绝缘物质——电介质(空气也是一种电介质),就组成一个最简单的电容器,叫作平行板电容器。

481e6ab7a92fcc6d6e30564110b76ee1.png 我们主要研究的就是平行板电容器。展示图片。这两个金属板叫作电容器的极板。根据它的定义,极板一定是金属板,必须是导体才行。介质是绝缘的。实际上,任何两个彼此绝缘又相距很近的导体,都可以看成一个电容器。
问题1:知道了电容器,那这个容器是如何存储好释放电荷的呢?
实验:观察电容器的充、放电现象(阅读)

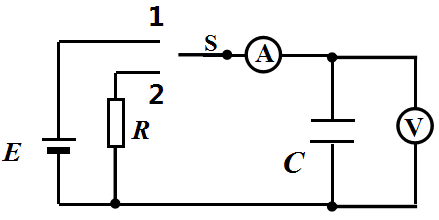
50105356b7406b78a5b4ae552b1742b6.png 展示电路图,在电路中找找看那个是电容器?
电路中通常用一对平行的短线段表示电容器用大写字母C表示。和电源有些像,要注意区分,电源的是一长一短,长的是电源的正极。电容器接电源正极的叫正极板,解负极的叫负极板,开始时电容器上没有电荷。
1.电容器充电

c76ab9427f5acc17dadb139425a597ac.png (播放电容器充过程动图)观察动图发现:接通电路于是和电源正极连接的带上了正电荷,与电源负极连接的带上了负电荷上下极板所带的电量大小都是Q,这就是电容器充电的过程中。
使两极板分别带等量异种电荷的过程叫电容器的充电。
电容器充电的过程中,两极板的电荷量增加,极板间的电场强度增大,电源的能量不断储存在电容器中。若断开电源,极板所带电量Q不变。电容器的电荷量 Q :每个极板所带电量的绝对值。

e335dc8ca5e8bbaa1683fd5df2fa7ac7.png 2.电容器放电
(播放电容器放电过程动图)观察动图发现:放电的过程中,原先在两个极板的正负电荷就会逐渐中和,电流方向正好和之前的相反。电容器把储存的能量通过电流做功转化为电路中其他形式的能量。
两极板的电荷逐渐中和的过程叫做电容器的放电。
【注意】当电容器带电量发生改变时,电路中有电流;稳定后电路中无电流,因为两极板绝缘,电流通不过。
我们也可以借助科技来观察电容器充放电的过程。
拓展学习:了解用传感器观察电容器的放电过程。微元法:Q=It。
问题2:电容器用来储存电荷的,怎样描述其储存电荷的本领呢?
电容
在电容器充电的实验中,我们看到,电容器两极板之间的电势差增大时,电流表的示数不为0,这表明电容器所带的电荷量也在增加。

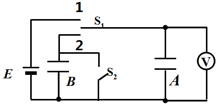
c45d26f8d6d041e13f76527bbe5f11fb.png 问题1:那么,电容器所带的电荷量跟两极板间的电势差是否存在某种定量关系?
演示:探究电容器两极板间电势差跟所带电荷量的关系
连接好实验电路如图所示。实验步骤A充电,观察电压表。B并联,给A放电,观察电压表。闭合S2,给B放电。之后重复②③
组别
B并联前电压表示数
B并联后电压表示数
1
2
3
....
对实验数据列表处理。
以上实验表明,电容器的电荷量变为原来的一半时,其两极板间的电势差也变为原来的一半。
精确的实验表明,同一个电容器所带的电荷量Q与两极板之间的电势差U之比是不变的。不同的电容器,这个比一般是不同的,可见电荷量Q与电势差U之比表征了电容器储存电荷的特性。
定义:电容器所带的电荷量Q与电容器两极板之间的电势差U之比,叫作电容器的电容。用C表示,则有
<Object: word/embeddings/oleObject1.bin>
Q指每一个极板带电量绝对值,U表示电容器两板的电势差电压。

e9800ce2ac0569d93668c1c89d5ad0b8.png 上式表示,电容器的电容在数值上等于使两极板间的电势差为1V时电容器需要带的电荷量,电荷量越多,表示电容器的电容越大。这类似于用不同的容器装水,要使容器中的水深都为1cm,横截面积大的容器需要的水多。
单位:法拉F。
在国际单位制中,电容的单位是从关系式上看是库伦每伏。为了纪念物理学家法拉第,这个单位被命名为法拉,简称法,符号是F。如果一个电容器带1 C的电荷量时,两极板之间的电势差是1V,这个电容器的电容就是 1F。法拉是一个很大的单位,实际中常用的单位还有微法(μF)和皮法(pF),它们与法拉的关系是1μF = 10-6F ,l pF = 10-12F
注意:式子叫做电容的定义式,C描述的是物体本身的特性。

b39c2537e1de2b1adb695d9c300c92ca.png 电量Q或者电压U的改变,并不会改变电容C的大小,也就说它是不成比例关系的。即使电容器不带电,电容仍然存在,且是一个确定的量。
例如,如图所示,电容器没有接入电路中,它的电容C=1.0F
当然接入电路时,也要注意,加在电容上的电压不能超过某一限度。加在电容器两极板上的电压不能超过某一限度,超过这个限度,电介质将被击穿,电容器损坏。这个极限电压叫作击穿电压。不过为了让电容器安全稳定的工作,电容器外壳上标的是工作电压,或称额定电压,这个数值比击穿电压低。即
额定电压U<击穿电压Um
课堂练习
例1:有人用如图描述某电容器充电时,其电荷量Q、电压U、电容C之间的相互关系,请判断它们的正误,并说明理由。

3bc2884e2192032245b017bec99f1ab0.png
解题提示:C描述的是物体本身的特性。电量Q或者电压U的改变,并不会改变电容C的大小。
例2:有一个已充电的电容器,两极板之间的电压为3V,所带电荷量为4.5×10-4C,此电容器的电容是多少?将电容器的电压降为2V,电容器的电容是多少?所带电荷量是多少?
解题提示:C描述的是物体本身的特性。电量Q或者电压U的改变,并不会改变电容C的大小。
<Object: word/embeddings/oleObject2.bin>
Q1=CU1=1.5×10-4×2C=3.0×10-4C
问题2:C描述的是物体本身的特性。那电容C受那些因素影响呢?
拓展学习:平行板电容器的电容
知道了它和极板的正对面积,两板间的距离,以及插入的介质有关。
(三)常见电容器
固定电容器:电容固定不变。
常用的电容器,从构造上看,可以分为固定电容器和可变电容器两类。固定电容器的电容是固定不变的。常用的有聚苯乙烯电容器和电解电容器。

1c1b422781aa073d1015553baa2dbd37.png 展示图片介绍聚苯乙烯电容器和电解电容器。
可变电容器:通过改变两极间的正对面积或距离来改变电容。
展示图片介绍可变电容器。

cfe764fb04f6a8547fc250039c448e88.png
c3f0c53286f0a570cdc5260bb46ead28.jpg
前沿科技:超级电容的应用。
板书设计
10.4电容器的电容
  • 电容器
  • 定义:
  • ①构造:导体极板和绝缘介质。
  • ②充电:使两极板分别带等量异种电荷。若断开电源,极板所带电量Q不变。
  • ③放电:两极板的电荷中和
  • 二、电容
  • 定义:
  • <Object: word/embeddings/oleObject3.bin>
  • ①Q指每一个极板带电量绝对值,U表示电容器两板的电势差—电压。
  • ②单位:法拉F
  • ③C描述的是物体本身的特性。
  • 三、常用电容器
教学反思
  • 电容器其实可以看成一个匀强电场,应该要和前面的学习内容联系起来。联系的切入点就是充放电的过程中能量的转化,但是在这里切入的话,电容的定义还没有出来,所以不太好,甚至时间也不够用。到底在哪里切入,还有待研究。电容的物理意义的理解在上课前就意识到是个难点,所以采用了类比法,几次使用类比法的效果都是比较理想的。

您需要登录后才可以回帖 登录 | 立即注册

本版积分规则

Archiver|手机版|小黑屋|5432教案网 ( 蜀ICP备2022024372号-1 |川公网安备51152402000101号 )|网站地图

GMT+8, 2026-4-22 22:37 , Processed in 4.650876 second(s), 31 queries .

Powered by Discuz! X3.5

© 2001-2026 Discuz! Team.

快速回复 返回顶部 返回列表