找回密码
 立即注册
搜索
查看: 1|回复: 0

(必修2)8.3动能和动能定理第二课时(原稿版)(导学案1)

[复制链接]

2万

主题

224

回帖

14万

积分

管理员

积分
140701
发表于 8 小时前 | 显示全部楼层 |阅读模式
8.3  动能 动能定理 第二课时
【学习目标】
  • 1.通过实验探究合外力对物体做的功与物体动能变化的关系.
  • 2.学习利用图像法研究合外力做功与物体动能变化的关系.
  • 【知识要点】
一、实验步骤
1.如图1所示,把纸带的一端固定在小车后面,另一端穿过打点计时器,改变木板的倾角,让小车重力的一个分力平衡小车及纸带受到的摩擦力,使小车能做匀速运动.
2.把细线系在小车上并绕过定滑轮,悬挂小盘,在小盘里放入适量砝码,使小车的质量远大于砝码和小盘的总质量,小车在细线的拉力作用下做匀加速运动.由于砝码和小盘质量很小,可认为小车所受拉力F的大小等于砝码和小盘所受重力的大小.
3.接通电源,放开小车,让小车拖着纸带运动,打点计时器就在纸带上打下一系列点.
4.重复以上实验,选择一条点迹清晰的纸带进行数据分析,由纸带可以得到位移和时间的信息,由砝码和小盘的质量可以知道小车所受的恒力.(小车质量已知)
5.由实验数据得出结论.
二、数据处理
1.小车速度及外力做功的确定
通过实验获得打点的纸带,利用“匀变速直线运动中,某段时间内的平均速度等于该段时间中间时刻的瞬时速度”这一结论计算纸带上选定的点的速度,测出小车在某段时间内的位移,然后乘以重物的重力,即得外力在该段时间内对小车做的功.
2.实验数据处理
数据编号物理量
1
2
3
4
5
6
速度v2/(m2·s-2)
合外力做功W/J
(2)比较各次实验中合外力做的功和物体动能变化的数值,从而得到合外力对物体做的功和物体动能变化之间的关系.
三、注意事项
1.平衡摩擦力时,不挂重物,轻推小车后,小车能做匀速直线运动.
2.计算牵引力做功时,可以不必算出具体数值,只用位移的数值与符号G的乘积表示即可.
【题型分类】
题型一、人造卫星的运动规律
例1在“探究做功与物体速度变化的关系”的实验中,实验装置如图甲所示。让小车在一条橡皮筋的作用下弹出后,沿木板滑行,此时橡皮筋对小车做的功记为W0。然后用相同的橡皮筋二条、三条……合并在一起分别进行第2次、第3次……实验,每次实验中橡皮筋伸长的长度都保持一致。且每次实验中小车获得的速度v可由电磁打点计时器所打的纸带求出。(电磁打点计时器所用交流电频率为50Hz)。请回答下列问题:

018119885ac14f239d7629f49ff97afc.png
(1)除了图甲中已给出器材外,必需的器材还有___________(多选);
A.学生电源及导线若干      B.天平及砝码      C.毫米刻度尺      D.游标卡尺
(2)为完成实验测量,图甲中橡皮筋与小车支柱连接方式应为图乙中的______(填“A”或“B”);
(3)图丙中,是小车在某次运动过程中电磁打点计时器在纸带上打出的一系列的点,各点间距如图丙所示,则合理选取数据后计算出小车的速度v为_______m/s;(结果保留2位有效数字)

e8951476873dfb9d9bc45108d7d57145.png
(4)在探究W、v的关系时,通常采用作图法,本实验最终选择作W-v2的图象,这样做的原因是___________。
【同类练习】
2.图甲是某同学在做“探究加速度与力、质量的关系”实验初始时刻的装置状态图,图乙是该同学得到一条用打点计时器打下的纸带。

fa90dab648ce6df904a02d096d6855e1.png
(1)写出图甲中错误的地方__________________________。(至少写出两点)
(2)图甲中所示打点计时器应该用以下哪种电源___________。
A.交流4~6V                B.交流220V
C.直流4~6V                D.直流220V
(3)为完成“探究加速度与力、质量的关系”实验,除了图甲中装置外,还需要用到以下哪些装置___________。
A.
f57373fbfb549e26568913e150a891b5.png                     B.
382a8fca42b0c9a5b69e3a712df928f3.png
C.
ab3e765bca4f7bd90f9b2be955035518.png         D.
0e3a22627acc60422987e87140e8b63b.png
(4)该装置还可用于以下哪些实验_____________。
A.探究小车速度随时间变化的规律实验
B.用打点计时器测速度实验
C.研究平抛运动的实验
D.探究做功与物体速度变化的关系实验
(5)图乙是打点计时器打出的点,请读出C点对应的刻度为___________cm,已知打点计时器的频率为50Hz,打点计时器在打C点时物体的瞬时速度vC=_______m/s,由此纸带测得小车的加速度为a=______m/s2(最后两空计算结果均保留到小数点后面两位数字)。
【成果巩固训练】
1.用如图所示的装置,探究功与物体速度变化的关系.实验时,先适当垫高木板,然后由静止释放小车,小车在橡皮条弹力的作用下被弹出,沿木板滑行.小车滑行过程中通过打点计器的纸带,记录其运动规律.观察发现纸带前面部分点迹疏密不匀,后面部分点迹均匀分布,回答下列问题:

058596c29fe8300c29bf39f3ae597b90.png
(1)实验前适当垫高木板是为了____________
(2)在用做“探究功与速度关系”的实验时,下列说法正确的是_________.
A.通过控制橡皮筋的伸长量不变,改变橡皮筋条数来分析拉力做功的数值
B.通过改变橡皮筋的长度来改变拉力做功的数值
C.实验过程中木板适当垫高就行,没有必要反复调整
D.通过打点计时器打下的纸带来测定小车加速过程中获得的平均速度即可.
(3)实验结束后,为了更直观的研究功与速度变化的关系,利用所得的数据,画出的正确图像应该是图中的图_______

15ee33f82f64c6fa8a4b862a07dc5202.png
2.为了探究“合力做功与速度变化的关系”,某学习小组在实验室组装了如图所示的装置。他们称量滑块的质量为M、沙和小桶的总质量为m。要完成该实验,请回答下列问题:

88a0192c5ca54c1bfce4a34852b08f0c.png
(1)实验时为保证滑块受到的合力与沙、小桶的总重力大小基本相等,沙和小桶的总质量应满足的实验条件是________,实验时为保证细线拉力等于滑块所受的合外力,首先要做的步骤是________;
(2)接通电源,释放小车,打点计时器在纸带上打下一系列点,将打下的第一个点标为O。在纸带上依次取ABC……若干个计数点,已知相邻计数点间的时间间隔为T,测得ABC……各点到O点的距离为x1x2x3……,如图所示;实验中,可认为滑块所受的拉力大小为mg,从打O点到打B点的过程中,拉力对小车做的功W=__________,打B点时小车的速度vB=___________。
3.某探究学习小组的同学欲以如图装置中的滑块为对象验证“动能定理”,他们在实验室组装了一套如图所示的装置,另外他们还找到了打点计时器所用的学生电源、导线、复写纸、纸带、小木块、细沙、垫块等需要的东西.当滑块连接上纸带,用细线通过滑轮挂上空的小沙桶时,释放小桶,滑块处于静止状态.若你是小组中的一位成员,要完成该项实验,则:

c5aa8cc625ff26d6cbe5de0f16177c8a.png
①实验时为了保证滑块(质量为M)受到的合力与沙和沙桶的总重力大小基本相等,实验时除了要满足沙和沙桶的总质量m远远小于滑块的质量M之外,还需要做的是_____________
②在①的基础上,某同学用天平称量滑块的质量M.往沙桶中装入适量的细沙,用天平称出此时沙和沙桶的总质量m.让沙桶带动滑块加速运动,用打点计时器记录其运动情况,在打点计时器打出的纸带上取两点,测出这两点的间距L和这两点的速度大小v1与v2(v1<v2).则对滑块,本实验最终要验证的数学表达式为_____________________(用题中的字母表示).
③由于实验原理上的原因,上述数学表达式只能是近似成立,那么,此试验中真正成立的等式为________________________(仍用上述题中的字母表示).
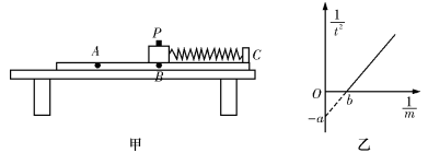
4.某小组同学用如图所示的装置来“验证动能定理”,长木板固定在水平桌面上,其左端与一粗糙曲面平滑连接,木板与曲面连接处固定一光电门,A是光电门的中心位置,滑块P上固定一宽度为d的遮光片。将滑块从曲面的不同高度释放,经过光电门后,在木板上停下来,设停下来的那点为B点。该小组已经测出滑块与木板间的动摩擦因数为<Object: word/embeddings/oleObject1.bin>、査得当地重力加速度为g。根据本实验的原理和目的回答以下问题:

8c34eee89f58d00b17ceed10482c55c9.png
(1)为了“验证动能定理”,他们必需测量的物理量有___________;
A.滑块释放的高度h
B.遮光片经过光电门时的遮光时间t
C.滑块的质量m
D.A点到B点的距离x
(2)该组同学利用题中已知的物理量和(1)问中必需测量的物理量,只需要验证表达式___________在误差范围内成立即可验证动能定理;
(3)以下因素会给实验结果带来误差的是___________。
A.滑块释放时初速度不为零               
B.曲面不光滑
C.遮光片的宽度不够小                    
D.光电门安放在连接处稍偏右的地方
5.某实验小组要探究力对物体做功与物体获得速度的关系,选取的实验装置如图所示.
(1)除了图中已有的实验器材外,还需要导线、开关、刻度尺和______电源(填“交流”或“直流”);
(2)实验主要步骤如下:
I.实验时,为使小车所受合力等于橡皮筋的拉力,在未连接橡皮筋前将木板的左端用小木块垫起,使木板倾斜合适的角度,启动电源,轻推小车,得到的纸带应该是____________(填“甲”或“乙”);

b1242f550d197bd0c573567b59b8da0f.png

d78eeeece8dc37e9432e668932db86b2.png
II.小车在一条橡皮筋的作用下由静止弹出,沿木板运动,此过程橡皮筋对小车做的功为W;
III.再分别改用完全相同的2条、3条……橡皮筋作用于小车,每次释放小车时:除由静止释放外,还必须_____________________(填写相应实验条件),使得每次每条橡皮筋对小车做的功都为W;
IV.分析打点计时器打出的纸带,分别求出小车每次获得的最大速度vlv2v3…….下图是实验中打出的一条纸带,为了测量小车获得的最大速度,应选用纸带的_____________部分进行测量;作出W-v图象,则下列符合实际的图象是_________;

f051c0d0dc23359949bdc24d362cee9f.png
A.
ad29592da354c7b397cfe6a7cfbad7cb.png B.
4c241c7f947cd904d2ab0941af75f1dc.png C.
ddf0cf208db827eace6d851ec245a94b.png   D.
56dddb8e0e917c8e0f2153eb1596790b.png
(3)若该小组实验时遗忘了上述步骤I操作的情况下也完成了整个实验,那么当小车速 度最大时,橡皮筋处于__________________状态.(填“伸长”或“原长”)
6.如图甲所示为某探究小组设计的“用DIS测定动摩擦因数”的实验装置示意图。一长木板固定在水平桌面上,长木板上表面水平,轻弹簧水平放置在长木板上,其右端固定在长木板的C处,左端连一木块,木块上方固定有窄片P,当弹簧处于原长时,木块在A点处,光电门(未画出,用以测量窄片的遮光时间)固定在A点。第一次,将木块向右压缩弹簧使木块移到B点处并由静止释放,记下木块通过A处时窄片的遮光时间t1测出木块的质量m1;第二次,在木块上方增加砝码后,向右压缩弹簧使木块再次移到B点处并由静止释放,木块通过A处记下窄片的遮光时间t2。测出木块和砝码的总质量m2;如此反复多次实验。请回答下列问题:(已知重力加速度大小为g)

29fb39c435b81955e703c18e778f15d8.png
(1)为了测量木块与长木板间的动摩擦因数,实验中还需要测量的物理量有_______。
A.窄片的宽度d
B.AB两点间的距离x
C.木块从B点运动到A点的时间t0
D.弹簧的劲度系数k
(2)在坐标纸上作出窄片遮光时间t的平方的倒数随木块质量的倒数变化的关系图象,如图乙所示,根据图线,求得木块与长木板间的动摩擦因数μ =__________,木块从B点运动到A点的过程,弹簧对木块做的总功WF =_____________。(用含abg及还需要测量的物理量字母表示)
7.为了探究做功与物体动能之间的关系,在气垫导轨上放置一带有遮光片的滑块,轻弹簧的一端与滑块相接,另一端固定在气垫导轨的一端,将一光电门P固定在气垫导轨底座上适当位置(如图所示),使弹簧处于自然状态时,滑块上的遮光片刚好位于光电门的挡光位置,与光电门相连的光电计时器可记录遮光片通过光电门时的挡光时间。实验步骤如下:

f04a190e123bc2aa84ae0176570ab8f4.png
①用游标卡尺测量遮光片的宽度d
②在气垫导轨上适当位置标记一点A(图中未标出,AP间距离远大于d),将滑块从A点由静止释放,由光电计时器读出滑块第一次通过光电门时遮光片的挡光时间t
③利用所测数据求出滑块第一次通过光电门时的速度v
④更换劲度系数不同而自然长度相同的弹簧重复实验步骤②③,记录弹簧劲度系数及相应的速度v,如下表所示:
弹簧劲度系数
k
2k
3k
4k
5k
6k
v/(m·s-1
0.71
1.00
1.22
1.41
1.58
1.73
v2/(m2·s-2
0.50
1.00
1.49
1.99
2.49
2.99
v3/(m3·s-3
0.36
1.00
1.82
2.80
3.94
5.18
(1)测量遮光片的宽度时游标卡尺读数如图所示,读得 d=________mm;

ac9f2442257af94f42b76317c12b0593.png
(2)用测量的物理量表示遮光片通过光电门时滑块的速度的表达式v=________;
(3)已知滑块从A点运动到光电门P处的过程中,弹簧对滑块做的功与弹簧的劲度系数成正比,根据表中记录的数据,可得出弹簧对滑块做的功W与滑块通过光电门时的速度v的关系是__________。
8.某实验小组采用图甲所示的装置“探究动能定理”即探究小车所受合外力做功与小车动能的变化之间的关系。该小组将细绳一端固定在小车上,另一端绕过定滑轮与力传感器、重物相连。实验中,小车在细绳拉力的作用下从静止开始加速运动,打点计时器在纸带上记录小车的运动情况,力传感器记录细绳对小车的拉力大小:

97beb1555d4b9515a4efa625278eb1a9.png
(1)实验中为了把细绳对小车的拉力视为小车的合外力,要完成的一个重要步骤是_____;
(2)若实验中小车的质量没有远大于重物的质量,对本实验______影响(填“有”或“没有”);
(3)实验时,下列物理量中必须测量的是______。
A.长木板的长度L      B.重物的质量m      C.小车的总质量M
9.某同学用如图6甲所示的装置验证动能定理.为了提高实验精度,该同学多次改变小滑块下落高度H的值,测出对应的平抛运动水平位移x,并算出x2如下表所示,进而画出x2H图线如图乙所示.

c16635cff0dfba4324d3378c954752d1.png
图6
滑块下落
高度H
平抛水平
位移x/cm
平抛水平位移的平方x2/cm2
h
5.5
30.25
2h
9.1
82.81
3h
11.7
136.89
4h
14.2
201.64
5h
15.9
252.81
6h
17.6
309.76
7h
19.0
361.00
8h
20.6
424.36
9h
21.7
470.89
(1)原理分析:若滑块在下滑过程中所受阻力很小,则只要满足________,便可验证动能定理.
(2)实验结果分析:实验中获得的图线未过坐标原点,而交在了大约(0.2h,0)处,原因是____________________.
10.质量为1 kg的重物自由下落,通过打点计时器在纸带上记录运动的过程,打点计时器所接电源为6 V、50 Hz的交流电源.如图7所示,纸带上O点为重物自由下落时纸带打点的起点,选取的计数点ABCDEFG依次间隔一个点(图中未画出),纸带上的数据表示各计数点与O点间的距离.

8d4f530bf15c3eae4cef390a659f5f9e.png
图7
(1)求出BCDEF各点对应的速度并填入下表.
计数点
B
C
D
E
F
速度/(m·s-1)
(2)求出物体下落时从O点到BCDEF各点过程中重力所做的功,并填入下表.
计数点
B
C
D
E
F
功/J
(3)适当选择坐标轴,在图8中作出重物重力做的功与重物速度的平方之间的关系图像.图中纵坐标表示________,横坐标表示__________,由图可得重力所做的功与________成________关系.(g取9.8 m/s2)

a578aa10b95bfc356da93bb531daf456.png
图8
您需要登录后才可以回帖 登录 | 立即注册

本版积分规则

Archiver|手机版|小黑屋|5432教案网 ( 蜀ICP备2022024372号-1 |川公网安备51152402000101号 )|网站地图

GMT+8, 2026-4-7 19:33 , Processed in 0.759751 second(s), 31 queries .

Powered by Discuz! X3.5

© 2001-2026 Discuz! Team.

快速回复 返回顶部 返回列表