找回密码
 立即注册
搜索
查看: 1|回复: 0

15(九年级)家庭电路中电流过大的原因(导学案5)

[复制链接]

2万

主题

224

回帖

14万

积分

管理员

积分
140057
发表于 9 小时前 | 显示全部楼层 |阅读模式
课时19.2 家庭电路中电流过大的原因 导学案
()自学:
1、家用电器之间是联,灯和控制的开关是联。
2、两孔插座的左孔接右孔接,三孔插座的左孔接,右孔接 ,上接。
3、电能表是测量的仪表,参数“220V  10A”的含义:电压值是指电能表的电压,电流值是指电能表电流。
二、合作探究
(二)家庭电路的组成  观察课本33页图9-2-7家庭电路示意图或多媒体回答:家庭电路的组成:家庭电路由1、2、3、 4、 5、___  ___6、7、8、等组成。
1、进户线:进户线有根,它们之间的电压是V。
2、配电箱:阅读课本31、32页回答
在家庭电路的配电箱中装有家庭电路的电器和电器
控制电器有 刀开关 低压断路器俗称 空气开关。
保护电器有熔断器漏电保护器
总开关:用来控制总电路的。一般使用闸刀开关。新建住宅中不安装总开关,而是在该处安装,它的优点是更、 、,而且只要排除故障就可以再合闸,不需要零件。
熔丝:俗称(保险丝),安装在闸刀开关的下边,是保护电路的装置。
A、 熔丝的原理及作用:家用保险丝是由电阻率较,熔点较的铅锑合金材料制成的。当总电流过大时,保险丝产生较多的,使它的温度达到,保险丝,自动切断电路,以防止烧毁用电器和避免火灾。
B、看多媒体分析总结:电路中总电流过大的原因:和。
C、保险丝的选择:保险丝的额定电流应略电路中的总电流。
当堂检测
1.如图是常用的带有多插孔的插排.小明家插排的指示灯已经损坏,但闭合开关后插孔上连接的用电器仍可以正常工作.某一天小明家装修时将切割机插入插排,切割机工作时,家中的空气开关出现了“跳闸”现象.则下列说法中正确的是(  )

accca46c532605945455a6e6f1a12ba2.png
A.插排上的插孔与指示灯是串联关系
B.“跳闸”的原因一定是电路发生了断路
C.“跳闸”的原因一定是电路发生了短路
D.“跳闸”的原因可能是电路总功率过大
2.小明把台灯插入插座,闭合开关,家里的总控制开关立刻跳闸,请分析造成这种现象的原因是(  )
A.插头短路B.灯丝断路C.灯头内短路D.灯头内断路
3.如右图所示家庭电路中,当开关S闭合后,灯泡L不亮,用试电笔测试c、d两点时,氖管都发光,测试a、b两点时,只有a点氖管发光,则故障可能是

a74a39017ebb18eb3f4a305abdbc09bd.png
A.b、c 之间某处断路        B.a、d 之间某处断路
C.火线与零线短路        D.电灯的灯丝断了
4.如图所示的家庭电路中,闭合开关后灯泡不亮.用试电笔检测插座的两孔,发现只有插入右孔时氖管才发光.用试电笔检测A点氖管发光,检测B点氖管不发光.发生这一现象的原因可能是

c097f1504f45a4a3d2ac736060dcb4a2.jpg
A.灯泡短路        B.灯丝断了        C.开关接触不良        D.插座短路
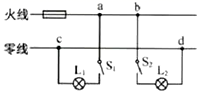
5.如图所示家庭电路中的某一部分,电工师傅按下面的顺序进行检测:①闭合S1,灯L1亮;②断开S1,闭合S2,灯L2不亮;③再用测电笔测abcd四个接线点,发现只有在c点氛管不发光.若电路中只有一处故障,则是(  )

759898e5d4a55d7c5602106664b076e4.png
A.灯L2短路
B.灯L2所在支路开路
C.cd两点间开路
D.c点左侧的零线开路
6.如图所示的电路中,正常发光的三盏灯突然全部熄灭,经检查保险丝完好,用试电笔插进插座的两孔,氖管均发光.造成这一现象的原因是  (     )

f5e079ed458679ab13524c017d01a108.png
A.插座发生短路了        B.进户的火线断了
C.进户的零线断了        D.某盏电灯的灯丝断了
7.一位“法师”在铺有塑料地毯的舞台上表演不怕电的“功夫”,他将一盏普通的白炽灯泡接到两导线头A、B之间,灯泡正常发光;随后将灯泡取下,“法师”两手分别抓住两导线头A、B,如图所示,其助手用测电笔分别测试A、B及“法师”的皮肤.发现测电笔的氖管都发光.对此表演的合理解释是

658eae02e9f13af9675c86f4174f90c9.png
A.如果“法师”此时光脚直接站在地上,也不会触电             B.“法师”的两手均戴有特制绝缘手套
C.在人、灯交替过程中,助手将零线断开了            D.在人、灯交替过程中,助手将火线断开了
二、填空题
8.有的大功率的插座,只有一根保险丝,这根保险丝要连接在____线上,不同粗细的保险丝有不同的额定电流,过粗起不到保险作用,过细容易造成经常断电,禁止用________代替保险丝。
9.电路中电流过大的原因:______、______,电流过大的危害:______。
10.检修家庭电路时,某电灯不亮,但灯丝完好,开关也已接通,现用测电笔分别接触灯座的两接线柱时:若两次氖管都不发光,说明________线出现开路;若两次氖管都发光,则说明________线出现开路.
参考答案
1.D
【解析】A、插排上的插孔与指示灯是并联的,故A错误;BCD、小明家将切割机插入插排,切割机工作时,家中的空气开关出现了“跳闸”现象,这说明切割机的功率过大,造成干路中电流过大,故D正确,BC错误.故选D.
点睛:插座中接入的所有用电器是并联的,开关处于干路上;电流过大的原因是短路或总功率过大.
2.C
【解析】AC.在台灯插头插入插座,闭合开关后,家里的总控制开关跳闸,该现象说明不是插头短路,是灯头内短路造成的,故A错误,C正确;
BD.因为台灯和其它用电器并联,灯泡的灯丝断路或灯头内断路,只能使本支路没有电流,台灯不亮,不能引起家里的总控制开关跳闸,故BD错误。
故选C。
3.A
【分析】
电灯L不亮,而点c能使测电笔亮,说明c到零线b之间开路.
【解析】如图,闭合开关后,发现电灯L不亮,用测电笔测试c、d两点时,氖管都发光,说明c、d都与火线连通(即c点到火线间的电路没有断路);测试a、b两点时,只有a点氖管发光,则测b点时氖管不发光,说明b点没有与火线连通,所以故障可能是b、c之间某处断路,故A正确,BD错误;
若火线与零线短路,则保险丝熔断或空气开关跳闸,整个电路断开,用测电笔测试各点时,氖管都不发光,故C错误.
故选A.
【点睛】
本题考查了用测电笔检测电路的故障.在正常情况下,测电笔测火线应亮,测零线应不亮.
4.B
【解析】AD.若灯泡短路、插座短路,会使火线和零线连接,造成短路,使保险丝烧断或跳闸,用试电笔测A点氖管不会发光,故AD错;
B.灯丝断了,开关闭合后,A点连接火线,可以使氖管发光;B点与零线相连,不会使氖管发光,符合题意,故B正确;
C.开关接触不良,A点不能连接火线,不会使氖管发光,故C错;
5.C
【解析】A.断开S1,闭合S2,灯L2不亮,灯L2不亮的原因有两个:一个是断路、一个是短路, 若灯L2短路时,电路的电流会很大,将保险丝烧断,灯泡L1也不会发光,ab两个接线点上,试电笔的氖管都不会发光,故A错误;
B.若灯L2所在支路开路,d点氖管不发光,故B错误;
C.若cd两点间开路,灯泡L2与零线不能构成闭合电路,电路中没有电流,灯泡不会发光,但d点会通过灯泡L2与火线间接相连,试电笔的氖管会发光,故C正确.
D.闭合S1,灯L1亮,电路中有电流,说明电路为通路,从保险丝→a→S1→L1c以及c点左侧的零线都没有断路,故D错误;
6.C
【解析】A.插座处发生短路,会使保险丝熔断,故A错;
B.进户线的火线断了,试电笔的氖管不会发光,故B错.
C.三盏电灯全部熄灭但保险丝完好,说明电路中干路上有断路,测电笔测试插座的两孔,氖管都发光,说明两孔与火线是连通的,故只可能是零线断了.试电笔能亮,说明火线上有电,而零线上本该不亮,但也亮了,说明是进户线的零线开路了,故C正确;
D.因各灯并联,互不影响,某个电灯的灯丝烧断了,其它灯仍还亮,故D错.
7.C
【解析】用测电笔接触“法师”,氖管发光说明此时“法师”身体带电,与火线是连通的,而他没有触电,是因为没有电流从他身上流过,可以确定在人、灯交替过程中,助手将零线断开了,所以人体并没有电流通过,所以选项C解释正确;
如果“法师”此时光脚直接站在地上,会有较大电流通过人体,造成触电,故A错误;
若“法师”的两手均戴有特制绝缘手套,氖管不会发光,故B错误;
若在人、灯交替过程中,助手将火线断开了,氖管不会发光,故D错误;
故选C.
【点睛】
此题主要考查人体触电的原因.触电有两种情况:单线触电、双线触电.单线触电是站在地上,直接接触火线发生的触电事故,此时火线、人体、大地形成通路;双相触电是同时接触零线和火线,发生的触电事故.
8.火    金属丝   
【解析】[1]大功率的插座只有一根保险丝,它是连在火线上的。
[2]保险丝必须是电阻大、熔点低的,绝对不能用金属丝替代保险丝。
9.短路    总功率过大    引起火灾   
【解析】[1][2][3]短路和电路中总功率过大都能造成电路中总电阻变小,电流过大。电路中电流过大时,由焦耳定律可知,容易引起火灾。
10.       
【解析】(1)电灯熄灭但灯丝完好,说明电路中有断路,当用测电笔测量两接线柱时,两次氖管都不发光,说明灯没有与火线连通,故火线断路了.
(2)试电笔分别接触灯头的两接线柱时,若两次氖管都发光,说明电灯与火线是连通的,故灯不亮原因只能是零线断了.
您需要登录后才可以回帖 登录 | 立即注册

本版积分规则

Archiver|手机版|小黑屋|5432教案网 ( 蜀ICP备2022024372号-1 |川公网安备51152402000101号 )|网站地图

GMT+8, 2026-4-6 14:52 , Processed in 0.822494 second(s), 31 queries .

Powered by Discuz! X3.5

© 2001-2026 Discuz! Team.

快速回复 返回顶部 返回列表