找回密码
 立即注册
搜索
查看: 1|回复: 0

14(九年级)家庭电路(导学案5)

[复制链接]

2万

主题

224

回帖

14万

积分

管理员

积分
140057
发表于 9 小时前 | 显示全部楼层 |阅读模式
课时19.1 家庭电路 导学案
一、学习目标
1、家庭电路的组成有:、 、、
及灯座。
2、进户的两条线中,一条, 叫。另一条叫,俗称。
3、用可以辨别火线和零线。它由笔尖金属体、、、笔尾金属体组成。
4、给带有金属外壳用电器供电要用和。可防止用电器因漏电而造成触电事故。为防止万一漏电造成事故,电路中大多装有。
5、家庭电路中两种触电类型是:以及。
6、如果发生触电事故,要立即,或用绝缘的物体挑开电线。
二、合作探究
1、家庭电路组成:如右图1,家庭电路是由(起电源作用
的)、、、、、、组成。其中电能表用来。总开关用来。保险盒内的保险丝可以在时,自动,新型的保险装置是。所有的灯座和插座并联在供电线路上,分别给电灯和其他用电器供电。

99d2c1a0db466000c2a6d9af460d02a0.jpg
2、火线和零线
(1).进户的两条线中,一条已经与相连,叫做零线,它与地面间的电压为;
(2).另一条线叫做端线,俗称线,它与地面间有电压。
(3).要分辨是零线还是火线就要利用一种工具——(如下图2),
3、三线插头和漏电保护器
4.两种类型的触电
(1)触电原因:家庭电路触电事故,都是人体直接或间接与连通造成的。

3c180f87a9a7ee6047702991654d8110.jpg 图2
1caa9cf4cfa3bfd0da96caaa2e7b5f2c.jpg 图3
43737d14c5ad5107d0569a7491fa1a2d.jpg   图4
9482499d4d73728df2dc1cd40585551d.jpg
(2)触电形式:①双线触电:
(如图3).②单线触电:人站在地上,
(如图4)。
(3)安全用电原则:不接触低压带电体,不靠近高压带电体。
5.触电的急救
(1)迅速。
(2)用挑开电源线,迅速使触电人脱离电源。
(3)发生电火灾时,务必先,再泼水救火。
(4)必要时应该对触电者进行。
当堂检测
1.下列家庭电路中,连接符合安全用电要求的是(    )
A.
fe60ae29222078d0464542ded013a7f8.png         B.
b1f6fd75c4bdb173dd3118c82b05397c.png
C.
421e799ac2b46a729468a2b1c9757587.png             D.
8f3811b7157d33e354d4cac095d5e28c.png
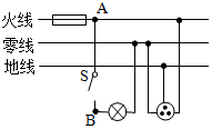
2.如图所示的家庭电路,插座不能正常工作,经检测发现bd间断路,闭合开关S,下列说法正确的是(  )

6c96226aa0653d3b8a6f082c8c605a93.png
A.灯不会发光
B.正确使用试电笔接触图中a点,试电笔会发光
C.若此时站在地上的人接触c点,漏电保护器会切断电路
D.若将开关和灯互换位置,仍然符合安全用电原则
3.小明在家中自己动手装了一盏电灯,如图所示,用测电笔去检验时会发生的是

ebb9e8726f59207f1f62228702693158.png
A.开灯后,测电笔接触A,B点时,氖管都发光
B.开灯后,测电笔接触A,B点时,氖管都不发光
C.熄灯后,测电笔接触A,B点时,氖管都发光
D.熄灯后,测电笔接触A,B点时,氖管都不发光
4.图是某家庭电路的一部分,下列说法正确的是

942ce6186ca580289b326ae026689759.png
A.电冰箱接入三孔插座后其外壳与零线相连
B.断开开关S时,用试电笔接触A点氖管发光,接触B点时氖管不会发光
C.保险丝烧断后可用铜丝代替
D.闭合开关S时,电灯不亮,保险丝未烧断,可能是电灯短路
二、填空题
5.空气开关是______________起作用,当两线间电流太大就会自动跳闸。漏电保护装置是_______起作用,如果人接触火线,有额外电流没有通过零线,里面的电磁装置会自动触发,也会跳闸。
6.试电笔构造如图所示。氖管中充有稀薄的氖气,当电压达到一定值时,氖气就会导电。电流从一个电极流到另一个电极时,氖气就会发出红光。如果被测的导线是_______线,氖管就发光,如果是_______线,氖管就不变会有电流,就不会发光。

1a541ff76068f7322835f80346c4f815.png

fc340dba227cd7d720da9f238a290629.png    
2017a7965e6768882a8c7ac44eccc8a6.png

306c8b4d35a2dfe47da859210ce2a61a.png

05e6f35948dcdfdee52e4acdadc6c68d.png         
a4445f2051d81b500e86dd1625cd68f0.png
7.插座与用电器一样并联在电路中,分为两孔插座和三孔插座。两孔插座:左_____线_______线, 三孔插座左____线,右_______线上接地线。
8.测量用户在一定时间内消耗的电能,进户线第一个就要安装_______。
9.一根零线用字母_______表示,零线进户前已经与_______相连。一根火线也叫_______,火线与零线之间有220V电压;零线与大地之间没有电压;火线与大地之间有_______V电压。
10.家庭电路是由_______、______、______、______、____、____、______组成的。
参考答案
1.B
【解析】AC.家庭电路中灯和插座之间应该是并联的,而这两幅图中灯和插座串联,故AC不符合题意;
BD.为了用电安全,开关应接在火线与电灯之间,插座接线时应遵循“左零右火”的原则,故B符合题意、D不符合题意.
2.B
【解析】AB.由图知,灯泡和插座是并联的;已知bd间断路,但火线上的a点仍然带电,所以正确使用试电笔接触图中a点,试电笔会发光;开关闭合后,灯所在的电路构成通路,所以灯泡能够发光;故A错误,B正确;
C.若站在地上的人接触c点,c点接触的是零线,则电流不会经过人体,即没有发生漏电现象,所以漏电保护器不会切断电路,故C错误;
D.若将开关和灯泡位置互换,则容易使人触电,不符合安全用电原则,故D错误.
3.A
【解析】AB.开灯后,开关闭合,AB两点和电路中的火线接触,所以测电笔接触AB两点氖管会发光,所以选项A会发生,选项B不会发生;
CD.熄灯后,开关断开,B点接触火线,测电笔接触B点时,氖管会发光;A点通过灯泡和零线接触,所以测电笔接触A点时,氖管不会发光,故C、D不会发生;
故选A。
【点睛】
家庭电路的两根线分别是火线和零线,测电笔和火线接触时,氖管会发光,接触零线时,氖管不会发光.
4.B
【解析】A、电冰箱接入三孔插座能使电冰箱金属外壳接地,防止由于冰箱的外壳漏电而使人发生触电事故,故A错误;
B、断开开关S时,A点在火线上,所以接触A点时氖管会发光,B点与火线没有直接接触也没有间接接触,所以接触B点时氖管不会发光,故B正确;
C、当电路电流过大时,保险丝容易熔断而保护电路,如果用铜丝代替保险丝后,就起不到保护作用了,故C错误;
D、若闭合开关S时,电灯不亮,保险丝未烧断,可能是电灯断路,若电灯短路,则保险丝烧断,故D错误.
5.零线与火线    火线   
【解析】[1][2]空气开关是零线与火线起作用,当两线间电流太大就会自动跳闸。漏电保护装置是火线起作用,如果人接触火线,有额外电流没有通过零线,里面的电磁装置会自动触发,也会跳闸。
6.火    零   
【解析】[1][2]火线与大地间有电压,零线与大地间没有电压,因此当被测导线是火线时,氖管才发光,零线时,氖管不发光。
7.零    火    零    火   
【解析】[1][2][3][4]插座都是左零右火上接地。三孔上接地。即左边接零线,右边接火线,上边接地线。
8.电能表
【解析】电能表是测量用户在一定时间内消耗的电能。进户线第一个就要安装电能表。
9.N    大地    端线    220   
【解析】[1][2][3][4]进户线有两根,一根是零线,用字母N表示,零线进户前已经与大地相连,另一根是火线也叫端线,用字母L表示,火线与零线间电压为220V,火线与大地之间电压也是200V。
10.进户线    电能表    总开关    保险装置    插座    开关    用电器   
【解析】[1][2][3][4][5][6][7]家庭电路是由进户线、电能表、总开关、保险装置、插座、开关、用电器组成的。
您需要登录后才可以回帖 登录 | 立即注册

本版积分规则

Archiver|手机版|小黑屋|5432教案网 ( 蜀ICP备2022024372号-1 |川公网安备51152402000101号 )|网站地图

GMT+8, 2026-4-6 14:52 , Processed in 0.782079 second(s), 32 queries .

Powered by Discuz! X3.5

© 2001-2026 Discuz! Team.

快速回复 返回顶部 返回列表