找回密码
 立即注册
搜索
查看: 1|回复: 0

10(九年级)电压(导学案5)

[复制链接]

2万

主题

224

回帖

14万

积分

管理员

积分
140057
发表于 9 小时前 | 显示全部楼层 |阅读模式
课时16.1《电压》导学案
课前导学
1.电压
(1)电压是形成 电流 的原因,用符号 U 表示.
(2)电压的单位是 伏特 ,简称 伏,用符号 V 表示.常用的电压单位还有kV和mV,单位换算为1kV=  103V=  106mV.
(3)电源是提供 电压 的装置,它可以将其他形式的能转化为能.
(4)常见电压:一节干电池是 1.5 V,手机电池是 3.7 V,人体安全电压是不高于 36 V,家庭电路电压是 220 V.
新课讲授
问题1:什么是电压
【例1】 下列说法中正确的是(   )
A.电路中只要有电压,就会有电流B.电压一定会使物体中的电子不断移动
C.电路中有电流,电路两端一定有电压D.电流使导体中不断形成电压
答案:C
问题2:电压的单位
【例2】 下列单位换算的过程和结果都正确的是(   )
A.36V=36V÷1000V=3.6×10-2kV     B.100V=100V×1000mV=105V·mV
C.150mV=1500mV×1000=0.15V    D.3V=3×<Object: word/embeddings/oleObject1.bin>kV=3×10-3kV
答案:D
问题3:电压表的连接
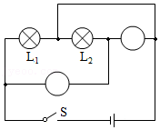
【例3】 如图所示的电路,能用电压表测出灯泡L1两端电压的是(   )

096047559303254f67adba44e3a20f08.png
答案:B
问题4:电压表的读数
课堂练习
1.下列生活中常见的电压值不正确的是(  )
A.一节新干电池的电压为1.5V        
B.手机电池的电压约为3.7V        
C.家庭照明电路的电压为36V        
D.闪电时云层间电压可达106V
【解析】A、一节新干电池电压为1.5V,故A正确;
B、手机电池电压一般是3.7V,故B正确;
C、我国照明电路的电压是220V,故C不正确;
D、发生雷雨时,云层间电压可达106V,故D正确。
故选:C。
2.关于电压表的使用,下列说法正确的是(  )
A.电压表接入电路时,应使电流从负接线柱流入,从正接线柱流出        
B.电压表若有两个量程,一般先用小量程来“试触”        
C.电压表不能将两接线柱直接接到电源的两极上        
D.电压表必须并联在被测用电器的两端
【解析】
A、电压表接入电路时,要使电流从正接线柱流入,从负接线柱流出,这样指针才能正常偏转,故A错误;
B、电压表有两个量程,为了保护电压表,一般先用大量程来“试触”,故B错误;
C、电压表能将两接线柱直接接到电源的两极上,测量的是电源电压,故C错误;
D、电压表测量电压时,必须并联在被测用电器的两端,故D正确。
故选:D。
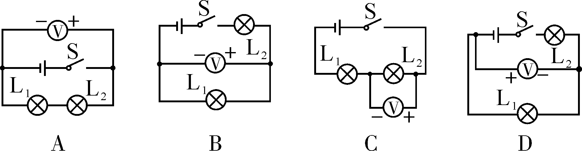
3.如图所示,在“〇”处接入电流表或电压表,使L1与L2串联。则下列做法正确的是(  )

bec7e4b8c594241c0a98f91628c5c916.png
A.a为电流表,b为电流表        B.a为电压表,b为电流表        
C.a为电流表,b为电压表        D.a为电压表,b为电压表
【解析】由图可知,a表跟灯泡L1并联,所以a应为电压表;b表串联在电路中,所以b应为电流表,此时电流表测量电路中的电流,电压表测量L1两端的电压。
故选:B。
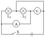
4.如图所示的电路中,各个元件均为实验室常用器材,当开关闭合后,下列说法中正确的是(  )

0af30e03f1fbc0ac99a02232c59c2714.png
A.两表指针均有明显偏转        
B.两表指针均几乎不动        
C.电流表指针有明显偏转,电压表指针几乎不动        
D.电压表指针有明显偏转,电流表指针几乎不动
【解析】由于电压表的电阻很大,当它串联使用时,电路中的电流很小,故电流表的指针几乎不动,但电压表是有示数的,接近于电源电压,故D正确,ABC错误。
故选:D。
5.关于电压,下列说法中不正确的是(  )
A.电压是电路中形成电流的原因        
B.只要电路两端有电压,电路中就一定有电流        
C.电路中有电流时,电路两端就一定有电压        
D.电源是提供电压的装置
【解析】因为电压是电路中形成电流的原因,要在一段电路中产生电流,它的两端就要有电压;所以A正确;
电路中有电流时,电路两端就一定有电压,但是电路两端有电压,电路中不一定有电流,如电路未闭合时,所以B错误,C正确;
电源的作用是提供电压的装置,所以D正确;
故选:B。
6.某同学用一只有“0~3V”和“0~15V”两个量程的电压表,在测量电压时用的是“0~3V”的量程,但记录的读数却是6.5V,则该同学实际测的电压值最有可能是(  )
A.5V        B.2.5V        C.1.3V        D.11.5V
【解析】
该同学在测量电压时用的是0~3V的量程(分度值应为0.1V),但记录的读数却是6.5V,所以他是根据0~15V量程进行读数的;
电压表大量程的分度值是小量程分度值的5倍,所以,0~15V量程读数是6.5V,则0~3V量程的正确读数是=1.3V。
故选:C。
7.如图所示,小丽正准备将一电表接入电路中,她这是要测量电路中的(  )

9dc8ac306e2dcc7e1ab86dd09fe36e01.png
A.电阻        B.电流        C.电压        D.电荷
【解析】据图可知,此时的电表是电压表,即她是要测量电路中的电压,电压表应该并联在电路两端,故C正确。
故选:C。
8.如图所示,在烧杯内的盐水中插入一根铜片和一根锌片,就做成了一个盐水电池,将多节这样的盐水电池串联,为判别串联盐水电池组的正负极,在盐水电池的两极A、B间接入下列元件,能达到目的的是(  )

802a230c30204b6471a7013a7d0e06e9.png
小灯泡电压表电流表发光二极管
A.①②③④        B.②③④        C.②③        D.①②③
【解析】在盐水电池的两极A、B间接入小灯泡,灯泡会发光,但灯泡的发光情况与电流方向无关,所以无法根据灯泡的发光情况判定电流的方向;
电流表、电压表都有正负接线柱,电流应从正接线柱流入、负接线柱流出,根据电流表、电压表指针的偏转情况可以判定电流的方向,从而判定出电源的正负极;
二极管有单向导电性,电流只能从长脚流入,短脚流出,根据二极管的发光情况(即发光或不发光)可以判定电流的方向,从而判定出电源的正负极。
由此可知,能达到目的的有②③④
故选:B。
9.电压用字母 表示,国际单位是 ,简称 ,符号是
【解析】物理学中,电压用符号U表示;
在国际单位制中,电压的基本单位是伏特,简称伏,符号是V。
故答案为:U;伏特;伏;V。
10.电路如图所示,电源电压不变,当开关S1闭合,S2断开时,电压表测两端的电压;当开关S1断开,S2闭合时,电压表测两端的电压。

e5f5972c1377dd7e6883b688627c4c75.png
【解析】当开关S1闭合,S2断开时,L1、L2串联,电压表测L1两端电压;
当开关S1断开,S2闭合时,L1、L2串联,电压表测L1、L2(或电源)两端电压;
故答案为:L1;L1、L2(或电源)。
11.请读出图中两表的示数,电压表示的数是V,电流表示的数为A。

46652779f83829bff93d8b90303b0d09.png
【解析】
电压表使用的量程为0~15V,分度值为0.5V,电压表示的数为8V;
电流表使用的量程为0~0.6A,分度值为0.02A,电流表示的数为0.28A。
故答案为:8;0.28。
12.在研究电压的作用时,我们可以引入“水路”同“电路”进行类比。如图所示。将抽水机比作电源,则可将阀门比作,将涡轮比作,将水管比作,还可将水压比作,水流比作

2818df39a99044ba72219cbb6f12be73.png
【解析】引入“水路”同“电路”进行类比。如图所示。将抽水机比作电源,则可将阀门比作开关;涡轮比作用电器;水管比作导线;水压比作电压;水流比作电流。
故答案为:开关;用电器;导线;电压;电流。
13.在如图电路中,填入电流表或电压表的符号,闭合开关S后,两灯泡均能发光。

2300ffc6a975ba38a8c62c5544747e7e.png
【解析】闭合S后,两灯并联且均能发光;若右面的电表为电流表,则灯泡L2会被短路,则右面电表为电压表;左下面的电表与灯泡L2串联,为电流表,故该电路为并联电路,如图所示:

45f29a3e9eb041bdf868ea8808b39eed.png
课堂小结
您需要登录后才可以回帖 登录 | 立即注册

本版积分规则

Archiver|手机版|小黑屋|5432教案网 ( 蜀ICP备2022024372号-1 |川公网安备51152402000101号 )|网站地图

GMT+8, 2026-4-6 14:58 , Processed in 0.805800 second(s), 31 queries .

Powered by Discuz! X3.5

© 2001-2026 Discuz! Team.

快速回复 返回顶部 返回列表