找回密码
 立即注册
搜索
查看: 1|回复: 0

07(九年级)电流与电压和电阻的关系(导学案4)

[复制链接]

2万

主题

224

回帖

14万

积分

管理员

积分
140057
发表于 9 小时前 | 显示全部楼层 |阅读模式
人教版物理九年级全册
第十七章 欧姆定律
第1节 电流与电压和电阻的关系
知识梳理  预习感知
知识点1  电流与电压的关系
1.探究方法在探究电流与电压的关系时,应控制导体的不变。
2.结论在电阻一定时,导体中的电流与导体两端的电压成。
知识点2  电流与电阻的关系
1.探究方法在探究电流与电阻的关系时,应控制导体不变。
2.结论在电压一定时,导体中的电流跟导体的电阻成。

课堂练习     当堂反馈
1. (知识点1)如图所示,能正确描述电阻一定时,电流随电压变化的图像是(    )

508ee10f687b93cb02610510986d9a55.jpg
A                   B                     C                   D
2. (知识点2)小刚同学用如图所示的电路探究“一段电路中电流跟电阻的关系”。在此实验过程中,当电阻R由5Ω更换为10Ω后,为了探究上述问题,他应该采取的唯一操作是(     )

babd83057177363bfbb89b7f852cbe63.jpg
A. 将电池的个数增加
B. 适当移动滑动变阻器的滑片,使电压表示数保持不变
C. 保持滑动变阻器滑片不动
D. 读出电流表的示数
3. (知识点1)小明在探究“通过导体的电流跟电压的关系”实验中,根据实验目的设计出实验电路图,并按电路图连接实验器材如图甲所示。
(1)电路中有一根导线未连接,请在图中以笔画线代替导线,将电路连接完整。

b339b39a8426b41051ae1fdbb9eea440.jpg
c74df34a6c8eea1a770a0dc5839d2ed0.jpg
甲                                    乙
(2)连接电路过程中,开关应处于状态,闭合开关前应将滑动变阻器滑片调至阻值最     的位置。
(3)实验中要控制不变,通过调节滑动变阻器改变电阻两端的。
(4)电流表和电压表示数记录如下表:
序号
电压表示数U/V
电流表示数I/A
1
1.4
0.14
2
2.2
0.22
3
2.8
表中空白处的电流值如图乙所示,该值为A。
(5)分析实验数据可得结论:当电阻一定时,。
4. (知识点2)某小组在探究电流与电阻关系的实验中,设计了如图所示的电路。
(1)请你用笔画线代替导线将图所示电路连接完整;
(2)电源由两节电压为1.5 V的电池串联组成,则电源电压为V;
(3)若分别将5Ω、10Ω、15Ω的电阻接入电路进行实验时,调节滑动变阻器,保持电压表示数为1.5 V不变,由此得到结论:电压一定时,电流与电阻成;
(4)保持电压表示数为2 V的条件下重复进行上述实验,其目的是:、


184f2d069d2172e3a0bb51f9b162c1fd.jpg
同步练习     易学精练
一、选择题
1.在探究电流与电阻的关系时(   )
A. 调节滑动变阻器使电路中的电流保持不变
B. 调节滑动变阻器使不同的定值电阻R两端的电压保持不变
C. 使定值电阻R两端的电压成倍数变化
D. 每次测量时都要使电路中的电流成倍数变化
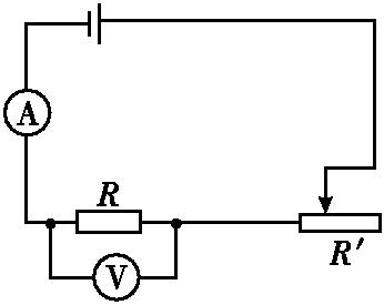
2.研究电流跟电压、电阻的关系用如图所示的电路保持电阻不变保持电压不变两步进行保持电阻不变这一步实验要求是(   )
A. 保持R'的滑片位置不动
B. 保持R的电压不变
C. 保持R不变调节R'滑片到不同的适当位置
D. 保持电路中的电流不变

250e1a738e3f8575154cb272e80235f6.jpg          
fd5eaa019ac18d5fb03e18e9a71b63f2.jpg
第2题                                     第3题
3.如图所示保证AB间的电阻R1=5Ω不变通过移动滑动变阻器分别使电压表的示数为3V6V9V这是为了研究(   )
A. 通过电阻的电流与电阻的阻值的关系
B. 通过电阻的电流与电阻两端的电压的关系
C. 电阻的阻值与流过电阻的电流的关系
D. 电阻两端的电压与电阻的阻值的关系
4. 小刚在研究电流跟电阻的关系实验时得出下面表格中的一组数据根据这组数据可以得出的结论是(   )
导体两端的电压/V
导体电阻/Ω
通过导体的电流/A
4
2
2
4
4
1
4
8
0.5
A. 导体电阻一定时导体两端的电压跟通过导体的电流成正比
B. 导体电阻一定时通过导体的电流跟导体两端的电压成正比
C. 导体两端的电压一定时导体的电阻跟通过导体的电流成反比
D. 导体两端的电压一定时通过导体的电流跟导体的电阻成反比
5. 请根据下表给出的多组电压表和电流表的数据判断分析该电路可能是电路图中的(   )
U/V
1.0
1.5
2.0
2.2
2.5
2.7
I/A
0.20
0.30
0.40
0.44
0.50
0.54

dace0e4eac212d3f4e4aca0e8f89f2ed.jpg
A                  B                   C                 D

83dc669f66f02f2428869197cac8ce78.jpg 6. 小明在研究通过导体的电流时根据测量数据绘制出如图所示的IU图像对此做出的判断中错误的是(   )
A. 通过R1的电流与它两端所加电压成正比
B. 通过R2的电流与它两端所加电压不成正比
C. 将它们串联接入到同一电路中时通过R1的电流较小
D. 将它们并联连接到两端电压为1.5 V的电路中时通过干路的电流大约是0.46 A
二、填空题
7. 为了探究电流与电压的关系某同学设计了如图甲所示的电路

4acd9e8bf8dd6521a50e6e741bb99ed5.jpg
甲                                   乙
电压/V
1
2
3
电流/A
0.1
0.3
(1)实验中应保持不变调节滑片P当电压表的示数为2 V时电流表的示数如图乙所示则电路中的电流为 A
(2)多次测量将记录的数据填在上表中分析数据可以得出的结论是
8. 为探究电流与电压的关系小明设计了如图甲所示的电路图

5e502046b4315bc9fafe8ba2c32df361.jpg
甲                                    乙
(1)连接电路时开关应处于状态滑动变阻器的滑片P应置于其阻值最(选填)处
(2)连接好电路闭合开关后他发现电流表示数为零而电压表示数较大其原因可能是(选填序号)
A. 电阻R断路       B. 电阻R短路        C. 电压表断路       D. 电流表断路
(3)排除故障后小明调节滑片P当电流表指针指在如图乙所示位置时其示数为A
(4)小明继续调节滑片P得到了多组电流和电压的数据分析数据他得出了电流与电压成正比这一没有前提条件的结论请你为他补充这个条件
三、实验探究题
9. 小华利用下列器材探究电流与电阻的关系实验器材电源(4.5V)、电流表、电压表、三个定值电阻(R1=5ΩR2=15ΩR3=25Ω)滑动变阻器标有30Ω 1A字样

26c877a20f73aa38a74777019780295e.jpg
甲                                       乙
(1)用笔画线代替导线完成图甲的实物连接
(2)连接电路时开关应处于状态闭合开关小华发现电流表无示数电压表有示数原因可能是电阻R(选填断路短路)
(3)实验中小华控制R两端的电压不变示数如乙图所示读数为V
(4)小华读出R1接入电路时的电流后断开开关R1换成R2接下来她应该进行的操作是
10. 如图甲是小华同学探究电流与电压关系的电路图

2ce2b509271c789d160b8d5533f0d3b2.jpg
202eee8697f53160037c0937a3b00131.jpg
甲                                     乙
(1)请按电路图将实物图连接完整(要求滑片P向左滑时接入电阻变大)
(2)小华连接电路时开关应滑动变阻器的滑片P应放在最(选填)端
(3)闭合开关后小华发现无论怎样移动滑动变阻器的滑片P电流表指针几乎不动电压表指针有示数且不变原因可能是
(4)接着小华取来三只阻值分别为5Ω10Ω15Ω的电阻探究电流与电阻关系他将电阻5Ω换成10Ω后移动滑动变阻器滑片P的目的是
您需要登录后才可以回帖 登录 | 立即注册

本版积分规则

Archiver|手机版|小黑屋|5432教案网 ( 蜀ICP备2022024372号-1 |川公网安备51152402000101号 )|网站地图

GMT+8, 2026-4-6 14:52 , Processed in 0.721199 second(s), 32 queries .

Powered by Discuz! X3.5

© 2001-2026 Discuz! Team.

快速回复 返回顶部 返回列表