找回密码
 立即注册
搜索
查看: 1|回复: 0

32(九年级)电能与电热(教师版)(导学案3)

[复制链接]

2万

主题

224

回帖

14万

积分

管理员

积分
140057
发表于 9 小时前 | 显示全部楼层 |阅读模式
第13讲 电能与电热
精讲1 焦耳定律
通过实验探究可以知道,电流通过导体产生的热量与通过导体的电流、导体的电阻和通电时间有关,电流越大、电阻越大、通电时间越长,产生的热量越大。1840年,英国物理学家焦耳通过精确的实验,找到了电热与电流、电阻和通电时间的关系:电流通过导体产生的热量跟电流的二次方成正比,跟导体的电阻成正比,跟通电时间成正比。这个规律叫做焦耳定律,表达式为:<Object: word/embeddings/oleObject1.bin>
重难点解读   焦耳定律的理解
焦耳定律准确地阐明了电热、电流、电阻和通电时间之间的关系,焦耳定律的公式<Object: word/embeddings/oleObject2.bin>是通过实验总结出来的,只要电流通过导体发热,就可以通过该公式计算产生的热量。
焦耳定律公式中的各个物理量是同一电路、同一导体、同一状态下的各物理量。
易错易混 电能和电热的关系
    纯电阻电路,就是指电路中只有电阻的电路,不含有电动机等,从能量转化的角度看,纯电阻电路只将电能转化为热能(内能)。而电动机除将少量电能转化为热能外,电能主要转化为机械能。
电流通过导体时,如果电能全部转化为热,而没有转化为其他形式的能,那么电流产生
的热量就等于消耗的电能,即<Object: word/embeddings/oleObject3.bin>
    只有纯电阻电路中,电能才全部转化为热,Q=W才成立。因此<Object: word/embeddings/oleObject4.bin>只适用于纯电阻电路。如果电路不是纯电阻电路,电流通过时,电能除了转化为热能外,还转化为机械能和化学能
等,此时电流产生的热量小于消耗的电能,即Q<W。因此在非纯电阻电路中,计算电流产生的热量用Q=I2Rt,计算消耗的电能(或电流做的功)用W=Pt=UIt。
因此,公式Q=I2Rt=Pt适用于一切情况下电热的计算,公式Q=UIt=U2t/R不能用来计算电动机工作时产生的热量。
易错易混 电热的利用和防止
在日常生活中,有些用电器是利用电流的热效应工作的,例如电水壶、电饭锅、电暖器、电炉、电暖风等等;
当用电器温度过高或局部温度过高时,用电器就不能正常工作,长时间使用工会损坏用电器,甚至发生火灾,带来极大的安全隐患,这时候就需要防止电热带来的危害。用电器最常见的散热方式是利用风扇进行强制散热,除此之外,有些大型用电器则采用循环水散热的方式进行散热。
巩固练习
考点1:电热的利用和防止
【例1】有些家用电器在使用过程中温度过高会损坏电器。下列家用电器要防止电热产生危害的是(
A.电饭煲 B.电热水器 C.电熨斗 D.电视机
答案:D
【变式1】在炎热的夏天,电视机连续使用较长时间后,要停一会儿,但如果长期停止使用,隔一段时间要通电一次。这是因为___________在起作用,前者是为了___________,后者是为了____________
答案:电热,散热,驱潮
考点2:焦耳定律的简单计算
【例1】一段电阻两端的电压是6V时,通过电阻的电流为2A,则该电阻10s产生的热量是多少?
答案:120J
【变式1】一个灯泡标有110V 40W,当这个灯泡正常发光5min产生的热量是多少?
答案:12000J
【例2】一个阻值为55Ω的电饭锅,通过它的电流为4A,则20min产生多少热量?
答案:1.056×106
【变式1】一台电动机的电阻为12.1Ω,在220V的额定电压下运行时,消耗的总电功率为400W.若电动机工作5min,则电流做功________J,发热量为J。
答案:1.2×1051.2×104
【变式2】标有4V 2W字样的灯泡,与16Ω的电阻R串联后接到6V的电源上,求:
(1)灯泡的实际功率多大?电阻R在5分钟内产生多少热量?
(2)若该灯泡与电阻为0.5Ω的电动机串联接到6v的电源上,灯泡刚好正常发光,则10分钟内灯泡和电动机产生的热量各为多少?电动机的输出效率是多少?
答案:0.5w300J1200J75J87.5%
考点3:与电路结合计算电热
【例1】一个R1=3W的电灯和一个R2=6W的电阻串联在U=9V的电路上,求:10秒内电流经过电灯时所做的电功和整个电路产生的焦耳热。
答案:30J90J
【变式1】如图所示,电源电压为12 V,灯泡上标有12 V 12 W.ae和bf是同种型号的电阻丝,每1 m的电阻丝均为0.5 Ω,其他导线电阻不计.c、d两点始终保持与电阻丝良好接触,设ac与bd长度均为3 m,那么小灯泡两端电压为________V两电阻丝在100 s内产生的热为__________J,当c、d两点向右移动时,灯泡的亮度将________________.(设灯泡电阻丝不随温度而变化)
答案:9.6192,变暗
考点4:多档位问题
【例1】如图是某家用电器电路结构示意图,其中R1、R2为加热电阻丝(R1>R2)。电热丝有四种连接方式使电热器提供不同的发热功率,其中发热功率最大的连接方式是(

520fb48c9e6484f6b242a0d198879b79.jpg
答案:D
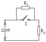
【例2】如图为一台两挡式电热水器的内部简化电路。S为温控开关,当S接a时电路中的电流为5 A;当S接b时电路消耗的电功率为22 W,求:

c83a8bf726821f6e6596504746002312.png (1)R 1 的电阻;
(2)高温挡时电路消耗的电功率;
(3)在低温挡工作l0 min,电流通过R 2 产生的热量。
答案:441100w12936J
【变式1】如图甲所示是家用电吹风的工作原理图,电吹风工作时可以吹出热风也可以吹出凉风.
(1)要让电吹风工作时吹出热风,它的开关应置于图甲中________(填1”“23)位置,此时电风扇与电热丝的连接方式是__________.
(2)某次用该电吹风将头发吹干的过程中,电吹风的功率随时间的变化关系如图乙所示,则在该次吹干头发过程中电吹风消耗的总电能是__________J .
(3)电热丝在工作时的电阻值是________Ω.(保留一位小数)
(4)使用几年后发现电热丝变细,电阻变________,它的实际功率将变________.

47557366ab0d5df1e010fdaa9e283c2e.jpg
d504409bd555949bc37b58985d80785b.jpg
答案:1,并,13200,91.7,大,小
考点5:电加热问题
【例1】把220V 880W的电热水壶接在220V的电源上。求:
(1)通电10min,通过导体的电荷量是多大?
(2)若电热水壶放出的热量全部被水吸收,将5kg、12的水加热到100需要多长时间?
答案:2400C2100s
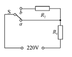
例2】某电水壶铭牌如表.如图是电水壶的电路图,开关S为温控开关,若加热器电阻阻值不随温度变化而改变,且此时的大气压为1标准大气压.则:
1)电水壶正常工作时,其加热电阻的阻值是多大?
2)若电水壶产生的热量全部被水吸收,现将一满壶23的水在标准大气压下烧开需要多长时间?[水的比热容C=4.2×103J/kg•℃]
3)当电水壶处于保温状态时,通过加热器的电流是1A,此时电阻R0的电功率是多少?

d4629186d1003fab5498b165c7b3ba36.jpg
f3aa8888d0ba41e4443df1706247e3ee.jpg
答案:11735s209w
【变式1】如图所示的装置很有创意——它将比较耗水的洗衣机和同样耗水但不太讲究水质的马桶连在一起:上部是洗衣机(有关技术参数见铭牌),下部是马桶,中间设有贮水桶。洗衣机还设有加热功能,(铭牌上水的加热功率已模糊),洗涤前先将水加热到适宜温度,可以提高洗涤效果。
(1)请问这种设计的优点:。(请至少说出一个观点)
(2)求洗衣机脱水时的正常工作电流。
(3)某次洗衣时,首次进水量为20kg,加热时电能的80%转化为水的内能,正常加热14min水的温度升高10就达到设定要求,由于洗衣机铭牌上的加热功率模糊,求:
水吸收的热量,洗衣机的加热功率。 [c= 4.2×103 J /(kg·℃)]

0823d8d68ccb9da191fcb04dcd345beb.jpg
776c688b8e04888aa21f33037c75381c.jpg
d4629186d1003fab5498b165c7b3ba36.jpg
答案:节约用水,1.5A8.4×105J1250w
课后作业
  • 下列用电器中,利用电流热效应工作的是(     )
A.电脑       B.电热杯     C.电视机      D.电风扇
答案:B
  • 下列用来防止电热危害的物体是(     )
A.供取暖用的电褥子        B.电暖器的散热片   
C.电熨斗的金属外壳        D.电视机上的散热窗
答案:D
  • 超导材料是一种电阻为零的材料,将在人们的生产和生活中得到越来越广泛的应用.你认为以下应用中不合理的是(     )
A.绕制成电动机的线圈            B.作为远距离输电中的输电导线
C.绕制成电磁铁的线圈          D.制成电烤炉的电阻丝
答案:D
  • 电炉丝与导线串联接到电路里,通电后电炉丝热得发红,而与之相连的导线却不怎么热.由焦耳定律可知,造成上述现象的主要原因是(     )
A.通过电炉丝的电流比导线的电流小得多     
B.通过电炉丝的电流比导线的电流大得多
C.电炉丝的电阻比导线的电阻小得多       
D.电炉丝的电阻比导线的电阻大得多
答案:D
  • 两电阻R1=6 Ω,R2=9 Ω,当它们串联接在电源电压为3 V的电路两端,通过它们的电流I=________A,加在R1、R2两端的电压之比U1∶U2=________;当R1、R2并联接在原电路中,通过R1、R2的电流之比I1∶I2=________,R1、R2产生的热量之比Q1∶Q2=________.
答案:0.22:33:23:2
  • 电风扇、电烙铁和电动机上都标有“220 V  60 W”字样,它们都在额定电压下工作相同时间,产生热量多的是(     )
A.电风扇    B.电烙铁   C.电动机    D.一样多
答案:B
  • 规格都是“220V 100W”电风扇和电烙铁分别接入家庭电路中,通电时间10min,电风扇消耗的电能为        J,电烙铁消耗的电能为            J,电烙铁产生的内能为            J,电风扇产生的内能           电烙铁产生的内能(选填“大于”“小于”或“等于”)。
答案:6×1046×1046×104,小于
  • 小刚家里连接热水器的插头与插座接触不良,在热水器使用一段时间后发现插头与插座过热.下列关于插头与插座过热的原因解释正确的是(     )
A.由于接触不良,导致电路中电流过大,插头与插座过热
B.由于接触不良,电路中没有电流通过,插头与插座是被热水烫热的
C.由于接触不良,导致电路中总功率过大,插头与插座过热
D.由于接触不良,导致接触处电阻过大,插头与插座过热
答案:D
  • 电阻R1、R2(R1>R2)以不同的连接方式接到同一电源两极上,相同时间内电路中产生热量最多的一种连接方式是(     )
A.只接R1    B.只接R2      C.R1和R2串联     D.R1和R2并联
答案:D
  • 如图是一台常用的电热饮水机的铭牌数据和电路原理图。其中S是温控开关,R1是定值电阻,R2是加热电阻。当S闭合时,饮水机处于加热状态;当S断开时,饮水机处于保温状态。
(1)求在加热状态下,饮水机正常工作时电路中的电流是多大?
(2)饮水机正常工作时,将热水箱中的水从20加热到90,需用时14min(水的比热容为4.2×103J/kg•℃).求此加热过程中:水吸收的热量;饮水机的加热效率。
(3)求电阻R1的阻值(保温功率是指整个电路消耗的功率)。

a1080966ae3368d53d6108f3ba059765.jpg
92b5307e04fd0285bb9765657875bfb4.jpg
答:(1)在加热状态下,饮水机正常工作时电路中的电流是2A;(2)此加热过程中:水吸收的热量为2.94×105J;饮水机的加热效率为79.5%;(3)电阻R1的阻值为1100Ω
您需要登录后才可以回帖 登录 | 立即注册

本版积分规则

Archiver|手机版|小黑屋|5432教案网 ( 蜀ICP备2022024372号-1 |川公网安备51152402000101号 )|网站地图

GMT+8, 2026-4-6 14:55 , Processed in 0.771216 second(s), 32 queries .

Powered by Discuz! X3.5

© 2001-2026 Discuz! Team.

快速回复 返回顶部 返回列表