找回密码
 立即注册
搜索
查看: 1|回复: 0

27(九年级)电功率的测量和验证焦耳定律(学生版)(导学案3)

[复制链接]

2万

主题

224

回帖

14万

积分

管理员

积分
140057
发表于 9 小时前 | 显示全部楼层 |阅读模式
第12讲 电功率的测量和验证焦耳定律
精讲1 测量小灯泡的电功率
现有一个小灯泡,铭牌上只有额定电压2.5V,没有电功率,能否根据已学知识测出小灯泡的电功率?

043157ca277552840002e25e926c1bbf.jpg
根据电功率的基本公式P=UI,在实验中测量出小灯泡两端的电压和通过小灯泡的电流,即可计算出小灯泡的电功率,因此该实验的主要测量仪器为电压表、电流表。
实验过程中,我们需要调节小灯泡两端的电压以得到多组数据,为了达到这个目的我们还需要使用滑动变阻器。实验电路实物图如图所示,请根据该实物图把电路图画出。
重难点解读   实验中如何得到多组数据
1.闭合开关,调节滑动变阻器,使小灯泡电压为额定电压,观察小灯泡发光情况,记录电表示数。
2.调节滑动变阻器,使小灯泡两端电压低于额定电压,观察小灯泡发光情况,记录电表示数。
3.调节滑动变阻器,使小灯泡两端电压为额定电压的1.2倍,观察小灯泡发光情况,记录电表示数。
重难点解读   数据处理及实验结论
根据测量的实验数据绘制成表格,如表所示,计算灯泡电功率填入表中。
实验次序
电压U/V
电路I/A
电功率P/W
小灯泡亮度
1
2.5
0.4
正常
2
2
0.32
较暗
3
3
0.48
较亮
分析实验数据,结合实验过程中观察到的现象,不难得出以下结论:
当小灯泡的实际电压等于额定电压时,实际功率等于额定功率,正常发光;
当小灯泡的实际电压额定电压时,实际功率额定功率,灯泡较暗;
当小灯泡的实际电压额定电压时,实际功率额定功率,灯泡较亮;
小灯泡实际消耗的电功率不一定等于额定功率,小灯泡的亮度由它的实际功率决定。
易错易混 伏安法测电阻和测电功率的区别
1.原理不同:测量小灯泡电阻的实验原理是欧姆定律的变形公式<Object: word/embeddings/oleObject1.bin>,测量小灯泡电功率的原理是电功率的基本公式P=UI
2.数据处理不同:测量小灯泡的电阻可以多次测量求平均值,目的是减小误差;但测量小灯泡电功率实验中,不同电压下的电功率都有其特殊含义,不能求平均值,实验中测量三组电压和电流,算出小灯泡三个不同的电功率的目的是探究小灯泡的实际电压和实际功率以及灯泡发光情况的规律,因此不能认为三次电功率的平均值为小灯泡的电功率。
巩固练习【例1】如图所示是测量额定电压为3.8 V的小灯泡的额定功率的电路图。
1a________表,b________表。
2)按图连接器材时,开关应________,滑片P应滑到______点。
3)除了要用电压表、电流表、小灯泡、导线、开关外,还应选择下面器材中的________(多选)

141596f140205edcd634bafd5c359baf.jpg A.三节干电池      
B.三个铅蓄电池
C10 Ω的定值电阻     
D“20 Ω 1 A”滑动变阻器
E“1000 Ω 10 A”滑动变阻器
4)使用上述器材做实验时,电压表量程应选___________挡,电流表量程应选__________挡。
5)闭合开关,灯泡较暗,为了测出灯泡的额定功率应向______(选填”)端移动滑片P,使电压表示数为_______V
【例2】测量小灯泡的电功率实验中,同学们用电压表、电流表、开关、电压为4.5 V的电源、额定电压为3.8 V的小灯泡和标有“20 Ω 1.5 A”的滑动变阻器,设计了如图甲所示的电路图(小灯泡的灯丝电阻约为10 Ω)

55ab78bd849b47681ab4855014c5ae3a.jpg
(1)请你按图甲的电路图,在图乙的实物电路中,用笔画线代替导线,将电流表正确连入电路(连线不得交叉)
(2)若电流表正确接入图乙电路,闭合开关前,某同学发现电路有一处错误,这个错误是______________________________。改正错误后,闭合开关,将变阻器滑片向右移动时,电流表示数变大,则变阻器接入电路的接线柱是______(选填“AD”“BC”)
(3)测量过程中,当电压表的示数为_______V时,小灯泡正常发光,此时电流表的示数如图丙所示,则小灯泡的额定功率为_______W
【变式1】小明在测定小灯泡的功率的实验中,电源是6V的蓄电池,小灯泡铭牌上标有“3.8V”字样,其额定功率约为1W

dbe80dd80760ade3bcb5cd4f93602ff8.jpg
1)请在图中的圆圈内正确填入电表符号,使实验电路图完整。
2)根据电路图连接实物图(要求滑动变阻器滑片向右移动时电压表示数增大)。
3)在连接电路前,开关要,正确连接后,闭合开关前滑动变阻器的滑片应移至端。
4)本实验若用干电池作为电源,至少应节新的干电池。

8b2f319080dfd97ad2e71dbbed9daf6a.jpg 精讲2焦耳定律
生活中常见的电饭锅、电烙铁、电熨斗、电暖器等用电器,在工作时将电能转化成了内#uid=2#能,这个现象叫做电流的热效应。在使用电熨斗时,电熨斗的温度非常高,但是与电熨斗连接的导线却不怎么热,这是什么原因呢?电流通过导体时产生的热量与什么因素有关?
根据生活经验我们猜想,电流通过导体产生的热量可能与导体的电阻、通过导体的电流和通电时间有关。要研究这些因素对产生热量的影响,必须用控制变量法进行研究。
重难点解读   如何设计实验探究影响产生热量的因素
电流通过导体产生的热量我们不能通过仪器进行直接测量,为了直接地体现电流通过导体产生热量的多少,我们采用如图的实验装置,两个透明容器中密封着等量的空气,U形管中液面高度的变化反映密闭空气温度的变化。U形管内液面高说明它对应容器内气体温度高,电阻丝产生的热量多。这使用了。(填实验方法)

a5369ffd0891a3596bc10f30379f54fc.jpg
重难点解读   控制电流不变,探究电阻对导体产生热量的多少
利用上述实验器材,分别在两个透明容器中接入510的电阻,将两个电阻串联起来(串联电路电流处处相等),通电一段时间后观察U形管内液面高度的变化。
通电一段时间后,10的电阻丝对应的U形管液面高,这说明该容器里的空气温度高,电阻丝产生的热量多。

eb4dbac0a8dccf65f3343d4951c63a96.jpg
重难点解读   控制电阻不变,探究电流对导体产生热量的多少
每个容器中电阻丝相同,在其中一个容器的外部,将一个电阻丝和这个容器内的电阻丝并联,则通过这两个容器中电阻丝的电流就不同了,左边容器中的电阻丝电流大,通电一段时间后观察U形管内液
面高度的变化。
通电一段时间后,左侧U形管液面高,这说明,左侧容器内电阻丝产生的热量多。
重难点解读   实验结论
通过导体的电流越大,导体的电阻越大,通电时间越长,导体产生的热量越多。
易错易混 理解电热的实质
电热的实质是电能的转化,电热既是电能转化为内能的过程,同时也是电流做功的过程,但是对于不同的用电器来说,在消耗相同的电能的情况下,电能转化为内能的多少是不同,比如电炉、电饭锅、电烙铁等用电器的主要作用就是把电能转化为内能,从而供人民利用,在不考虑能量损坏的情况下可以认为电能全部转化为了内能。但是对于电风扇、电冰箱、电视机、洗衣机等用电器,它们的主要目的不是将电能转为内能,这时电流的热效应就体现得不明显了。
考点1:电流的热效应
【例1】下列四种用电器中,利用电流热效应工作的是(     
A.洗衣机  B.电脑   C.电风扇 D.电饭锅
考点1:探究导体产生热量多少与什么因素有关
【例1】为了探究影响电热的因素,实验室准备透明容器,里面密封了空气,U形管中装有液体,与两个密封容器相连,两个密闭容中都有一段电阻丝(阻值不同)接在电路中,分别设计了图甲、乙所示的两个方案.

61a089b28f43ee9fbb9ab5a2e39b8ae2.jpg
1)这两个方案的共同点是通电一段时间后,通过观察来判断产生电热的多少;
2)甲方案探究的问题是在相同的情况下,产生的热量与的关系;
3)乙方案探究的问题是在相同的情况下,产生的热量与的关系;
4)通过以上探究说明通电电阻产生的热量与有关.
【例2】我们知道:电流通过导体时产生的热量,跟电流的平方成正比,跟导体的电阻成正比,跟通电时间成正比.这就是焦耳定律,用公式可表达为:Q=I2Rt.小明想通过实验验证这个规律中QR的关系,他设计了图(甲)、(乙)所示的两个实验,他的方法是用电阻丝给烧瓶中的煤油加热,然后观察插在煤油中的温度计示数,就可以对比电阻丝放热的多少.请你应用所学知识分析回答下列问题:

46f09f666ec9a7d9e5d42e7fe12242f3.jpg
1)他应该选用实验电路来完成他的验证实验(选填).
2)如果他采用实验电路(乙),已知两个电阻丝的电阻大小关系是R3R4,那么闭合开关后,经过相同的时间,温度计cd中示数变化较大的应该是
【变式1】小明利用如图所示的实验装置探究导体产生的热量与电阻大小的关系,甲瓶中铜丝的电阻比乙瓶中镍铬合金丝的电阻小。

0db2b488abbab6b8038574d79c3d014b.jpg
1)实验中煤油吸收热的多少是通过_______________来反映的(选填温度计示数加热时间),
这体现的研究物理问题的方法是______________
2)为了在较短的时间内达到明显的实验效果、小明选用煤油而不用水做实验,是因为煤油的比热容水的比热容。(选填大于小于
3) 为了使得实验的有效性,所以要使得甲、乙两瓶中的煤油_________________都相等。
4)通电一定时间后,乙瓶中的温度计示数升高的快,由此得出的实验结论是:在和通电时间相同时,越大,导体产生的热量越多。
效果验证
1.在图所示的各种家用电器中,利用电流热效应工作的是(     )
   
6d00fbace00a13f3b298f7de7b14bdd5.jpg
A.计算机显示器      B.电风扇       C.电热取暖器    D.抽油烟机
2.将规格都是220V 100W的一台电风扇、一台电视机和一把电烙铁分别接入家庭电路中,通电时间相同,下列说法正确的是(     )
A.三个用电器消耗的电能一样多 B.电风扇消耗的电能最多
C.电视机消耗的电能最多       D.电烙铁消耗的电能量最多
3.小岩利用电压表和电流表测量小灯泡的电功率。实验过程中,与小灯泡并联的电压表的示数如图甲所示,与小灯泡串联的电流表的示数如图乙所示,则电压表的示数为________V,电流表的示数为________A,此时所测量的小灯泡的电功率为________W。

c829fcc25c4d3005a1e1140b10ca23b8.jpg
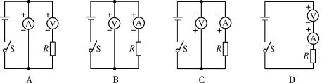
4.图中”“分别表示电表的正负接线柱,可以测量R消耗的电功率的电路图是(    )

7ffd791bfc99e4d01d524305c73da086.jpg
5.在测定小灯泡额定功率的实验中,当手移动变阻器滑片时,眼睛应观察(     )
A.灯泡的发光情况             B.变阻器滑片的位置
C.电压表的示数                D.电流表的示数
6.在测定小灯泡的电功率的实验中,某同学电路连接正确。闭合开关,灯泡发光,但无论怎样调节滑动变阻器,电压表的示数虽然有变化,却始终达不到灯泡的额定电压,其原因可能是(     )

e06e506af6f9489ba273de9ae260a72b.jpg A. 变阻器的电阻太大              
B.电压表的量程太大
C. 电源电压太低                  
D.电流表的量程太大
7.在测定小灯泡额定功率的实验中,小灯泡的额定电压为3.8 V,电阻丝为10 Ω,如图是某同学为做这个实验连好的电路,请指出图中存在的三个错误。

d64faaa5e8a114b5bc409fd131a02b09.jpg (1)_______________________;
(2)________________________;
(3)_______________________。
  • 用如图所示的实验装置探究“电流通过导体产生的热量与电阻的关系”。

627b3a001a8b48cd40cae86c356a53bc.jpg
(1)实验中通过观察_________来比较电流产生的热量的多少。
(2)为了便于比较两种电阻丝通过电流后产生热量的多少,甲、乙两瓶中要装入__________________、_______________的同种液体。
(3)为达到实验目的,两电阻丝的阻值相等(选填必须不能
(4)实验结论是
(5)该实验装置还可以研究通电时间一定时导体产生的热量与____________的关系。
9.在做电流通过导体时产生热量与什么因素有关的实验时,采用了如图所示的实验装置。两个透明的容器中密闭了等量的空气,U型管中液面的变化反映了密闭空气温度的变化。此实验是为了探究电流产生的热量与__________的关系,将此装置接到电源两端,通电一段时间后,电流在__________容器中产生的热量较多。在电路中串联一个滑动变阻器,再接入原电路,还可以探究电流产生热量与_________的关系。实验中用到的物理研究方法是控制变量法和__________。
课后作业
1.给以下四个电路通电,通过实验可以说明在电流、通电时间相同的情况下,电阻越大,电阻产生的热量越多的是(  )
A
bcbe6db098edaf7ac8048500a0f0c61e.jpg   B
1f28ac539ab73824e54e5e84b08f2c15.jpg   C
2979ab4031f4fadf836d9ab5372783bf.jpg   D
057932631a0ea78f3699d7206b0c9ef1.jpg
  • 如图是研究“电流通过导体产生的热量和什么因素有关”的实验,通电一段时间后,由现象可判断电阻     (选填“R1”或“R2”)产生的热量较多。实验中把R1和R2串联的作用是     。

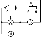
3.小雷想知道小灯的亮暗程度与什么因素有关,于是找来额定电流均小于0.6A、额定电压是2.5V的灯L1和额定电压是3.8V的灯L2,先后接在电源电压恒为6V的电路中,按照如图所示的电路开始探究。
1)请你用笔画线代替导线,根据图甲所示的电路图,将图乙所示实物图连接完整。
2)如图连接电路后,不能立即闭合开关,因为还必须
3)小雷完成上述步骤后,继续进行实验,测出灯L1的相关物理量,记录和计算结果如右表,可知L1的额定功率是W
4)小雷注意到灯L1的亮度变化是:第二次比第一次亮,第三次比第二次更亮。结合表中数据得出的结论是它的实际功率越,小灯泡越亮。
5)用L2替换L1重复上面的实验时,需要改变表的量程,发现灯L2的亮度变化规律与灯L1相似。
6)小雷在实验结束后与同学们讨论,有同学认为用上表中灯L13次电阻的平均值代表它的电阻更准确。这种说法错误的原因是小雷忽略了对灯丝电阻的影响。

681023357cd6dd6f0c5c0a2c4b821943.jpg
您需要登录后才可以回帖 登录 | 立即注册

本版积分规则

Archiver|手机版|小黑屋|5432教案网 ( 蜀ICP备2022024372号-1 |川公网安备51152402000101号 )|网站地图

GMT+8, 2026-4-6 14:56 , Processed in 1.431301 second(s), 32 queries .

Powered by Discuz! X3.5

© 2001-2026 Discuz! Team.

快速回复 返回顶部 返回列表