找回密码
 立即注册
搜索
查看: 1|回复: 0

21(九年级)串并联电路的电流、电压特点(学生版)(导学案3)

[复制链接]

2万

主题

224

回帖

14万

积分

管理员

积分
140057
发表于 9 小时前 | 显示全部楼层 |阅读模式
第4讲 串并联电路的电流、电压特点
精讲1 电流和电流表

1d2160da8e39e82734a99b297891296e.jpg
重难点解读   电流表的使用注意的几个问题

01175d46d13c9d1817e0692ecbe086df.jpg
    (1)使用电流表前首先要校零,同时明确电流表的量程和分度值。
    (2)电流表实质上相当于一根导线,若将电流表并联在被测电路两端,电流表会把被测电路短路,电路中电流会过大而容易损坏电流表或电源。
    (3)若能预先估计被测电流的大小,根据估计的电流大小,选择合适量程的电流表。若不能估计被测电流的大小,采用大量程“试触法”选择合适的量程。
(4)在不超过量程的前提下,选用小量程测得的电流值要比选用大量程测得的电流值准确,这是因为小量程的分度值小,精确度高。
易错易混 电流表的读数
学生实验中常用的电流表有两个量程,读数时如果不看接线柱的选择而直接按照大量程或小量程读数,就会将示数读错;在选择0~0.6 A量程时,每小格代表0.02 A,很多同学错误地按照0.01 A读数。
巩固练习
考点1:电流的强度
【例1】手电筒中电流约为200 mA=______A=_____μA;雷电电流可达105 A=_____mA=_____μA。若10s内测得某段导体中通过的电荷量为10库伦,则通过该段导体的电流强度为A。
【变式1】“0.15 A”基本可能是下列哪个用电器工作时的电流(     )
A.家用电冰箱      B.家用空调器      C.普通计算器      D.普通的白炽灯
考点2:电流表的连接
【例1】甲、乙、丙三位同学在做“用电流表测电流”的分组实验中,闭合开关前,他们的电流表指针均指在零刻度处。当闭合开关试触时,发现电流表指针摆动分别出现了如图甲、乙、丙所示的三种情况。请分析他们在电流表的使用上分别存在什么问题,并写在下面的横线上。

cbeeffd0ff4b5070535e965d9b09d0c9.jpg
(1)甲同学的问题:
(2)乙同学的问题:
(3)丙同学的问题:
【变式1】如图所示,用电流表测灯L1中的电流的四幅电路图中,正确的是(     )

ca44cffbd247250b3f550c9ebbb0e2fa.jpg
【变式2】如图所示的电路中,闭合开关S1、S2后(     )
A.小灯泡正常发光      B.电流表A1示数几乎为零
C.电流表A2示数很大    D.电流表A1会被烧坏

ba3d8857b3bb26a92f8f30df3471cee8.jpg 考点3:电流表的读数
【例1】电流表读数如图所示,则电流表的示数为。用电流表测电流时,某同学接入电路的是0~0.6A的量程,却在0~3A的量程中读成2.4A,则实际测得的电流应是______A。
【变式1】某电流表有两个量程,只知道大量程是0~9 A,小量程数字看不清。兰兰同学为了探究电流表的小量程是多少,她先用大量程测一较小的电流,其示数如图甲所示,再改用小量程测同一电流,指针指在图乙的位置。则:(1)她测得的电流值是____A;(2)电流表的小量程为0~____A。

f5b92c6504d108a4c858e7b569884142.jpg
精讲2 电压和电压表

14f449f6bf59c8501c9b7d6e4af04084.jpg
重难点解读   电流表和电压表
电流表
电压表



不同点
符号


连接
串联
并联
直接连接电源
不能

量 程
0.6A 3A
3V  15V
内阻
很小,几乎为零,相当于短路
很大,相当于开路
相同点
调零;读数时看清量程和每大(小)格;正接线柱流入,负接线柱流出;不能超过最大测量值。
易错易混   常见的电压值
一节干电池电压:1.5伏; 家庭电路的电压:220伏; 对人体安全的电压:不高于36伏
易错易混 电压与电流的关系
电压是形成电流的原因,但电路中有电源不一定会产生电流,因为电源的作用只是给用电器两端提供电压,要形成电流,电路还需处于通路状态,即电路中产生电流必须满足两个条件:一是有电源提供电压,二是电路处于通路状态。
巩固练习
考点1】电流与电压的关系
【例1】下面关于电压的说法不正确的是(     )
A.某段导体中有电流时,在这段导体的两端一定有电
B.在一段电路的两端如果有电压,在这段电路中就可能有电流
C.电压是产生电流的原因,在电路的两端如果没有电压,电路中就没有电
D.若某段导体中没有电流,则这段导体的两端没有电压
【例2】下列关于电压的说法不正确的是(     )
A.电压是形成电流的原因                   B.电源是提供电压的装置
C.电路中有电流,则电路两端一定有电压     D.电路两端有电压,则电路中一定有电流
考点2】电压表的连接
【例1】如图下列各图中测量L1电压的电路,正确的是(     )

30da459b0e49e58687e9d287c5096d6e.jpg
【变式1】如图所示电路,各电路元件完好,当闭合开关S,出现的现象是(     )
  • 电流表烧坏               
B.电流表有示数,灯亮
C.电压表示数为0            
D.电流表无示数,灯不亮
考点2】电压表的示数
【例1】某同学用两个量程的电压表(03V和015V)测两节干电池串联组成的电池组的电压时,记录的数据是10V。他出现错误的原因是 ____________________,实际电压应是________。

8de2bbe9373d3bb02ceb04b8474ed8f8.jpg
【变式1】(1)图1所示是常用的电压表。当使用“一”、“3”两个接线柱时,量程为V,它的读数是;当使用“一”、“15”两个接线柱时,它的读数是
精讲3 探究串并联电路中的电流电压特点

1a72c0ca06b912d4a93880b67b78a0f4.jpg
重难点解读   探究电流、电压规律实验的主注意事项
(1)连接电路时,开关应断开;
(2)电流表应串联在被测电路中,电压表应与被测部分并联;
(3)电流表、电压表正负接线柱要连接正确;
(4)连好电路后,应先用开关试触,观察电流表、电压表的指针偏转情况,确认连接无误后,再闭
合开关;
(5)读数后,应立即断开开关;
(6)重新选取规格不同的灯泡进行多次实验,可使实验结论更具普遍性。
易错易混   简化含电压表、电流表的电路
    简单直观的电路,我们可以根据电流表、电压表的连接直接判断电表的测量对象,而对于较为复杂的含电表的电路,可以先将电表“删除”来简化电路,电流表看作导线,电压表看作断路,判断用电器的串并联情况,再根据电表的连接特点来判断电表的测量对象。
巩固练习
考点1:电表的测量对象
【例1】指出下列电路图中电流表的测量对象并写出各电表示数之间的关系。

cacab85c02c44877cf822347cb2883e3.jpg

6758126026c247119bfaeef1bee2061a.jpg
考点2:串并联电路中的电流特点
【例1】国庆节即将来临,为烘托节日气氛,同学们买来了一串小彩灯,共有50只小灯泡串联在一起,接在电源上,电工师傅用电流表测得电源插头处的电流是200 mA,那么通过第10只灯泡的电流为________A,通过第50只灯泡的电流为________A,你的根据是
【变式1】小明要研究串联电路的电流特点,连接了如图电路,闭合开关后,测出甲、乙、丙三处的电流,则这三处的电流大小关系是

515a014bc4ec552a2019e6b6ade60743.jpg

493dfbb14169132ee8d2396570aeec64.jpg 【变式2】如图所示,开关闭合时电流表的示数为0.3A,若通过Ll的电流为I1,通过L2的电流为I2,则(     )
A.I1=I2=0.15A      B.Il+I2=0.6A     C.I1=I2=0.3A      D.Il=0.3A,I2=0A
【变式3】A导线比B导线直径大,那么通过A处的电流I1和通过B处的电流I2的大小关系是(     )

04a7a792b9120340762d1558dc9fae1a.jpg
A.I1< I2        B.I1> I2          C.I1= I2           D.无法确定
【例2】如图所示电路,电流表A1的示数是3安,电流表A的示数是5安,则灯L2中通过的电流是

712c5338bfa0fb71d7dfff07085d82bd.jpg
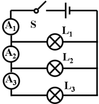
【变式1】如图所示,S闭合后,A1的示数是0.1A,A2的示数为A1的4倍,则A3的示数为。若某时刻,L1的灯丝烧断,则A1的示数是,A2的示数是,A3的示数是

5a65fe82a8259832679a134d8c54c2a6.jpg
考点3:串并联电路中的电压特点
【例1】某新型手电筒由一节电池、开关和三粒相同的LED灯珠连接而成,工作时每粒灯珠都正常发光。为探究三粒灯珠的连接方式,小明从正在发光的手电筒中取下其中一粒灯珠,发现另外两粒灯珠不亮,则手电筒中三粒灯珠是____联的,手电筒正常工作时通过三粒灯珠的电流_______(选填“相等”或“不相等”),手电筒电池的电压为_______,每粒灯珠两端的电压为
【变式1】小明同学想得到一个6 V的电源,他应采用的方法是(     )
A.将3节干电池并联                  B.将3个铅蓄电池并联
C.将4节干电池串联                  D.将4个铅蓄电池并联
考点4:串并联电路中的电流电压计算
【例1】如图所示的电路中,三个电流表的示数分别I1I2I3,则它们的关系一定成立的是(     )

619869d508151c51a2b46112378a8c20.jpg
A.I1=I2=I3     B.I1<I2<I3       C.I1=I2+I3    D.I1>I2>I3
【变式1】如图所示的电路中,通过灯L1的电流为0.2A,通过灯L2的电流为0.3A,通过灯L3的电流为0.4A,用I1、I2、I3分别表电流表A1、A2、A3的示数,则I1=A,I2=A,I3=A。

004e23b57f30b35edf943dedfc085650.jpg
【变式2】在“用电流表测电流”的实验中,某同学接成如图(a)所示的电路。当开关闭合后,两灯都发光,两个电流表的指针所指位置均为图(b)所示,则通过灯L1的电流为A,通过灯L2的电流为A。

9d3b5659de114da35b266fe495d278e5.jpg
b64a208e96a0138eee7c82bafaa6f1fe.jpg
【例2】如图所示,电源的电压为6 V,开关S闭合后,电压表的示数是2 V,则(     )
  • L1两端的电压是2 V           
B.L1两端的电压是6 V
C.L2两端的电压是4 V           
D.L2两端的电压是2 V
【变式1】如图所示,当开关S闭合时V1、V2、V3的示数分别是20 V、15 V和7 V,求电灯L2两端的电压。

2238e4cec5496ac954ab7a9df3242c4d.jpg
【变式3】灯L1与L2并联后接在一电源上,发现灯L1比灯L2亮,则灯L1与灯L2两端电压相比,下列说法中正确的是(     )
A.灯L1两端的电压大                B.灯L2两端的电压大
C.灯L1与灯L2两端的电压一样大      D.无法确定谁的电压大
考点5:电表的识别
【例1】如图所示,现要用电流表测量L中的电流,用电压表测量L两端的电压,请在图中圆圈内标明哪一个是电流表,哪一个是电压表,并标明电表的正负接线柱。

439b6e0e701f82e6ccce4de04bbe567f.jpg
【变式1】如图所示的电路中,欲使开关闭合后,两个灯泡能同时发光,应在图中甲、乙两处连入的元件是(  )

d0b05f9f6b47734a532a2c9dcefcf1ef.jpg A.甲是电压表,乙是电流表
B.甲是电池组,乙是电流表
C.甲是电压表,乙是电池组
D.甲是电流表,乙是电池组
课后作业
考点1 探究串联电路中的电流特点
1.如图甲是“探究串联电路电流特点”的实验电路图。

054f9fd5f1042d5db0554e82b2322459.jpg
42e963c8e7253d9595d821e7ba99939a.jpg
(1)实验中,连入电路的电流表如图乙所示,此时使用的量程是 A,刻度盘上每个小格表示A。
(2)如表是某同学实验中的一组数据。上述表格所记录的数据中,明显错误的数值是点电流(此时电流表示数如图乙所示).请指出造成错误的原因是。排除错误后,根据实验数据可得出的结论为
考点2 探究并联电路中的电流特点
2.小华同学根据图甲所示的电路图,在图乙的实物图上用笔画出连线。在闭合开关后,电流表A1的示数如图丙所示,其读数为A,电流表A2的示数如图丁所示,其读数为A,则通过小灯泡L1、L2的电流分别是A、A

ba8880848e023b6411d82c4a8d316214.jpg
考点3 探究串联电路中的电压特点
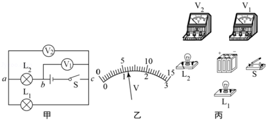
3.小刚和小丽用如图所示的器材探究串联电路的电压关系:

b66177d1ab2dd945c0120792da33e748.jpg
(1)根据电路图,请用笔画线代替导线,连接图乙中的实物图;
(2)小刚用电压表测量L1两端的电压时,直接选用0~3V的量程,小丽说这样不行,规范的操作方法是先用进行试触,如果试触结果不超过3V,再改用小量程测量;
(3)在测L2两端的电压时,小丽同学为了节省实验时间,采用以下方法:电压表所接的B接点不动,只断开A接点,并改接到C接点上,这样做(选填“正确”或“不正确”),原因是
(4)同学们排除故障后继续实验,得出了下表所示的一组数据,接下来他们还应当
A.更换电压表的量程重做实验
B.改变两个小灯泡的规格重做实验

32ce5eabc0bb453dc30165f0224a758d.jpg
(5)小刚接下来又按正确的方法测出了L1、L2及AC间的电压分别为:U1=2.4V,U2=1.4V,可读出UAC=V。根据测量结果,在误差允许范围内你认为串联电路中用电器两端电压和电源电压的关系是
考点4 探究并联电路中的电压特点
4.为探究并联电路中电压的规律,实验室提供的器材有:干电池组(电压为3V)、电压表、多个小灯泡(规格相同)、开关、导线若干。

6e159e4ec96742ef9a573c073c8d83e3.jpg
(1)请用笔画线代替导线,在图甲中把电路连接完整,要求电压表测量灯L1两端的电压。
(2)电路连接正确后进行实验,某小组分别测出灯L1、L2两端的电压和并联电路的总电压,电压表示数相同,如图乙所示,其值为2.6V.根据这组数据,该小组得出了并联电路中电压的规律。你认为实验的疏漏之处是。纠正后得到并联电路中的电压规律为
考点5 利用串并联电路中的电流、电压规律计算
5.如图所示,若开关S闭合后,电流表A1,A2,A3的示数分别为2.9A,1.8A和0.6A,请计算通过灯泡L1,L2,L3的电流分别是多少?

bd43c647fe731c490674835cd1bc67ef.jpg
6.如图所示的电路中,当闭合开关后,两个电压表指针偏转均如图乙所示,则
(1)电灯L1、L2两端的电压分别为多少。
(2)请根据图甲连接好图丙的实物图。
(3)如果突然灯L2烧坏了,那么灯L1还亮吗?(灯L1没有损坏),电压表V1、V2示数怎么变化。

741388930c9bc6d6cecf7ffe379da4a0.jpg
您需要登录后才可以回帖 登录 | 立即注册

本版积分规则

Archiver|手机版|小黑屋|5432教案网 ( 蜀ICP备2022024372号-1 |川公网安备51152402000101号 )|网站地图

GMT+8, 2026-4-6 14:56 , Processed in 0.777787 second(s), 31 queries .

Powered by Discuz! X3.5

© 2001-2026 Discuz! Team.

快速回复 返回顶部 返回列表