找回密码
 立即注册
搜索
查看: 1|回复: 0

19(九年级)欧姆定律(学生版)(导学案3)

[复制链接]

2万

主题

224

回帖

14万

积分

管理员

积分
140057
发表于 9 小时前 | 显示全部楼层 |阅读模式
第7讲 欧姆定律
精讲1 探究电流与电压、电阻的关系
1.影响电流大小的因素探究
闭合开关,若要使电路中的灯泡亮度改变,有什么办法?由此可猜想,电路中的电流大小,可能与什么因素有关?
猜想一:电路中的电流大小可能与电路中的有关;
猜想二:电路中的电流大小可能与电路中的有关。

a44b3eaf307d52082ffc57350042928d.jpg
根据以上猜想设计实验验证。

2.探究电流与电压的关系
由于电路中的电压、电阻都有可能影响到电流的大小,因此在探究电流与电压的关系时,必须保持哪个物理量不变?改变哪个物理量?如何实现这些操作?
根据实验得出的数据如下表,根据数据绘制U-I图像,并根据图像信息总结出结论。

b64d60e0cc2d37c7a59f9a8f8cdbc1b3.png

f854c91d5cf6b46773fc29a9ae364495.jpg
3f6f298f8e8a0a90c7ef6b6260d093f8.jpg
3.探究电流与电阻的关系
利用上述实验器材探究电流与电阻的关系,并说明控制变量和自变量以及如何进行操作。
根据实验得出的数据如下表,根据数据绘制U-I图像,并根据图像信息总结出结论。

f854c91d5cf6b46773fc29a9ae364495.jpg
3aada4e4e77472fca0ab979d265d84de.jpg
重难点解读   在理解电流跟电压、电阻的关系时应注意的四个问题。
1.通过导体的电流和导体两端的电压都是针对同一个导体而言的。
2.电流与电压之间存在着因果关系,电压是导体中产生电流的原因,因为导体两端加了电压,导体中才有电流,而不是导体中有了电流才在导体两端产生电压,所以,不能错误地说成电阻一定时,电压与电流成正比
3.电阻是导体本身的一种性质,导体的材料、长度、横截面积及温度不变时,导体的电阻是一个定值,与导体两端的电压及通过导体的电流无关。所以,不能错误地说成电压一定时,导体的电阻与通过它的电流成反比
4.在叙述电流与电压和电阻的关系时,一定要注意关系成立的前提条件:电流与电压成正比的前提是电阻一定,电流与电阻成反比的前提是电压一定。
易错易混 该实验中的滑动变阻器的作用
该实验中的滑动变阻器的作用主要有以下三个:
1.在闭合开关前,将滑动变阻器的阻值调到最大处,这样可以保护电路;
2.探究电流与电压之间的关系时,通过调节滑动变阻器的滑片,使定值电阻两端的电压发生变化;
3.探究电流与电阻之间的关系时,改变定值电阻后,通过调节滑动变阻器的滑片,保持定值电阻两端的电压不变。
巩固练习
考点1:实验探究
【例1】在探究电阻上的电流跟两端电压的关系的实验时,应选择的器材有:________________、变阻器R′(50 Ω 1.2 A)、电源(两节干电池)、定值电阻(5 Ω)、开关、导线,选用的电压表量程为
__________,电流表量程为__________A

6bc582f768cafc097efd9001ea46fca3.jpg
5821372ea4bff9bea8f4a9cee1b8a5d5.jpg
(1)根据图甲完成图乙的电路连接(导线不能交叉)
(2)在连接电路时开关应______。闭合开关前,应将变阻器的滑片置于最______(选填”)端,此处滑动变阻器作用是________________________

311f3cdc10706cb09ae8ebbd4bf5b8ae.jpg
(3)如图所示,闭合开关,向左移动变阻器滑片,电流表示数_________(选填变大”“不变变小”)
(4)调节滑动变阻器把测量的数据填入下表中,其中电流表示数为0.5 A时,电压表示数如图丙,其值为_______V
(5)按照表中的数据,在图丁中作出通过导体的电流与导体两端电压的关系图线。
(6)通过对数据的分析,可得到的结论是___________________________________________
【例2】在探究电流和电阻的关系实验中,应保持_________不变,调节滑动变阻器测出的实验数据如表,其中R为定值电阻,阻值分别为20Ω10ΩU是电阻两端电压,I是通过电阻R电流。实验过程中滑动变阻器的作用是,分析实验数据可以得出的结论是________________________________________

4ab8ed6fefca014c6655046e1a193138.jpg
考点2:电流与电压、电阻关系的理解和应用
【例1】小华同学在探究电流与电压的关系时,根据收集的数据画出如图所示的图象。下列结论与图象相符的是(     
  • 电阻一定时,电流与电压成正比   
B.电阻一定时,电压与电流成正比
C.电压一定时,电流与电阻成反比   
D.电压一定时,电阻与电流成反比
【例2】一导体连在某电路中,如果把加在这段导体两端的电压增加到原来的2倍,则导体的电阻和通过它的电流情况为(     
A.电阻和电流都不变             B.电阻不变,电流是原来的2
C.电阻和电流都变为原来的2倍    D.电阻减小为原来的一半,电流为原来的4
【变式1关于电流.电压.电阻的关系,下面说法正确的是     
A.在电压一定时,导体的电阻跟通过导体的电流成反比
B.在电阻一定时,导体两端的电压跟通过导体的电流正比
C.在电流一定时,导体两端的电压跟导体的电阻成正比
D.导体中的电流跟这段导体两端的电压成正比,跟这段导体的电阻成反比
精讲2 欧姆定律
根据以上两个实验得出结论:在同一电路中,通过某段导体的电流跟这段导体两端的电压成正比,
跟这段导体的电阻成反比,这就是著名的欧姆定律。
欧姆定律的标准表达式:                  
fa3be127721e7f5efe7011517141c735.png
公式中的物理量,I:电流,单位安培(A);
                U:电压,单位伏特(V);
                R:电阻,单位欧姆()。
重难点解读   在利用欧姆定律进行计算时应注意以下四点
    1.同一性:IR(U)中的电流、电压、电阻是指同一个导体或同一段电路中的三个量,三者要对应。
    2.同时性:在同一部分电路上,由于开关的闭合或断开以及滑动变阻器滑片位置的移动,都将引起电路的变化,从而导致电路中的电流、电压、电阻的变化,公式IR(U)中的三个物理量是同一时间的
值,不可将前后不同过程中的IUR随意混用。
    3.公式中的三个物理量,必须使用国际单位制中的基本单位,即I的单位是安培,U的单位是伏特,R的单位是欧姆。
4.要根据题意正确选用公式及进行公式的变形,在具体计算时,要写出必要的文字说明,正确书写公式或变形公式,代入数值或直接写出计算结果,不要忽略了单位。
易错易混 理解R=U/I时,将其物理意义与数学上的含义混淆
R=U/I仅是电阻的一个计算式,而不是决定式,不能错误地认为电阻与电压成正比,与电流成反比
巩固练习【例1关于根据欧姆定律表达式I=U/R,下列说法正确的是     
A.导体电阻越大,通过它电流一定小   
B.导体中电流与导体的电阻成正比
C.导体中电流与导体两端电压成正比   
D.导体电阻不变时,其两端电压增加几倍,电流也增加几
【例2】欧姆定律公式I=U/R的理解,下列说法中正确的是     
A.导体电阻不变,导体电阻与其两端电压成正比  
B.导体电阻不变,导体中电流与其两端电压正比
C.导体的电阻与通过该导体电流有关            
D.导体电阻与该导体两端电压有关
【变式1】关于公式 R=U/I的物理意义,下面说法中正确的是     
A.导体的电阻与它两端的电压成正比,和通过它的电流成反比
B.导体中通过的电流越大,则电阻越小
C.加在导体两端的电压越大,则电阻越大
D.导体的电阻与电流和电压大小无关,但数值上等于电压与电流的比值
考点2:欧姆定律的简单计算
【例1】某金属导体两端电压是6伏,通过它的电流是0.2安,该导体的电阻是欧。若加在它两端的电压增加到12伏,通过这个导体电流为安,电阻是欧。
【例2】一个定值电阻两端加6伏电压时,通过它的电流为0.3安,如果电压增大到18伏时,能否用量程为00.6安的电流表来测量通过它的电流?
精讲3 欧姆定律在串并联电路中的应用
观察右图电路,试把下表填写完整,并观察电路中电流、电压、电阻特点。

6c1f642f93420b8a11a8def7d1fd5fc3.jpg
28b41f938d39c514a89da021dd4b04c6.png
观察右图电路,试把下表填写完整,并观察电路中电流、电压、电阻特点。

9d3886af4f022163cd6463093bdd5b72.jpg
c7285eb7a41c134b5553172c2d3eb819.jpg
    串联电路中的特点是分压同流分压来分,越大,分得电压越;并联电路中的特点是分流同压,支路越大,该支路电流越
    n个电阻串联后的总电阻相当于增加了导体的,总电阻比任何一个分电阻n个电阻并联后相当于增加了导体的,总电阻比任何一个分电阻

巩固练习
考点1:串联电路的分压特点
【例1】一个25Ω的电阻与50Ω的电阻串联后接在电压是15V的电路中,通过它们的电流是安;如果把这两个电阻并联后接到同一电源上,通过这两个电阻的总电流是安;电阻R1=5ΩR2=10Ω,串联后接在电压为9V的电路中,通过R1中的电流是安,R2两端的电压是伏。
【变式1】两盏小灯泡串联后接在电压是12伏的电路中,已知灯L1的电阻是16欧,灯L2两端的电压是4伏,求通过灯L1的电流和灯L2的电阻各是多大?
【变式2】一小灯泡标有“2.4V  6Ω”若要把它接到12V电路中正常工作,应怎样接一个多大阻值的电阻?
考点2:并联电路中的分流特点
【例1】把阻值为2欧的电阻R1与阻值为5欧的电阻R2并联起来接在电源上,R1R2两端电压之比为;通过R1R2两个电阻的电流之比为;两个电阻并联在电源两端,其中R160欧,R240欧,通过R2的电流是0.3安,电源电压为,通过R1的电流为
【变式1】有三个相同的电阻串联后接在电源上,流过每个电阻的电流为 I,将这三个电阻并联后接在同一电源上,电源电压不变,流过每个电阻的电流为 I’,则 I∶I’等于(     )
A1∶3       B1∶9           C1∶6          D2∶3
考点3:利用电阻规格进行计算
【例1】两个定值电阻,甲标有“16Ω 1.5A”,乙标有“22Ω  0.5A”。现把它们串联起来,则该串联电路两端允许加的最高电压是_______
【变式1】把标有“10Ω 1A”“50Ω 0.5A”字样的滑动变阻器,并联接在某电路中,为了安全,电路两端所加的电压最大是多少?电路中总电流的最大值为多少?改为串联情况是否一样?通过计算证明。
【变式2】两只定值电阻,甲标有“10Ω  1A”,乙标有“15Ω  0.6A”,把它们串联在同一电路中,总电阻是Ω; 电路中允许通过的最大电流为A; 电路两端允许加的最大电压V
考点4:结合电荷量进行计
【例110秒内通过某导体横截面的电荷量为6库,通过该导体的电流为安,该导体两端的电压为6伏,该导体的电阻为欧。若将电压改变为18伏,使该电阻的电流不变,则需要(填串联并联)一个阻值为欧的电阻。
效果验证
1.对欧姆定律的理解,下列说法中错误的是     
A.对某一段导体来说,导体中的电流跟两端的电压成正比
B.在电压一定条件下,导体中的电流跟导体电阻成反比
C.导体中电流的大小由两端电压和电阻共同决定其大小
D.导体中电流跟两端电压和电阻无关
2.对欧姆定律的理解,下列说法中正确的是     
A.在电压一定条件下,导体电阻跟通过导体的电流成反比
B.在电流一定时,导体两端的电压跟导体的电阻成正比
C.导体中电流的大小由两端电压和电阻共同决定其大小
D.对某一段导体来说,导体两端电压跟通过导体的电流成正比
3.将欧姆定律的公式I=U/R,变形得到R=U/I,关于此式的物理意义,下面说法正确的是     
A.导体中通过的电流越大,则电阻越小
B.加在导体两端的电压越大,则电阻越大
C.导体电阻的大小与电压、电流都无关系,但可以利用电压和电流的比值进行计算
D.导体的电阻与它两端的电压成正比,与通过它的电流成反比
4.对欧姆定律的公式I=U/R的理解,下列说法中错误的是     
A.对某一段导体来说,导体中的电流与这段导体两端的电压成正比
B.在电压相等的条件下不同导体中的电流跟这段导体的电阻成反比
C.导体中的电流跟导体两端的电压,导体的电阻有关
D.导体中的电流跟导体两端电压,导体的电阻无关,因此U/R是一个恒量
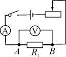
5.如图所示,保证AB间的电阻R1不变,通过移动滑动变阻器,分别使电压表的示数为3 V6 V12 V,这是为了研究(     

36912ce296861f389c89164c6868d67b.jpg A.电阻上的电流与电阻的关系
B.电阻上的电流与电阻两端的电压的关系
C.电阻的阻值与流过电阻的电流的关系
D.电阻两端的电压与电阻阻值的关系
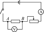
6.在做探究电流与电阻的关系实验中,小翔连接了如图所示的电路。他先在电路的AB间接入10 Ω电阻,移动变阻器的滑片,读出电压表与电流表的示数;记录数据后,改用15 Ω电阻替换10 Ω电阻,闭合开关,接下来他的实验操作应该是(     

e8d6212fca268dbb4de28caee1da0bac.jpg A.观察电压表,向右移动滑片,读取电流数据
B.观察电流表,向右移动滑片,读取电压数据
C.观察电压表,向左移动滑片,读取电流数据
D.观察电流表,向左移动滑片,读取电压数据
7.将10 Ω的电阻接在3 V的电源上,流过电阻的电流为I,若将30 Ω的电阻接在同样的电源上,流过此电阻的电流为(     
AI       B3I      CI/3      D2I/3
8.在某导体两端加3V电压时,通过该导体的电流为0.2A;在这个导体两端加6V的电压时,该导体的电阻等于____________W。当这个导体两端不加电压时,该导体的电阻为Ω
课后作业
考点1 探究电流与电压、电阻的关系
1.探究电流跟电压、电阻关系的过程中,某同学按如图所示的电路图连接实物。

46dab8d0798d92f5ef1090e15088960f.jpg
步骤1:保持定值电阻R的阻值不变,闭合开关S后,使R两端的电压成倍数变化,如2V4V6V,分别读出并记录对应于不同电压下的电流表示数,比较每次电流表的示数是否成整数倍的变化。
步骤2:保持每次定值电阻两端电压保持不变,换用不同的定值电阻,使电阻成整数倍的变化,如10Ω15Ω,分别读出并记录对应于不同阻值的电流表的示数,比较每次的电阻值与电流值的乘积是否相等。
1)请用笔画线代替导线帮他将电路连接好。要求滑片在最右端时滑动变阻器的阻值最大。
2步骤1”的设计目的是为了探究
3)当某同学在按步骤2”做时,先用一个“5Ω”的电阻,测得电流表示数为0.6A,当换“10Ω”的电阻来做时,发现电流表的示数不是0.3A电阻不随温度变化),你认为电流表的读数将会是(填大于小于0.3A,此时,应将滑动变阻器滑片移动,同时眼睛盯着电流表电压表)看。
4)步骤“2”的实验记录如表中可以得到的结论是

1fc426a70b845bb28e4914c8824d2b5c.jpg
5)与上述结论相对应的图象,正确的是

1f948e291f96331264d0bcdec9e426a9.jpg
c50850011b6d70f38f50f5c864d62e6d.jpg
考点2 欧姆定律
2.在如图的电路中,电源电压U保持不变,在甲、乙两处分别接入电压表,闭合开关S,测得UU=13;断开开关S,拆去电压表并在甲、乙两处分别接入电流表,此时II是(  )

9aeaf860bef9c98026afb85f5eb5aab6.jpg
A31      B11      C13      D43
考点3 欧姆定律的应用
3.两个分别标有“10Ω3V“20Ω4V的电阻,下列说法正确的是(  )
A.两个电阻串联,允许加在串联电路两端的最大电压是3V
B.两个电阻串联,允许加在串联电路两端的最大电压是7V
C.两个电阻并联,允许通过干路中的最大电流是0.45A
D.两个电阻并联,允许通过干路中的最大电流是0.5A
4.小强同学在探究串联电路电压规律的实验中,按右图连接好了电路,闭合开关S后,观察发现灯泡L1亮、L2不亮。调节变阻器滑片,灯泡L1的亮度发生变化,但灯泡L2始终不亮。出现这一现象的原因可能是(  )

033018c55dd402ae17ffb7eb2030395c.jpg
A.灯泡L2灯丝断了       B.滑动变阻器短路了
C.灯泡L2短路了         D.滑动变阻器接触不良
您需要登录后才可以回帖 登录 | 立即注册

本版积分规则

Archiver|手机版|小黑屋|5432教案网 ( 蜀ICP备2022024372号-1 |川公网安备51152402000101号 )|网站地图

GMT+8, 2026-4-6 14:55 , Processed in 0.752415 second(s), 31 queries .

Powered by Discuz! X3.5

© 2001-2026 Discuz! Team.

快速回复 返回顶部 返回列表