找回密码
 立即注册
搜索
查看: 25|回复: 0

[人教版] 12(九年级)家庭电路(教师版)(导学案3)

[复制链接]

4万

主题

224

回帖

19万

积分

管理员

积分
192579
发表于 2026-4-6 04:59:11 | 显示全部楼层 |阅读模式
第14讲 家庭电路
仔细观察自己家里的电路,说一说家庭电路都是由哪些电路元件组成的?

79c3d2c3b6d65beaa81812dad8a76696.png   
重难点解读   家庭电路的连接方式及作用                 
进户线是室外引入市内的导线,有两根,一根是火线,另一根是零线;
电能表接在干路上用来计量用户消耗电能的多少;

9c7ea1a452eb01235fdd7cc1676f8489.jpg
总开关用来控制总电路的通或断;
保险盒里面有保险丝,在总电流过大时,保险丝熔断自动切断电路,从而起到保护电路的作用;
电灯和其他用电器都是并联的,各个插座之间也是并联的。接大功率用电器的插座,需单独安装保险丝时,保险丝安装在火线上;
开关可以控制各个支路的通断,开关应和被控制的用电器串联,必须接在火线上;
插座有两空插座和三孔插座,为用电器供电。

ba34b6fa81153162c6eafd2cc2942f37.png

b8af8bfb6ffd1661136cb5e2e5f1ff6f.png
易错易混 正确使用试电笔
试电笔主要由金属笔卡、电阻、氖管和金属笔尖及部分组成,使用使手指要接触金属笔卡,若笔尖接触火线,则氖管发光,笔尖接触零线,则氖管不发光。
工作原理:若被测导线是火线,电流流经笔尖、高电阻、氖管、弹簧,再经过人地、大地,流到零线,构成闭合回路,氖管就会发光;如果笔尖接触的是零线则不会构成闭合回路,氖管不会发光。由于试电笔中的电阻是一个阻值为1以上的电阻,当测试电压为220v时电路中的电流约为0.2mA,加上人体自身的电阻,电路中的电流就更小了,所以人正确使用试电笔时是不会触电的。
易错易混 漏电保护器和空气开关
漏电保护器:如果站在地上的人不小心接触了火线,电流经过人体流入大地,这时总开关上的漏电保护器会迅速切断电路,对人体起到保护作用。简单来说,当漏电保护器检测到火线、零线的电流不一致时就会起作用。
空气开关:当电流过大时,空气开关就会切断电路(跳闸),其作用相当于保险丝解决问题后,重新闭合开关就可以,不需要更换保险丝。
易错易混 保险装置中只安装一根保险丝
火线和零线的保险装置中,只有火线上安装保险丝。如果火线和零线都装上保险丝,当用电器功率过大时,由于保险丝本身的差异,可能零线上的保险丝先熔断,此时电路虽然被切断了,但是插座仍与火线相通,插座的插头线头仍带电,一旦不慎与它接触就会发生触电。如果只在火线上接保险丝,一旦保险丝熔断,则插座就脱离了火线,这时再接触它,就不会有触电的危险。
易错易混 用电器金属外壳接地的原因
8a6c900d692226293a500c4ad336e0fa.jpg
家用电器的用电部分本来与金属外壳间是绝缘的,人体接触外壳没有危险,但如果内部火线绝缘皮破损或失去绝缘性能,导致火线与外壳接通,人体接触外壳就会触电。如果用接地导线将外壳与大地相连,人体即使接触外壳,也会被接地导线断路,电流不会经过人体而直接流走,人不会有触电的危险。
巩固练习
考点1 家庭电路的连接
【例1】请用笔画线表示导线,将如图中的电灯、开关和插座接入家庭电路中

0a3cd8daa9d173ea2254f184512d3a39.png
d6b6ebee2d4b446a969a0f270f135414.png
答案
【例2】家庭电路中,电冰箱与电视机是________(填写连接方式)的;家庭电路因短路或超负荷运行很容易引发火灾,为了避免此类事故的发生,家庭电路中必须安装;家用电器的金属外壳应该
答案:并联,保险丝,接地
【变式1】请用笔画线代替导线在图中连接家庭电路,要求开关控制螺口灯泡,三孔插座直接接入电路。

02f5cb475872f4ac6799f9cc85f8aa06.png
6bc4bebb7fbda1086cc28adf8780fbaa.png 答案
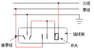
【变式2】如图,甲是插线板,请将乙图的内部电路连接完整.要求:在开关断开时插线板上的指示灯不发光,插孔不能提供工作电压;在开关闭合时指示灯发光,插孔可提供工作电压,若指示灯损坏,开关闭合时插孔也能提供工作电压.

d2d9ac8e041812c712f89f5c4e002301.png
2bb29b208f03df71600493459118734b.jpg
答案
考点2:试电笔的使用
【例1】如图所示,甲图是小明家卧室的一个插座,他用试电笔测试插座的A孔,氖管发光,则A孔接的是线;乙图是一个台灯的电路示意图,当把台灯接入电路时,为了安全,应将台灯插头的(选填CD)插脚接火线.

62ecab737f91108c9840cd4c98a4646e.jpg
答案火,D
【变式1】如图所示,是有关家庭用电中的几个实例,其中,对图中实例的描述正确的是(  

8914e8b4b1f944660655ae4f068a4a5d.png
9d773f710d2d949b555133c7dc966de0.png
  • 甲图中测电笔的使用方法是错误的      
B.乙图中电路的接法是正确的
C.丙图中有关家庭用电中电路的连接是错误的   
D.丁图中用湿手接触台灯的做法是正确的
答案A
【变式2】如图甲所示的两种使用测电笔的方法,正确的是.如图乙所示是两种硬导线与螺钉压按式接法(箭头方向表示拧紧螺钉的方向),其中不容易造成接触不良的是.如图丙所示,用电水壶烧水时,若不慎有水溅入旁边的插座里,可能导致电路,使空气开关跳闸.

29e54189fceef49cf2f0519b098a425d.png
答案:A,C,短路
考点3 家庭电路故障

9b3f57871c4910dd5b6ef91a80408098.jpg 【例1】如图所示,闭合开关S后,发现电灯L不亮,且保险丝没有熔断.某同学用试电笔测试灯头的两根电线C、D,发现这两处都能使试电笔的氖管发光,再用试电笔测试火线上的A和零线上的B时,氖管在测试火线上的A时能发光,在测试零线上的B时不能发光.那么可以判定故障是(  
  • 火线和零线短路        
B.电灯L短路
C.线BD段某处断路   
D.电线AC某处断路  
答案
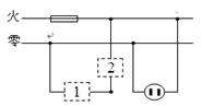
【变式1】小明同学想在家里安装一盏照明灯,如图所示是他设计的电路。图中虚线框1和2应连入开关和电灯,则开关应装在 2 方框中。当闭合开关S时,灯L闪亮一下后熄灭,而室内其它用电器仍正常工作,则灯处(填断路短路)。

a3d749c5eab503a06d5f0ec4677e8d19.jpg
答案2;断路
【变式2】家里某用电器发生短路,熔丝立即熔断,用下列方法进行检测,如图所示,断开所有用电器的开关,用一个普通的白炽灯L作为校验灯,与熔断的熔丝并联,然后只闭合S、S1,若L正常发光,说明L1只闭合S、S2,若L发出暗红色的光(发光不正常),说明L2。(选填正常短路断路)。通常人体安全电压不高于V,生活中要注意用电安全。

fb044287f1eaf4fc186abaaa7dc6ce69.jpg
答案 短路,正常,36
精讲2 家庭电路中电流过大的原因
家庭电路中电流过大的原因有两个,一个是电路中的总功率过大,另一个是家庭电路中发生了短路。
由电功率的计算公式P=UI可得I=P/U,而家庭电路中电压是定值(一般为220v),故电路中同时工作的用电器总功率越大,干路中的电流就越大。换用比较粗的电线可以减小输电线上的电能损耗、提高入户电压、避免电线电流过大引起火灾,同时也要更换标定电流更大的电能表。
家庭电路中由于装修电路时不细心,电线绝缘皮被刮破或用电器使用时间太久,绝缘皮破碎、老化等原因,使火线和零线直接连通,此时电路中的总电阻变得很小,电流会非常大,电线因发热过多而烧毁电线和其他设备,严重时会引起火灾。
重难点解读   保险丝的作用
保险丝与所保护的电路串联,当过大的电流通过时,保险丝会产生比较多的热量,当温度到达它的3熔点时,保险丝熔断自动切断电路,保护电路。保险丝一般由电阻率大、熔点低的铅锑合金制成。
当保险丝熔断后,排查故障后必须更换新的保险丝,不能用铜丝、铁丝等代替,因为铜丝、铁丝的熔点比较高,即使电路中电流过大,也很难熔断,不能达到保护电路的作用。
生活中更换保险丝比较麻烦,甚至有一定的危险,现在大部分家庭中都利用空气开关代替保险丝
巩固练习
【例1】在家庭电路中若发生以下三种情况:灯座里的两个线头相碰.开关里的两线头相碰.两孔插座中的两线头相碰,其中会引起电路中熔丝熔断的是
答案1,3
【变式1】家庭电路中有时会出现这样的现象:原来各用电器都正常工作,当把一个手机充电器的插头插入插座时,家里所有的用电器全部停止了工作,其原因可能是(   
A.插座的火线和零线原来就相接触     
B.插头插入这个插座时,导致火线和零线相接触形成短路
C.插头与这个插座接触不良形成了断路
D.同时工作的用电器过多,干路电流过大,保险开关跳闸
答案B
【变式2】下列现象不会引起家庭电路发生火灾的是(   
  • 用电器总功率过大      B.短路     
C.开关内两根线相碰     D.线路连接处接触不良
答案C
考点2 保险丝
【例1】家用保险丝是由电阻、熔点的铅锑合金制成。保险丝是 联在电路中。如果没有备用的保险丝,(填不能)用铜丝或铁丝代替保险丝。保险丝是利用工作的。更换保险丝时,一定要先电源。
答案:大,低,串,不能,电流的热效应,切断
【变式1】家庭电路中安装熔断器(其中安装熔丝,俗称保险丝),它的作用是(     
A.当电压过高时自动切断电路         
B.当发生触电时自动切断电路
C.当用电器发生漏电时自动切断电路   
D.当电路中电流过大时自动切断电路
答案D
精讲3 安全用电
人体是导体,当人体接触带电体,称为闭合电路中的一部分时,就会有电流通过人体,如果电流达到一定的数值,就会发生触电事故。人接触带电体的电压越大,通过人体的电流就会越大,对人体的伤害就越大甚至危机生命。
家庭电路的电压为220v,动力电路的电压为380v,通常人体的电阻约为104~105,皮肤湿润时人体的电阻约为103,安全电压为不高于36V
课外拓展:人体对电流的反应
0.6mA~1.5mA   手指开始感觉发麻
2mA~3mA   手指感受觉强烈发麻
5mA~7mA   手指肌肉感觉痉挛   手指感灼热和刺痛
8mA~10mA   手指关节与手掌感觉痛,手已难以脱离电源,但尚能摆脱电源   感灼热增加
20mA~25mA   手指感觉剧痛,迅速麻痹,不能摆脱电源,呼吸困难   灼热更增,手的肌肉开始痉挛
50mA~80mA   呼吸麻痹,心房开始震颤   强烈灼痛,手的肌肉痉挛,呼吸困难
90mA~100mA   呼吸麻痹,持续3s后或更长时间后,心脏麻痹或心房停止跳动   呼吸麻痹
重难点解读   常见的触电类型
低压触电:双线触电和单线触电

25127e871d35f3be3be8be744171274a.png 高压触电:高压电弧触电和跨步电压触电

9df6c4086d521432506f44008b35aa6b.png
bdd8d6da4b65ea680b96cc7a9aaaeb1d.png
  

重难点解读   安全用电原则
不接触低压带电体,不靠近高压带电体;
不弄湿用电器,不损坏绝缘层;
保险装置、插座、导线、家用电器达到使用寿命时应及时更换;
更换用电器、修理电路时要提前断开开关;
使用金属外壳额用电器一定要接地。
重难点解读   注意防雷
生活中的防雷措施:
雷雨天应该留在室内并关好门窗,在室外工作的人员应躲入建筑物内;
切勿接触天线、水管、铁丝网、金属门窗、建筑物外墙,远离电线等带电设备或其他类似金属装置;
尽量不使用电话和手机;
切勿站在山顶、楼顶上或接触导电性高的其他物体。
高大建筑和高压输电线路的防雷装置:

44af588fbb5bc0d81a6acfae2b12e89b.png
巩固练习
考点1 触电类型
【例1】下图四种情况中,人相对安全的是    

eafed2f73be654013459ec4fea8709f4.png
答案B  
【变式1】如图所示的电路中,A点是灯头(灯丝完好)接导线的螺丝,人用手接触电路中的A点且脚与大地连通。当电路的开关S断开时,他______触电;当电路中的开关S闭合时,他______触电

f96006b671ef5888410bcb3d6d5ee478.png
答案 会,不会
【例2】当你发现有人触电时,下列做法中正确的是(     
A.立即将触电人拉开      B.立刻用小刀或剪子将电线切断
C.立即用手将电线拉开     D.应立刻切断电源或用绝缘体将将电线挑开
答案D
【变式2】家庭电路触电事故都是人体直接或间接接触线造成的.带有金属外壳的家用电器.都要使用三孔插座,这样做的目的是为了让金属外壳与相连.某商店出售的一套电源插座和插头,请你从安全用电的角度说明,该电器产品不符合安全用电规则的地方是
答案火,大地,插头和插座没有连接接地导线
【例3】下列操作中,符合用电规范的是(   

f811459018eef22ae15dc270cb5e073d.png
A.甲图中,手握测电笔的金属杆判断插座中是否有电
B.乙图中,多个大功率用电器同时使用一个插座
C.丙图中,直接用湿手去拔插头
D.丁图中,有人触电无法切断电源时,立即用绝缘干木棍挑开电线
答案D
课后作业
  • 家庭电路进户的两条输电线中,正常情况下,零线和大地之间的电压是0,火线和零线之间的电压是         .用           可以判断哪条是火线
答案 220V,试电笔
  • 请将图中的电灯和控制电灯的开关、三孔插座正确接入家庭电路中.

e0199e869a82440ba6ab2a6526328062.png
6f3f14a117db4fc50734d90fcf7fe801.png
答案

684a3e6a195c12cf5e5ff9389f6eb769.jpg
ee7c768f8c7d5ecd2ad5a81196b00b1a.jpg
  • 小森家有两盏墙壁灯,由一个开关控制,其元件符号如图13所示,试连接电路图。

e8bf6971c5a5ffd0c5dd503f8dccc667.png
答案

23fdc77cf1f65472c8851bf883107200.jpg

  • 如图为某同学设计的部分家庭电路示意图,其中电器元件连接错误的是(     )

8748dc4c84acce536e12c2423b0ad9aa.jpg
A.空气开关   B.二孔插座   C.带开关的灯泡   D.三孔插座
答案C
  • 如图所示,是家庭电路的部分电路连接示意图,其中接线错误的是(       )

fb13b6d417e63ae67748ed676ff1e0b8.png
A.三孔插座    B.两孔插座    C.开关     D.电灯
答案D
  • 图甲所示为一个“一开三孔”开关(即一个开关和一个三孔插座连在一起),它连入电路如图乙所示。下列说法正确的是(      )
  • 灯和插座是串联的   
B.灯和插座是并联的
C.开关只控制插座   
D.开关同时控制灯和插座
答案B
  • 某同学在学习家庭电路时,安装了两盏额定电压均为220V的完好的白炽灯(甲和乙)和两个插座如图,如果两个插座均未连入家用电器,将电路中的开关全部闭合,保险丝未熔断,那么各用电器工作的情况是(       )
  • 甲、乙都正常工作         
B.只有乙正常工作  
C.甲、乙都不正常工作      
D.只有甲正常工作
答案 D
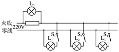
  • 如图是一条刚装好的家庭电路,在未装保险丝之前,先把灯泡L0接在装保险丝的两个接线柱上,当只闭合S1时,L0和L1发光都偏暗;当只闭合S2时,L0正常发光;当只闭合S3时,L0不发光,则下列判断正确的是(四只灯泡的额定电压均为220 V)(     )

535d9b9e57cef5fd3db445f8cfb0126e.jpg A.灯泡L1所在支路正常
B.灯泡 L2所在支路断路
C.灯泡L3所在支路短路   
D.装好保险丝,合上所有开关后,灯泡都能正常发光
答案 A
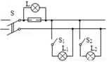
  • 如图是某家庭电路,闭合开关,灯不亮。用试电笔接触c点氖管不发光,接触d点氖管发光。已知该电路有两处故障,则下列判断正确的是(     )

d31bd3f7f2d60af5ce2860a31f584ee7.jpg A.ac间断路、bd间断路         
B.B、ac间断路、eb间断路
C.ac间断路、cd间短路         
D.eb间断路、cd间短路
答案B
  • 如图甲是家用插线板.在乙图画出插线板内部开关和两插座的连线,并接入家庭电路,要求:①插线板上的开关可同时控制两插座的通、断;②开关接通时两插座都能提供220 V电压.

d7474a0cdfe8042f946b7aa083ba239c.png
答案

dca62871f7282f545d892aaf65bfad0c.png
  • 如图所示,S1是光控开关,夜晚自动闭台,白天断开;S2是声控开关,有声音时自动闭合,安静时断开。请把图连接成声光控楼道节能照明电路。

0f6a1ce8bb7b863f9beaba619d761123.png
答案

aefa2fd21c75c085fe63a9cda6286986.png
  • 小明要将一个“一开三孔”开关(即一个开关和一个三孔插座连在一起)安装在新房里。图12甲为实物图,图乙为反面接线示意图,“A”“B”是从开关接线柱接出的两根导线,请你帮他将图乙中的电路连接完整, 使开关控制电灯,插座又方便其它电器使用.

ada71f531cb429a928b74b0bdae7d43d.png
答案

ba9617964a0c911dd1bae4bfad3462e7.png
您需要登录后才可以回帖 登录 | 立即注册

本版积分规则

Archiver|手机版|小黑屋|5432教案网 ( 蜀ICP备2022024372号-1 |川公网安备51152402000101号 )|网站地图

GMT+8, 2026-4-24 05:05 , Processed in 0.782381 second(s), 32 queries .

Powered by Discuz! X3.5

© 2001-2026 Discuz! Team.

快速回复 返回顶部 返回列表