找回密码
 立即注册
搜索
查看: 21|回复: 0

[人教版] 09(九年级)动态电路(学生版)(导学案3)

[复制链接]

4万

主题

224

回帖

19万

积分

管理员

积分
192579
发表于 2026-4-6 04:58:15 | 显示全部楼层 |阅读模式
第9讲 动态电路
精讲1 滑动变阻器引起的动态变化
在电学中,给出一个电路图以及电路中某处发生改变,会引起电路中电表示数变化,我们称之为
态电路。解答动态电路问题的步骤:
1.首先明确电流发生变化的原因;
2.明确电路的连接方式(电路是串联还是并联,电表测量的是哪部分电路的哪些物理量);
3.明确电路中的电阻变化,根据欧姆定律及串并电路中电流电压电阻关系,判断电表示数变化。
重难点解读   在串并联中的电表变化
1.在并联中,注意并联的各部分电压相等;
    电压表示数不变,测定值电阻的电流表示数不变;
    测滑动变阻器的电流表与电阻变化相反;
    测干路中的电流表与测滑动变阻器的电流表变化情况相同。
2.在串联电路中,注意串联的各部分电流相等;
    电流表与电阻的变化相反;
    测定值电阻的电压表与电流表变化相同;
    测滑动变阻器的电压表与电阻变化相同。
巩固练习
考点1:电表示数的变化判断
  • 试判断下列电路中,当滑动变阻器的滑片向右移动时,各电表如何变化?

d140a7a7d2cb031b378c5895b86fa9cf.png          
309962d69e6a1f582efdba08c9e626c3.png         
2bd560d9f3e32cc9982a6052263e0e8f.png
      
e6d82d00d7b6fbca1ea01c97ffbb2848.png      
aba106bde45f20c0d82198e5ad9d04d1.png         
3cb3605f33cb3cf852689ae9147b57b8.png

      
53ba698f6df5d67b0b875db631c08567.png       
f4df41038159fe0fbac9039e3195ae5e.png       
b7b9a5950af878c6d7853b9f5f23d772.png      
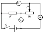
  • 如图所示,电源电压保持不变时,当滑动变阻器滑片P向右滑动过程中(     )
  • 电压表V示数变小   
B.电流表A1示数变大
C.电流表A2示数不变   
D.电流表A2示数变小
  • 电源电压保持不变,其中R0、R1为定值电阻,闭合开关,当把滑动变阻器的滑片从右端调到左端过程中,下列说法中正确的是(     )
  • 表A示数变小   
B.表V1示数变小  
C.表V2示数变小
DR0两端电压变小
  • 某同学设计了一个电子身高测量仪。下列四个电路中,R是定值电阻,R'是滑动变阻器,电源电压不变,滑片会随身高上下平移。能够实现身高越高,电压表示数越大的电路是(   )

566fc3eb84cf4f6c0e1151785ddd2015.jpg
考点2:传感器引起的变化
  • 如图是某种汽车质量测试仪(俗称地磅)的工作原理图,电源电压保持不变,压力传感器的电阻会随着受到的压力的增加而减小,汽车开上踏板,质量显示表的指针就会显示出待测汽车的质量.下列关于测试仪的说法正确的是(     )

a5a08de1620c1a110fc322f2ff47fe56.jpg A.作用在B点的力为动力,图中的ABO是一个省力杠杆  
B.质量显示表是用电压表改装而成的
C.汽车质量越大,电路中的电流越小               
D.质量显示表表盘上的刻度值越往右越大
考点3:动态电路的相关计算
  • 压力表是由电流表改装而成,定值电阻R2起保护电路作用,其电阻值为5Ω,弹簧一端的滑片P在电阻R1的最上端时不施加力,移动到最下端时施加的力最大(弹簧的电阻不计).该握力计测量范围为0~300N,电路中电流变化范围0.1~0.6A.则下列判断正确的是(     )

4082d65703b17e2deb6243bb0ee6f202.jpg A.握力300N时电路中电流为0.6A
B.握力计工作电路的电源电压为3V
CR1连入电路阻值变化范围030Ω
D通过R2的最小电流0.2A
  • 如图a是一个用电压表的示数反映温度变化的电路原理图,其中电源电压U=4.5V且保持不变,电压表量程为0~3V,R0是300Ω的定值电阻,R1是热敏电阻,其电阻随环境温度变化的关系如图b所示.若闭合开关S( )

c5fa12faca0cfbb46180434e12a6ae1e.jpg A.环境温度为40℃时,热敏电阻阻值是150Ω
B.电压表V示数越小,环境温度越高
C.电压表的最小示数是1.5V
D.此电路允许的最高环境温度为60℃
效果验证
  • 如图所示的电路,电源电压为12V不变,R1=8Ω,R2是最大阻值为60Ω的变阻器。求电压表和电流表的变化范围。(结果保留一位小数)

2ab52a05c3cf445dc57e93dddb50decb.jpg
  • 如图所示电路,电源电压U=4.5V且保持不变,电阻R1=5 Ω,变阻器R2的最大阻值为20Ω。电流表量程为0~0.6 A,电压表量程为0~3 V。为保护电表,滑动变阻器在电路中允许的取值范围是             。
精讲2 其他情况引起的动态变化
开关闭合断开引起的动态变化
电路中的某个开关闭合、断开时,电路的组成结构可能会发生变化,因此在判断时,必须把开关断开或闭合前后的电路图画出来作比较,比较变化前后电表的测量对象是否发生了变化。
电路故障引起的动态变化
当电路中发生短路、断路时也会引起电路的变化,此时发生短路、断路的电路元件就相当于开关,短时是开关闭合,断路时开关断开。
巩固练习
考点1:开关闭合断开引起的动态变化
  • 如图所示电路中,灯泡L1和L2是        联,当开关S断开时,电压表的示数将             ,电流表的示数将             .(选填“变大”、“变小”或“不变”)

5526e2cdfa5d7a3c1d4d92fb1f0a7f05.jpg
  • 如图,灯泡L1和L2是      联,开关S断开时,电压表的示数将       ;电流表的示数A1的示数将      ;A的示数将        (选填“变大”、“变小”或“不变”).

f2200115bb814b40145b214d7b5e2f81.jpg
  • 如图电路中开关均闭合时,灯L正常发光;若电源电压不变,当开关S2断开后,则(     )

623bd027fccbade62eb34172068b2daa.jpg A.L变亮,电流表示数增大        
B.L变亮,电流表示数减小
C.L的亮度不变,电流表示数增大  
D.L的亮度不变,电流表示数减小
考点2:电路故障引起的动态变化
  • 如图所示电路中,电源电压不变,闭合开关,电路正常工作,过一段时间,小灯泡发生断路,此时(    )

b3f727fc6e9b1adf95143d72b876d321.jpg A.电压表示数变大,电流表示数变小   
B.电压表示数变大,电流表示数变大
C.电压表示数变小,电流表示数变大   
D.电压表示数变小,电流表示数变小
考点3:相关计算
【例1】如图示,R1=4ΩR2=6Ω,求:
(1)S断开时,V读数是2.4V,电源电压是多少?
(2)S闭合时,A的读数。

12c45f75e74176558937504e5a0e8c72.jpg
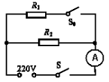
【变式1】在家庭电路中,某种电热饮水机有加热和保温两种工作状态(由机内温控开关S0自动控制),简化电路原理图。当SS0 闭合时,A表示数为3A;当S闭合,S0 断开时,A表示数为1A,求:电阻R1R2阻值。

82402e8b3797d2d5aa8cc96b0d59804c.jpg
效果验证
1.如图所示,是一种测定油箱内油量的装置,其中R是滑动变阻器的电阻片,滑动变阻器的滑片和滑杆相连,滑杆可绕固定轴O转动,另一端固定着一个浮子.说法正确的是(     )

1c08feac7628067c31cd12e3e2b80a99.jpg A.油量变少,电流表示数不变
B.油量越少,电流表示数越大
C.油量越多,电流表示数越小
D.油量越多,电流表示数越大
  • 如图所示的电路,电源电压恒定不变,闭合开关S,将滑动变阻器的滑片P向右移动的过程中,下列说法正确的是(假定灯泡的电阻不变)(     )

99f5bf7491f6db21d7978eea02fbfa13.jpg A.电流表示数变大                  
B.电压表示数变小
C.电压表和电流表示数的比值变大   
D.电压表和电流表的示数都变小
  • 在如图所示的电子压力计中,滑动变阻器滑片P与弹簧上端固定在一起,弹簧的压缩长度与受到的压力大小成正比,滑动变阻器PB段电阻为R1,当闭合开关S后(     )

f9cf1e4770c2da994aa03b0cd182962b.jpg A.电路中电流表的读数随压力的增大而增大
B.电路中电压表的读数随压力的增大而增大
C.滑动变阻器PB段R1 的阻值随压力增大而增大
D.把电压表改成压力计时表盘刻度均匀
  • 如图电源电压保持不变,闭合开关S后,将滑动变阻器R2滑片P向左滑动,下列说法正确的是(     )

fea5863284cd95358bc4c73456b72431.jpg A.电流表A的示数变小,电压表V1的示数变大
B.电流表A的示数变小,电压表V1的示数不变
C.电压表V1与电压表V2的示数之和不变
D.电压表V2与电流表A的示数之比不变
  • 如图所示,电源电压保持不变,闭合开关S,当滑动变阻器的滑片P向左移动时,电流表和 电压表示数怎样变化(     )  

45e4f6c707fe5e3ae90309ea2f069c51.jpg A.电压表示数变大,电流表示数变小
B.电压表示数变小,电流表示数变大
C.电压表示数变大,电流表示数变大
D.电压表示数变小,电流表示数变小
  • 二氧化锡传感器能用于汽车尾气中一氧化碳浓度的检测,它的原理是其中的电阻随一氧化碳浓度的增大而减小.将二氧化锡传感器接入如图所示的电路中,则当二氧化锡传感器所处空间中的一氧化碳浓度增大时,电压表示数U与电流表示数I发生变化,其中正确的是(    )
  • U变大,I变大
B.U变小,I变小
C.U变小,I变大
D.U变大,I变小
课后作业
  • 如图中的滑动变阻器R1的电阻变化范围是0~200Ω,电阻R2=300Ω,电源的电压是6V且保持不变。当滑动变阻器的滑片从a端滑到b端,电压表示数的变化是(    )
A6 V3.6 V     B6 V2.4 V     C6V0 V     D3.6 V2.4 V

43944642f3c5dc6eb0ea88513ee06e54.jpg
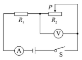
  • 如图所示的电路中,电源电压保持不变。闭合开关S,将滑动变阻器的滑片P向右移动时,下列说法正确的是(     )

821b3b514c6ca3c47867d461485885a3.jpg A.电流表A的示数变小,电压表V2的示数变大
B.电压表V1与电流表A的示数之比保持不变
C.电流表A的示数变小,电压表V1的示数变大
D.电压表V1与电压表V2的示数之和保持不变
  • 图所示的电路中,电源两端电压保持不变,当开关S闭合时,两盏灯L1和L2正常发光。如果将滑动变阻
器的滑片向右滑动,则下列说法中正确的是(    )
  • 灯L1变亮         
B.灯L2变暗
C.电压表的示数变小   
D.电压表的示数不变
  • 在如图所示的电路中,电源电压保持不变,当电键S由断开到闭合时,电路中(  )
A.电流表示数变小,电压表示数变小
B.电流表示数变小,电压表示数变大
C.电流表示数不变,电压表的示数变小
D.电流表示数不变,电压表示数变大
  • 如图所示的电路中,电源电压保持不变,开关闭合后,滑动变阻器的滑片P向左移动时,电表的示数变化情况是(  )

ad304bcf7ca3072bc77a723b25df75c1.jpg AA的示数变小,V的示数变大
BA的示数变大,V的示数变小
CA的示数变小,V的示数不变
DA的示数变大,V的示数变大
  • 矿泉水中含有人体所需的多种矿物质,导电能力较强。纯净水是用自来水经过多层过滤后得到的饮用水,矿物质含量较少,导电能力较差。小明根据它们导电能力不同这一特点,设计了如图所示的实验装置,M、N是相同的两根细长玻璃管,M内装满矿泉水,N内装满纯净水。先将单刀双掷开关S拨到1,则(  )

2b2e0215edbb36c443c8dfd7fe77cf14.jpg
A.将滑动变阻器的滑片P向右移动时,通过管M内的电流增大
B.将滑动变阻器的滑片P向右移动时,电压表的示数减小
C.保持滑动变阻器的滑片P位置不变,将开关S拨到2时,通过R的电流增大
D.保持滑动变阻器的滑片P位置不变,将开关S拨到2时,电压表示数减小
  • 物理兴趣小组利用学习过的知识和使用过的器材设计了一种“油量表”,用它来测量油箱内油面的高低,其原理结构如图所示。图中P和ab为金属片,R′为定值电阻。其中R′=24Ω,Rab的最大值为72Ω,电源电压为12V不变。问:
1)根据其原理图,油量表即我们学习使用过的表,按照题目条件和图甲的设计,其最大示数可以达到
2R′的主要作用是
3)有同学认为如图的设计有不足之处,请你分析油量表的示数随油量增加是如何变化的?

37066b0e78b18776882dd38891e231c2.jpg
您需要登录后才可以回帖 登录 | 立即注册

本版积分规则

Archiver|手机版|小黑屋|5432教案网 ( 蜀ICP备2022024372号-1 |川公网安备51152402000101号 )|网站地图

GMT+8, 2026-4-24 05:04 , Processed in 0.803516 second(s), 32 queries .

Powered by Discuz! X3.5

© 2001-2026 Discuz! Team.

快速回复 返回顶部 返回列表