找回密码
 立即注册
搜索
查看: 24|回复: 0

[人教版] 05(九年级)电与磁(一)(学生版)(导学案3)

[复制链接]

4万

主题

224

回帖

19万

积分

管理员

积分
192579
发表于 2026-4-6 04:57:16 | 显示全部楼层 |阅读模式
第15讲 电与磁(一)
精讲1 磁现象
传说,秦始皇命令文武百官上朝时,不允许任何人带刀剑,他修建的宫殿大门有种比较神奇的力
量,暗藏刀剑的刺客一到门口就会被吸住,你知道是什么原因吗?
有一类物质,能够吸引铁、钴、镍及含有这些物质的物体,这种现象叫磁现象,这一类物质称为磁体,磁体的这种性质叫磁性。磁体上不同部位的磁性强弱是不同的,我们把磁体吸引能力最强的两个部位叫做磁极,分别称为南极(s极)和北极(N极),磁极一般在磁体的两端。
与电荷的相互作用相类似,磁极间的相互作用规律为:同名磁极相互排斥,异名磁极相互吸引。
                        
a017d92af4b087ecabc30d7480d48092.jpg
重难点解读   磁化
一些物体在磁体或电流的作用下会获得磁性,这种现象叫做磁化。有的磁体被磁化后磁性能长期保存,称为永磁体或硬磁体,有的不能长期保持称为软磁体。
易错易混 判断物体是否具有磁性的方法
(1)根据磁体的吸铁性判断:将物体靠近铁类物质,若能够吸引铁类物质,说明该物体有磁性,否则没有磁性。
(2)根据物体是否有指向性:将物体用细线悬挂起来,若水平自由转动后静止时总是指南北方向,则说明该物体有磁性,否则没有磁性。
(3)利用磁极间相互作用的规律:让物体一端靠近小磁针的两极,若能和小磁针某一磁极相互排斥,和另一磁极相互吸引,则说明该物体有磁性,否则没有磁性。
(4)根据磁体的磁性强弱:磁体上磁性强弱分布是不同的,如条形磁体两端磁性最强,中间最弱,根据这一特点进行分析,验证方法多样。比如,取一无磁性的铁棒,将铁棒从待验物体的一端向另一端滑动,若在滑动过程中二者没有吸引现象,则说明待验物体没有磁性,若在滑动过程中,发现有吸引,且大小变化,则说明待验物体有磁性。

c054e130189628638c683442b4fd0cee.jpg         
d2c4f74749c3fc74c7dd84698f14ebff.jpg
巩固练习
考点1:判断物体是否具有磁性
【例1】两根完全相同的铁块A和B(其中一根为磁体),如图甲所示放置时,B被吸住掉不下来,如图乙
所示放置时,A不能被吸住而掉下来,磁现象说明A磁体,B磁体。(两空选填不是)。把钢条的一端移近小磁针,小磁针躲开,这表明钢条磁性(选填没有可能有
                       
b1132e67a4b799dc3cbc6aeca7cd9d23.jpg
【例2】橡皮泥具有很强的可塑性,深受小朋友们的喜爱。现在有一种爱吞磁铁的橡皮泥,把高强磁铁放在旁边,磁铁会被慢慢吞噬(如图所示)。磁铁会被吞噬的原因是(     )
  • 橡皮泥受到磁铁的压力     
B.橡皮泥有较强的粘连性
C.高强磁铁具有动能      
D.橡皮泥中含有磁性物质
精讲2 磁场
在磁体周围存在着一种特殊的物质,这种物理看不见,摸不着,但确确实实存在,这种物质叫做磁场。磁体对铁质物体的力的作用就是通过磁场发生的。虽然磁场看不见摸不着,但是我们可以通过它对其他物体的作用来认识它。
在磁体周围放一些小磁针,会发现这些小磁针的方向发生了改变;在磁体周围放大量的铁屑,磁体周围就会出现如图所示的现象。我们假想可以用用一些曲线来描述磁场的分布情况。

cb40d5a53206446390a014228f9eebad.jpg       
8cd8a03f50233620eeba29ad544fe03b.jpg       
e647aa6346da53fb0a207a721032d8c4.jpg
重难点解读   磁场及磁场的描述
磁体的周围存在磁场,它的基本性质是对放入磁场的磁体产生磁力的作用,它的方向跟小磁针静止时,北极所指方向一致。把小磁针在磁场中的排列情况,用一些带箭头的曲线画出来,可以方便、形象地描述磁场,这些曲线叫做磁感线。
   地球本身就是一个大磁场,地磁场的北极在地理南极附近,地磁场的南极在地理北极附近。由于地球磁场的作用,小磁针静止时总是指示南北方向。地磁南北极和地理南北极不是完全重合的,它们之间有一个夹角,叫磁偏角,最早由我国宋代学者沈括发现的。
易错易混 画磁感线时的注意事项
磁体周围有无数条磁感线,我们只需画出几条有代表性的即可,但两极磁感线条数要相同并对称;
磁场有强弱之分,因此在磁场强的地方要密一些,弱的地方要疏一些,注意每一条磁感线都需要用箭头标出方向。

b09df26d263728ce4229c1dafaf4d23b.jpg
巩固练习
考点1:磁场
【例1】下列关于磁场的说法,不正确的是(     )
  • 磁体周围存在着磁场                  
B.磁体间相互作用都是通过磁场发生的
C.磁场虽看不见,摸不着,但真实存在   
D.磁感线分布图中没有画出磁感线的区域就没有磁场
【例2】关于磁体、磁场和磁感线,以下说法中正确的是(     )
A.铜、铁和铝都能够被磁体所吸引
B.磁体之间的相互作用都是通过磁场发生的
C.磁感线是磁场中真实存在的曲线
D.物理学中,把小磁针静止时S极所指的方向规定为该点磁场的方向
考点2:磁感线
【例1】磁体旁的小磁针静止时的方向如图甲、乙所示,标出磁感线的方向和磁体N、S极。
           
3c20a701a4501c4632df9ddc8839ce63.jpg
【例2】在一个圆筒纸盒里有一条形磁铁,圆筒纸盒外放一些小磁针。如图所示,是各个小磁针的指向示意图,请你画出圆筒纸盒里条形磁体并标明NS极。

77a5f0effe5a711da707ccb002ad3366.jpg       
【变式1】如图所示,条形磁体和小磁针都处于静止状态,虚线表示条形磁体周围的一条磁感线。标出条形磁体的NS极和磁感线的方向.

df23557ce2e0e42f7f09041fa38b9a9b.jpg

精讲3 电生磁
1820年丹麦物理学家奥斯特偶然发现了通电导线的周围存在磁场,这一重大发现轰动了科学界。奥斯特的实验过程如图所示,当开关闭合,有电流通过导线时,直导线下面的小磁针就会发生偏转。当电流的方向改变时,小磁针偏转的方向也会改变。
         
7663e388e68f9532ba6f26dc9bf0103d.jpg
奥斯特发现通电直导线周围存在磁场后,科学家们又在想,若把直导线绕成螺旋状的,磁场会是怎么的?把直导线绕成螺线管,让它去吸引铁屑,会发现它的磁性比直导线的大大增强,根据它周围铁屑
的分别情况来推测它的磁场分布情况。当螺线管的电流方向改变时,通电螺线管的极性也会改变。

6ee576719070bd62f4f9efdff6d75b66.jpg         
36d94b3885ed89829d958e04104647a0.jpg
重难点解读   安培定则
伟大的物理学家安培通过实践找到了判断通电螺线管磁场方向的规律:用右手握住螺线管,让四指指向螺线管的电流方向,则拇指所指的那端就是螺线管的N极。

3d790a39bb1863a7dd229c31a8fa5345.jpg          
6acd05275b6a4950849af9f9073de88f.jpg
易错易混   通电螺线管和条形磁体的区
比较项
通电螺线管
条形磁体
相同点
磁场
NS两磁极位置相同,磁场分布相同,磁极间相互作用规律也相同
磁性
具有吸铁性、指向性
不同点
磁性
N极和S极随电流方向改变
属于永磁体且磁极不变
磁性是否变化
只有通电时才有磁性,且磁性强弱随电流大小变化
磁性不变
巩固练习

3bf802a3795c18457f893c00aa8b113b.jpg 【例1】如图,根据通电螺线管中电流方向判断极性。
【变式1】如图,通电螺线管周围的小磁针静止时,小磁针的指向不正确的是。                        
509c946ebf7cefa7abe8c7e9f332f603.jpg

00d3538a67e0d66bfd12def18e5cc2d9.jpg 【变式2】在图中标出磁感线的方向和小磁针的N极和S极。  
【变式3】在如图所示中,有条形磁铁和电磁铁,虚线表示磁感线,磁极甲、乙、丙、丁的极性依次是。     
                        
71ebb476ebb38218cae440a8247bdc25.jpg
【例2】如图所示,两通电螺线管在靠近时相互排斥,请在B图中标出通电螺线管的NS极,螺线管中电流的方向及电源的正负极。

ae1a26e05941cc58c75044f2e203cd49.jpg
【例3】根据图中小磁针静止时的指向,在图中左端标出通电螺线管的极性,并在图中画出通电螺线管的绕线。

dccd2a55d3a27f25f2fb1a954320847c.jpg

精讲4 电磁铁 电磁继
如图所示,我们把插入铁芯的通电螺线管称为电磁铁。我们可以用铁钉和导线做一个简易的电磁铁,这样的电磁铁可以吸引几个曲别针,而电磁起重机则可以吸引几吨的钢材,这两种电磁铁的磁性明
显不同,电磁铁的磁性强弱与电流大小和匝数有关系。
                        
8274228e1f83b4d5863cf9e1603bfe1a.jpg
重难点解读   电磁铁的优点
与永磁体相比,电磁铁具有如下优点:(1)电磁铁的磁性有无可以通过电流的通断来控制;(2)电磁铁的磁性强弱可以通过调节电路中的电流大小和线圈匝数来控制。
重难点解读   电磁铁的重要应用-电磁继电器
在我们的生活中,有不少自动化装置,如街道路灯,到晚上就自动发光,天亮了就自动熄灭。这些自动化装置往往都运用了一种装置叫电磁继电器。在生活中我们经常看到一些大型机器在工作,它们的电流可大几十安甚至上百安,如果直接由人操作开关是十分危险,这时我们就可以通过电磁继电器来操控,利用电磁继电器,可以用较低电压来控制高压电路的通断,实现安全操作,远距离操作。电磁继电器实质是利用电磁铁来控制工作电路的一种开关。
电磁继电器的应用可以概括为:
利用低电压、弱电流电路控制高电压、强电流电路;
实现远距离操作;
实现自动控制。                  
                        
d1be4b25612b5cd743a968dc75379ec9.jpg
巩固练习
考点1:电磁铁的磁性强弱
【例1】为了探究电磁铁的磁性强弱跟哪些因素有关,小勤所在的实验小组进行了如下实验:他们首先找了两颗大铁钉,用漆包线在上面绕制若干圈,做成简易电磁铁,然后分别按图接入电路。探究前,小
勤他们还作了以下的猜想:
    猜想A:电磁铁,顾名思义,通电时有磁性,断电时没有磁性;
    猜想B:通过的电流越大,磁性越强;
    猜想C:外形相同时,线圈的匝数越多,磁性越强。
探究过程如图所示。请你仔细观察这四幅图,然后完成下列填空。

8e93e6a7986cc7b249643d6ff262d280.jpg
(1)探究过程中通过观察来判断磁性的有无和强弱;
(2)比较图可以验证猜想A是正确的;
(3)比较图可以验证猜想B是正确的;
(4)通过图d中的实验现象可以验证猜想C是正确的;但仔细分析发现,猜想C的表述还不完整,还应补充条件
【变式1】A是悬挂在弹簧下的铁块,B是螺线管的铁芯,S是转换开关,P是滑动变阻器的滑片,要使弹簧的长度变成,可采取的方法是(    )

2d8dfbe4a4f3d9a64506d7b9247fe3d9.jpg A.不改变滑片P的位置,S由1改到2
B.S接1不变,将滑片P向右滑动
C.S接1不变,将滑片P向左滑动
D.S接1不变,将滑片P位置不变,将铁芯B抽出
考点2:电磁铁的应用
【例1】解释该电铃的工作原理。
                  
d7dba9344c5089ec883d59c3adc6a1cb.jpg
考点3:电磁继电器
【例1】如图所示为一种温度自动报警器的原理图,在水银温度计的顶端封入一段金属丝,当温度升高至时,灯亮,自动报警。
              
1fa170cbbeddb05cc3c620673feee3db.jpg
【例2】在图中所示的自动控制电路中,当控制电路的开关S闭合时,工作电路的情况是( )
  • 灯亮,电铃响     
B.灯亮,电铃不响   
C.灯不亮,电铃不响  
D.灯不亮,电铃响
【变式1】小敏在参观水库时,看到水库的水位自动报警器(如图所示).他分析了这个装置的工作原理:由于AB都是碳棒,当水位到达乙位置时,控制电路接通,电磁铁C产生,吸下衔铁D,此时工作电路灯发光,发出报警信号.

ac92974b6d485720ea657ae0bf402da1.jpg
【变式2】汽车发动机应用循环流动水进行冷却,是利用了水的_________较大的特性;如下图是汽车启动装置电路简图,当钥匙插入钥匙孔并转动时,电磁铁得到磁性.此时电磁铁上端为_________极,触点B与C_________(填接通断开),汽车启动。
            
0647231624be7d813ae7acdcde75bd97.jpg
【变式3】如图,是简单的火警自动报警装置所需的电路元件.其中,温控开关在温度升高到某值时自动闭合,常温时自动断开.要求:当发生火灾时红灯亮、电铃响,发出报警信号;正常情况下绿灯亮.请按上述要求,将图中元件连成一个火警报警器电路(a、b、c为三个接线柱).

f96f887d1422334af34c4521dbc34d41.jpg
【变式4】如图是利用太阳能给LED路灯供电的自动控制电路的原理示意图。其中,R是光敏电阻,光敏电阻的阻值R随光照强度的增强而减小。白天,通过太阳能电池板与蓄电池回路将太阳能转化为化学能储存在大容量蓄电池内。傍晚,当光照度小于一定值时,通过蓄电池与LED回路,路灯开始工作。请用笔画线将电路原理图连接完整,使工作电路能正常工作(与触点的接线只能接在静触点上,图中已给出静触点D、E、F、G的四根引线;连线不能交叉)

7c96ce1ed8927365cce9d3b084a53449.jpg    
【变式5】请连接图中的工作电路部分,使控制电路上S断开时甲灯亮,S合上时乙灯亮。

089638e5367d8f328d7593b3e5b84b7c.png
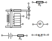
【变式6】超市里的自动扶梯,有乘客时运行较快,无乘客时为了节能运行较慢。利用电磁继电器可以设计这样的电路,请按照要求用笔画线代替导线将图丙中的控制电路和工作电路连接完整。其中R1是压敏电阻(受到压力时阻值小,不受压力时阻值大),R2是限流电阻(串联在电路中可减小电路中的电流)。

79743b21e4dd53dc15b6e310d987c17c.jpg   

课后作业
  • 关于磁场和磁感线,下列说法正确的是(     )
  • 磁感线是磁场中实际存在的曲线         
B.地磁场的南极在地理的南极附近
C.条形磁铁周围的磁感线是从南极出发指向北极的   
D.指南针指南北是因为地球周围存在磁场
2.如图所示,小车上放有一条形磁铁,右侧有一螺线管,闭合开关S,下列判断正确的是(   )

8242e068d8df8fe1f555d2029eb0a4a6.jpg A.通电螺线管的左端为 S
B.小车受到电磁铁斥力作用,向左运动
C.滑片P向右移动,电磁铁的磁性减弱
D.通电螺线管外 A 点的磁场方向向左
  • 小敏设计了一种“闯红灯违规模拟记录器”,拍摄机动车闯红灯时的情景,如图甲。工作原理:当光控开关接收到某种颜色光时,开关自动闭合,且当压敏电阻受到车的压力,它的阻值变化规律如图乙所示,当电流变化到一定值时,继电器的衔铁就被吸下;光控开关未受到该种光照射时自动断开,衔铁没有被吸引,工作电路中的指示灯发光。已知控制电路电压为6V,继电器线圈电阻10Ω,当控制电路中电流大于0.06A时,衔铁被吸引。下列说法中不正确的是(  )
A.要记录违规闯红灯的情景,光控开关应在接收到红光时,自动闭合
B.光控开关接收到绿光时,指示灯亮,电控照相机不工作
C.质量小于400kg的车辆违规时不会被拍照记录
D.要使质量较小的车闯红灯也能被拍下,可以在控制电路中串联一个电阻
4.如图所示,一张百元新钞票好像被一支笔戳通了。实际上这张新钞票依然完好无损,这里应用了磁现象的关知识。原来,这支笔的笔杆(纸币的下方)与笔头(纸币的上方)可以互相分离,笔杆与笔头相连的一端内部装有小磁铁,则笔头内的材料可能含有(选填塑料)。若想探究笔头内材料是否有磁性,现提供下列器材:小磁针、大头针、碎纸屑,其中可用来完成探究任务的有(填序号)。
                  
1fd3900c2da80064b6159f9d702a9a2c.jpg
5.磁体旁小磁针静止时所指的方向如图所示,画出通过小磁针中心的一条磁感线,并标出磁体的NS极。

f09cdb53af4a7aa2d3522fb91e9eaff1.jpg         
         
您需要登录后才可以回帖 登录 | 立即注册

本版积分规则

Archiver|手机版|小黑屋|5432教案网 ( 蜀ICP备2022024372号-1 |川公网安备51152402000101号 )|网站地图

GMT+8, 2026-4-24 05:04 , Processed in 0.739748 second(s), 32 queries .

Powered by Discuz! X3.5

© 2001-2026 Discuz! Team.

快速回复 返回顶部 返回列表