找回密码
 立即注册
搜索
查看: 29|回复: 0

[人教版] 08(九年级)伏安法测电阻(导学案1)

[复制链接]

4万

主题

224

回帖

19万

积分

管理员

积分
192579
发表于 2026-4-6 04:51:57 | 显示全部楼层 |阅读模式
             第1课时  伏安法测电阻                         
【学习目标】
1.知道使用电流表和电压表(伏安法)测量电阻的实验原理
2.会同时使用电流表和电压表测量导体的电阻
3.理解滑动变阻器在电路中的作用
4.了解灯丝电阻的特性。
【学习重点】利用电流表、电压表测量小灯泡的电阻
【学习难点】设计实验电路图和实验操作步骤
【预习检测】
1、 温故知新
欧姆定律的内容是:___________________________________;
用公式表示为:________________。
2、创设物理情境,科学探究
电流可以用电流表测量,电压可以用电压表测量。那么,用什么方法测量电阻呢?
【共同探究】
探究点一  伏安法测小灯泡的电阻及注意事项
1、实验原理:用伏安法测电阻由欧姆定律的变形公式可知,只要知道了导体两端的电压和通过它的电流就可以计算出它的电阻。这种方法叫作伏安法测电阻。其原理是__________。
2、实验电路图(在右边画出实验电路图)
3、实验器材:干电池、电流表、电压表、开关、小灯泡、滑动变阻器、导线等
4、实验步骤:设计实验
5、进行试验
  • 按电路图连接好电路。
移动滑动变阻器的滑片,使定值电阻两端的电压分别为2.5V、2V、1.5V,读出电流表的值,填入下表。
根据记录的数据算出三次电阻R。
电压U/V
2.5
2
1.5
电流I/A
电阻R/Ω

6、数据分析与处理:
(1)分析小灯泡的电阻可以看出,在不同的电压下,小灯泡的电阻是_________,电压越高时,电阻也越________,这与电阻是导体本身的一种性质,与电压,电流无关的说法是矛盾的,其实影响灯泡的电阻大小的根本因素是灯丝发光时的________,电压越高时,电流也越大,小灯泡的亮度也越高,即灯丝的电阻随着_______的升高而_______。(如果在改变电压,电流时能保持灯丝温度一定,则灯丝的电阻仍不会改变。)
(2)正是因为灯丝电阻在不同电压,电流下(实质是灯丝的温度不同)本身  就不同,所以,________(选填需要不需要)对不同情况下的电阻计算平均值,以得到灯丝更为准确的电阻值。
  (3)而对于定值电阻的测量,则为了减小试验的误差,需要进行多次测量,然后将各次测量的电阻求出平均值。
【拓展练习】
1.在上述实验中,如果将定值电阻换成小灯泡,用同样的方法测小灯泡的电阻。根据下表数据分析,回答以下问题;
数据序号
1
2
3
4
5
6
7
发光情况
明亮
不很亮
不亮
较暗
微光
熄灭
熄灭
电压(V
2.5
2.1
1.7
1.3
0.9
0.5
0.1
电流(A
0.28
0.26
0.24
0.21
0.19
0.16
0.05
算出电阻
8.9
1)根据表中数据,算出每次的小灯泡的电阻值;
2)从你计算出的小灯泡的电阻值中你能发现什么规律?你能分析出其中的原因吗?
3)如果将定值电阻换成小灯泡后,还能不能多次计算再取平均值?说说你的理由。
2.在伏安法测电阻的实验中,滑动变阻器不能起到的作用是(  )
   A.改变电路中的电流         B.改变被测电阻两端的电压
   C.改变被测电阻的阻值       D.保护电路
3.如图所示的电路,闭合开关前,滑动变阻器滑片放在 端闭合开关,当滑片向左移动时,电流表的示数(变大/变小/不变),电压表的示数(变大/变小/不变)。

03d4f2a0c5c877085090a4605536e123.png
  • 如图所示,电源电压为6伏特,R1=R2=30欧姆,当开关K断开时,电流表的读数是______安培;当开关K闭合时,电流表的读数是______安培。

8ba958d6e8ebdc8ec84d1c3b87857d91.png
5.如图所示的电路中,两个相同的小灯泡L1L2串联,当开关闭合时,一盏灯亮,一盏灯不亮,且电压表有示数,则电路发生的故障是(                  
   A.灯L1短路                B.灯L2短路                C.灯L1断路                D.灯L2断路

51b97bfd7ec4271703322b696b1eb5c2.png

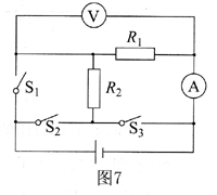
7f45bd2ac45df0134dfcff1f5fd9bed8.png 6.如图所示电路中,电源电压恒定。断开S1S3,闭合S2,两电表均有示数;再断开S2,如图所示电路中,电源电压恒定。断开S1S3,闭合S2,两电表均有示数;再断开S2,闭合S1S3,此时两电表的示数与前者相比(     )
A.两表示数均变大                 
  B.两表示数均变小
C.电流表示数变大,电压表示数变小  
D.电流表示数变小,电压表示数变大
8.小敏与小宇想测定电阻Rx的阻值。供选择的器材有:一个电源(电压不变.电压数值未知),一个已知电阻R0,电压表(最大量程大于电源电压),单刀双掷开关。小敏与小宇分别设计了如图乙所示的电路图。
1)为了测出Rx的阻值,应选择图(甲/乙)的电路图,如果选用另一张电路图,在实验中会出现的现象。2)小敏与小宇最终达成了一致,选用了正确的电路图进行测定电阻Rx阻值的实验。    (a)先将单刀双掷开关打到“1”上,记下电压表的示数为U1    (b)再将单刀双掷开关打到“2”上,记下电压表的示数为U2;请写出用测量的物理量计算Rx的表达式为Rx=
您需要登录后才可以回帖 登录 | 立即注册

本版积分规则

Archiver|手机版|小黑屋|5432教案网 ( 蜀ICP备2022024372号-1 |川公网安备51152402000101号 )|网站地图

GMT+8, 2026-4-24 05:05 , Processed in 0.863831 second(s), 31 queries .

Powered by Discuz! X3.5

© 2001-2026 Discuz! Team.

快速回复 返回顶部 返回列表