找回密码
 立即注册
搜索
查看: 22|回复: 0

[人教版] 18(九年级)特殊方法测量电功率(教案4)

[复制链接]

4万

主题

224

回帖

19万

积分

管理员

积分
192579
发表于 2026-4-6 04:40:06 | 显示全部楼层 |阅读模式
2课时特殊方法测量电功率
教学目标
知识要点
课标要求
1.伏阻法测量电功率
会设计电路,利用伏阻法测量小灯泡的电功率
2.安阻法测量电功率
会设计电路,利用安阻法测量小灯泡的电功率
3.电能表、秒表法测电功率
会用电能表、秒表测量家庭电路中用电器的电功率
新课引入
出示如图所示的电熨斗,我现在想知道这个用电器工作时的电功率,如何测量?利用上节伏安法进行测量,是否可以?同学们不知所措?从学生的迷惑中导入新课。

0e0d8812df09dab57844109e7fefe4b1.png
合作探究
探究点 伏阻法测量电功率
活动1:展示课件,出示实例:
一位同学想要测量额定电压为2.5V的小灯泡的额电功率,现有如下器材可供选用:电源(电压未知且不变)、滑动变阻器、定值电阻R0(阻值已知)、电压表各一个,三个单刀单掷开关、导线若干。
(1)请你设计实验电路图.(2)简要写出实验步骤(步骤中要明确写出实验中要测量的物理量)(3)用你所测得的物理量表示出小灯泡额定功率的表达式:___________________。
活动2:针对导课问题,让学生展开讨论,在没有电流表的条件下,如何测量出小灯泡的额电功率?设计出电路图。
同时出示课件,展示思路导引:
(1)没有电流表如何获取到通过小灯泡的电流?
(2)要想让定值电阻的电流能够替代小灯泡的电流,如何连接?
(3)如何实现小灯泡两端的电压为额定电压?
学生总结:
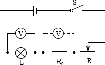
方案一:(1)利用伏阻法来测量灯的功率.用导线把小灯泡、定值电阻、滑动变阻器、开关、电源串联,电压表与灯炮并联。
           
ee9635126c89438f9a3117e4e2a601ba.png (2)①闭合开关,调节滑动变阻器的阻值使电压表的示数为U=2.5V.②断开开关,滑动变阻器的滑片位置不动,把电压表改测定值电阻的电压,闭合后,读出电压表的示数U′.
(3)电路中的电流I=<Object: word/embeddings/oleObject1.bin>,灯的额定功率P=UI=U• <Object: word/embeddings/oleObject2.bin>.
(2)电路图如图所示,首先闭合开关S、S2,移动滑动变阻器使电压表的示数为2.5V,然后再断开开关S2,闭合开关S1。保持滑动变阻器滑片位置不动,记下此时电压表的示数为U′,则通过小灯泡的电流为<Object: word/embeddings/oleObject3.bin>,所以小灯泡的额电功率为P=UI=2.5V <Object: word/embeddings/oleObject4.bin>=<Object: word/embeddings/oleObject5.bin>

c66cf53d7c5e19764298a0744b101e2d.png
探究点二  安阻法测量电功率
活动1:有了伏阻法的测量,师再进一步的拓宽延伸,在上述问题中,如果只提供电流表,又如何测量?学生讨论交流。设计出电路图,并分析出小灯泡额定电功率的表达式。
活动2:展示课件,出示例题:
一位同学想要测量额定电压为2.5V的小灯泡的额电功率,现有如下器材可供选用:电源(电压未知且不变)、滑动变阻器、定值电阻R0(阻值已知)、电流表各一个,三个单刀单掷开关、导线若干。
(1)请你设计实验电路图.(2)简要写出实验步骤(步骤中要明确写出实验中要测量的物理量)(3)用你所测得的物理量表示出小灯泡额定功率的表达式:___________________。
展示课件提示:
(1)如何获取到小灯泡两端的电压?
(2)要想让定值电阻的电流能够替代未知电阻的电压,小灯泡与定值电阻如何连接比较好?
(3)如何实现小灯泡两端的电压为额定电压?
学生总结:
方案一:如图所示的电路图,将开关闭合,移动滑动变阻器的滑片,使电流表的示数I′=<Object: word/embeddings/oleObject6.bin>;断开开关,保持滑动变阻器滑片不动,将电流表移至与小灯泡串联,闭合开关,记下此时电流表的示数为I,则小灯泡的额定功率为P=UI=<Object: word/embeddings/oleObject7.bin>

c7a4758d6508bbf316d2c8a202c541a9.png
方案二:①按图连接电路,闭合开关S1、S2,断开S3,调节R1使电流表示数I1=<Object: word/embeddings/oleObject8.bin>,并记录I1
②断开开关S2,闭合S3、S1,记录电流表示数I2.(2)本实验中,计算小灯泡额定功率的表达式P=2.5V×(I2-I1).

30cca61eb554b10bfffa246d61cd8d97.png
归纳总结:
(1)用伏安法测电功率时,无法直接测出小灯泡的额电功率,只能通过测出导体两端的电压和通过导体的电流,通过间接计算才能得出小灯泡的电功率,这就是间接测量法。
(2)在伏安法测电功率的实验中,若缺少一只电流表或缺少一只电压表,可用定值电阻来代替,这种方法叫等效替代法。
探究点三  电能表、秒表法测电功率
活动1:根据以上两种方案的实验测量,那么能否完成导课中电熨斗的电功率的测量?学生讨论、交流。阐明原因。
交流总结:不能,因为电熨斗是在家庭电路中工作,实验室提供的电压表或电流表不能够在家庭电路中使用。
活动2:如果给大家提供一个如图所示的电能表和秒表是否可以测量出来?学生根据老师提供的线索,交流、讨论。

1b109950c1306d536cb06927e3e5b5d9.png
归纳总结:首先根据电能表转盘转过的转数n计算消耗的电能,若电能表表盘标有Nr/kw·h,则转盘在时间t内转过n转消耗的电能<Object: word/embeddings/oleObject9.bin>kW·h;再根据公式P=<Object: word/embeddings/oleObject10.bin>计算出用电器的电功率为P=<Object: word/embeddings/oleObject11.bin>。
板书设计
2课时特殊法测电功率

ba50df0af097ac7f9cd25c30ffd3397b.png
教学反思
特殊法测量电功率是电学实验的一个难点,在授课的过程中,我首先让学生分析如何测量出家庭中电熨斗的电功率,学生之间开始思维碰撞,首先想到是伏安法是否可以,不可以怎么办?这样在学生的质疑、求知中导入新课,从中让学生也明确可以通过特殊方法来测量电功率。
在授课的过程中我充分利用对比法来拓宽知识,提出疑点,利用课件提示,给学生明确思路,让学生在讨论、分析的过程中有的放矢,有目的的进行探讨、设计。潜移默化的使得学生在突破一个个的难点,达到了教学目标。
您需要登录后才可以回帖 登录 | 立即注册

本版积分规则

Archiver|手机版|小黑屋|5432教案网 ( 蜀ICP备2022024372号-1 |川公网安备51152402000101号 )|网站地图

GMT+8, 2026-4-24 05:04 , Processed in 0.816625 second(s), 32 queries .

Powered by Discuz! X3.5

© 2001-2026 Discuz! Team.

快速回复 返回顶部 返回列表