找回密码
 立即注册
搜索
查看: 23|回复: 0

[人教版] 11(九年级)家庭电路中电流过大的原因(教案3)

[复制链接]

4万

主题

224

回帖

19万

积分

管理员

积分
192579
发表于 2026-4-6 04:32:52 | 显示全部楼层 |阅读模式
课时19.2 家庭电路中电流过大的原因
  • 知识点一:家用电器的总功率对家庭电路的影响
  • 家用电器总功率的计算:家庭电路中,家用电器的总功率等于各用电器的功率之和,即<Object: word/embeddings/oleObject1.bin>。
  • 家用电器的总功率对家庭电路的影响:根据电功率和电流、电压的关系式<Object: word/embeddings/oleObject2.bin>,可得<Object: word/embeddings/oleObject3.bin>。家庭电路的电压为220V,家庭电路中总功率P越大,干路中电流I越大,容易引起线路故障,甚至引起火灾等。可见,用电器的总功率过大时家庭电路电流过大的原因之一。

  • 家庭电路中避免电流过大的措施:一是如果家中要添置新的大功率用电器,例如电热水器、空调机等,要用<Object: word/embeddings/oleObject4.bin>计算一下它的电流,不要超过家庭供电线路和电能表所允许的电流最大值;二是即使每个用电器的功率不是很大,但同时使用的用电器过多,干路电流也可能超过安全值,因此,电路中同时使用的用电器不能太多,尤其是大功率用电器,非用不可时,也应尽量错开时间,交替使用。
  • 在用电高峰期时,灯泡会出现昏暗的情况,原因是:由于同时间接入电路的用电器增多,导致干路中的电流过大,根据欧姆定律的变形式<Object: word/embeddings/oleObject5.bin>可知,导线自身也有电阻,所以导线上损失了一定的电压,则各用电器两端的电压就不足正常工作时的电压,所以用电器就不能正常进行工作。

  • 功率过大

  • 发生短路
  • 家庭电路的故障问题
  • 家庭电路出现故障一般就是短路和断路两种情况。(1)发生短路的原因可能是电路中零线和火线相碰,短路可能造成开关跳闸,引发火灾。(2)发生断路的原因是火线和零线没有与用电器构成通路,用试电笔检查与用电器连接的接线时,如果接线接触氖管时均发光,则可能是零线断路了。
  • 知识点二:短路对家庭电路的影响
  • 家庭电路中如果发生了短路,电路的总电阻将会变得很小,由欧姆定律可知,此时干路中的电流会过大,装修电路时不小心,使火线和零线直接接通,电线绝缘皮被刮破,或者电线和用电器使用时间太长,绝缘皮破损老化,使火线和零线直接接通,这些情况都会造成短路。


  • 实验探究:短路及发生短路时的现象
  • 实验过程:如图所示,断开总开关,用导线将A、B两点连接起来,闭合总开关,观察发生的现象。
  • 实验现象:用导线将A、B两点连接起来闭合总开关,保险丝快速熔断切断电路。
  • 实验现象分析:用导线将A、B两点连接起来时,火线和零线直接相连发生短路,由于导线的电阻很小,电源电压为220V不变,由公式<Object: word/embeddings/oleObject6.bin>可知短路时电路中的电流非常大,会产生大量的热,使保险丝的温度急剧升高,快速熔断。
  • 短路对家庭电路的影响:家庭电路中的用电器都是并联的,一旦发生短路,即为电源短路,此时干路中的电流很大,产生大量的热使保险丝熔断,或使空气开关跳闸。若线路老化或没有安装保险装置,则导线的温度会升高,烧坏绝缘皮,引起火灾。
  • 知识点三:保险丝的作用
  • 作用
  • 电流过大时,自动熔断,保护电路
  • 构成材料
  • 保险丝是由电阻率大、熔点低的铅锑合金制成的。(原因:保险丝电阻较大,使得电能转化为热的功率比较大,保险丝温度易升高,达到熔点后就自动熔断。)
  • 原理
  • 当过大的电流通过时,保险丝产生较多的热量使它的温度达到熔点,于是保险丝熔断,自动切断电路,起到保险作用。
  • 选用原则
  • 保险丝的额定电流等于或稍大于电路正常工作时的电流
  • 连接方式与安装
  • 保险丝与所保护的电路串联,保险丝装在闸刀开关的下方,应注意进户线一定要接在闸刀开关的静触点的接线柱上


  • 使用时注意的事项
  • (1)安装家庭电路中的保险丝时,千万不要用铁丝、铜丝代替,因为铁丝、铜丝的熔点高,在电流过大时不易熔断,起不到保护电路的作用。
  • (2)电路发生故障时,有时会导致保险丝熔断,更换保险丝后,首先应查清导致保险丝熔断的原因,在排除故障后才能合上闸刀开关,恢复供电。
  • (3)保险丝有时安装在玻璃管内,称为保险管。保险管的额定电流写在管端的铜帽上,更换保险管时要注意观察。
  • 拓展:
  • (1)家庭电路中的电线和其他设备都是按照一定的工作电流设计生产的,若超过这个电流就会因发热过多而烧毁导线和其他设备,引起用电事故。当电路中电流超过规定值时,串联在电路中的保险丝能立即熔断起到自动切断电路的作用,这是因为保险丝是用铅梯合金制作的,电阻比较大,电流通过保险丝时发热多,温度迅速上升;另一个原因是制作保险丝的材料的熔点比较低,电流过大时,温度很快达到保险丝的熔点,使保险丝熔断。保险丝有不同的规格,即不同粗细的保险丝有不同的额定电流,当通过保险丝的电流小于或等于额定电流时,保险丝正常工作;当通过保险丝的电流大于额定电流,达到或超过它的熔断电流时,保险丝熔断,从而切断电路。选用时应把电能表的额定电流配套。现在新建房的供电线路一般都采用空气开关,当线路中电流过大时,开关中的电磁铁将自动切断电路,俗称跳闸。

当堂检测
1.如图是常用的带有多插孔的插排.小明家插排的指示灯已经损坏,但闭合开关后插孔上连接的用电器仍可以正常工作.某一天小明家装修时将切割机插入插排,切割机工作时,家中的空气开关出现了“跳闸”现象.则下列说法中正确的是(  )

cb33c2bef15bd17797b0829002448e12.png
A.插排上的插孔与指示灯是串联关系
B.“跳闸”的原因一定是电路发生了断路
C.“跳闸”的原因一定是电路发生了短路
D.“跳闸”的原因可能是电路总功率过大
2.小明把台灯插入插座,闭合开关,家里的总控制开关立刻跳闸,请分析造成这种现象的原因是(  )
A.插头短路B.灯丝断路C.灯头内短路D.灯头内断路
3.如右图所示家庭电路中,当开关S闭合后,灯泡L不亮,用试电笔测试c、d两点时,氖管都发光,测试a、b两点时,只有a点氖管发光,则故障可能是

173a57d2ff924a912123eac4ee81a158.png
A.b、c 之间某处断路        B.a、d 之间某处断路
C.火线与零线短路        D.电灯的灯丝断了
4.如图所示的家庭电路中,闭合开关后灯泡不亮.用试电笔检测插座的两孔,发现只有插入右孔时氖管才发光.用试电笔检测A点氖管发光,检测B点氖管不发光.发生这一现象的原因可能是

c097f1504f45a4a3d2ac736060dcb4a2.jpg
A.灯泡短路        B.灯丝断了        C.开关接触不良        D.插座短路
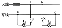
5.如图所示家庭电路中的某一部分,电工师傅按下面的顺序进行检测:①闭合S1,灯L1亮;②断开S1,闭合S2,灯L2不亮;③再用测电笔测abcd四个接线点,发现只有在c点氛管不发光.若电路中只有一处故障,则是(  )

f5609662103994d9a0d90e98269601b6.png
A.灯L2短路
B.灯L2所在支路开路
C.cd两点间开路
D.c点左侧的零线开路
6.如图所示的电路中,正常发光的三盏灯突然全部熄灭,经检查保险丝完好,用试电笔插进插座的两孔,氖管均发光.造成这一现象的原因是  (     )

131b63abffdc68edc58d93f8003bd184.png
A.插座发生短路了        B.进户的火线断了
C.进户的零线断了        D.某盏电灯的灯丝断了
7.一位“法师”在铺有塑料地毯的舞台上表演不怕电的“功夫”,他将一盏普通的白炽灯泡接到两导线头A、B之间,灯泡正常发光;随后将灯泡取下,“法师”两手分别抓住两导线头A、B,如图所示,其助手用测电笔分别测试A、B及“法师”的皮肤.发现测电笔的氖管都发光.对此表演的合理解释是

a46a639c3fe90017b38d948b8127f97f.png
A.如果“法师”此时光脚直接站在地上,也不会触电             B.“法师”的两手均戴有特制绝缘手套
C.在人、灯交替过程中,助手将零线断开了            D.在人、灯交替过程中,助手将火线断开了
二、填空题
8.有的大功率的插座,只有一根保险丝,这根保险丝要连接在____线上,不同粗细的保险丝有不同的额定电流,过粗起不到保险作用,过细容易造成经常断电,禁止用________代替保险丝。
9.电路中电流过大的原因:______、______,电流过大的危害:______。
10.检修家庭电路时,某电灯不亮,但灯丝完好,开关也已接通,现用测电笔分别接触灯座的两接线柱时:若两次氖管都不发光,说明________线出现开路;若两次氖管都发光,则说明________线出现开路.
参考答案
1.D
【解析】A、插排上的插孔与指示灯是并联的,故A错误;BCD、小明家将切割机插入插排,切割机工作时,家中的空气开关出现了“跳闸”现象,这说明切割机的功率过大,造成干路中电流过大,故D正确,BC错误.故选D.
点睛:插座中接入的所有用电器是并联的,开关处于干路上;电流过大的原因是短路或总功率过大.
2.C
【解析】AC.在台灯插头插入插座,闭合开关后,家里的总控制开关跳闸,该现象说明不是插头短路,是灯头内短路造成的,故A错误,C正确;
BD.因为台灯和其它用电器并联,灯泡的灯丝断路或灯头内断路,只能使本支路没有电流,台灯不亮,不能引起家里的总控制开关跳闸,故BD错误。
故选C。
3.A
【分析】
电灯L不亮,而点c能使测电笔亮,说明c到零线b之间开路.
【解析】如图,闭合开关后,发现电灯L不亮,用测电笔测试c、d两点时,氖管都发光,说明c、d都与火线连通(即c点到火线间的电路没有断路);测试a、b两点时,只有a点氖管发光,则测b点时氖管不发光,说明b点没有与火线连通,所以故障可能是b、c之间某处断路,故A正确,BD错误;
若火线与零线短路,则保险丝熔断或空气开关跳闸,整个电路断开,用测电笔测试各点时,氖管都不发光,故C错误.
故选A.
【点睛】
本题考查了用测电笔检测电路的故障.在正常情况下,测电笔测火线应亮,测零线应不亮.
4.B
【解析】AD.若灯泡短路、插座短路,会使火线和零线连接,造成短路,使保险丝烧断或跳闸,用试电笔测A点氖管不会发光,故AD错;
B.灯丝断了,开关闭合后,A点连接火线,可以使氖管发光;B点与零线相连,不会使氖管发光,符合题意,故B正确;
C.开关接触不良,A点不能连接火线,不会使氖管发光,故C错;
5.C
【解析】A.断开S1,闭合S2,灯L2不亮,灯L2不亮的原因有两个:一个是断路、一个是短路, 若灯L2短路时,电路的电流会很大,将保险丝烧断,灯泡L1也不会发光,ab两个接线点上,试电笔的氖管都不会发光,故A错误;
B.若灯L2所在支路开路,d点氖管不发光,故B错误;
C.若cd两点间开路,灯泡L2与零线不能构成闭合电路,电路中没有电流,灯泡不会发光,但d点会通过灯泡L2与火线间接相连,试电笔的氖管会发光,故C正确.
D.闭合S1,灯L1亮,电路中有电流,说明电路为通路,从保险丝→a→S1→L1c以及c点左侧的零线都没有断路,故D错误;
6.C
【解析】A.插座处发生短路,会使保险丝熔断,故A错;
B.进户线的火线断了,试电笔的氖管不会发光,故B错.
C.三盏电灯全部熄灭但保险丝完好,说明电路中干路上有断路,测电笔测试插座的两孔,氖管都发光,说明两孔与火线是连通的,故只可能是零线断了.试电笔能亮,说明火线上有电,而零线上本该不亮,但也亮了,说明是进户线的零线开路了,故C正确;
D.因各灯并联,互不影响,某个电灯的灯丝烧断了,其它灯仍还亮,故D错.
7.C
【解析】用测电笔接触“法师”,氖管发光说明此时“法师”身体带电,与火线是连通的,而他没有触电,是因为没有电流从他身上流过,可以确定在人、灯交替过程中,助手将零线断开了,所以人体并没有电流通过,所以选项C解释正确;
如果“法师”此时光脚直接站在地上,会有较大电流通过人体,造成触电,故A错误;
若“法师”的两手均戴有特制绝缘手套,氖管不会发光,故B错误;
若在人、灯交替过程中,助手将火线断开了,氖管不会发光,故D错误;
故选C.
【点睛】
此题主要考查人体触电的原因.触电有两种情况:单线触电、双线触电.单线触电是站在地上,直接接触火线发生的触电事故,此时火线、人体、大地形成通路;双相触电是同时接触零线和火线,发生的触电事故.
8.火    金属丝   
【解析】[1]大功率的插座只有一根保险丝,它是连在火线上的。
[2]保险丝必须是电阻大、熔点低的,绝对不能用金属丝替代保险丝。
9.短路    总功率过大    引起火灾   
【解析】[1][2][3]短路和电路中总功率过大都能造成电路中总电阻变小,电流过大。电路中电流过大时,由焦耳定律可知,容易引起火灾。
10.       
【解析】(1)电灯熄灭但灯丝完好,说明电路中有断路,当用测电笔测量两接线柱时,两次氖管都不发光,说明灯没有与火线连通,故火线断路了.
(2)试电笔分别接触灯头的两接线柱时,若两次氖管都发光,说明电灯与火线是连通的,故灯不亮原因只能是零线断了.
您需要登录后才可以回帖 登录 | 立即注册

本版积分规则

Archiver|手机版|小黑屋|5432教案网 ( 蜀ICP备2022024372号-1 |川公网安备51152402000101号 )|网站地图

GMT+8, 2026-4-24 05:04 , Processed in 0.788508 second(s), 32 queries .

Powered by Discuz! X3.5

© 2001-2026 Discuz! Team.

快速回复 返回顶部 返回列表