找回密码
 立即注册
搜索
查看: 22|回复: 0

[人教版] 10(九年级)家庭电路(教案3)

[复制链接]

4万

主题

224

回帖

19万

积分

管理员

积分
192579
发表于 2026-4-6 04:32:21 | 显示全部楼层 |阅读模式
课时19.1 家庭电路 教学设计
  • 知识点一 家庭电路的组成
  • 家庭电路的基本组成是进户线、电能表、总开关(闸刀开关、空气开关)、保险装置、用电器、导线等。

  • ①进户线:连接户外供电电路的电线,通常有两条,一条叫做端线,俗称火线,另一条叫做零线,火线和零线之间的电压为220V。火线和地线之间电压也为220V,地线和零线之间的电压为0V。
  • ②电能表:用来显示所消耗的电能,通常安装在户外干路上,输电线进户后首先和电能表相连,让所有用电器的电流都通过电能表。
  • ③总开关:安装在电能表的后面,常用闸刀开关或空气开关,起到控制室内全部电路的通断的作用。
  • ④保险装置:通常安装在总开关的后面。常见的保险装置有熔丝和空气开关,当电流过大时,熔丝会熔断,空气开关会自动断开,切断电路,从而起到了保护电路的作用。
  • ⑤用电器和插座:
  • 将电能转化为其他形式能的装置,对于整个电路而言用电器又叫负载。
  • 灯座(俗称灯头):用于安装灯泡,常用的螺丝口灯座中,螺口只能接零线,弹簧片接火线。(防止漏电)
  • 白炽灯:白炽灯是利用电流的热效应来进行工作的,灯丝由电阻大、熔点高的金属钨来做成,灯丝成螺旋状,可增强其机械强度,灯丝正常发光时的温度高达2000℃以上。
  • ⑥家庭电路的连接顺序:进户线→电能表→总开关及漏电保护器→用电器
  • 知识点二:火线和零线
  • (1)火线和零线:火线和零线之间的电压为220V,在正常情况下,零线在进户前已经和大地相连, 故零线和大地之间无电压,火线与地之间有220V的电压。
  • (2)试电笔:
  • ①作用:辨别火线和零线,检查电器设备的外壳是否带电。
  • ②结构:试电笔分为钢笔式和螺丝刀式两种
  • ③使用:用手接触笔尾金属电极,用笔尖接触待测的导线,若氖管发光,说明被测导线时火线,若奶光不发光,则说明被测导线时零线。当试电笔的笔尖接触到被测导线时,绝不允许用手或身体的其他部位再去和笔尖接触。

  • 注意:电能表和总开关要串联在电路中。使用试电笔时,为什么要用手接触金属笔卡或笔帽?试电笔中电阻有什么作用?试电笔的笔尖接触零线时,氖管为什么不发光?
  • 使用试电笔时,人手一定要接触接触金属笔卡或笔帽,如果笔尖接触到火线,电流经过笔尖、电咀、氖管、弹簧,再经过人体、经过大地,流到零线,与电源构成闭合电路,氖管就会发光。由于试电笔中的电阻是一个约一百万欧姆的高阻值电咀,当测试电压为220V时,根据欧姆定律可计算出电流约为0.2mA,再加上人体电阻,这个电流就更小了,所以对人体不会造成伤害。
  • 如果用笔尖接触零线,正常情况下,零线与大地之间没有电压,不会有电流通过氖管,所以氖管不发光。但是在日常生活中,有时会遇到接触零线氖管也发光的情况,原因可能是进户零线断路,电路不能闭合,用电器不能工作,但室内线路都处于带电状态,这时用试电笔测试零线,氖管也会发光。
  • 知识点三:三脚插头和漏电保护器
  • 插座的作用及安装
  • 作用
  • 种类
  • 安装
  • 接线
  • 连接家用电器,给可移动的家用电器供电
  • 两孔插座、三孔插座
  • 并联在家庭电路中

  • 三脚插头的接线原理与作用
  • 接线原理:三脚插头与三孔插座相对应,其中一条接火线(通常用L表示),一条接零线(通常用N表示),第三条和用电器的金属外壳相连(标有E字样)。
  • 作用:三脚插头中接火线和零线的两条导线的另一端节用电部分(如洗衣机中的电动机),为用电部分供电;与金属外壳相连的导线,插座上相应的导线和室外的大地相连。如果金属外壳没有接地,当用电器内部火线绝缘皮破损或失去绝缘性能,致使火线与外壳相连,人体接触外壳等于接触了火线,就会发生触电事故。如果金属外壳用导线接地,即使外壳带电,电流也会从接地流入大地,漏电保护器会自动切断电路,不致对人体造成伤害。
  • 三脚插头中接用电器金属外壳的那个脚要长一些的原因:中间的脚稍长一些,大约长出3mm左右,可以在插插头时家用电器的金属外壳先接地线,拔插头时,最后离开金属外壳,即使家用电器发生漏电事故,人体也不会触电。
  • 漏电保护器
  • ①作用:发生漏电时,自动切断电路,保证人身的安全;
  • ②原理:发生漏电时,通过火线和零线的电流不等,在磁场力的作用下使开关自动断开。
  • ③空气开关起到了开关和保险丝的作用:当电路中电流过大时,会自动切断电路,起到了保护电路的作用。
  • 安装家庭电路,注意的事项
  • ①先确定火线和零线,然后在火线的干路上接入保险装置,当电流过大时会自动切断电路,保护用电器。
  • ②家庭电路中的各插座、灯泡都相互并联在电路中,电灯与控制该电灯的开关串联在同一条支路上,并且开关要接在火线和电灯之间(因为当断开开关,电灯里就没有电了,相反,如果开关接在零线和电灯之间,开关断开了,电灯中还是有电)。这样在开关断开时,开关缩控制的电灯和火线脱离,人碰到灯牌等部位,不会造成触电事故。

  • ③灯口的螺旋套一定要接在零线上,因为在正常工作下,零线时接地的,与地之间没有电压,在更换灯泡时,即使不小心碰到螺旋套也不会发生触电事故。螺旋套灯泡尾部中心金属块一定要通过开关连接在火线上。

  • 从安全角度出发,连接家庭电路时应掌握以下规范:①家庭电路各组成部分的连接顺序不能颠倒;②保险丝串联接在火线上;③幵关必须接在火线与用电器之间;④灯口的连接方法是火线接灯口顶端,零线接灯口的螺旋套;⑤两孔插座的接线要求是“左零右火”,三孔插座的接线要求是“左零右火上接地”;⑥画图时必须用直尺和铅笔,所作的线要横平竖直;⑦实线相接的地方必须用实点。
当堂检测
1.下列家庭电路中,连接符合安全用电要求的是(    )
A.
8e2e604f78220e73ef9428e37afb4c26.png         B.
0fb75bc80534877d61a6084bf4a1f6a6.png
C.
0109abc1bfb595f6eb8b870b20a31d9f.png             D.
9bfa199aac4b3c6416fc75a4fd6bfb3a.png
2.如图所示的家庭电路,插座不能正常工作,经检测发现bd间断路,闭合开关S,下列说法正确的是(  )

d2c8f2411b2bee68c86a4377553e7ce9.png
A.灯不会发光
B.正确使用试电笔接触图中a点,试电笔会发光
C.若此时站在地上的人接触c点,漏电保护器会切断电路
D.若将开关和灯互换位置,仍然符合安全用电原则
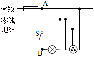
3.小明在家中自己动手装了一盏电灯,如图所示,用测电笔去检验时会发生的是

5fe20a9b2d661cdc73f973dce133a4aa.png
A.开灯后,测电笔接触A,B点时,氖管都发光
B.开灯后,测电笔接触A,B点时,氖管都不发光
C.熄灯后,测电笔接触A,B点时,氖管都发光
D.熄灯后,测电笔接触A,B点时,氖管都不发光
4.图是某家庭电路的一部分,下列说法正确的是

b2a396836cca98ccd6c84e8fe5bf37da.png
A.电冰箱接入三孔插座后其外壳与零线相连
B.断开开关S时,用试电笔接触A点氖管发光,接触B点时氖管不会发光
C.保险丝烧断后可用铜丝代替
D.闭合开关S时,电灯不亮,保险丝未烧断,可能是电灯短路
二、填空题
5.空气开关是______________起作用,当两线间电流太大就会自动跳闸。漏电保护装置是_______起作用,如果人接触火线,有额外电流没有通过零线,里面的电磁装置会自动触发,也会跳闸。
6.试电笔构造如图所示。氖管中充有稀薄的氖气,当电压达到一定值时,氖气就会导电。电流从一个电极流到另一个电极时,氖气就会发出红光。如果被测的导线是_______线,氖管就发光,如果是_______线,氖管就不变会有电流,就不会发光。

1fdf29f30d5e963489a41818546539b7.png

a1e70a4a9a65d8f7dee39f39071f9dd6.png    
1c1894a99f6760e46d992a1b0ad9e582.png

d4b2b0d0144bd167c33d38817210ba11.png

28eab6e56d61aa557dd84eb6cca1e8d1.png         
a4445f2051d81b500e86dd1625cd68f0.png
7.插座与用电器一样并联在电路中,分为两孔插座和三孔插座。两孔插座:左_____线_______线, 三孔插座左____线,右_______线上接地线。
8.测量用户在一定时间内消耗的电能,进户线第一个就要安装_______。
9.一根零线用字母_______表示,零线进户前已经与_______相连。一根火线也叫_______,火线与零线之间有220V电压;零线与大地之间没有电压;火线与大地之间有_______V电压。
10.家庭电路是由_______、______、______、______、____、____、______组成的。
参考答案
1.B
【解析】AC.家庭电路中灯和插座之间应该是并联的,而这两幅图中灯和插座串联,故AC不符合题意;
BD.为了用电安全,开关应接在火线与电灯之间,插座接线时应遵循“左零右火”的原则,故B符合题意、D不符合题意.
2.B
【解析】AB.由图知,灯泡和插座是并联的;已知bd间断路,但火线上的a点仍然带电,所以正确使用试电笔接触图中a点,试电笔会发光;开关闭合后,灯所在的电路构成通路,所以灯泡能够发光;故A错误,B正确;
C.若站在地上的人接触c点,c点接触的是零线,则电流不会经过人体,即没有发生漏电现象,所以漏电保护器不会切断电路,故C错误;
D.若将开关和灯泡位置互换,则容易使人触电,不符合安全用电原则,故D错误.
3.A
【解析】AB.开灯后,开关闭合,AB两点和电路中的火线接触,所以测电笔接触AB两点氖管会发光,所以选项A会发生,选项B不会发生;
CD.熄灯后,开关断开,B点接触火线,测电笔接触B点时,氖管会发光;A点通过灯泡和零线接触,所以测电笔接触A点时,氖管不会发光,故C、D不会发生;
故选A。
【点睛】
家庭电路的两根线分别是火线和零线,测电笔和火线接触时,氖管会发光,接触零线时,氖管不会发光.
4.B
【解析】A、电冰箱接入三孔插座能使电冰箱金属外壳接地,防止由于冰箱的外壳漏电而使人发生触电事故,故A错误;
B、断开开关S时,A点在火线上,所以接触A点时氖管会发光,B点与火线没有直接接触也没有间接接触,所以接触B点时氖管不会发光,故B正确;
C、当电路电流过大时,保险丝容易熔断而保护电路,如果用铜丝代替保险丝后,就起不到保护作用了,故C错误;
D、若闭合开关S时,电灯不亮,保险丝未烧断,可能是电灯断路,若电灯短路,则保险丝烧断,故D错误.
5.零线与火线    火线   
【解析】[1][2]空气开关是零线与火线起作用,当两线间电流太大就会自动跳闸。漏电保护装置是火线起作用,如果人接触火线,有额外电流没有通过零线,里面的电磁装置会自动触发,也会跳闸。
6.火    零   
【解析】[1][2]火线与大地间有电压,零线与大地间没有电压,因此当被测导线是火线时,氖管才发光,零线时,氖管不发光。
7.零    火    零    火   
【解析】[1][2][3][4]插座都是左零右火上接地。三孔上接地。即左边接零线,右边接火线,上边接地线。
8.电能表
【解析】电能表是测量用户在一定时间内消耗的电能。进户线第一个就要安装电能表。
9.N    大地    端线    220   
【解析】[1][2][3][4]进户线有两根,一根是零线,用字母N表示,零线进户前已经与大地相连,另一根是火线也叫端线,用字母L表示,火线与零线间电压为220V,火线与大地之间电压也是200V。
10.进户线    电能表    总开关    保险装置    插座    开关    用电器   
【解析】[1][2][3][4][5][6][7]家庭电路是由进户线、电能表、总开关、保险装置、插座、开关、用电器组成的。
您需要登录后才可以回帖 登录 | 立即注册

本版积分规则

Archiver|手机版|小黑屋|5432教案网 ( 蜀ICP备2022024372号-1 |川公网安备51152402000101号 )|网站地图

GMT+8, 2026-4-24 05:04 , Processed in 0.751722 second(s), 32 queries .

Powered by Discuz! X3.5

© 2001-2026 Discuz! Team.

快速回复 返回顶部 返回列表