找回密码
 立即注册
搜索
查看: 22|回复: 0

[人教版] 30(九年级)特殊方法测电阻(教案2)

[复制链接]

4万

主题

224

回帖

19万

积分

管理员

积分
192581
发表于 2026-4-6 04:23:02 | 显示全部楼层 |阅读模式
         2课时特殊方法测电阻
知识目标
知识要点
课标要求
1.伏阻法测量电阻
会设计电路,利用安阻法测量未知阻值的电阻
2.安阻法测量电阻
会设计电路,利用安阻法测量未知阻值的电阻
问题导入
小红准备测一只未知电阻(Rx=5~10Ω)的阻值,手边有以下器材:电池组、电压表、电流表、开关、R0=15Ω的定值电阻、最大阻值为20Ω的滑动变阻器和几根导线.当她准备实验时,发现电流表已经损坏,但一时又找不到新的电流表替代,小红顿时犯了愁,不知所措?怎么办?从学生的迷惑中导入新课。
合作探究
探究点 伏阻法测量电阻
活动1针对导课问题,让学生展开讨论,在没有电流表的条件下,如何测量出未知电阻的阻值?设计出电路图?
展示课件提示:
(1)如何获取到未知电阻的电流?
(2)要想让定值电阻的电流能够替代未知电阻的电流,这两个电阻如何连接比较好?
学生总结:
(1)当给我们一只电压表和一个已知阻值的电阻R时,可把已知电阻和未知电阻串联起来,分别用电压表测量出两者的电压U1U2,再根据公式<Object: word/embeddings/oleObject1.bin>,算出未知电阻的阻值。电路图如图所示。

35fe059556b016c3faf9701d5fa04499.png
2首先将开关S、S0闭合,读出电压表的示数,记为U,断开开关S0,读出电压表的示数为Ux,则定值电阻R0两端的电压为U-Ux,则通过R0的电流为<Object: word/embeddings/oleObject2.bin>,所以Rx的电阻为:
Rx=<Object: word/embeddings/oleObject3.bin>

6ccef4d70041ac21fe777c3374c3f863.png
探究点二  安阻法测量电阻
活动1:有了伏阻法的测量,师再进一步的拓宽延伸,在情景导课的问题中,如何损坏的不是电流表,而是电压表,又如何测量?学生讨论交流。设计出电路图,并分析出未知电阻的表达式。
展示课件提示:
1)如何获取到未知电阻的电压?
2要想让定值电阻的电流能够替代未知电阻的电压,这两个电阻如何连接比较好?
学生总结:
电路图
表达式
方法一
<Object: word/embeddings/oleObject4.bin>
<Object: word/embeddings/oleObject5.bin>
方法二
<Object: word/embeddings/oleObject6.bin>
<Object: word/embeddings/oleObject7.bin>
方法三
<Object: word/embeddings/oleObject8.bin>
<Object: word/embeddings/oleObject9.bin>
方法四
<Object: word/embeddings/oleObject10.bin>
<Object: word/embeddings/oleObject11.bin>
归纳总结:(1)用伏安法测电阻时,无法直接测出待测电阻的大小,只能通过测出导体两端的电压和通过导体的电流,通过间接计算才能得出导体的电阻大小,这就是间接测量法。
(2)在伏安法测电阻的实验中,若缺少一只电流表或缺少一只电压表,可用定值电阻犚来代替,这种方法叫等效替代法。
典例剖析
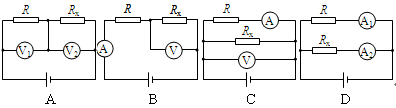
在图所示的四个电路中,电源两端电压保持不变,若定值电阻R的阻值已知,则在不拆卸元件的情况下能够测出待测电阻Rx阻值的电路是(  )
                  
d85ebbed81f76cb689f72fc69a03acd4.png
【点拨】测电阻阻值应该知道电阻两端的电压U,流过电阻的电流I,逐一分析各选项看能不能求出UI然后做出选择
【自主解答】
板书设计
2课时特殊方法测电阻

bdc8d13e06fc5acd326e717f20e809aa.jpg
教学反思
特殊法测量电阻是电学实验的一个难点,在授课的过程中,我首先利用上节课的内容引出,然后提出疑点,电流表在损坏的情况下能否测量出未知的电阻,这样就很自然的让学生接受,还可以利用其它的方法来测量未知的电阻。
在授课的过程中,我利用课件提示,给学生明确思路,让学生在讨论、分析的过程中有的放矢,有目的的进行探讨、设计。潜移默化的使得学生在突破一个个的难点,达到了教学目标。
您需要登录后才可以回帖 登录 | 立即注册

本版积分规则

Archiver|手机版|小黑屋|5432教案网 ( 蜀ICP备2022024372号-1 |川公网安备51152402000101号 )|网站地图

GMT+8, 2026-4-24 08:08 , Processed in 0.804829 second(s), 32 queries .

Powered by Discuz! X3.5

© 2001-2026 Discuz! Team.

快速回复 返回顶部 返回列表