找回密码
 立即注册
搜索
查看: 7|回复: 0

[人教版] (选必3)1.2.2 有机化合物实验式、分子式、分子结构的确定(教案1)

[复制链接]

2万

主题

224

回帖

13万

积分

管理员

积分
138853
发表于 前天 07:23 | 显示全部楼层 |阅读模式
  • 有机化合物的结构特点与研究方法
第二节   研究有机化合物的一般方法
1.2.2 有机化合物实验式、分子式、分子结构的确定

2d911c28aa6d0b5e327bc53bd23dc75e.png
本节通过解决实际问题的形式,让学生初步了解怎样研究有机化合物,应该采取什么步骤和常用方法等,从中体验研究一个有机化合物的过程和科学方法。由于中学条件所限,对现代物理方法只要求初步改变的了解,不涉及过多的名词术语,通过多种教学媒体了解质谱、红外光谱、核磁共振氢谱的用途

44ddef8ea81d029bb1c1e28076c9ed83.png
课程目标
学科素养
  • 了解现代仪器分析在有机化合物组成和结构分析中的应用。
  • 能依据元素分析和质谱数据推断有机化合物的分子式。
  • 能依据波谱分析数据推断简单有机化合物的分子结构。
  • 证据推理:通过提取和分析谱图中的有效信息推测分析结构
  • 宏观辨识:初步了解质谱、红外光谱、核磁共振氢谱的原理及用途
  • 科学探究:通过化学实验和某些物理方法可以确定有机化合物的分子结构

c7bdfce928195d2be7304732f1718f14.png
教学重点:有机化合物的实验式、分子式和分子结构的确定方法
教学难点:有机化合物的实验式、分子式和分子结构的确定方法

7f87df24f2527dcef87ce314c1561c39.png
讲义  教具

c65032410c0ff1332091edf2c345b64f.png
【新课导入】
有机化合物的元素定量分析最早是德国化学家李比希于1831年提出。
准确称量的样品置于一燃烧管中,经红热的氧化铜氧化后,再将其彻底燃烧成二氧化碳和水,用纯的氧气流把它们分别赶入烧碱石棉剂(附在石棉上粉碎的氢氧化钠)及高氯酸镁的吸收管内,前者将排出的二氧化碳变为碳酸钠,后者吸收水变为含有结晶水的高氯酸镁,这两个吸收管增加的重量分别表示生成的二氧化碳和水的重量,由此即可计算样品中的碳和氢的含量,如果碳与氢的百分含量相加达不到100,而又检测不出其他元素,则差数就是氧的百分含量。本法的特点是碳氢分析在同一样品中进行,且对仪器装置稍加改装后,即能连续检测其他元素。
【新课讲授】
元素的定性、定量分析是用化学方法测定有机化合物的元素组成,以及各元素的质量分数。
元素定性分析一般是将一定量的有机物燃烧,转化为简单的无机物,以确定有机物的元素组成。
元素定量分析通过无机物的质量推算出该有机物所含各元素的质量分数,然后计算出该有机物分子内各元素原子的最简整数比,确定其实验式(也称最简式)。
李比希后经多次实验,总结出测定仅含C、H、O的有机物组成的方法,被称为李比希法。
他用CuO作氧化剂,将仅含C、H、O元素的有机化合物氧化,生成的CO2用KOH浓溶液吸收,H2O用无水CaCl2吸收。根据吸收剂在吸收前后的质量差,计算出有机化合物中碳、氢元素的质量分数,剩余的就是氧元素的质量分数,据此计算可以得到有机化合物的实验式。
【学生活动1】
含C、H、O三元素的未知物A,经燃烧分析实验测定该未知物中碳的质量分数为52.2%,氢的质量分数为13.1%。试求该未知物A的实验式。
【学生展示】
未知物A的实验式的确定
  • 氧的质量分数为34.7%;
  • C、H、O的原子个数比:N(C):N(H):N(O)= 2:6:1;
  • 该未知物的实验式为C2H6O。
【讲解】
李比希还建立了含氮、硫、卤素等有机化合物的元素定量分析法方法,这些方法为现代元素定量分析奠定了基础。现在,元素定量分析使用现代化的元素分析仪,分析的精确度和分析速度都达到了很高的要求。
【过渡】
元素定量分析只能确定有机化合物分子中各组成原子的最简整数比,得到实验式。要确定它的分子式,还必须知道其相对分子质量。日前有许多测定相对分子质量的方法,质谱法是其中最精确、快捷的方法。
【讲解】
质谱法是快速、精确测定相对分子质量的重要方法,测定时只需要很少量的样品。
质谱仪用高能电子流等轰击样品,使有机分子失去电子形成带正电荷的分子离子和碎片离子等。这些离子因质量不同、电荷不同,在电场和磁场中的运动行为不同。计算机对其进行分析后,得到它们的相对质量与电荷数的比值,即质荷比。以质荷比为横坐标,以各类离子的相对丰度为纵坐标记录测试结果,就得到有机化合物的质谱图。
【展示】
未知物A的质谱图

3d1c5238957cf3976f1b5cf6cf2f726b.jpg
【讲解】
由上题可知未知物A的实验式为C2H6O,观察质谱图,发现最右侧的分子离子(<Object: word/embeddings/oleObject1.bin>)的质荷比为46,因此A的相对分子质量为46。由此可以推算出A的分子式也是C2H6O
目前的高分辨率质谱仪还可以根据高精度的相对分子质量数据直接计算出分子式。
【展示】
质谱仪
【设疑】
质谱图中的碎片峰对我们确定有机化合物的分子结构有一定帮助,但未知物A究竟是二甲醚还是乙醇?

d3d5e61bc50bb475389887ffcd071c1b.png
【过渡】
确定比较复杂的有机化合物的分子结构,仅靠质谱法是很难完成的,需要借助其他现代分析仪器,进行红外光谱、核磁共振氢谱、射线衍射谱等波谱分析。
【讲解】
红外光谱利用有机化合物受到红外线照射时,能吸收与它的某些化学键或官能团的振动频率相同的红外线,通过红外光谱仪的记录形成该有机化合物的红外光谱图。
谱图中不同化学键或官能团的吸收频率不同,因此分析有机化合物的红外光谱图可获得分子中所含有化学键或官能团的信息。
展示
红外光谱仪、未知物A的红外光谱
学生活动2
观察未知物A的红外光谱,分析未知物A的官能团。

2ea76414f6dc037bb9b297d9c169ca9e.jpg
【讲解】
从图中可以找到C—OC—HO—H的吸收峰,因此可以初步推测该未知物A是含有羟基官能团的化合物,结构可表示为C2H5OH
【讲解】
氢原子核具有磁性,如果用电磁波照射含氢元素的化合物,其中的氢核会吸收特定频率电磁波的能量而产生核磁共振现象,用核磁共振仪可以记录有关信号。
处于不同化学环境中的氢原子因产生共振时吸收电磁波的频率不同,相应的信号在谱图中出现的位置也不同,具有不同的化学位移(用δ表示),而且吸收峰的面积与氢原子数成正比。
核磁共振氢谱图可以获得该有机化合物分子中有几种不同类型的氢原子及他们都相对数目等信息。吸收峰的数目等于氢原子的种类,吸收峰面积比等于氢原子数目之比。
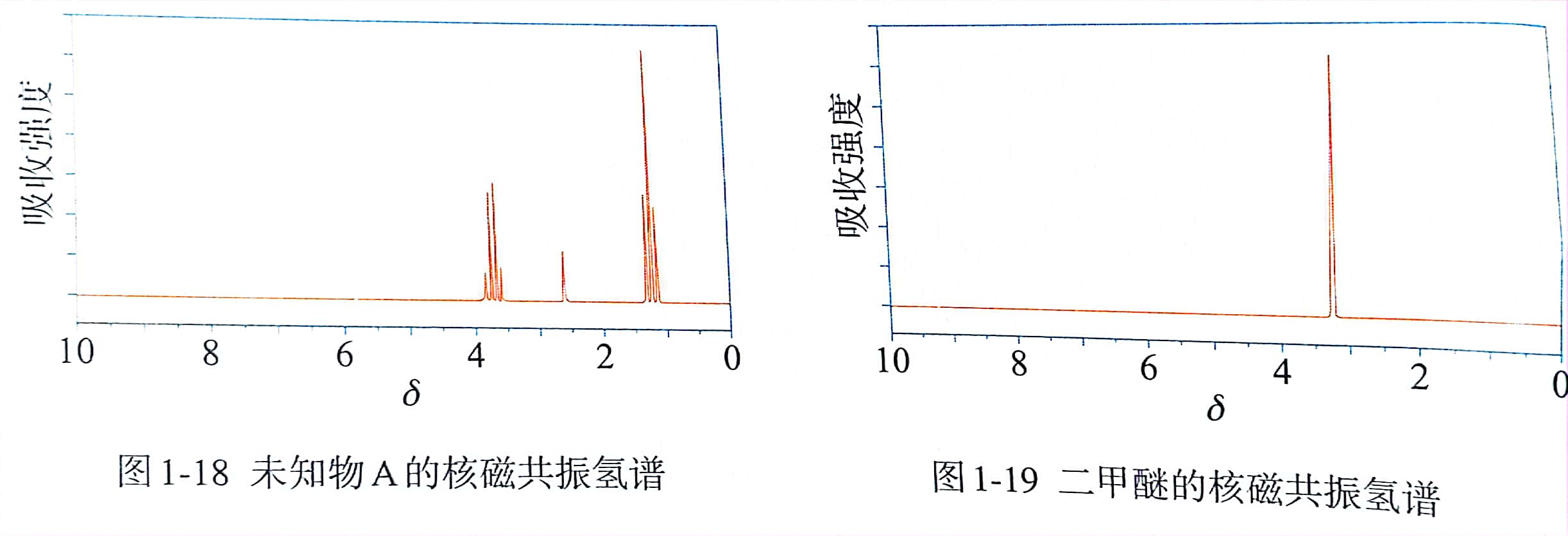
学生活动3
观察乙醇和乙醚的核磁共振氢谱图,结合未知物A核磁共振氢谱图,分析未知物A的结构。

73cc4b1d22eed8304226caa0bc98f37c.jpg
【讲解】
未知物A核磁共振氢谱图可以判断A中含有3种处于不同化学环境的氢原子,其个数比为321,与乙醇的核磁共振氢谱图相同,故A的结构简式为CH3CH2OH
【讲解】
X射线是一种波长很短(约10m)的电磁波,它和晶体中的原子相互作用可以产生衍射谱图
经过计算可以从中获得分子结构的有关数据,包括键长、键角等分子结构信息。
X射线衍射技术用于有机化合物(特别是复杂的生物大分子)晶体结构的测定,可以获得更为直接而详尽的结构信息。
目前,X射线衍射已成为物质结构测定的一种重要技术
【展示】我国科学家通过X射线衍射获得的青蒿素的分子结构。
课堂小结
回顾本节课的内容,有机物结构的确定方法:利用化学方法确定实验式,再利用质谱确定相对分子质量,由实验式和相对分子质量可得出分子式,可利用红外光谱法、核磁共振氢谱、特征反应判断官能团的性质、空间排列、基团的位置,最终确定结构式。

ff89513ce61f3424b0df47de95f9eecf.png
  • 有机物的天然提取和人工合成往往得到的是混合物,假设给你一种这样的有机混合物让你研究,一般要采取的几个步骤是   
A. 分离、提纯确定化学式确定实验式确定结构式B. 分离、提纯确定实验式确定化学式确定结构式C. 分离、提纯确定结构式确定实验式确定化学式D. 确定化学式确定实验式确定结构式分离、提纯
【答案】B
【解析】
从天然资源提取的有机物,首先得到的是含有有机物的粗品,需经过分离、提纯才能得到纯品,再进行鉴定和研究未知有机物的结构与性质,一般先利用元素定量分析确定实验式,再测定相对分子质量确定分子式,因为有机物存在同分异构现象,所以最后利用波谱分析确定结构式,故对其进行研究一般采取的研究步骤是:分离、提纯确定实验式确定分子式化学式
86e942959781c222648bfa956211c475.png 确定结构式。故选B。
  • 某有机物A的分子式为,红外光谱图如图所示,则A的结构简式为

76b8c132d3678e3ac9743ad06ac7a825.png A.         B. C.         D.
b1b5d2d563f1a6d1937b23e71c5ecf4c.png
【答案】A
【解析】
红外光谱图中显示存在对称的甲基、对称的亚甲基和醚键,可得分子的结构简式为。
  • 二甲醚和乙醇是同分异构体,其鉴别可采用化学方法及物理方法,下列鉴别方法中不能鉴别这两种有机物的是
A. 利用质谱法        B. 利用红外光谱法C. 利用金属钠        D. 利用核磁共振氢谱
【答案】A
【解析】
A.二者属于同分异构体,相对分子质量相同,用质谱法不能鉴别,故A错误; B.二甲醚和乙醇中分别含有醚键和羟基,官能团不同,可用红外光谱法鉴别,故B正确; C.乙醇中含有,可与金属钠反应生成氢气,二甲醚不能反应,可鉴别,故C正确; D.二者含有的H原子的种类和性质不同,可用核磁共振氢谱鉴别,故D正确。
  • 下列化合物分子,在核磁共振氢谱图中能给出三种吸收峰的是
A.         B.
5ef47b9afe3eab957acc333176f3f1e6.png C.         D.
43aefb62dca2af1ab63bd5f8e8da080b.png
【答案】B
【解析】
A.中有2种H原子,核磁共振氢谱有2个吸收峰,故A错误;B.2个甲基中H原子不同、亚甲基H原子与甲基不同,
f9db7390ba4ae8f5bd252ec133bad2d7.png 中有3种H原子,核磁共振氢谱有3个吸收峰,故B正确;C.中有1种H原子,核磁共振氢谱有1个吸收峰,故C错误;D.
470d7ec9b28e5d40ba60eb17a6440706.png 只有2个甲基,则核磁共振氢谱有2个吸收峰,故D错误。故选B。
  • 下列四幅谱图是结构简式为、、和的核磁共振氢谱,其中属于的谱图是
A.
5c0a9d1781a50e2ff80f2b8b750c4ade.png B.
bd812116fa3bef130e20218b3c3b6d8b.png C.
b7b8a42432d293af4d257d6d6c9c48d0.png D.
e73ad7fe9a3b2468add7f59fcc65254a.png
【答案】A
【解析】
分子中有4种不同化学环境的氢原子,在其核磁共振氢谱中应有4个吸收峰。A项符合题意。

57790ae173cb6070d53a89b57c0c9cdc.png
本节课学习有机物结构的确定方法:确定元素→确定实验式→确定分子式→确定结构式。通过提取和分析谱图中的有效信息推测分析结构,培养学生证据推理的科学素养;了解质谱、红外光谱、核磁共振氢谱的原理及用途,培养学生宏观辨识的科学素养;通过化学实验和某些物理方法可以确定有机化合物的分子结构,培养学生科学探究的科学素养。
您需要登录后才可以回帖 登录 | 立即注册

本版积分规则

Archiver|手机版|小黑屋|5432教案网 ( 蜀ICP备2022024372号-1 |川公网安备51152402000101号 )|网站地图

GMT+8, 2026-4-4 17:10 , Processed in 0.998276 second(s), 35 queries .

Powered by Discuz! X3.5

© 2001-2026 Discuz! Team.

快速回复 返回顶部 返回列表