找回密码
 立即注册
搜索
查看: 145|回复: 0

[浙教版] (八下)1.6家庭用电(解析版)

[复制链接]

4万

主题

224

回帖

19万

积分

管理员

积分
196389
发表于 2026-3-24 06:20:07 | 显示全部楼层 |阅读模式
1.6家庭用电
学习目标
1. 了解家庭电路的组成。
2. 知道测电笔的结构和使用方法。
3. 知道保险丝的作用,会选用保险丝。
4. 知道断路器的作用和工作原理。
5. 知道三孔式插座、三脚插头的连接和作用。
02预习导学
1.家庭电路由、、、、、和开关等部分组成
2.进户线一般有两根——和,二者之间的电压正常值为伏。辨别火线和零线用
f306c8862a5a123a13bfa414cf5ddef0.png
3.测电笔由金属笔卡、 、电阻和 组成。使用测电笔时,用手接触,笔尖接触。若氖管发光,表明接触的是;不发光则接触的是
注意点:1.安装简单家庭电路的注意事项:(1)开关必须一端接火线,另一端接电灯。(2)螺丝口灯座的螺旋套必须接到零线上。(3)闸刀开关千万不能倒置安装。
2.使用测电笔时手一定要接触金属笔卡,不然导体和大地之间就不能通过人体构成通路,测电笔就起不到作用。但切记不可用手直接接触测电笔的笔尖金属体,否则有触电危险。
3.家庭电路常见的三种故障:(1)短路。电路中出现短路时,保险丝会熔断或断路器“跳闸”。(2)断路。火线断路或灯丝断了、某元件接触不良等,此时断点与火线之间能使测电笔氖管发光,断点与零线之间不能使测电笔氖管发光。(3)进户零线断路,家庭电路中所有点都能使测电笔氖管发光。
  • 电路中常见的保护装置有          和          。

8cb54551575772012afb6edff86545e3.png
2.保险丝的作用:。
3.保险丝一般由的金属合金 制成。选用保险丝时,应使保险丝的额定电流或电路中正常工作时的电流。勿用代替保险丝。
4.断路器的作用:当流过断路器的电流额定电流时,断路器会,切断电路,保护电路。
5.当电路被熔断器或断路器切断后,不要急于更换保险丝或使断路器复位,应再接通电路
注意点:1.保险丝应与所保护的电路串联,断路器一般串联在火线上。
2.短路的原因:电路中某支路的火线与零线直接接触了。
3.断路的原因:用电器或开关接触不良或用电器本身坏了。
知识点三:插座1.插座一般分为插座和插座。

396b0a611a835365d55eebd5fabb5134.png
2.两孔式插座的一个孔接,另一个孔接。三孔式插座的接法:左右上
3.为了安全,功率较大的用电器应用。一旦用电器的的绝缘层被破坏,与火线接触的金属壳上就有伏的电压,人与之接触就会发生触电事故,而外壳接地,电流就会经接地线进入。
03考向释疑
  • (2023春•永嘉县校级月考)家庭用电的一些做法中,符合安全用电原则的是(  )
A.徒手从输电线上取风筝        
B.用铜丝代替保险丝        
C.电器失火先切断电源        
D.同时接入过多用电器
  • (2023春•鹿城区期中)如图为测电笔的结构示意图,关于它的描述正确的是(  )

60f73f74b047b18d3e86b8ef0b1b56f6.png
A.使用测电笔时,人必须站在绝缘地面上        
B.使用测电笔时,手不能接触笔尾金属体        
C.使用测电笔时,氖管发光说明接触火线        
D.金属笔卡只是装饰,可以换成塑料笔卡
  • (2023春•苍南县期中)根据家庭电路的相关知识,下列安装的电路,其中正确的是(  )
A
25594bded5e093b35f69a75609f6e865.png         B
c1f82eec633695034c67c8b6323a4667.png         
C
ce6a8917e6a9d798f98383cb52b46920.png         D
c239f512df6e35d5ced2d61492723bc4.png
  • (2023春•金华期中)测电笔的构造如图所示,下列关于它的作用和使用描述正确的是(  )

ebfa3cef9e41701f3e9ced9f383f55ae.png
A.测电笔可以判断物体是带正电还是带负电        
B.使用测电笔时手指不能接触笔尾的金属笔卡        
C.使用测电笔时,人必须站在绝缘地面才安全        
D.正确使用时若氖管发光,说明接触的是火线
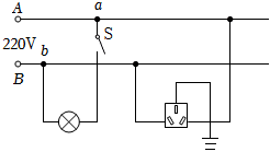
  • (2023春•临平区校级月考)如图是正常家庭电路的一部分,下列说法正确的是(  )

fe836dc2c4d728323ffcfe2e0630ca50.png
A.导线B与大地之间的电压为220V        
B.测电笔先后插入插座的左右插孔,氖管都发光        
C.灯泡和开关的位置可以互换        
D.电冰箱的插头插入三孔插座能使电冰箱的金属外壳接地
  • (2023•慈溪市校级模拟)图甲为某家用电路示意图,为防止电路短路而引发火灾,小明欲将某款双金属片断路器接入该家庭电路中,图乙为断路器分别在“电路正常”和“某处短路”两种状态的示意图。

075092c670c22b5ea5ebf5b1cb6581c9.png
1)图甲中灯泡与插座的联接方式是
2)将断路器接入图甲中M处时,应选择a.b.c中的 两个接线柱。
3)小明将该断路器接入图甲中N处,在使用中因电灯L发生短路导致断路器断开,若用测电笔测试插座三个孔的带电情况,其中能使氖管发光的是 。(可多选)
A.接地插孔
B.零线插孔
C.火线插孔
  • (2023春•永嘉县期中)学校开展了一次“科学用电,安全用电”主题安全教育活动,下列是活动的部分内容。

d0ef20ad17f96cc862de0a61848937e1.png
1)用测电笔辨别火线、零线时,图中甲、乙两种执笔方式中,正确的是图
2)如图丙、丁为家庭电路中造成电线火灾的原因,其中图丁所示情况的原因是 (填“用电器的总功率过大”或“短路”)。
  • (2023春•滨江区校级期中)如图所示,甲、乙分别表示测电笔的两种握法,其中正确的是       (选填“甲”或“乙”)。如图丙所示,电路中画“×”处表示断路之处,开关S断开后,用测电笔测试电路中A、B、C三点,测电笔氖管会发光的是       点。小明同学想在家里安装一盏照明灯,如图丁所示是他设计的电路。图中虚线框1和2应连入开关和电灯,则开关应装在       方框中,安装完毕后,若保险丝处用一只相同型号的灯泡替换,在排除故障的情况下,闭合开关,原来的照明灯亮度将         (选填“变大”、“变小”或“不变”)。

76e7b6075d941ebdb8ef703a213309e3.png
  • (2023春•吴兴区期末)如图所示是小科家室内安装的带有漏电保护器的空气开关、三孔插座等设备的配电系统。

6e6d3bd97b72759df4ac875fc4565d69.png
1)图中灯泡与插座的连接方式是
2①②两处需接入空气开关和电能表,则处应接
3)用试电笔接触a孔中金属片,氖管 发光。(选填“会”或“不会”)
0401强化训练

a1c6b88c92d5d978c2c81639d30f9514.png
  • (2023春•常山县校级月考)“珍爱生命,远离危险”,关于安全用电,下列做法符合安全用电原则的是(  )
A.发生触电事故时先切断电源        
B.用湿的手触摸插座关闭开关        
C.在高压线旁边钓鱼或放风筝        
D.同时使用大量大功率用电器
  • (2023秋•慈溪市校级月考)如图所示的家庭电路接线圈,符合安全用电原则的是(  )
A
2a4776ee5441afb4423df11cadfe3bef.png         B
1a422f2dede29a7cfa9635563079c526.png         
C
0c2f0f776e5d6a44f5480040f86e241f.png         D
fed4988eac250d0b97b4efac7b66c57b.png
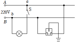
  • (2023春•余杭区月考)如图是正常家庭电路的一部分,下列说法正确的是(  )

fe836dc2c4d728323ffcfe2e0630ca50.png
A.导线B与大地之间的电压为220V        
B.测电笔先后插入插座的左右插孔,氖管都发光        
C.电冰箱的插头插入三孔插座能使电冰箱的金属外壳接地        
D.灯泡和开关的位置可以互换
  • (2023春•东阳市期末)学习了《家庭用电》之后,爱动脑的小科设计了如图所示的家庭电路的电路图。下列对此家庭电路图的分析合理的是(  )

25a0bdf99218edb5da0cf8a8087c3306.png
A.三孔插座接法正确,使用电冰箱时,插头应插在三孔插座上        
B.开关和灯泡接法正确,开关接在零线上符合安全用电原则        
C.保险盒接法正确,保险盒可以安装在火线或零线上        
D.二孔插座接法错误,其左端导线应该接在零线上
  • (2023春•杭州期末)电能是一种方便的能源,它的广泛应用形成了人类近代史上第二次技术革命。有力地推动了人类社会的发展,给人类创造了巨大的财富。但如果在生产和生活中不注意安全用电,会带来灾害。关于安全用电,下列说法正确的是(  )
A.常用抹布擦拭亮着的台灯灯泡,使其保持干净        
B.长期使用大功率电器时,为避免烧断保险丝,可以用铜丝代替保险丝        
C.用试电笔辨别火线和零线时,用笔尖金属体接触火线或零线,手指要接触笔尾金属体        
D.使用有金属外壳的家用电器时,应将其外壳接在零线上
  • (2023春•余杭区期末)如图是家庭电路的一部分电路,下列说法中正确的是(  )

61e7cdf77ec3f95b6f39abd9ba326a5a.png
AM为零线,N为火线        
B.测电笔笔尖接触插座右孔,氖管不能发光        
C.开关S闭合时,测电笔笔尖接触AB两点,氖管均不能发光        
D.当CD两点间断路时,S闭合,测电笔笔尖接触D时氖管发光
  • (2023春•瓯海区月考)家庭电路中都安装有保护装置,主要有           、          。熔断器有封闭管式和               熔断器。熔断器内装有保险丝,其作用是                               。保险丝的一般采用                       的材料制成。保险丝的选择,应使保险丝的额定电流                 电路中正常工作时的电流。使保险丝熔断的电路故障主要是电路         和电路发生       路。当流过断路器的电流超过额定电流时可以             电路,它相当于           和             的组合。断路器要连接在       线上。
  • (2023春•柯桥区期中)小瑞想在家里安装一盏照明灯,他设计的电路如图所示。图中虚线框应接入开关或电灯,则开关应装在虚线框       中。他用测电笔测试插座的C孔,氖管发光,则C孔接的是       线。

d92af3eaf08c2db73ef7a4e56738ed14.png
  • (2022春•婺城区期末)学习了家庭电路后,小科对家庭电路进行了调查研究。请回答:
1)如图甲是空气开关的原理图,当电路中电流过大时,通电线圈P产生较强的磁性,吸引衔铁Q,弹簧拉动开关,自动切断电路。可见空气开关切断电路是利用了电流的 效应。
2)观察厨房中的电器时,妈妈告诉他,以前电饭锅不用时要将插头从插座上拔下来,既不方便也容易损坏插座。后来电工师傅换了一个如图乙的带开关的插座后,只要拨动下开关就可以断开电了。小科仔细观察了如图乙的插座后,很快就在纸上画出了如图丙所示的插座背面接线示意图。则图中最上面的a线应该是 线。

47f57eb310cc92707db5d7753b13b37d.jpg
  • (2022春•金东区期末)“珍爱生命,注意安全”是同学们日常生活中必须具备的意识。下列关于家庭电路和安全用电,说法正确的是(  )
A.安装家庭电路时,开关应安装在零线上        
B.家用电器起火时应迅速用水扑灭        
C.用电器的三脚插头也可以插入两孔插座使用        
D.放风筝时要远离高压电线
  • (2022春•西湖区期末)如图所示是某同学设计的家庭电路,电灯开关已断开。下列说法正确的是(  )

4ec9e4372bbb80bfbe7290e3c3862f89.png
A.灯泡和两孔插座是串联的        
B.试电笔接触M点,氖管不发光        
C.开关和三孔插座的连接都是错误的        
D.试电笔插入两孔插座的左孔,氖管发光
  • (2022•湖州)如图是小明家家庭电路的一部分。下列叙述中,错误的是(  )

5f8b094c17327721ee50aaf5e430bf02.png
A.开关与灯泡串联        
B.灯泡与插座串联        
C.当开关S断开时,用测电笔分别测试电路中abcd四处,能使氖管发光的是d        
D.该插座能将用电器的金属外壳与大地相连
  • (2022春•仙居县期末)有一口废弃的水井,想利用抽水泵(电动机)将井中的水抽干。在工作之前先将开关S断开,发现井水温度明显变高。电工检测发现:开关虽然断开,但水泵和井水都带电。由此分析,井内水泵电路的实际连接方式可能为(  )

f8628d1e247fa1036a3084717fce3848.png
A①②        B①③        C②③        D②④
  • (2023春•临平区校级期中)根据安全用电要求,现代家庭中用空气断路器(俗称“空气开关”)来代替闸刀开关和保险丝。建楼房的电路中除了安装防止电流过大的断路器外,还必须安装漏电保护器,漏电保护器其示意图如图甲所示,其内部结构相当于一个自动开关,正常情况下,住户家中没有电流流向地面,即图中为零,进户线中流入的电流和流出的电流相等,漏电保护器内部自动开关处于闭合状态。如果电路中某处发生漏电(漏电是指电流从墙体、人体、接地线或其他路径流向地面),即图中的不为零,就会造成和不相等,当和的差异达到一定值,保护器内部自动开关就会立即 火线h漏电火线用电接地线火线h电断开,排除漏电故障后,重新合闸即可恢 进户线保护复供电。为确保使用安全,漏电保护器上用设置了试验按钮,需要每月试按一次,如果试验按钮按下漏电保护器无动作,说明漏电保护器需要更换。

242a116e54499675be2b46eeb9fad6c3.png
1)漏电保护器的试验电路,由一只试验开关S与电阻R组成,闭合试验开关S就能模拟漏电情形,试验电路的连接符合要求的是
A.
9e81eb2398c79e1cdce0157b2e71f656.png B.
124f895241b325dfd23c3aaa6e5e46b7.png C.
a0d36a1f3eb88b59af433a3933147e03.png D.
b8b4dee4c2a67d0e20ccfde0eca50ab3.png
2)一般固体受热时,在各个方向上的长度都会膨大,在冷却时都会缩小。物体在某一方向上长度的膨胀称为线膨胀。下表是科技小组的同学探究影响物体线膨胀因素的实验记录,请根据实验记录回答:

e0c09eb3f71669fe8670d67f382823ad.png
34两组实验记录可以看出物体的伸长量还与 有关。
如图所示的电热设备中有一个由黄铜片与康铜片双金属合在一起的温控开关,温度升高时,双金属片向上弯曲,使电路断开,请你参考上面的实验记录确定双金属片与固定触点接触的一边所用的材料是 (填“黄铜”或者“康铜”)。
实验序号
材料
升高的温度(℃)
原长(m
伸长量(mm
1
黄铜
10
1.00000
0.19
2
黄铜
10
2.00000
0.38
3
康铜
10
1.00000
0.15
4
康铜
30
1.00000
0.65
5

10
2.00000
0.46
6

30
1.00000
0.69
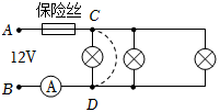
  • (2023春•杭州期中)小明同学为了探究家庭电路中保险丝熔断的原因,做了如下实验。他用若干“12V,0.5A”的灯泡作为用电器,12V的铅蓄电池代替家庭照明电路的电源,电源的正极代替火线。在正极与用电器之间接入一段保险丝,在负极与用电器之间接入一块电流表(如图所示)。
1)由于人体的安全电压大小是 ,小明实验时用的电源只有12V,所以可确保实验的安全性。
2)小明依次在电路中接入几个小灯泡,当接入两个小灯泡时,灯泡可以正常地工作,此时电流表的示数为 A。当他再接入一个小灯泡时,发现保险丝熔断,此时电路中的电流变成0,该实验可以验证保险丝熔断原因是
3)小明只让一个小灯泡工作,在CD两点间接入一段导线,他发现保险丝会马上熔断,此时保险丝熔断的原因是

952658cf17c1b5db4ccde293e749ce96.png
  • (2023春•鹿城区期中)因线路或用电器的绝缘层老化,家庭电路会发生漏电现象,漏电现象严重时会引发用电安全事故。漏电保护器是在用电器发生漏电故障或人体触电时的保护装置,如图所示,未发生漏电时,I1=I2。如果电路中某处发生漏电,即有电流I3通过其他路径流入大地而使I2<I1,当I1与I2的差值大于一定值时,漏电保护器会快速自动切断电路,此时B的值称为动作电流。
1)漏电保护器实际上是一个 (填电路元件名称)。
2)站在地面上的人不小心接触火线,若其身体连接大地的总电阻为2200Ω,请通过计算说明,由此造成的I1I2的差值。
3)在家庭电路的干路上都安装漏电保护器,以保证人们安全稳定的用电,漏电保护器动作电流有10毫安、30毫安、50毫安、100毫安等不同型号,通过人体的电流值与相应的人体反应如下表所示。
电流值与相应的人体反应
电流(毫安)
人体的反应
0.10.2
对人体无害,医院电疗时能治病
1
麻的感觉
10
触电感觉,但可挣脱
30
感到剧痛,神经麻木,呼吸困难,有生命危险
100
短时间内心跳停止
请简单说明家庭电路里为什么常选择动作电流为30毫安这种型号的漏电保护器?

64a28efcf5ef8ca901037b61f2f03676.png
  • (2023春•鹿城区月考)随着庭电气化程度越来越高,用电安全是一个十分突出的问题,下表提供了一组人体电阻的数据。如图所示,用电器R(阻值为44欧),电路中还有熔断电流为8A的保险丝。
测量项目
手和手之间电阻
手与脚之间电阻
手与塑料鞋底之间电阻
完全干燥时
200千欧
300千欧
8000千欧
出汗或潮湿时
1千欧
1千欧
10千欧

2fb396ac734641467bab8a0a86576c30.png
1)小明同学也想试一试自己安装电路,在安装电路之前,必须要使用测电笔来判断电路的火线和零线,如图甲、乙所示是小明同学使用测电笔的两种方法,正确的是
2)一个全身潮湿的人,赤脚站在地上,由于不小心,手接触火线,发生触电事故。通过计算分析此时保险丝是否熔断?(写出计算过程)
3)为用电安全,有的电热水器安装了防电墙。防电墙技术就是在电热水器内部形成永久性电阻,从而降低异常情况下经过人体的电流值。经过防电墙处理后,发生异常情况时,人体承受的电压约10V,如图所示,这就保证了人体安全。若人体的最大电阻约为20兆欧,则防电墙的电阻大约是 兆欧。

您需要登录后才可以回帖 登录 | 立即注册

本版积分规则

Archiver|手机版|小黑屋|5432教案网 ( 蜀ICP备2022024372号-1 |川公网安备51152402000101号 )|网站地图

GMT+8, 2026-5-19 20:39 , Processed in 2.278819 second(s), 35 queries .

Powered by Discuz! X3.5

© 2001-2026 Discuz! Team.

快速回复 返回顶部 返回列表