找回密码
 立即注册
搜索
查看: 1|回复: 0

(八下)1.3电磁铁的应用 (原卷版)

[复制链接]

2万

主题

224

回帖

13万

积分

管理员

积分
132199
发表于 5 小时前 | 显示全部楼层 |阅读模式
1.3电磁铁的应用
学习目标
1.知道电磁铁的组成和特点
2.理解电磁继电器的结构和工作原理
3.了解电铃、电磁选矿机和电磁起重机、磁悬浮列车的工作原理
4.了解信息的磁记录
02预习导学
1.电磁铁的工作原理:电磁铁是利用的磁效应,使其内部的铁芯具有的装置,当电流切断时,其磁性会随之消失
2.电磁铁的特点:磁性的有无由来控制,磁极由来控制,磁性强弱由和等来控制。
注意电磁铁的铁芯要用软铁制成,不能用钢,这是因为电磁铁要求通电时立即有磁性,断电时磁性立即消失。
1.电磁继电器是利用电磁铁来控制工作电路的一种自动开关。借助它可以实现用来控制高电压、强电流电路的通断,进行远距离操作和自动控制。
2.如图所示的继电器主要由等组成。
(1)当低压电源的开关闭合时,控制电路中有电流通过,电磁铁A产生磁性,吸引衔铁B,使动触点与红灯触点,而与绿灯触点(如图乙所示),故红灯,绿灯,电动机开始工作。
(2)当低压电源的开关断开时,电磁A磁性,衔铁B在弹簧C的作用下被拉起,使动触点与绿灯触点,而与红灯触点(如图甲所示),故红灯,绿灯,电动机停止工作。【出处:

16b889547fbd74f675f0346c11eaaa00.png
3.磁悬浮列车是利用列车轨道上的强电磁铁与列车上的电磁铁磁极间的作用而悬浮起来,使列车与轨道分离,消除了列车与轨道的摩擦。磁悬浮列车运行时阻力很小,因此运行速度很快。

05090ef9be7e7ddfaac92241e621b8f5.png
c06450f28058fa7fce1c3f1bea0694d2.png
4.在硬盘上存入数据时,首先将声音、图像、数字等信息转变为,电流通过读写磁头转变为,使盘片上磁性颗粒按照它的方向排列,从而记录信息。
5.电话:话筒把声音信号转化成的电流,电流沿着导线流入对方听筒,听筒又把变化的电流通过电磁铁转化成信号。

b9cfcdf07fa1904adfa7399d223e14d5.png
3f07a043b8014dae9e432a487cd4935b.png
注意点:1.解释电磁继电器原理可分为三步进行:(1)低压控制电路的动触点“动作”(改变电路连接方式)之前,分析控制电路和工作电路的各个触点是怎么连接的,电磁铁线圈中有无电流,工作电路处于什么状态。(2)找出是什么原因引起控制器电路“动作”。(3)控制电路“动作”以后,电磁铁线圈所在的电路是接通还是断开,控制电路和工作电路的各个触点的连接方式发生了什么变化,工作电路处于什么状态,导致了什么结果。
2.硬盘的记录盘片是依靠磁性颗粒的有序排列来记录信息的,所以硬盘等磁记录器材不能靠近强磁场,以防止记录的信息丢失
03考向释疑
  • (2023春•乐清市期中)下列产品中,利用电磁铁制成的是(  )
A.指南针        B.电铃        C.白炽灯        D.电热水壶
  • (2023春•上城区校级期中)小利同学观察到学校楼道里的消防应急灯,平时灯是熄的,一旦停电,两盏标有“36V”灯泡就会正常发光。如图所示是小利设计的四个电路,其中可以起到消防应急灯作用的电路是(  )
A
c5c9ac5fbf37cb09591e844da47ebcec.png         B
793586ebb15c0c8ccc24889ac56efa80.png         
C
9e57fd3db869049e4cee12ad004a1a52.png         D
ffc98f6e3370f32330194a7a868cc471.png
  • (2023春•洞头区期中)我国南方夏季有时会普降暴雨,引起城市内涝,给人们生活带来很大影响。小明设计了一种利用电磁继电器来自动控制抽水机工作的电路:当水位在安全位置以下时绿灯亮,抽水机不工作:当水位到达安全位置上限时红灯亮,抽水机开始工作。如图是小明还未连接完成的电路,小明接下去的电路连接应该是(  )
AMANB        BMBND        CMBNC        DMCND
  • (2023春•滨江区期末)如图所示,弹簧测力计下挂一条形磁铁,条形磁铁下面放置一通电螺线管,当条形磁铁从左向右水平拉过时,在图像中弹簧测力计示数变化情况正确的是(  )

c623a9a1b8bae5dfb3f85f7ddfe6672e.png
A
af05602cf55f53df9ecb59a7ec2af4ed.png B
ab1043275e067b9e315fb4d418914c2c.png         C
7d8298b758ddd1ed7b59444f1b0dad33.png         D
d3dc3a5b0b02df68fee2807035bd352c.png
  • (2023春•瑞安市校级期中)如图所示的自动控制电路中,当开关S断开时,工作电路的情况是(  )

eb88b30e20d55c43a41e357ebba53de5.png
A.灯亮,电动机转起来,电铃响        
B.灯亮,电动机转起来,电铃不响        
C.灯不亮,电动机不转,电铃响        
D.灯亮,电动机不转,电铃响
  • (2023•金东区二模)项目学习小组在学习电磁继电器后,用电源、滑动变阻器、开关、导线等器材设计了一个高温报警器,电路如图所示。设计要求:
正常情况下绿灯亮,温度过高时电铃报警。请根据要求回答:
1)按设计要求,则图中甲位置处需要连接的元件为
A.PTC热敏电阻(阻值随温度升高而增大)
B.NTC热敏电阻(阻值随温度升高而减小)
2)电路正确连接之后,该组同学调试过程中发现报警温度比预期偏高,经分析发现,是控制电路电源电压低于原来要求。为使该报警器能正常工作,在不改变装置的前提下,可进行的操作是:

ff32460a841561c206f7e4d0b1ef2009.png
  • (2023春•西湖区校级期中)如图所示为一种仓库防盗报警器的部分工作原理图。其踏板放在仓库的门口,电铃和电灯放在值班室内。
1)踏板相当于控制电路中的
2)用笔画线将工作电路连接完整,要求有人踩踏板时电铃响、电灯不亮;无人踩踏板时电铃不响、电灯亮。

f02ea39c82d611cd1448ef0c36ea48c3.png
  • (2023•桐乡市模拟)如图甲为某智能扫地机器人,可通过灰尘传感器自动寻找灰尘清扫。图乙为其部分工作原理图,R为光敏电阻,其阻值随光照强度增大而减小。

7fdd76fae4ca6937ac2be30724437643.png
1)接通电源,机器人工作,当清扫到一定程度,地面灰尘减少,使地面照射到光敏电阻上的光照强度增强,电磁铁的磁性 (选填“增强”、“不变”或“减弱”),B触头将与 (选填“A”或“C”)接触。
2)机器人工作时,它能通过电动机旋转、产生高速气流将灰尘等吸入集尘盒,此时,机器人集尘盒内部的气压 (选填“大于”、“等于”或“小于”)外界大气压。
0401强化训练

7d4d6dc742017039c62c9744a7b1626a.png
  • (2023春•西湖区校级期中)下列用电器中,不属于电磁铁的应用的是(  )
A.电铃        B.电磁继电器        
C.电磁起重机        D.电炉
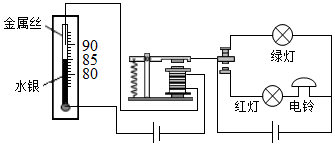
  • (2023春•吴兴区期中)如图所示是某科技小组设计的一种温度自动控制报警装置电路图,以下说法中正确的是(  )

091ff8972ad7b8565921fb991e457aab.png
A.温度达到90℃,红灯亮,电铃响        
B.红灯与绿灯的连接方式是串联        
C.自动报警器中的电磁铁运用了电磁感应原理        
D.把水银温度计换成煤油温度计同样可以工作
  • (2023春•萧山区校级月考)如图是汽⻋启动装置原理图对于这一装置及其⼯作特点,下列说法中不正确的是(  )

416e5a74c93e67fc3d708c5238988c77.png
A.旋转钥匙能使电磁铁所在电路⼯作        
B.电磁铁的⼯作电压⽐电动机的⼯作电压低        
C.电磁铁通电时,上端是S极下端是N        
D.电磁铁通电时,吸引上⽅的衔铁,使触点B向右与C接触
  • (2023春•西湖区校级期中)如图是拍摄机动车闯红灯的工作原理示意图。光控开关接收到红灯发出的光会自动闭合,压力开关受到机动车的压力会闭合,摄像系统在电路接通时可自动拍摄违章车辆。下列有关说法正确的是(  )

dc885beab73ef553e3246a22c4daa744.png
A.只要光控开关接收到红光,摄像系统就会自动拍摄        
B.机动车只要驶过埋有压力开关的路口,摄像系统就会自动拍摄        
C.若将光控开关和压力开关并联,也能起到相同的作用        
D.只有光控开关和压力开关都闭合时,摄像系统才会自动拍摄
  • (2022春•长兴县月考)如图是拍摄机动车闯红灯的工作原理示意图。光控开关接收到红灯发出的光会自动闭合,压力开关受到机动车的压力会闭合,摄像系统在电路接通时可自动拍摄违规车辆。下列有关说法正确的是(  )

dc885beab73ef553e3246a22c4daa744.png
A.只要光控开关接收到红光,摄像系统就会自动拍摄        
B.机动车只要驶过埋有压力开关的路口,摄像系统就会自动拍摄        
C.只有光控开关和压力开关都闭合时,摄像系统才会自动拍摄        
D.若将光控开关和压力开关并联,也能起到相同的作用
  • (2022•云和县模拟)如图是一种水位自动报警的原理图;当水位低于A点时,工作电路中绿灯亮;水位到达A点时,衔铁被吸下,工作电路中红灯亮。当某次水位超过A点时,由于电磁铁磁性太弱,衔铁没有被吸下,为了能正常报警,下列做法中合理的是(  )

2802a50b8a7b668248c0afdd50782c71.png
A.增加工作电路电压        
B.减小控制电路电压        
C.保持线圈中电流不变,增加电磁铁线圈的匝数        
D.保持衔铁位置不变,增加控制电路中弹簧的拉力
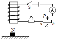
  • (2023春•滨江区校级期中)如图所示,闭合开关S,当滑片P向b端移动时,电磁铁的磁性         (选填“增强”或“变弱”),条形磁体对水平地面的压力         (选填“增大”、“不变”或“减小”)。

3cde4bddbe7ff1d40577ccb557dbcfaa.png
  • (2022春•杭州月考)小明发现超市里的手扶式电梯无人站在上面时运动较慢,有人站在上面时运动较快,他据此画出了如图所示的电路(R是一个压敏电阻)。他分析:当人站在电梯上,R的阻值         ,电磁铁的磁性变强,工作电路电流         。(填“变大”、“不变”或“变小”)

b760b37ebe7860177ce518ba024fd1cc.png
  • (2022春•东阳市期中)阴雨天,空气潮湿,能见度低,路面湿滑,为保证师生通行安全,小明设计了如图甲警示灯的模拟电路。
1)在电路中串联一个湿敏电阻,当湿度变大,电流高达一定程度时警示灯才发光,因此应选择图乙中的 (填“R1”或“R2”)湿敏电阻。
2)为了提高警示效果,要求警示灯能亮暗闪烁,湿敏电阻应连接在图甲的 (填“A”或“B”)位置。

d53addd5d2752da25d5ddd828f798cff.png

47f57eb310cc92707db5d7753b13b37d.jpg
  • (2023春•富阳区期中)要求设计一个电磁限流器,当电路中电流过大时,它能切断电路,并需手动闭合。兴趣小组设计了两个电磁限流器,示意图如下,其中的C、D为动触点。下列说法中正确的是(  )

48031146763f2d17f7562181a724ad55.png
A.甲和乙都能满足设计要求        
B.甲能满足设计要求,乙不能满足设计要求        
C.当电路中电流过大时,弹簧1和弹簧2都变短        
D.乙能满足设计要求,甲不能满足设计要求
  • (2023春•椒江区校级月考)如图所示是某同学连接的电铃电路。开关闭合后。电路中始终有电流,但电铃只响一声就不再响了,原因是(  )

69224653e3627889c05fd37da576246d.png
A.电磁铁始终有磁性,衔铁一直被电磁铁吸着不能回弹        
B.衔铁没有向下运动        
C.电池电压太低        
D.电磁铁的左侧上端为N极,右侧上端为S极,无法形成排斥
  • (2023春•诸暨市月考)如图是小敏设计的汽车尾气中CO(一氧化碳)排放量的检测电路。当CO浓度高于某一设定值时,电铃发声报警。已知气敏电阻R1阻值随CO浓度的增大而减小,下列说法不正确的是(  )

3a83d13d050dd0ceeb6710b63aadb533.png
A.电铃应接在CD之间        
B.当CO浓度升高,电磁铁磁性增强        
C.若U1减小,报警时CO最小浓度比原设定值高        
D.为使该检测电路在CO浓度更低时报警,可将R2的滑片向下移
  • (2023春•瑞安市月考)超市的电动扶梯,有人乘时运行较快,无人乘时运行较慢。某同学想利用电磁继电器设计这样的电路。

6c02dad790c669dafc3e657191b76d1d.png
1)力敏电阻R0的阻值与所受压力的关系如图甲所示,则由图甲可得出的结论是:
2)根据要求请将图乙的工作电路连接完整。
3)控制电路电源电压为24V,当电流达到20mA时电磁铁将衔铁吸下。现在要求一个质量为40kg的小朋友站在电梯上,就能使电梯较快运行,则滑动变阻器R1接入电路的阻值为多大
4)如果要求质量更小的人站上电梯就能使其较快运行,应该如何改动控制电路?(写出两种方法)。
  • (2023春•金东区期中)空气炸锅是一种利用热空气对流给食材加热变熟并使食物达到近似“油炸”效果的机器。如图甲是某种空气炸锅加热管的简化电路控制电路电压为6V。R0为热敏电阻,其阻值随温度变化如图乙所示;R为可调电阻器,电磁继电器线圈的电阻忽略不计,当继电器线圈电流达到50mA时,衔铁会被吸下。工作电路电压为220V,R1、R2为加热电阻。

7b14f1fa2492e207eca50a444829c944.png
1)由图乙可知,热敏电阻R0的阻值随温度的升高而
2)为使电磁继电器中的线圈磁性增强,里面一般装有 ;(选填“铁棒”或“钢棒”)
3)使用爆米花功能时,需要温度达到200℃时吸下衔铁停止加热进行保温,此时可调电阻器R接入电路的阻值大小。
  • (2023春•鹿城区校级期中)随着天气回暖,不少人开始在夜晚去瓯江畔散步。为了防止人们不小心失足踩空,学校以此让各小组设计出一款能在夜晚闪烁灯光的照明系统置于岸边。
【项目设计】某小组设计出的电路图如图甲所示,白天开关S1S2断开,夜晚时都闭合,光敏电阻与灯泡放置在一起,其阻值Rx受灯泡亮度影响。
【项目制作】该小组制作时选择的器材规格如下:电磁继电器(当电流大于或等于0.15A时,衔铁被吸下来,反之则上弹;其电阻忽略不计),电源U1U2均为6V,定值电阻R05Ω,定值电阻R110Ω,光敏电阻Rx(阻值随亮度的变化如图乙所示),灯泡电阻RL10Ω(其灯泡发光亮度与电流的关系如表所示),按照设计连接电路。
灯泡R亮度与电流的关系
电流/A
0.3
0.4
0.5
0.6
0.7
亮度/Lx
0.9
1.6
2.5
3.6
4.9

bbde52c107dfecefb289d22bb442793c.png
1)灯光闪烁过程中,当灯泡较亮时,动触点K与触点 连接。(填“1”或“2”)
2)【项目检测】现闭合开关 S1S2,请计算判断此时衔铁能否被吸下?
3)根据该电路设计,判断该方案能否看到灯光闪烁(亮暗交替变化),并说明理由


您需要登录后才可以回帖 登录 | 立即注册

本版积分规则

Archiver|手机版|小黑屋|5432教案网 ( 蜀ICP备2022024372号-1 |川公网安备51152402000101号 )|网站地图

GMT+8, 2026-3-24 11:31 , Processed in 0.706725 second(s), 31 queries .

Powered by Discuz! X3.5

© 2001-2026 Discuz! Team.

快速回复 返回顶部 返回列表